【導讀】工業設備電動化浪潮下,電池充電器面臨嚴苛挑戰:需兼容120-480V寬壓輸入,在震動/粉塵/溫變等惡劣條件下實現高效供電,同時滿足尺寸重量極限壓縮與無風扇散熱需求。本文聚焦PFC級核心設計,對比升壓與圖騰柱拓撲的實戰優劣,解析SiC MOSFET如何重構工業充電器性能邊界。
工業設備電動化浪潮下,電池充電器面臨嚴苛挑戰:需兼容120-480V寬壓輸入,在震動/粉塵/溫變等惡劣條件下實現高效供電,同時滿足尺寸重量極限壓縮與無風扇散熱需求。本文聚焦PFC級核心設計,對比升壓與圖騰柱拓撲的實戰優劣,解析SiC MOSFET如何重構工業充電器性能邊界。
現代工業充電體系
工業電池充電器需要支持多種類型的化學電池,這是一個挑戰。鋰離子電池(尤其是12V-120V范圍內的電池)已成為工業應用的主流選擇(圖1),驅動著從手持工具到物料搬運設備的一切應用。
圖1.鋰離子電池組的典型應用
典型的工業充電器架構包括兩個關鍵電路級:
· 功率因數校正 (PFC):該前端確保高效利用交流電源,盡量減少諧波失真,并實現功率輸出最大化。
· 隔離式 DC-DC 級:該級提供隔離以確保安全,并調節輸出電壓和電流,為電池精準充電。
圖2.典型電池充電系統框圖
充電過程通常由微控制器管理,以適應不同的電池特性。高頻運行是快速充電和提高能效的關鍵。SiC MOSFET非常適合這種苛刻的環境。它能以高頻運行,開關損耗極小,有助于實現緊湊、被動散熱式設計——這在工業環境中是一個關鍵優勢。
選擇合適的拓撲:PFC級
功率因數校正(PFC)級對于高效率電源轉換至關重要。如下是主要的拓撲選擇:
1.升壓PFC:
這種拓撲(圖3)使用廣泛,采用的元器件有EMI濾波器、橋式整流器、升壓電感器、升壓FET和升壓二極管。安森美NCP1654/NCP1655這樣的控制器通常用于管理功率因數并盡量減少總諧波失真(THD)。對于更高功率的應用,FAN9672/FAN9673等控制器的交錯式PFC是更好的選擇。
對于升壓二極管,650V EliteSiC 二極管性能出色。SiC MOSFET 是高頻率、大功率(2kW-6.6kW)應用的理想開關元件。針對較低功率應用(600W-1kW),可以考慮集成GaN驅動器的NCP1681圖騰柱PFC控制器。頻率較低時(20kHz-60kHz),可以使用硅超級結MOSFET或IGBT。在較高功率水平下,一個關鍵考慮因素是盡量減少橋式整流器的損耗。為提高能效,通常采用半無橋或圖騰柱配置的有源開關(Si或SiC MOSFET)。
圖3.升壓PFC拓撲
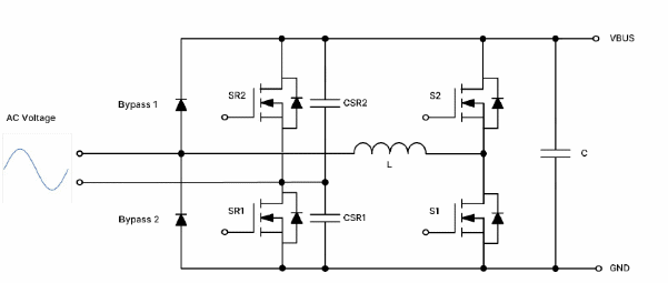
2. 圖騰柱PFC:
圖騰柱PFC拓撲(圖4)消除了傳統的橋式整流器,因此能效更高。它包含EMI濾波器、升壓電感器、高頻和低頻半橋、柵極驅動器以及專用圖騰柱PFC控制器(如NCP1681B)。
圖4.圖騰柱PFC拓撲
圖騰柱PFC的高頻橋臂需要一個低反向恢復時間的功率開關,因此SiC和GaN器件是理想選擇。安森美建議,600W至1.2kW的應用采用集成GaN驅動器,1.5kW至6.6kW的應用采用SiC MOSFET。集成SiC二極管的IGBT可以在較低頻率(20-40kHz)下使用。低RDS(on)硅超級結MOSFET或低VCE(SAT)IGBT 適用于低頻橋臂。
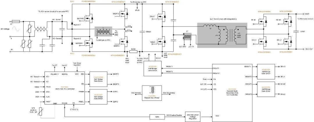
針對較高的功率(4.0kW-6.6kW),請考慮交錯式圖騰柱PFC配置。安森美的650V EliteSiC MOSFET,例如適合3kW應用的NTH4L032N065M3S和NTH4L023N065M3S,以及適合6.6kW應用的NTH4L015N065SC1或SiC共源共柵JFET(如UJ4SC075009K4S),是高頻橋臂的出色選擇。NTHL017N60S5H或SiC組合式JFET(如UG4SC075005L8S)適用于低頻橋臂。圖5提供了一個基于SiC的3kW圖騰柱PFC和LLC電源的實例。(圖5所示為基于SiC的3kW圖騰柱PFC和LLC電源示例。)
圖5.基于SiC的3 kW 圖騰柱PFC和LLC電源
推薦閱讀:
搶占大灣區C位!KAIFA GALA 2025AIoT方案征集收官在即,與頭部企業同臺競逐
0.01%精度風暴!儀表放大器如何煉成工業自動化的“神經末梢”



