- 多諧振蕩器在汽車空氣清新器中的應用
- 元器件選擇
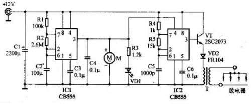
- 選用兩塊時基電路CB555
- 選用一塊雙時基電路CB556
555時基電路IC2與R4、R5、C5等組成多諧振蕩器。接通電源后,因C5上電壓很低,IC2輸出端(3腳)為高電平,同時12V。電壓經R4、R5向C5充電,C5上電壓逐步上升。當C5上電壓上升到2/3VCC時,IC2內部觸發器翻轉,3腳輸出低電平,同時內部放電管導通,C5上電壓開始經R5通過7腳放電。當C5上電壓下降到1/3Vcc時,IC2內部觸發器再次翻轉,3腳輸出高電平,同時內部放電管截止,12V電壓又經R4.、R5向C5充電。如此周而復始形成振蕩,振蕩頻率.f=1.44/[(R4+2R5)C5],其3腳輸出約48k。Hz的高頻脈沖電壓。

當IC2輸出端(3腳)為高電平時,開關管VT導通,12V電源經二極管VD流經變壓器T的初級繞組。當IC2輸出端(3腳)為低電平時,開關管VT截止,變壓器T儲存的能量通過其次級釋放。由于T的初、次級變壓比達1:300,次級脈沖電壓將高達3000V。以上,通過放電器的尖端放電使空氣電離而產生負離子。風扇M的作用是使負離子更快更好地擴散到周圍空氣當中去。
555時基電路IC1與R1、R2、C2超低頻振蕩器,振蕩周期約為6分鐘,其輸出端(3腳)輸出為脈寬180秒、間隔180秒的方波。高頻振蕩器IC2的復位端(4腳)受IC1輸出端(3腳)的控制:當IC1輸出端為高電平時IC2振蕩;當IC1輸出端為低電平時IC2停振,IC2輸出端為低電平。IC1與IC2共同作用的結果是,電路工作3分鐘、暫停3分鐘,間歇性地產生負離子。風扇電機M也受IC1輸出端的控制,與IC2同步工作。發光二極管VD1是負離子發生電路的工作指示燈。等組成另一個多諧振蕩器,這是一個超低頻振蕩器,振蕩周期約為6分鐘,其輸出端(3腳)輸出為脈寬180秒、間隔180秒的方波。高頻振蕩器IC2的復位端(4腳)受IC1輸出端(3腳)的控制:當IC1輸出端為高電平時IC2振蕩;當IC1輸出端為低電平時IC2停振,IC2輸出端為低電平。IC1與IC2共同作用的結果是,電路工作3分鐘、暫停3分鐘,間歇性地產生負離子。風扇電機M也受IC1輸出端的控制,與IC2同步工作。發光二極管VD1是負離子發生電路的工作指示燈。
元器件選擇
IC1、IC2選用兩塊時基電路CB555,或選用一塊雙時基電路CB556。注意,CMOS時基電路CB7555或CB7556因驅動電流較小,不適合本機使用。開關管VT選用2SC2073等中功率管。二極管VD2選用FR104等快恢復整流管。風扇M可選用12V、150mA左右的計算機CPU用的散熱風扇,其體積較小、厚度薄、噪聲很低,比較適合本制作使用,也可用12V玩具電機配以自制的風扇葉片代用。

變壓器T需自行繞制,選用N27型E字形鐵氧體磁心,線圈繞在其絕緣框架上,初級用直徑0.4mm漆包線繞11圈,次級用直徑0.1mm漆包線繞3300圈,初、次級間應墊有絕緣層,線圈繞好后需用絕緣帶包裹。

放電器制作方法如右圖所示,制作一塊電路板,左側安裝變壓器T及其他元器件,右側中間挖空,上下各一條銅箔連接到T的次級。放電電極為4根直徑0.6mm、長10mm的裸銅絲,頂端磨尖。4個放電電極焊接在上面的銅箔條上,間距15mm左右。公共電極為一根直徑1mm左右的裸銅絲,按圖3所示彎成“┍┐┑┎┑”狀,焊接在下面的銅箔條上。每一放電電極的尖端與公共電極相距2mm。
風扇M固定在電路板下方,風扇中心正對著放電器,相距15mm左右。風扇的出風方向應朝上,以便將放電器產生的負離子向上吹到空氣中。整機應裝入絕緣外殼中,在外殼上面正對放電器的位置開一些孔縫作為出風口,在外殼兩側靠近風扇的地方開孔作為進氣口。12V電源線與汽車點煙器插頭相連接。




