【導讀】利用電磁感應原理將被測非電量轉換成線圈自感系數或互感系數的變化,再由測量電路轉換為電壓或電流的變化量輸出,這種裝置稱為電感式傳感器。電感式傳感器被大量應用在各行各業。特別是機床行業,以及汽車制造等行業更是應用廣泛。

電感式傳感器是利用線圈自感或互感的改變來實現測量的一種裝置。通常由振蕩器、開關電路及放大輸出電路三大部分組成。其結構簡單,無活動電觸點,工作壽命長。而且靈敏度和分辨力高,輸出信號強。線性度和重復性都比較好,能實現信息的遠距離傳輸、記錄、顯示和控制。可以測量位移、振動、壓力、流量、比重等參數。
電感式傳感器的核心部分是可變的自感或互感,在將被測量轉換成線圈自感或互感的變化時,一般要利用磁場作為媒介或利用鐵磁體的某些現象。這類傳感器的主要特征是具有電感繞組。
電感式傳感器的特點
(1)結構簡單:沒有活動的電觸點,壽命長。
(2)靈敏度高:輸出信號強,電壓靈敏度每毫米能達到上百毫伏。
(3)分辨率大:能感受微小的機械位移與微小的角度變化。
(4)重復性與線性度好:在一定位移范圍內,輸出特性的線性度好,輸出穩定。
(5)電感式傳感器的缺點是存在交流零位信號,不適宜進行高頻動態測量。
電感式傳感器的類型
電感式傳感器可分為自感式傳感器、差動變壓式傳感器和電渦流傳感器三種類型。
自感式傳感器
1、自感式傳感器的結構
自感式傳感器由線圈、鐵芯和銜鐵三部分組成。鐵芯與銜鐵由硅鋼片或坡莫合金等導磁材料制成。

自感式傳感器結構圖
2、自感式傳感器的工作原理
自感式傳感器是把被測量變化轉換成自感L的變化,通過一定的轉換電路轉換成電壓或電流輸出。
傳感器在使用時,其運動部分與動鐵心(銜鐵)相連,當動鐵芯移動時,鐵芯與銜鐵間的氣隙厚度 δ 發生改變,引起磁路磁阻變化,導致線圈電感值發生改變,只要測量電感量的變化,就能確定動鐵芯的位移量的大小和方向。

自感式傳感器的工作原理示意圖
當線圈匝數N為常數時,電感L僅僅是磁路中磁阻的函數,只要改變δ 或S均可導致電感變化。因此變磁阻式傳感器又可分為變氣隙δ厚度的傳感器和變氣隙面積S的傳感器。
如果S保持不變,則L為 δ 的單值函數,可構成變氣隙型自感傳感器;如果保持δ 不變,使S隨位移而變,則可構成變截面型自感傳感器;如果在線圈中放入圓柱形銜鐵,當銜鐵上下移動時,自感量將相應變化,就構成了螺線管型自感傳感器。
變氣隙式自感傳感器

變氣隙式自感傳感器結構
變面積式自感傳感器

變面積式自感傳感器結構
由于漏感等原因,其線性區范圍較小,靈敏度也較低,因此,在工業中應用得不多。
螺管式自感傳感器
傳感器工作時,銜鐵在線圈中伸入長度的變化將引起螺管線圈電感量的變化。
對于長螺管線圈l>>r,當銜鐵工作在螺管的中部時,可以認為線圈內磁場強度是均勻的,線圈電感量L與銜鐵的插入深度l大致上成正比。

螺管型電感傳感器
這種傳感器結構簡單,制作容易,靈敏度較低,適用于測量較大的位移量。
3、差動式自感傳感器
由于線圈中通有交流勵磁電流,因而銜鐵始終承受電磁吸力,會引起振動和附加誤差,而且非線性誤差較大。外界的干擾、電源電壓頻率的變化、溫度的變化都會使輸出產生誤差。
在實際使用中,常采用兩個相同的傳感線圈共用一個銜鐵,構成差動式自感傳感器,兩個線圈的電氣參數和幾何尺寸要求完全相同。
這種結構除了可以改善線性、提高靈敏度外,對溫度變化、電源頻率變化等的影響也可以進行補償,從而減少了外界影響造成的誤差,可以減小測量誤差。
a、差動式自感傳感器的結構

(a)變氣隙式; (b)變面積式; (c)螺管式差動式自感傳感器
b、差動式自感傳感器的特點
差動氣隙式電感傳感器由兩個相同的電感線圈1、2和磁路組成。
測量時,銜鐵通過測桿與被測位移量相連,當被測體上下移動時,導桿帶動銜鐵也以相同的位移上下移動,使兩個磁回路中磁阻發生大小相等,方向相反的變化,導致一個線圈的電感量增加,另一個線圈的電感量減小,形成差動形式。
自感系數特性曲線如圖所示。

自感系數特性曲線圖
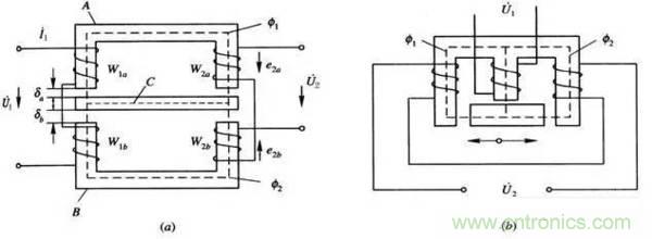
差動變壓器式傳感器
把被測的非電量變化轉換為線圈互感量變化的傳感器稱為互感式傳感器。這種傳感器是根據變壓器的基本原理制成的,把被測位移量轉換為一次線圈與二次線圈間的互感量變化的裝置。
當一次線圈接入激勵電源后,二次線圈就將產生感應電動勢,當兩者間的互感量變化時,感應電動勢也相應變化。由于兩個二次線圈采用差動接法,故稱為差動變壓器式傳感器,簡稱差動變壓器。
1、差動變壓器的結構
差動變壓器結構形式較多,有變隙式、變面積式和螺線管線等。
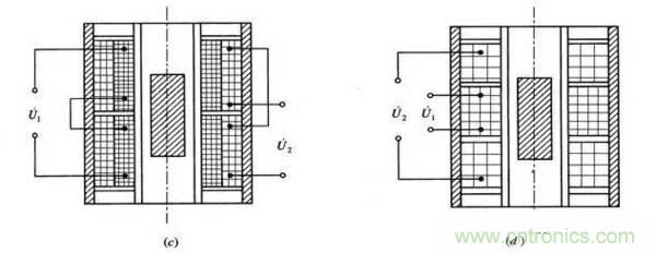
a、b兩種結構的差動變壓器,銜鐵均為板形,靈敏度高,測量范圍則較窄,一般用于測量幾微米到幾百微米的機械位移。

(a)、(b)變間隙式差動變壓器
對于位移在1mm至上百毫米的測量,常采用圓柱形銜鐵的螺管型差動變壓器,如c、d兩種結構。

(c)、(d)螺線管式差動變壓器
e、f兩種結構是測量轉角的差動變壓器,通常可測到幾秒的微小位移。Ø非電量測量中,應用最多的是螺線式差動變壓器,它可以測量范圍內的機械位移,并具有測量精度高、靈敏度高、結構簡單、性能可靠等優點。

(e)、(f)變截面式差動變壓器
2、差動變壓器的工作原理
差動變壓器的結構由鐵芯、銜鐵和線圈三部分組成。其結構雖有很多形式,但其工作原理基本相同。
差動變壓器上下兩只鐵芯均有一個初級線圈1和一個次級線圈2。上下兩只初級線圈串聯后接交流激勵電壓,兩只次級線圈則按電勢反相串接。

三段式螺管差動變壓器結構示意圖
將兩個匝數相等的次級繞組的同名端反向串聯,當初級繞組加以激磁電壓時,根據變壓器的作用原理在兩個次級繞組和中就會產生感應電勢;
如果工藝上保證變壓器結構完全對稱,則當活動銜鐵處于初始平衡位置時,輸出電壓為零。
當活動銜鐵向某一個次級線圈方向移動時,則該次級線圈內磁通增大,使其感應電勢增加,差動變壓器有輸出電壓,其數值反映了活動銜鐵的位移。
三段式螺管差動變壓輸出電壓曲線如圖所示。

差動變壓器輸出電壓曲線
電渦流式傳感器
1、電渦流式傳感器的結構
電渦流式傳感器結構比較簡單,主要由一個安置在探頭殼體的扁平圓形線圈構成。

電渦流傳感器的內部結構
2、電渦流式傳感器的工作原理
根據法拉第電磁感應原理,塊狀金屬導體置于變化的磁場中,導體內將產生呈渦旋狀的感應電流,稱之為電渦流或渦流,這種現象稱為渦流效應。
電渦流傳感器是利用電渦流效應,將位移、溫度等非電量轉換為阻抗的變化或電感的變化從而進行非電量電測的。Ø目前生產的變間隙位移傳感器,器量程范圍為300m~800mm。

電渦流式傳感器示意圖
將塊狀金屬導體置于通有交變電流的傳感器線圈磁場中。根據法拉第電磁感應原理,由于電流的變化,在線圈周圍就產生一個交變磁場,當被測導體置于該磁場范圍之內,被測導體內便產生電渦流,電渦流也將產生一個新磁場,和方向相反,抵消部分原磁場,從而導致線圈的電感量、阻抗和品質因素發生變化。
電感式傳感器的應用
1.電感式滾柱直徑分選裝置

電感式滾柱直徑分選裝置實物
電感式滾柱直徑分選裝置結構原理
2. 變氣隙式差動電感壓力傳感器
變氣隙式差動電感壓力傳感器主要由C形彈簧管、銜鐵、鐵芯和線圈等組成。

變氣隙式差動電感壓力傳感器
3、其他應用
電感式傳感器還可以應用于磨加工主動測量、測量長度位移量和制做電子測微儀。

4、差動變壓器式傳感器
可以直接用于位移測量,也可測量與位移有關的任何機械量,如力、力矩、壓力、壓差、振動、加速度、應變、液位等。
力和力矩的測量

差動變壓器式力傳感器
壓力測量

1接頭 2 膜盒 3 底座 4 線路板 5 差動變壓器 6 銜鐵 7 罩殼
這種變送器可分檔測量(–5×105~6×105)N/m2壓力,輸出信號電壓為(0~50)mV,精度為1.5級。
加速度傳感器
用于測定振動物體的頻率和振幅時其激勵頻率必須是振動頻率的十倍以上,才能得到精確的測量結果。可測量的振幅為(0.1~5)mm,振動頻率為(0~150)Hz。
5、電渦流式傳感器的應用
電渦流式傳感器具有測量范圍大、靈敏度高、結構簡單、抗干擾能力強和可以非接觸測量等優點,被廣泛應用于工業生產和科學研究各個領域中。
電磁爐
電磁爐是我們日常生活中必備的家用電器之一,渦流傳感器是其核心器件之一,高頻電流通過勵磁線圈,產生交變磁場;在鐵質鍋底會產生無數的電渦流,使鍋底自行發熱,燒開鍋內的食物。

電磁爐工作示意圖
電渦流探雷器

電渦流式接近開關
能在一定的距離(幾毫米至幾十毫米)內檢測有無物體靠近。當物體接近到設定距離時,就可發出“動作”信號。接近開關的核心部分是“感辨頭”,它對正在接近的物體有很高的感辨能力。這種接近開關只能檢測金屬。

利用新材料更優異的性能來提高電感式傳感器的性能是未來發展趨勢之一。例如電感式接近開關其內部結構是在鐵氧體磁芯上繞制線圈作為電感線圈,而鐵氧體磁芯自身的限制使得電感式傳感器不可能在已有的設計理念下發展,那么只能尋找新材料用來替代鐵氧體線圈,從而生產出有更好性能的傳感器。
基于MEMS硅微加工技術,電感式傳感器具有體積小、低功耗等特點,易于集成在各種模擬和數字電路中,便于在應用在各個領域。這也是所有傳感器的主要發展方向之一。
電感式傳感器發展的另一大特點是向著集成化、智能化方向發展。集成傳感器優勢明顯,其將輔助電路中的元件與傳感元件同時集成在一塊芯片上,使之具有校準、補償、自診斷和網絡通信的功能,它可降低成本、增加產量。
本文來源于傳感器技術。
推薦閱讀:



