【導讀】本文將從模擬與電源管理設計的角度介紹一種典型的環境傳感器網絡系統設計,它可以用來分析智慧城市或地區的室外空氣質量。這類系統的部署可以幫助人們了解日常生產生活中所呼吸的空氣質量。一種包含傳感器的閉環反饋系統,將有助于用戶和當地政府調整和改善當地的空氣質量,從而提高當地人口的健康水平、降低醫療成本、延長壽命并改善生活質量。
全世界的空氣質量都在下降。世界衛生組織(WHO)表示,2014年有370萬人死于環境或室外空氣污染,有430萬人死于室內或家裝污染。環境保護署(EPA)針對室內空氣污染有很好的對策。本文將從模擬與電源管理設計的角度介紹一種典型的環境傳感器網絡系統設計,它可以用來分析智慧城市或地區的室外空氣質量。
下面我們將從電化學傳感器開始,因為它們具有超低功耗,而超低功耗是這種系統中采用的無線傳感器節點的關鍵要素。
電化學傳感器
某些最老的電化學傳感器可以追溯到20世紀50年代,它們主要用于監測氧氣。

圖1:自2012年以來,電化學氣體傳感器的尺寸實現了數量級的改進。但是尺寸并不是唯一的改進,更低的功耗給系統提供了更長的電池壽命,甚至能量收集電源也有了顯著進步。(圖片由KWJ Engineering和SPEC傳感器提供)

圖2:SPEC傳感器系統使用了可印制的納米結構油墨催化材料和高性能的電子部件:硬件、固件和軟件(智能算法使器件穩定性的增強達十億級),精密模擬前端(AFE),帶微處理器、用于數字信號處理的模數轉換器,以及物聯網接口。(圖片由KWJ Engineering和SPEC傳感器提供)
電化學傳感器似乎是目前業界最低功耗的解決方案。這種傳感器只有納瓦到毫瓦的功耗,而且一氧化碳(CO)和硫化氫(H2S)傳感器不需要偏置電壓。

圖3:電化學傳感器的基本工作原理圖, 同時提供了一種SPEC傳感器的工作框圖。
手腕上的氣體傳感器
劍橋CMOS傳感器有限公司是AMS集團的一部分,目前正使用其超低功耗的氣體傳感器設計新款的Cling VOC智能健身腕帶,用于測量室內空氣質量以及人們呼吸中的酒精成份(也有望用來防止酒駕和醉駕)。
集成在Cling VOC腕帶中的CCS801氣體傳感器能夠檢測出室內常有的低濃度揮發性有機化合物(VOC)。在這種腕帶中,VOC的測量結果可以顯示在腕帶上,向用戶指示空氣質量。腕帶也能夠根據要求提供酒精呼吸分析,因為集成的CCS803氣體傳感器加上專門的算法對人類呼吸中的乙醇成份非常敏感。CCS8xx系列氣體傳感器的外形小而薄,因此可以用在像Cling VOC那樣擁有超薄時髦外殼的設備中,這樣的設備對時尚消費者來說極具吸引力。
劍橋金屬氧化物(MOX)傳感器使用專門設計的基于CMOS的微型加熱板平臺,有助于實現設備的微型化、超低功耗和快速響應時間,這些特性對可穿戴設備來說都是關鍵。這些微型加熱板用結實的二氧化硅薄膜制造,用嵌入式鎢加熱元件來加熱基于MOX的傳感材料。這種傳感檢測材料能夠被加熱到500℃,可以很方便地通過監視MOX傳感器的電阻檢測目標氣體。由于具有快速加熱器循環時間,因此可以實現溫度調制技術,以便降低器件功耗,實現先進的氣體檢測方法。
市場上有帶私有算法的軟件庫以及針對安卓操作環境的應用實例,可以用來幫助設計師將這些傳感器輕松地集成進各種便攜式消費類應用。
智慧城市
智慧城市的成功取決于運用低成本但高精度的環境傳感器連續監視一般城市和特大城市空氣質量的能力。
導致空氣質量差并最終影響居民健康的因素主要是交通運輸、道路交通、家庭供熱、工業排放和其它局部性的人類活動,它們都是環境中有毒氣體(NOx, O3, CO, SO2, NH3, H2S)、揮發性有機化合物(苯、甲苯、二甲苯)、多環芳香烴(PAH)、溫室氣體(CO2,CH4,N2O)、顆粒物(PM10、PM2.5、PM1.0是直徑小于10μm的顆粒)、懸浮顆粒和灰塵、重金屬、花粉的主要排放源。人類持續吸入污染物達到一定的時間將會對健康產生不可逆的損害。
傳感器節點可以由部分固定和/或移動的傳感器網絡實現,也可以安裝到街燈和交通燈上。每個節點可以通過ZigBee或其它低功耗無線協議將傳感數據傳送到網關,然后再由網關通過GSM等無線網絡發送到控制中心。還可以生成城市污染圖供今后分析。
在互聯網上發布傳感器數據有助于提高公眾的環保意識,促進環境的持續改善。這些傳感器技術可以被地方當局和人民群眾用來獲取環境數據,并將有關環境狀況的實時信息告知大多數民眾。
參考文獻1中被稱為NASUS的傳感器系統集成了英國Alphasense公司提供的4個低成本電化學氣體傳感器(NO2, CO, SO2, H2S)、日本神榮科技有限公司提供的1個低成本光學PM檢測器、美國國家半導體公司提供的1個溫度傳感器(LM35CZ)和霍尼韋爾提供的1個相對濕度傳感器(HIH-3610系列)。
測試中的傳感數據以每分鐘一次的速度接近實時捕獲,同時采用了低成本的同步傳感器和參考化學分析儀。數據集只有在經過正確的篩選和驗證后才可以使用。在最后的數據處理中,可以用下面的公式1將原始的傳感數據轉換為針對每個空氣污染物的空氣質量指數(AQI)。

AQI指數的值在0到500范圍內。這個值越高,說明空氣污染程度越嚴重,對民眾的健康影響就越大。具體來說,AQI值為33表示空氣質量非常純凈,很少或幾乎沒有可能影響民眾的健康;AQI值超過150表示空氣質量很糟糕,是嚴重污染,每位居民都將受到嚴重的健康影響。AQI值為100或100以下時被認為是滿意的。當AQI值超過100時,空氣質量被認為首先對特定的敏感人群有害,隨著指數的上升,將影響到每個人。每隔1小時報告一次日常空氣質量被認為是合理的做法。
系統可以采用移動和靜態傳感器監視空氣質量。可以采用鉛酸電池、太陽能電池或其它電池技術供電。傳感器可用于檢測CO、顆粒物(PM)和其它大氣污染物的任意組合。
無線傳感器網絡
下面讓我們進一步了解可能在智慧城市中用來監視AQI的無線傳感器網絡(WSN)。這是介紹環境傳感器不可或缺的一部分。
無線通信通常會選擇ZigBee/IEEE802.15.4協議。部署的無線傳感器網絡也可以是提供全球定位系統/通用數據包無線服務(GPS/GPRS)的模塊。一些系統還利用可穿戴傳感設備來捕獲空氣質量方面的大數據。有時還會利用車載系統。只要車輛靠近,數據就可以通過Wi-Fi熱點傳送。有時所選擇的無線傳感器網絡(WSN)會通過短信系統(SMS)與用戶通信。
一個典型的架構
參考文獻2中所述的系統就是一個很好的例子,讓我們來看看這類架構。這種系統整合了傳感器節點和它們的網關,還有信息系統(圖4)。

圖4:論文“低成本、快速部署且能量自給的空氣質量監視用無線傳感器網絡”推薦了一種用于監視空氣質量的基于無線傳感器網絡的系統(圖片摘自參考文獻2)。
圖4中的網絡節點由氣象和/或氣體傳感器組成。在這個系統中,服務器通過服務器網關接收無線傳感器網絡(WSN)信息,并形成信息系統(IS)。在這個系統中有兩種網關:一種是在靠近以太網連接時使用的Zigbee-GSM-以太網,一種是可能使用SMS或GPRS向服務器發送所收集數據的Zigbee-以太網網關。服務器對各種數據流進行處理,并在網絡應用中發布結果,供信息管理系統以及該地區的居民瀏覽和分析。
傳感器節點
參考文獻2中的文章重點關注的是室外應用,并使用了一個尋找污染氣體的例子;這個例子中的污染氣體是一氧化碳(CO)、二氧化硫(SO2)、硫化氫(H2S)、臭氧(O3)和二氧化氮(NO2)。
所選用的傳感器類型有:Alphasense B4型傳感器,選用這類傳感器的理由是它們具有檢測室外低濃度氣體的靈敏度和檢測范圍。
獨立傳感器板(ISB)的設計架構可以提升噪聲性能,優化每個傳感器的測量質量。顆粒物(PM2.5和PM10)是利用武漢四方光電科技有限公司生產的AM2003模塊測量的。
然后是用Figaro CDM4161模塊檢測CO2,用KE-25傳感器檢測O2濃度。
這個研究案例還使用TI的LM35傳感器檢測空氣溫度。
所有這些傳感器都滿足環境保護署(EPA)的要求。表1列出了該設計中使用的傳感器規范。

表1:無線傳感器網絡(WSN)系統的傳感器規范(圖片摘自參考文獻2)。
針對Arduino接口的傳感器模擬調節設計
由于傳感器種類很多,它們又都有自己的輸出信號類型,因此設計師需要做一個單獨的AFE設計,目的是使每個傳感器信號都能兼容基于Atmel ATSAM3X8E μC的Arduino Due模塊。最終由Arduino模塊收集、整理和處理這些傳感器信息后,將數據發給網關。
5個獨立的Alphasense傳感器通過Alphasense ISB一體化傳感器電路板將模擬信號輸出到Microchip 16位MCP3428 ADC,經模數轉換后通過I2C接口輸出送至Arduino。PM傳感器使用UART與Arduino相連。
O2傳感器輸出信號使用TI的INA122儀器放大器作為傳感器和Arduino ADC輸入之間的電壓接口。
最后,利用TI的OPA2336雙路運放放大CO2、溫度和濕度傳感器的信號,使其滿足Arduino ADC輸入的最佳動態范圍要求。圖5顯示了Arduino Due電路板的框圖。

圖5:框圖顯示了Arduino Due電路板上ATSAM3X8E微控制器的所有接口。(圖片摘自參考文獻2)
為了完成設計架構,還要在設計中增加一個美信集成公司的DS3231實時時鐘芯片,用于給輸入數據加上精確的時間戳。
microSD用于備份數據存儲,900 MHz XBee-PRO 900HP模塊通過ZigBee/IEEE802.15.4協議連接網關,用于擴大無線通信范圍。之所以選擇這種長距離的無線電技術,是為今后擴展無線覆蓋范圍做準備。圖4顯示了點到多點類型的覆蓋范圍拓撲。
氣象參數
這個節點用LM35測量空氣溫度,用HTM2500LF測量相對濕度,用氣象儀測量風速/風向和雨量,用MPX4115A測量氣壓,用SQ-110測量太陽輻射量,用SU-110測量紫外線輻射,然后將所有這些傳感器信號集中起來發送給Arduino Due。
電源
在運用快速部署策略的這個設計中,所有節點需要能量自給自足,因此使用太陽能電池和Powerplus S3 12/9電池提供9A·h及12V直流。另外使用了Morningstar SHS-06電源控制器設計為節點、電池和20W及12V直流的Grealtec GAT20P太陽能電池之間提供合適的接口。注:氣體傳感器需要長期供電,因為它們需要預熱才能正常工作。本設計中的傳感器功耗約為400mW。
為了使系統能夠準確工作,PM模塊要求讓待檢測的空氣流通起來,因此需要將風扇開上10s(使用1W),然后PM模塊驅動泵工作30s,消耗約450mW。XBee的無線傳送功能消耗660mW。整個節點在空閑模式下將消耗1W的功率。
能量收集
給室外傳感器節點供電的另外一種方法是能量收集[3]。下面讓我們看看這種方案,通過環境能量收集給空氣質量監視系統供電。
不同于在設計中使用電池或者在傳感器節點進行人工干預,通過能量收集(EH)機制可以實現“設好就忘的一勞永逸”的設計。為了實現這種電源管理設計,我們需要超低功耗的電子器件,即電源控制器、低功耗的聲光器件(AO)和CMOS開關等等。
使用與信號調節電路相連并且電流在1μA范圍的電化學傳感器,再加上使用擴展睡眠時間達95%或以上占空比的無線通信系統,可以最大程度地延長傳感器節點壽命。這種系統只需要工作一小段時間,用于傳感器蘇醒、采樣、數據處理和無線數據傳輸。
參考文獻3中的文章討論的SENsor NOde (SENNO)是一種用于監視空氣質量的智能專用設備。圖6所示的SENNO是可再生能量收集系統的例子。



圖6(a)和(b)顯示了SENNO結構。(a)紅色部分包含PCB板上的9個傳感器,其中溫度(T)和相對濕度(RH)傳感器是必要的,因為氣體傳感器容易受溫度和濕度的影響;氣壓傳感器用來精確地關聯空氣污染數據,(b)藍色和綠色部分(5種不同的能量收集模塊)是低成本、低功耗的收集電路。(圖片摘自參考文獻3)
重要的是,電路板上的能量收集器件可以從環境中提取能量,實現無線節點的自主工作。可以用電池,并依靠這些能量收集器件給電池充電,也可以完全用這些能量收集器件代替電池。能量收集器件都是并行同步工作的。
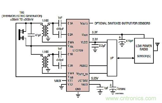
振動能量收集器件中的機械諧振器和熱電發生器(TEG)使用凌力爾特公司的電源轉換器LTC3109和LTC3330,這兩種器件設計優良,可以從很低的電壓源收集任何剩余的能量,見圖7和圖8。

圖7:LTC3109數據手冊首頁上的典型應用表明,采用1:100匝比的兩個微型外部升壓轉換器可以實現非常低電壓的升壓DC/DC轉換器。這種電源管理器能夠工作在正極性或負極性的輸入電壓條件下,因此不管TEG溫差是正還是負(或未知)都能從TEG實現能量收集。(圖片由凌力爾特公司提供)

圖8:LTC3330數據手冊上的典型應用,顯示了太陽能電池(可以容納兩個太陽能電池板)、機械諧振器輸入和主電池,外加一個超級電容平衡電路。(圖片由凌力爾特提供)
在許多場合下SENNO節點專注的都是射頻能量收集器,只能產生很少量的能量;但優勢在于比太陽能、壓-磁能和熱電能更加穩定。這種環境射頻能量收集器的目標頻率是無處不在的500MHz(比如數字電視)、900MHz(ISM頻段)和2.45MHz(Wi-Fi和藍牙)。
參考文獻2還給出了有關WSN網關設計的更多細節,以及在本篇模擬與電源管理文章中沒有涉及的許多信息系統(IS)內容。
空氣質量問題在中國以及其它一些新興經濟體尤其麻煩,因為在這些相對較新的增長型經濟體中工廠和汽車增速都很快。就像19世紀晚期的工業革命影響美國、英國和歐洲的空氣質量一樣,我們現在見到新興經濟體正在發生相同的效應,需要政府去管制,并提高民眾的污染意識,以保護這些地區居民的身體健康。
我們不能忘記存在的空氣污染問題,因為我們自己也仍然有大量工作要做。有關這個話題你有什么意見或建議嗎?
參考文獻
Towards Air Quality Indices in Smart Cities by Calibrated Low-Cost Sensors Applied to Networks,M. Penza, D. Suriano, M. G. Villani, L. Spinelle, M. Gerboles, 2014
A Low-Cost, Rapid-Deployment and Energy-Autonomous Wireless Sensor Network for Air Quality Monitoring, D. Chavez, R. Quispe, J. Rojas, A. Jacoby, and G. Garayar, 2015 Ninth International Conference on Sensing Technology.
Feasibility of Air Quality Monitoring Systems Based on Environmental Energy Harvesting, F.Touati, A. Galli, D. Crescini, P. Crescini Adel Ben Mnaouer, IEEE Instrumentation and Measurement Society, 2015
本文來源于電子技術設計。
推薦閱讀:
推薦閱讀:



