【導讀】在各種應用領域,采用模擬技術時都需要使用差分放大器電路,如圖 1 所示。例如測量技術,根據其應用的不同,可能需要極高的測量精度。為了達到這一精度,盡可能減少典型誤差源(例如失調和增益誤差,以及噪聲、容差和漂移)至關重要。為此,需要使用高精度運算放大器。放大器電路的外部元件選擇也同等重要,尤其是電阻,它們應該具有匹配的比值,而不能任意選擇。

圖 1. 傳統的差分放大器電路。
理想情況下,差分放大器電路中的電阻應仔細選擇,其比值應相同 (R2/R1 = R4/R3)。這些比值有任何偏差都將導致不良的共模誤差。差分放大器抑制這種共模誤差的能力以共模抑制比(CMRR) 來表示。它表示輸出電壓如何隨相同的輸入電壓(共模電壓)而變化。在最佳情況下,輸出電壓不應該改變,因為它只取決于兩個輸入電壓之間的差值(最大 CMRR);但是,實際使用中情況會有所不同。CMRR 是差分放大器電路的重要特性,通常以 dB 來表示。
對于圖 1 所示的差分放大器電路,CMRR 取決于放大器本身以及外部連接的電阻。對于后者,取決于電阻的 CMRR 在本文下述部分以下標"R"表示,并利用下式計算:

例如,在放大器電路中,所需增益 G = 1 且使用容差為 1%、匹配精度為 2% 的電阻產生的共模抑制比為

或者

在 34 dB時,CMRRR 相對較低。在這種情況下,即使放大器具有非常好的 CMRR,也無法實現高精度,因為鏈路的精度總是取決于其精度最差的環節。因此,對于精密的測量電路而言,必須非常精確地選擇電阻。
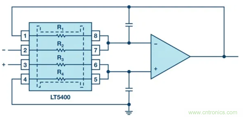
實際使用中傳統電阻的阻值并不恒定。它們會受機械負載和溫度的影響。根據需求的不同,可以使用具有不同容差的電阻或匹配電阻對(或網絡),其大部分使用薄膜技術制造并具有精確的比值穩定性。利用這些匹配的電阻網絡(如LT5400 四通道匹配電阻網絡),可以大幅提高放大器電路的整體 CMRR。LT5400 電阻網絡在整個溫度范圍內具有出色的匹配性,結合差分放大器電路使用則匹配性更佳,因而可確保 CMRR 比分立電阻提高兩倍。

圖 2. 帶有 LT5400 的差分放大器電路。
LT5400 提供 0.005% 的匹配精度,從而使 CMRRR 達到 86 dB。然而,放大器電路的總共模抑制比 (CMRRTotal) 由電阻 CMRR 和運算放大器共模抑制比 CMRROP 的組合構成。對于差分放大器,可利用公式 3 計算:

例如,LT1468提供的 CMRROP 典型值為 112 dB,采用 LT5400 的增益為 G = 1,其 CMRRTotal 的值為 85.6 dB。
或者,可以使用集成式差分放大器,如LTC6363。這種放大器在單芯片中內置放大器和最佳匹配電阻。它幾乎消除了上述所有問題,同樣也可提供最大精度,其 CMRR 值達 90 dB 以上。
結論
必須根據差分放大器電路的精度要求仔細選擇外部電阻電路,以便實現系統的高性能。或者,可以使用集成式差分放大器,如在單芯片中集成了匹配電阻的 LTC6363。
LT5400
● 卓越的匹配性能
○ A 級:0.01% 匹配準確度
○ B 級:0.025% 匹配準確度
● 0.2ppm/ºC 匹配溫度漂移
● ±75V 工作電壓 (±80V 絕對最大值)
● 8ppm/ºC 絕對電阻值溫度漂移
● 長期穩定性:< 2ppm (在 2000 小時)
● –55ºC 至 150ºC 工作溫度范圍
● 8 引腳 MSOP 封裝
推薦閱讀:





