【導讀】開發中的電動汽車 (EV) 直流快速充電器現在必須滿足比已安裝的充電器更嚴格的規格。這一高要求源于兩個市場壓力:首先,為最新電動汽車中嵌入的更高容量電池提供更快的充電速度。其次,需要實現雙向功率流,以支持新的車輛到電網(V2G)和車輛到建筑物(V2B)應用,隨著更多能源由風能和太陽能等波動能源產生,該技術將有助于平衡電網。
開發中的電動汽車 (EV) 直流快速充電器現在必須滿足比已安裝的充電器更嚴格的規格。這一高要求源于兩個市場壓力:首先,為最新電動汽車中嵌入的更高容量電池提供更快的充電速度。其次,需要實現雙向功率流,以支持新的車輛到電網(V2G)和車輛到建筑物(V2B)應用,隨著更多能源由風能和太陽能等波動能源產生,該技術將有助于平衡電網。
充電器制造商可以通過將直流快速充電器作為模塊化構建塊來實現其設計的靈活性:多個模塊可以并聯連接,將功率輸出擴大到高達 300 kW。這意味著當多個模塊堆疊在充電器外殼中時,模塊的功率密度成為關鍵問題,熱管理也是如此。
為了應對這些挑戰,電動汽車充電器制造商已轉向碳化硅 (SiC) 功率開關,它的開關速度比同等硅 MOSFET 或 IGBT 更快,且開關損耗低得多:因此可以使用更小的磁性元件,從而提高系統功率密度。SiC 技術還為高密度電源設計的熱問題提供了解決方案,因為它比硅器件具有更高的效率,能承受更高的工作溫度,從而可以使用更小的散熱器,并降低系統組件的熱應力。
目前,具備向充電器制造商批量供應 SiC 器件的技術能力和制造能力的半導體制造商寥寥無幾:領先者包括英飛凌、安森美和意法半導體。 因此,許多電動汽車充電器設計人員可尋求這些公司的參考設計板,以評估各種 SiC 電源開關的性能,并評估它們對其應用的適用性。
這些參考設計在 PFC 級和 DC-DC 轉換器級提供了一些最適合雙向直流快速充電器拓撲的方案。了解這些拓撲及其優點和缺點將有助于設計人員找出最適合其應用要求的拓撲。讓我們先看看電動汽車充電器的有源前端 PFC 級的拓撲選擇。
直流充電器模塊的有源前端 PFC 級
AC-DC級將 380 V 至 415 V AC范圍內的正常三相輸入轉換成約 800 V 的穩定直流母線電壓。本文中討論的所有拓撲均適用于雙向系統,因此轉換也會以相反的方式進行,即從DC到AC。
SiC 器件特別適合基于半橋配置的雙向轉換器。通常雙向系統會執行重復的硬換向:在這種情況下,硅功率開關在器件體二極管處的反向恢復時間較長,將導致高功耗和低效率,以及更高的熱應力和更低的系統可靠性。因此,雙向轉換器需要較短甚至為零的反向恢復時間,這是 SiC MOSFET 的一個特性,如圖 1 所示。

圖 1:低體二極管反向恢復時間對于具有半橋配置并面臨重復硬換向的雙向轉換器至關重要
三相雙向直流充電器的有源前端 PFC 級有以下三種拓撲結構值得考慮:
· 兩級PFC
· 三級中性點鉗位(NPC)/有源NPC(ANPC)
· 三級T型NPC
兩級 PFC 拓撲
兩級PFC拓撲的六開關升壓型整流器是一個非常簡單、易于控制的電路,如圖2所示。它利用雙向功率流,以合理的效率實現高功率因數。與三級拓撲相比,它具有更少的元件數量和更簡單的 PCB 布局。

圖 2:兩級 PFC 拓撲
另一方面,它需要具有高額定電壓的開關來阻斷整個直流母線電壓。例如,在 800 V 直流應用中,需要具有 1,200 V 阻斷能力的 SiC MOSFET。
這種拓撲的另一個缺點是濾波電感器體積龐大,需要它來最大限度地減少輸入電流的總諧波失真 (THD)。三級拓撲不需要太大的電感,可以降低功率密度。另一個需要考慮的因素是高峰值電壓應力,它會影響半導體和其他無源器件的使用壽命。
最后,該轉換器的 EMI 性能遠低于下文所述的多級 PFC 拓撲。
三級 NPC/ANPC PFC 拓撲
在三級NPC/ANPC拓撲中,每個開關只需能夠阻斷一半的總線電壓,因此可以使用額定電壓較低的MOSFET,器件上的電壓應力要低得多,如圖3所示。這意味著該拓撲可以輕松跨多個平臺進行擴展,與SiC、GaN和硅功率開關一起使用,以滿足具有不同功率、成本和效率要求的應用的需求。

圖 3:三級 NPC PFC 拓撲
在 800 V 應用中,可以使用額定值 600 V 的 MOSFET。600 V MOSFET 不僅提供比 1,200 V MOSFET 更低的開關損耗,還可以支持更快的開關頻率。
在 NPC 拓撲中,輸出電流的紋波較低,輸出電壓瞬態降低 50%。這降低了對濾波和隔離的要求,并可以使用更小的濾波電感器。由于調節電流波形中的 THD 所需的電感較少,因此該設計可以實現更高的功率密度。這種多級轉換器拓撲的輸出電壓也受到非常低的干擾,從而最大限度地減少了器件上的 dv/dt 應力,并提高了 EMI 性能。
雖然 NPC 拓撲在開關頻率高于 50 kHz 時比兩級 PFC 提供更低的開關損耗和更高的效率,但它確實需要更多的開關,并且每個開關都需要自己的柵極驅動電路。這意味著控制更加復雜,BoM 成本更高。
此外,這種拓撲結構同時使用有源半導體開關和二極管,導致整個功率級損耗的不對稱分布,可能使熱管理變得困難。一些設計人員更喜歡更對稱的損耗分布,因此將 NPC 拓撲中的二極管替換為 ANPC 轉換器中的有源開關,如圖 4 所示。

圖 4:三級 ANPC PFC 拓撲
在 NPC 和 ANPC 拓撲中,所有開關的阻斷電壓降低意味著可以使用高效氮化鎵 (GaN) 開關來提高效率和功率密度,這一點非常有用。
三級T型NPC PFC拓撲
在三級 T 型 NPC PFC 轉換器中,傳統的兩級電壓源轉換器拓撲通過有源雙向開關擴展到直流母線中點,如圖 5 所示。對于 800 V 直流母線電壓,1,200 V IGBT/二極管通常在每相的高邊和低邊工作,因為必須阻斷全電壓。但在T型配置中,到直流母線中點的雙向開關僅需要阻斷一半電壓。這意味著可以使用較低電壓的器件來實現,例如兩個包含反并聯二極管的 600 V IGBT。

圖5:三級T型NPC PFC拓撲
由于阻斷電壓降低,中間開關產生非常低的開關損耗和可接受的傳導損耗。與三級 NPC 拓撲不同,T 型 NPC 拓撲不串聯必須阻斷整個直流母線電壓的器件。
在 NPC 拓撲中,通常會避免直接從正直流母線電壓到負直流母線電壓的開關轉換,反之亦然,因為當兩個串聯的 FET 同時關斷時,它們可能會導致電壓分配不均勻而暫時被阻斷。這種不良影響不會發生在 T 型拓撲中。因此,沒有必要實施阻止此類轉換的低級路徑,或者提供串聯 IGBT 上的瞬態電壓平衡。
使用單個 1,200 V 器件來阻斷全部直流母線電壓的另一個好處是減少傳導損耗。每當輸出連接到正極或負極時,電路僅承受一個器件的正向壓降;在NPC拓撲中,兩個器件總是串聯的。這大大降低了傳導損耗,使得 T 型拓撲在低頻開關應用中很有價值。
總體而言,傳導損耗明顯低于 NPC 拓撲,但由于器件會阻斷全部直流母線電壓,因此開關損耗較高。因此,T 型整流器最適合開關頻率最高 50 kHz 的應用,而 NPC 拓撲在高于 50 kHz 的頻率下表現更好。
表 1 顯示了上述三種 PFC 級拓撲的優缺點的比較。

表 1:PFC 拓撲特性總結
直流充電器模塊的 DC-DC 轉換器級
DC-DC級是電流隔離轉換器,它將輸入的 800 V 直流母線電壓轉換為穩壓直流輸出電壓,用于為電動汽車電池充電,繞過車輛的車載充電器,該充電器僅在連接到交流充電器時使用 。
雙向 DC-DC 級的拓撲可以通過以下兩種方式之一實現:
· 雙有源橋
· CLLC 模式的雙有源橋
雙有源橋拓撲
雙有源橋 (DAB) 轉換器由一個在初級側和次級側均帶有源開關的全橋組成,通過高頻變壓器連接,如圖 6 所示。由于其中一個橋固有的滯后電流,電流一次對一個橋的開關的輸出電容進行放電。當次級側開關放電時,初級側的一些開關實現零電壓開關導通。還可以在開關之間使用無損電容緩沖器,以減少關斷損耗。

圖 6:雙有源橋 DC-DC 轉換器拓撲
這種轉換器拓撲的主要優點是:
· 雙向能力,通過控制兩個橋之間的相位角來實現
· 模塊化,使其能夠擴展到更高的功率級別
在單相移調制中,DAB 拓撲結構易于控制。 然而,對于擴展的雙相移或三相移調制,控制方案變得復雜。這種拓撲可用于通過單相移調制來覆蓋較寬的電池電壓范圍,但變壓器中的循環電流會上升到較高水平,從而大大降低效率。
然而,利用三相移調制等先進調制方案,轉換器理論上可以在整個工作范圍內執行零電壓開關。在此拓撲中,輸出功率與變壓器 KVA 額定值的比率較高。處理紋波電流所需的輸出電容也很低。
總體而言,該轉換器非常適合功率密度、成本、重量、隔離和可靠性為關鍵因素的應用,因為它具有一系列有吸引力的特性:
· 元件數量相對較少
· 軟開關換相
· 低成本
· 高效率
但值得注意的是,DAB 轉換器通常需要額外的勻場電感器來支持零電壓開關:這會增加電路尺寸并降低功率密度。
CLLC 模式的 DAB 拓撲
CLLC 電路配置可執行經典 LLC 的所有功能,但具有額外的優勢,即在次級側使用有源開關可實現雙向功率傳輸,如圖 7 所示。

圖 7:CLLC 模式的 DAB 拓撲
該轉換器以零電壓/零電流開關模式運行,從而實現高效率。當總線電壓有 10% 的變化空間時,該轉換器可以適應廣泛變化的電池電壓,同時保持良好的效率。然而,在總線電壓固定的情況下,該拓撲的工作范圍非常有限。
初級側和次級側的電容器消除了變壓器鐵芯飽和的風險。
CLLC 模式下的 DAB 轉換器實際上最適合AC-DC車載充電器。不過,它的使用功率水平高于車載充電器的功率水平,最高可達 15 kW。但擴展到更高功率水平和并聯可能很困難,因為它需要高度對稱的結構和多個模塊的同步,這是一項艱巨的任務。
DAB 拓撲和 CLLC 模式的 DAB 拓撲均常用于 800 V 隔離式 DC-DC 轉換器。電壓轉換比控制轉換器端子的連接,這會影響開關所需的擊穿電壓額定值:高壓轉換器可以串聯,或在一個端子上串聯,而另一個端子保持并聯。這意味著拓撲連接有四種可能的配置。
CLLC 模式的 DAB 拓撲的兩個示例如下:圖 8 顯示了串聯輸入配置,圖 9 顯示了 800 V 總線電壓的并聯輸入配置,輸出電壓范圍為 200 V 至 1 kV。

圖 8:具有串聯輸入的 CLLC 模式的 DAB 轉換器
圖 9:具有并聯輸入的 CLLC 模式的 DAB 轉換器
串聯輸入全橋 CLLC 的優點是在較寬的輸出電壓范圍內具有較窄的諧振頻率范圍,從而降低了開關損耗;這里可以使用 650 V 器件。但這需要對直流總線側串聯的直流總線電容器電壓進行更復雜的控制。此外,為了實現給定的效率,需要比使用 1,200 V 器件的單個全橋具有更低導通電阻的器件。
CLLC模式的并行輸入全橋DAB轉換器的優點是,對于給定的效率,電路可以使用具有更高導通電阻的器件,同時控制方案更容易。需要寬諧振頻率范圍來支持寬輸出電壓范圍。
兩種 DC-DC 級拓撲的優點和缺點如表 2 所示。

表 2:兩種 DC-DC 級拓撲的特性總結
參考設計加速新型直流充電器電路的實施
領先的 SiC MOSFET 制造商提供的參考設計為新型高功率直流充電器設計提供了部分或全部藍圖。
意法半導體的STDES-PFCBIDIR 15 kW 雙向 PFC 級轉換器采用 T 型 NPC 拓撲,如圖 10 所示。它采用數字控制,在 400 V 交流電壓和 800 V 直流電壓之間進行轉換。效率幾乎達到99%。意法半導體優化了無源元件的尺寸和成本,并且該轉換器提供高功率密度。

圖 10:意法半導體的 STDES-PFCBIDIR PFC 參考設計以其高效率和功率密度而著稱
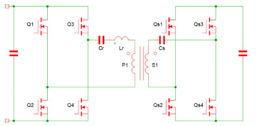
STDES-PFCBIDIR 與意法半導體的 25 kW STDES-DABBIDIR 相結合,為雙向電動汽車充電器提供了完整的解決方案。STDES-DABBIDIR 使用 ACEPACK 2 封裝的 SiC MOSFET 功率模塊以 100 kHz 實現 DAB 拓撲開關,如圖 11 所示。數字控制由 STM32G474RE MCU 執行。軟開關操作由自適應調制技術管理,該技術響應負載和電壓的變化

圖 11:STDES-DABBIDIR DC-DC 轉換器參考設計板的額定功率為 25 kW
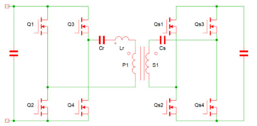
英飛凌 REF-DAB11KIZSICSYS 是一款雙向 DC-DC 轉換器級,采用 CLLC 模式的 DAB 拓撲,如圖 12 所示。它在 800 V 電壓下提供高達 11 kW 的輸出,效率高于 97%。

圖 12:英飛凌 REF-DAB11KIZSICSYS 參考設計板的額定輸出功率為 11 kW
該板基于由英飛凌 1EDC20I12AH 柵極驅動器驅動的 IMZ120R030M1H CoolSiC? MOSFET,以低成本結合了高功率密度和可靠性
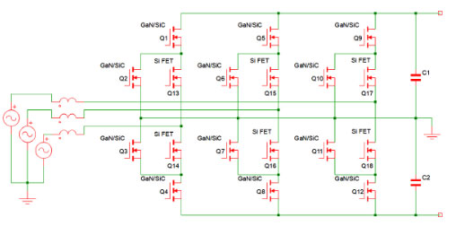
英飛凌還開發了完整的DC-DC充電器參考設計 REF-EV50KW2SICKIT,將于 2023 年發布。這款 50 kW 直流充電器子單元旨在用作堆疊式高功率充電系統中的模塊,如圖 13所示。

圖 13a、13b:英飛凌的 REF-EV50KW2SICKIT 實現了完整的 DC-DC 快速充電器
發布后,英飛凌將提供可裝入 19 英寸 4U 機箱的完全組裝板。還將提供電源控制卡以及帶有 GUI 的軟件。
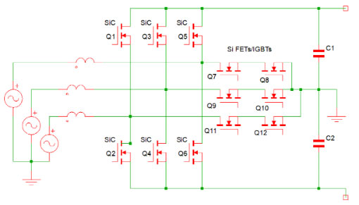
另一種完整的 DC-DC 充電器設計由安森美提供。SEC-25KW-SIC-PIM-GEVK 是一款 25 kW 充電器,它實現了兩級 PFC 和 DAB 拓撲,如圖 14 所示。

圖 14:安森美的 SEC-25KW-SIC-PIM-GEVK 參考設計是一款 25 kW DC-DC 充電器
SEC-25KW-SIC-PIM-GEVK 采用多個 NXH010P120MNF1 半橋 SiC 模塊,其擊穿電壓額定值為 1,200 V。這些 SiC 模塊以其 10 mΩ 的極低導通電阻和低寄生電感而著稱,可大幅降低傳導和開關損耗。轉換操作由基于 Zynq?-7000 SoC FPGA 的強大通用控制器板控制。輸出電壓范圍為 200 V 至 1,000 V,效率高達 96%。
多個 SEC-25KW-SIC-PIM-GEVK 板可以堆疊在一個機柜中,以提供應用所需的輸出功率。
小結
雙向電動汽車快速充電器的 PFC 和 DC-DC 轉換器級拓撲的選擇使設計人員可以優化尺寸、成本、效率、輸出功率、元件數量,且易于控制。
領先 SiC 器件制造商提供的高性能參考設計可幫助設計人員開始應用其中一些拓撲結構。
(作者:Riccardo Collura)
免責聲明:本文為轉載文章,轉載此文目的在于傳遞更多信息,版權歸原作者所有。本文所用視頻、圖片、文字如涉及作品版權問題,請聯系小編進行處理。
推薦閱讀:



