【導讀】本文介紹了一個簡單的無變壓器 1.5V DC電源電路,可用于直接從市電為掛鐘供電,并且還可以保持備用電池充滿電,即使在市電故障期間也能實現時鐘的不間斷運行。
本文介紹了一個簡單的無變壓器 1.5V DC電源電路,可用于直接從市電為掛鐘供電,并且還可以保持備用電池充滿電,即使在市電故障期間也能實現時鐘的不間斷運行。
警告:此電路未與電源交流隔離,因此在通電條件下觸摸非常危險,建議用戶在處理或未覆蓋位置進行測試時格外小心。
設計
該圖顯示了一個簡單的1.5V無變壓器電源電路,用于掛鐘,該電路永遠不會允許時鐘因電池耗盡而停止,因為它會繼續從電源運行,并且還通過電池電源進行加固,以確保即使在電源故障期間時鐘也不會停止。
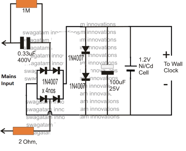
下圖所示設計是一個簡單的無變壓器電源,使用一個0.33uF電容作為輸入限流器元件,以便將電源電流限制在適度的16mA。
電路圖

希望這種電流能夠使時鐘令人滿意地滴答作響,并使連接的Ni / Cd電池保持涓流充電并準備好進行緊急備份。
如果0.33uF不能為操作提供足夠的電流,您可以將其增加到更高的值,以滿足應用需求。
所示的掛鐘 1.5V 無變壓器電源借助電源 (+)、(-) 端子上的兩個正向偏置 1N5 整流二極管,能夠在輸出端產生所需的 1.4007V
DC,從而有效地將大量 330V 電源 (@ 20mA) 分流至標稱 1.5V DC。
包含兩個調聯二極管還確保了時鐘和充電單元的完全無浪涌供電,因此該設計與其他傳統形式的浪涌保護器件不同。
工作原理
時鐘的1.5V無變壓器電源電路可以簡單地解釋如下
電源輸入電流通過 20.0uF/33V 電容器降至較低的 400mA。
橋式整流器將上述低電流輸入轉換為低電流直流變體,由兩個 1N4007 二極管進一步作用,該二極管將直流分流到大約固定的 1.5V。
這種 1.5V / 20 mA DC 最終用于操作所需的掛鐘,還用于為連接的 1.2V Ni/Cd
電池充電,該電池每次電源故障時都會恢復其直流電,確保時鐘的故障不間斷電源,使設備永遠不會因任何不利原因而停止。
免責聲明:本文為轉載文章,轉載此文目的在于傳遞更多信息,版權歸原作者所有。本文所用視頻、圖片、文字如涉及作品版權問題,請聯系小編進行處理。
推薦閱讀:






