【導讀】當今的電子應用常常需要不止一個5 V或3.3 V電源電壓。10個、20個或更多的電壓并不罕見。此外,有的電壓域具有相同的電壓電平,但必須作為單獨的域產生——也就是說,這些電壓必須產生兩次。一個例子是提供兩個相同的電壓來分別為模擬和數字負載供電。這種分離可防止相互干擾,并在不同時間為不同負載提供能量。
圖1顯示了一個具有很多不同電壓域的系統框圖。這些電壓由單獨的開關穩壓器和線性穩壓器產生。各電壓轉換器的選擇在很大程度上取決于所需的轉換效率、要產生的電壓以及相應負載所消耗的電流(最后一點尤其重要)。因此,每個電壓轉換器的設計有很大不同。

圖 1. 典型電子系統需要八個電壓。
另外,對于每個轉換器,各電壓上電的延遲也會不同。這導致不同電壓域中的電壓爬升不受控制,有可能引起功能問題并損壞系統。
因此,通常需要可靠的上電順序以確保每個電壓在正確的時間達到其目標值。另外,關斷常常也要遵循特定的關斷順序。
在有多個電源電壓的系統中,監視不同電壓的能力可能很重要。僅有兩個電壓域的系統中的區區小事,在有許多電壓的系統中會變得非常復雜。因此,許多時序控制器還內置了電源監控器或電壓監視功能。
圖2所示為ADM1186-1 模擬時序控制器IC。它能圖2所示為控制和監視四個電壓域。電壓的上電和關斷是通過控制相應電壓轉換器上的使能(開/關)引腳進行的。電壓轉換器的開啟時間可以利用小電容產生的時間延遲來調整。各輸出電壓通過相應的監控引腳進行監控。當所有電壓建立之后,時序控制器電路產生電源良好信號。

圖 2. ADM1186-1 模擬時序控制器解決方案,最多可監控四個電壓轉換器。
模擬時序控制解決方案(如ADM1186-1)很容易使用。它們具備多電壓系統所需的全部功能。模擬時序控制器與數字時序控制器的不同之處在于,前者的設計較為簡單,并且系統需要的數字監視功能較少。例如,它們可以不使用PMBus或類似協議。
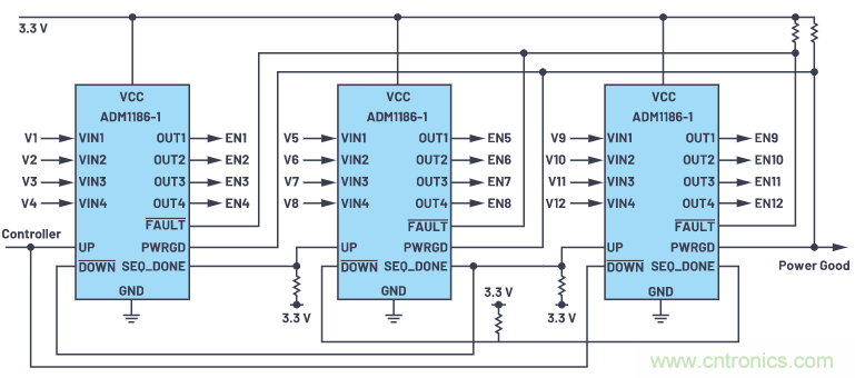
圖1所示的示例系統使用了八個電壓域。對于具有四個以上電壓域的系統,如何進行時序控制和監視?為此,可以將多個ADM1186-1電路按順序組合起來。實際上,可以將任意數量的ADM1186-1時序控制器連接在一起。
市場上可以找到此類時序控制(即把單獨的時序控制器耦合起來)的很多例子。然而,ADM1186-1脫穎而出的原因是當用在鏈接應用中時,它還支持在上電和關斷期間進行完整的時序控制,如圖3所示。與之相當的解決方案可以提供鏈接不同時序控制器IC的可能性,但它們僅支持各個電壓的受控斜坡上升,而不支持這種菊花鏈星座中的受控關斷時序(即電壓關斷)。

圖 3. 多個 ADM1186-1 器件鏈接在一起,可控制 12 個電壓的上電和關斷時序。
可靠且受控的上電和關斷在許多現代系統中都很重要,此需求可以利用ADM1186-1之類的解決方案靈活地實現,幾乎不需要任何開發工作。
ADM1186
● 4個開漏使能輸出
● VCC引腳采用2.7 V~5.5 V單電源電壓
● 可以對4個輸入進行編程,從而利用電阻分壓器監控不同的電壓電平
● 開漏使能輸出
● 開漏時序完成與雙向開漏Fault引腳(ADM1186-1)
● 數字內核支持上電與斷電排序,多個器件可以并用(ADM1186-1)
● 電源排序延遲與超時延遲,精度5%
● 通過0.8%的高精度比較器監控4個電源
免責聲明:本文為轉載文章,轉載此文目的在于傳遞更多信息,版權歸原作者所有。本文所用視頻、圖片、文字如涉及作品版權問題,請聯系小編進行處理。
推薦閱讀:



