【導讀】作為一種常見的電源故障現象,開關電源的間歇振蕩相信大家并不陌生。鑒于開關電源間歇振蕩的高故障率,本文將為大家梳理一下會導致開關電源間歇振蕩的三個很常見的故障原因。幫助工程師朋友們故障維修!
開關電源的間歇振蕩,是一種較為常見的故障現象,故障率遠遠高于無輸出電壓、輸出電壓偏高或偏低,其檢修難度和故障表現,也復雜于上述三種故障。其表現為:輸出電壓時高時低或時有時無,伴隨輕微的“嗒、嗒”聲,或“唧咦,唧咦”聲。
如果簡單梳理一下,其故障原因,可分述為過載型、欠電壓型、空載型等三種情況。
1、過載型
該型故障在四種故障中,較為常見,檢修難度為二星級。通常由開關變壓器二次側的整流二極管擊穿、濾波電容漏電,或負載電路的IC器件、散熱風扇等損壞所致。當解除相應負載支路后,或摘除電源本身故障元件后,電源即由間歇振蕩轉為正常輸出狀態。
①若屬電壓采樣,如+5V負載支路或電源本身產生的故障(如濾波電容漏電),測其它支路的輸出電壓上沖最大值,可能會略超過額定電壓,如+15V輸出可能會上沖至+17V;
②若屬穩壓采樣以外的供電或負載支路產生的故障,則輸出電壓上沖最大值一般會小額定值。如+15V輸出上沖為8V。
雖屬間歇振蕩,但輸出電壓有一定的幅度。
2、欠電壓型
通常由于3844的7腳供電支路不良,或開關變壓器一次繞組所并聯開關管反向電流吸收回路有漏電元件所造成,檢修難度為三星級或四星級。
①由于3844的7腳供電支路不良,如整流二極管低效(測量正、反向電阻和導通壓降,都是好的)、濾波電容失效,如從100u變為10u。不能正常提供振蕩芯片所需的工作能量(開關管的激勵能量),馬兒不能吃飽,也就拉不動車。
此類故障,如果確認其穩壓環節尚屬正常的話,為3844的7、5腳提供外加DC18V電源后,電源即由失常變為正常,若此時檢查濾波電容無問題,要毫不猶豫地換掉整流二極管!
②開關變壓器一次繞組所并聯開關管反向電流吸收回路有漏電元件,使自供電繞組的感生電壓大為降低,也不足以提供振蕩芯片和開關管所需的工作能量。檢查3844的7腳供電支路無異常后,檢查重點,就應該轉移至本電路上來。故障產生的根源以高速高反壓二極管或穩壓管的漏電最為常見,而困難的是,測量二極管或穩壓器,感覺又是好的。可以暫時斷開吸收回路,或代換元件試驗,往往能快速解決問題。
對于欠電壓故障,測開關變壓器二次繞組輸出的各路電壓,均較低,如在零點幾伏至幾伏以內波動,感覺電源就沒有勁兒輸出。哈哈。
3、空載型
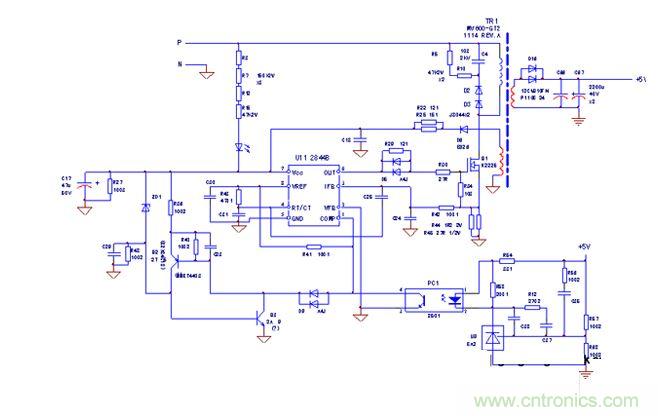
這是一個故障特型。只在單獨檢修開關電源/驅動板時,才會碰到。檢修難度為幾星,我就不說了。如下圖電源所示,①該反饋光耦的輸出側直接與3844的12腳相連;②開關變壓器二次繞組,尤其是采樣電壓繞組的濾波電容,其容量較為,為千微安級。當負載支路空載時,因不能形成最小的穩定負載電流,致使能源供給一方因失去供給目標,而無所適從,不是配給多了就是配給少了,也就形成了間歇振蕩。
賽恩開關電源電路原理圖
這本身不是故障,而是因負載支路“懸空”所引起,當與MCU直接連接時(尤其注意連接顯示面板,數碼管需用較大的工作電流),電源即會正常工作,一定意義上講,無須檢修??蓡为殭z修時,以必須將電路“動”一下,使開關電源能正常工作,以利檢修的開展。方法是,在圖中C87電容兩端并聯2W,30~100Ω負載電阻,就中。

如果當成是一種故障,則有一個顯著的表現特征:當測量開關變壓器二次側各路輸出電壓,會發現波動范圍較大,而且電壓上沖值會遠高于額定電壓值,如+5V變為8V,或+15V,變為20V以上。而下沖值,可至0V。




