【導讀】潛意識大家都認為低成本就沒有高質量的東西,但卻忽略了物美價廉的東西還是有的。開關電源設計也是一樣,不一定就需要高成本的設計,低成本的開關電源設計也有高效率的時候,本文就為大家揭秘如何提高低成本開關電源的效率?
低電流開關穩壓器IC通常使用達靈頓管作為輸出開關。在這種情況下,電源轉換效率可以借由兩個便宜的元器件得到提高。
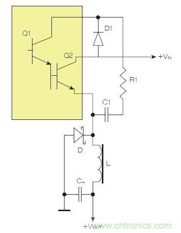
為使之成為可能,芯片上應當有一個針對驅動器晶體管Q1集電極的單獨引腳(圖1)。在啟動時,D1針對Q1的集電極電流形成一條通路。此后,D1和C1形成一個電流累加整流器,增加Q1的集電極電壓和電流,從而降低閉合開關Q2上的電壓降。

圖1:為了實現用兩個元器件提升電源轉換效率,芯片上應有針對驅動器晶體管Q1集電極的單獨引腳。
該電路的另一優點是能在輸入電壓較低的情況下工作。由于驅動器集電極上的電壓有所上升,電路可支持更寬的輸入范圍。
C1的值取決于開關頻率。一般情況下,數值范圍為47nF~150nF。
根據輸入電壓和Q1的參數,可能需要使用電阻器R1防止Q2發生硬飽和,或限制Q1的集電極電流。大多數情況下無需使用該電阻器(即R1=0Ω)。
本設計實例的一個例證如圖2所示,該例證采用了降壓配置中廣泛使用的MC33063/MC34063。

圖2:采用降壓配置中廣為使用的MC33063/MC34063的一個示例。
當Vin=12V時,上述配置(加載了24Ω電阻)的效率為85%,最低輸入電壓為7.5V。
在同等條件下,未配備C1和D1且引腳1和8相連的標準電路的效率為78%,最低輸入電壓為8.2V。
該方法同樣適用于反相轉換器配置。




