- 單相正弦脈寬調制逆變器的設計
- 驅動電路設計
- DC/AC變換采用全橋變換電路
- 采用主、控電路完全隔離的方法
- 利用SG3524生成SPWM信號
0 引言
當鐵路、冶金等行業的一些大功率非線性用電設備運行時,將給電網注入大量的諧波,導致電網電壓波形畸變。根據我們的實驗觀察,在發生嚴重畸變時,電壓會出現正負半波不對稱,頻率也會發生變化。這樣的供電電壓波形,即使是一般的電力用戶,也難以接受,更無法用其作為檢修、測試的電源。同時,在這種情況下,一般的穩壓電源也難以達到滿意的穩壓效果。為此,我們設計了該逆變電源。其控制電路采用了2片集成脈寬調制電路芯片SG3524,一片用來產生PWM波,另一片與正弦函數發生芯片ICL8038做適當的連接來產生SPWM波。集成芯片比分立元器件控制電路具有更簡單、更可靠的特點和易于調試的優點。
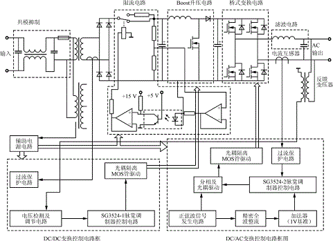
1 系統結構及框圖
圖1示出了系統主電路和控制電路框圖。交流輸入電壓經過共模抑制環節后,再經工頻變壓器降壓,然后整流得到一個直流電壓,此電壓經過Boost電路進行升壓,在直流環上得到一個符合要求的直流電壓350V(50Hz/220V交流輸出時)。DC/AC變換采用全橋變換電路。為保證系統可靠運行,防止主電路對控制電路的干擾,采用主、控電路完全隔離的方法,即驅動信號用光耦隔離,反饋信號用變壓器隔離,輔助電源用變壓器隔離。過流保護電路采用電流互感器作為電流檢測元件,其具有足夠快的響應速度,能夠在MOS管允許的過流時間內將其關斷。

圖1 系統主電路和控制電路框圖
2 控制及保護電路
為了降低成本,使用兩塊集成PWM脈沖產生芯片SG3524和一塊函數芯片ICL8038,使得控制電路簡潔,易于調試。
2.1 SG3524的功能及引腳
圖2所示為SG3524的結構框圖和引腳圖。

(a) SG3524引腳說明

(b) SG3524內部框圖
圖2 SG3524引腳及內部框圖
SG3524工作過程是這樣的:
直流電源Vs從腳15接入后分兩路,一路加到或非門;另一路送到基準電壓穩壓器的輸入端,產生穩定的+5V基準電壓。+5V再送到內部(或外部)電路的其他元器件作為電源。
[page]
振蕩器腳7須外接電容CT,腳6須外接電阻RT。振蕩器頻率f由外接電阻RT和電容CT決定,f=1.18/RTCT。本設計將Boost電路的開關頻率定為10kHz,取CT=0.22μF,RT=5kΩ;逆變橋開關頻率定為5kHz,取CT=0.22μF,RT=10kΩ。振蕩器的輸出分為兩路,一路以時鐘脈沖形式送至雙穩態觸發器及兩個或非門;另一路以鋸齒波形式送至比較器的同相端,比較器的反向端接誤差放大器的輸出。
誤差放大器實際上是個差分放大器,腳1為其反向輸入端;腳2為其同相輸入端。通常,一個輸入端連到腳16的基準電壓的分壓電阻上(應取得2.5V的電壓),另一個輸入端接控制反饋信號電壓。本系統電路圖中,在DC/DC變換部分,SG3524-1芯片的腳1接控制反饋信號電壓,腳2接在基準電壓的分壓電阻上。誤差放大器的輸出與鋸齒波電壓在比較器中進行比較,從而在比較器的輸出端出現一個隨誤差放大器輸出電壓高低而改變寬度的方波脈沖,再將此方波脈沖送到或非門的一個輸入端。或非門的另兩個輸入端分別為雙穩態觸發器和振蕩器鋸齒波。雙穩態觸發器的兩個輸出端互補,交替輸出高低電平,其作用是將PWM脈沖交替送至兩個三極管V1及V2的基極,鋸齒波的作用是加入了死區時間,保證V1及V2兩個三極管不可能同時導通。最后,晶體管V1及V2分別輸出脈沖寬度調制波,兩者相位相差180°。當V1及V2并聯應用時,其輸出脈沖的占空比為0%~90%;當V1及V2分開使用時,輸出脈沖的占空比為0%~45%,脈沖頻率為振蕩器頻率的1/2,在本系統電路圖(圖1)中,兩塊SG3524都為并聯使用。當腳10加高電平時,可實現對輸出脈沖的封鎖,進行過流保護。
2.2 利用SG3524生成SPWM信號
按照上述SG3524的工作原理,要得到SPWM波,必須得有一個幅值在1~3.5V,按正弦規律變化的饅頭波,將它加到SG3524-2內部,并與鋸齒波比較,就可得到正弦脈寬調制波。我們設計的控制電路框圖,以及實際電路各點的波形,如圖3所示。

(a) 控制電路框圖

(b) 各點波形
圖3 控制電路框圖及各點波形
正弦波電壓ua由函數發生器ICL8038產生。ICL8038引腳和具體的接法如圖4所示。正弦波的頻率由R1,R2和C來決定,f=,為了調試方便,我們將R1及R2都用可調電阻,R2和R是用來調整正弦波失真度用的。在實驗中我們測得當f=50Hz時,R1+R2=9.7kΩ,其中C=0.22μF。正弦波信號產生后,一路經過精密全波整流,得到饅頭波uc,另一路經過比較器得到與正弦波同頻率,同相位的方波ub。uc與1V基準經過加法器后得到ud,ud輸入到SG3524-2的腳1,腳2與腳9相連,這樣ud和鋸齒波將在SG3524-2內部的比較器進行比較產生SPWM波ue。分相電路用一塊二輸入與門74LS08和一塊單輸入非門74LS05所組成。ub和ue加到分相電路后就可以得到驅動信號uf和ug,再將uf和ug加到MOS管驅動電路的光耦原邊,就可以實現正弦脈寬調制。

圖4 ICL8038用于正弦波信號發生
2.3 驅動電路設計
設計的驅動電路如圖5所示,它由驅動脈沖放大和5V基準兩部分組成。脈沖放大包括光耦Vo1,R1和R2,中間級的VT1,推挽輸出電路VT2和VT3,對高頻干擾信號進行濾波的C1;5V基準部分包括R4,VZ1和C2,它既為MOS管提供-5V的偏置電壓,又為輸入光耦提供副邊電源。其工作原理是:
1)當光耦原邊有控制電路的驅動脈沖電流流過時,光耦導通,使VT1基極電位迅速下降,VT1截止,導致VT2導通,VT3截止,電源通過VT2,柵極電阻R5,使MOS管導通;
[page]
2)當光耦原邊無控制電路的驅動脈沖電流流過時,光耦不導通,使VT1基極電位上升,VT1導通,導致VT3導通,VT2截止,MOS管柵極電荷通過VT3,柵極電阻R5迅速放電,-5V偏置電壓使之可靠地關斷;
3)電阻R5和穩壓管VZ2,VZ3用以保護MOS管柵極不被過高的正、反向電壓所損壞;
4)光耦Vo1采用組合光敏管型光耦6N136,具有光敏二極管響應速度快,線性特性好,電流傳輸大的優點,能滿足實驗的要求。

圖5 MOS管驅動電路原理圖
2.4 過流保護電路
過流保護是利用SG3524的腳10加高電平封鎖脈沖輸出的功能。當腳10為高電平時,SG3524的腳11及腳14上輸出的脈寬調制脈沖就會立即消失而成為零。過流信號取自電流互感器(對SG3524-1芯片串接在工頻變壓器的副邊,對SG3524-2芯片串接在濾波電路前),經整流后得到電流信號加至如圖6所示過流保護電路上。過流信號加至電壓比較器LM339的同相端。當過流信號使同相端電平比反相端參考電平高時,比較器將輸出高電平,則二極管D2將從原來的反向偏置狀態轉變為正向導通,并把同相端電位提升為高電平,這一變化將使得電壓比較器一直穩定輸出高電平封鎖脈沖,則Boost電路停止工作,在正常狀態下,比較器輸出零電平,不影響Boost電路工作。

圖6 過流保護電路
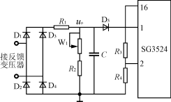
2.5 反饋調壓電路
反饋調壓電路圖如圖7所示。當逆變器正常工作時,逆變器的輸出信號接反饋變壓器,其二次電壓經整流,濾波,分壓得到反饋電壓uo,顯然,uo的大小正比于逆變器的輸出電壓。調節W1可調節負反饋電壓的大小,從而調節逆變器輸出電壓的幅值。uo控制信號被送到SG3524-1芯片的誤差放大器的反相端腳1。誤差放大器的同相端腳2接參考電平。這樣,SG3524的輸出脈沖的占空比就受到反饋信號的控制。調節過程是這樣的,當逆變器輸出因突加負載而降低時,它會使加在SG3524-1的腳1的輸入反饋電壓下降,這會導致SG3524-1輸出脈沖占空比增加,從而使得Boost電路輸出電壓升高,逆變橋的直流電壓升高,逆變器輸出交流電壓升高。反之亦然。可見,正是通過SG3524-1的脈寬調制組件的控制作用,實現了整個逆變器的輸出自動穩壓調節功能。

圖7 反饋調壓電路
3 逆變器的實驗結果
按本設計的SPWM逆變器方案試制了樣機,其額定輸出功率為300W,濾波器參數取L=0.7mH,C=5μF,濾波效果較好,樣機的輸出電壓如圖8所示。從直觀看,電壓波形正弦度較好(因條件所限,尚未測試THD)。用此樣機帶負載運行,效果較好。實驗表明,本文提出的系統方案是切實可行的,可以用在鐵路、冶金等大功率非線性用電設備附近,作為對電網輸入電壓要求較高的一類負載(如檢修、測試設備)的電源。另外,為了滿足客戶的要求,本電路還可以提供60Hz/110V的正弦電源。

圖8 輸出電壓波形


