中心議題:
- 大功率LED恒流驅動設計方案
- LED工作特性
- LED 常用驅動技術比較研究
解決方案:
- 基于PT4115 的恒流驅動設計
本文對LED 常用驅動技術進行了比較研究,得出大功率LED 采用恒流驅動的合理性。并對采用PT4115 的大功率LED 恒流驅動的設計原理進行了詳細的介紹。該恒流驅動具有驅動原理簡單、成本低、恒流效果好等優點。并且,該恒流源相對于其也恒流源具有輸入電壓范圍寬泛、效率高的優點。對大功率LED 在太陽能行業上的應用具有很好的工程實用價值。
0 引言
光伏發電行業作為一種新興行業,其發展具有突飛猛進的趨勢。光伏照明是光伏產業中的支柱產業。由于光伏電池所發出來的電如果不經過一次變換的話是直流電,因此,LED 光源作為一種直流電光源,尤其適合光伏照明產業。但是,LED 的高效節能的優點要想保證的話,其驅動具有尤為重要的作用。本文對大功率LED 和小功率LED 適合的驅動進行了比較研究。并且提出一種基于PT4115 的高效率的大功率LED 恒流驅動解決方案。該種驅動電路簡單、高效、成本低,適合當今太陽能產品的市場化發展。
1 LED 工作特性
LED 具有對電壓敏感的特性,當LED 兩端電壓超過其導通電壓后??山频恼J為其正向電壓VF和正向電流IF 成比例關系。因此,電壓的變化會引起電流的變化。

圖1 LED 的VF 和IF 特性曲線線
從圖1 可以看出電壓的微小變化會引起電流的極大變化。由此,可以得出對于LED 應該采用恒流驅動,防止流過LED 電流的極大波動,影響LED 的使用壽命。因此,不管是交流恒流驅動還是直流恒流驅動,其輸出端LED 兩端電壓的峰峰值最好控制電流在幾十毫安。
2 LED 常用驅動技術比較研究
2. 1 電阻鎮流驅動

圖2 采用鎮流電阻驅動的原理圖
[page]
從圖2 中可見,采用電阻鎮流的驅動方式就是在LED 燈串上串聯上鎮流電阻。通過鎮流電阻降低在LED 燈串上的電壓,防止LED 過壓被擊穿。鎮流電阻的驅動方式實際上就是通常所說的恒壓驅動方式。該種驅動方式雖然簡單,但是在鎮流電阻上會有損耗,并且,損耗會隨輸入電壓的增大而增大。因此,該種技術作為最早的驅動技術,已經隨著技術的發展,逐漸被取代。
2. 2 PWM恒壓驅動方式
眾所周之,PWM驅動方式本身具有驅動效率高的優點。因此,采用PWM 恒壓驅動方式具有效率高,驅動電路簡單的優勢。但是,鎮流電阻這種恒驅動方式,已經不適合當今光伏照明的簡潔、高效的趨勢。因此,PWM恒壓IC 隨之出現。

圖3 恒壓驅動原理
對于采用恒壓驅動(見圖3) ,因輸出到LED 負載兩端的壓降不變,如果其中一路的某顆LED 發生短路故障,則這個輸出的恒壓壓降將全部降在其它LED 兩端,則剩余的每顆LED 承受的電壓可能超過電壓額定值,而將其燒毀。
LED 因其VF 值特性原因做不到相同,隨著溫度及電流大小也有些VF 值也會發生變化,一般不適合并聯設計。但是有些情況又不得不并聯解決多顆LED 驅動成本問題,就像小功率LED 如果每一路采用一個恒流源會大大增加驅動成本,因此,就必須采用多組LED 燈串并聯,而采用恒壓驅動的方式進行驅動。
因此, 即使采用恒壓驅動的方式, 也要選擇PWM恒壓驅動IC ,提高驅動效率。
迫于小功率LED 要想實現和大功率相同的照度,所需數量大,如果每路驅動使用一個恒流驅動,將大大增加驅動成本,鑒于此問題,小功率LED 適合采用恒壓驅動方式。
2. 3 恒流驅動技術
對于恒流驅動實際上很大程度上是結合PWM恒壓驅動高效率的特點,對其進行改造以最簡單的方法實現恒流。
對于PWM恒壓IC 內置一個基準電壓,通過采樣反饋端FB 端電壓和內置電壓比較,以控制PWM輸出占空比,以實現恒壓驅動。
要進行恒流控制就要在斬波輸出端串聯一個小電阻,采樣其對地電壓,然后對其進行放大并反饋到恒壓控制端,以進行恒流控制。由于采樣電阻串聯在輸出回路里,要降低落在電阻上的功耗,就要盡量減小電阻的阻值,通常選0. 1 Ω電阻。
采用恒流驅動,必須每一路LED 燈串有一個恒流源驅動。當燈串中單顆LED 發生短路故障時,由于輸出電流不變,因此,并不影響其它LED 的光效,采用恒流驅動能大大提高LED 的使用壽命。
3 基于PT4115 的恒流驅動技術
3. 1 PT4115 芯片簡介
1) 極少的外部原件
2) 很寬的電壓輸入范圍:從8 V 到30 V
3) 最大輸出1. 2 A 電流
4) 復用DIM 引腳進行LED 開關、模擬調光、PWM調光
5) 5 %的輸出電流精度
6) LED 開路保護
7) 高達97 %的效率
8) 輸出可調的恒流控制方法
9) 內部含有抖頻特性,極大的改善EMI
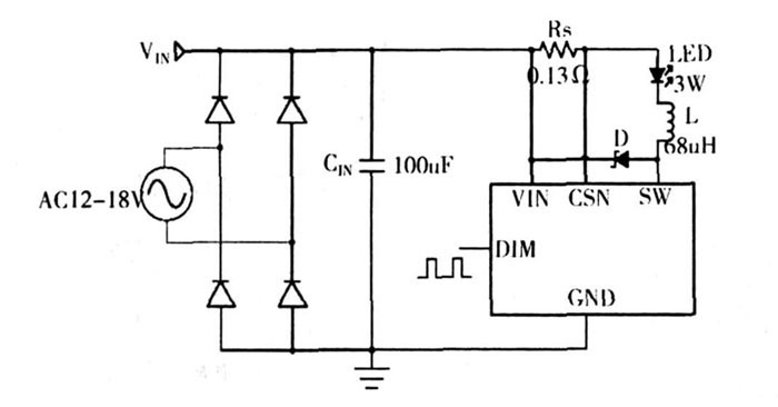
3. 2 典型應用電路

圖4 PT4114 典型應用電路
對于PT4115 (見圖4) 即可以應用于12~18 V 的交流,也可應用在8 V~30 V 的直流。因此,應用范圍更加廣泛。并且,驅動電路簡單,所需元器件均價格低廉。適合批量、市場化。
[page]
3. 3 PT4115 恒流原理
保持采樣端(CSN) 輸入電壓值為IC 內部設定值相對于VIN 電壓值不變即可實現恒流。因為:
![]()
式中:ILED ---流過L ED 的電流;VCSN ---電壓檢測端電壓;RS ---電流采樣電阻。
從式(1) 可見,只要保證采樣端電壓相對于輸入端電壓不變,就能使流過LED 的電流恒定。
3. 4 PT4115 調光措施
PT4115 采用PWM 調光措施,當DIM 引腳電壓低于0. 3 V 時關斷LED 電流,高于2. 5 V 時開啟LED 電流。
PWM調光措施相對于傳統的線性調光,不影響LED 的光效。PWM 調光的基本原理是保持LED 正向導通電流恒定,而通過控制電流導通和關斷的時間比例,即控制每個周期電流導通的時間。PWM 調光的優勢是LED 正向導通的電流一直是恒定的,LED的色度就不會像模擬調光一樣會變化。PWM調光可以在精確控制LED 的亮度的同時,也保證LED 發光的色度。
線性調光是通過改變流過LED 的電流來調整光效的,流過LED 的電流的變化必然會影響LED 的色度。
因此,PWM調光相對傳統的線性調光具有很大的進步。
3. 5 PT4115 頻抖改善EMI 的原理
頻率抖動技術(Frequency Jitter) 是一種從分散諧波干擾能量著手解決EMI 問題的新方法。頻率抖動技術是指開關電源的工作頻率并非固定不變,而是周期性地由窄帶變為寬帶的方式來降低EMI ,來減小電磁干擾的方法。
頻率抖動技術通過擴展電源噪聲頻譜的方式降低了窄帶EMI.對于可以抖動多少的振蕩器頻(fs) ,存在一些局限性。其中一些局限因素是開關損耗和磁路設計。為了將升壓電感盡可能的保持較小,并將開關損耗保持在可控范圍內,頻率抖動應不超過基本頻率的20 %至30 %.
3. 6 PT4115 的動態溫度調節和過溫保護
對于PT4115 具有動態溫度調節的功能,并且,可以在此功能的基礎上實現過溫保護。
3. 6. 1 動態溫度調節。

圖5 動態溫度調節原理圖
從圖5 中可見,DIM 端內部是一個1MΩ 的上拉電阻,連接到內部5V 電源上。DIM 端電壓由內部上拉電阻和熱敏電阻NTC 分壓決定。從熱敏電阻的特性可以知道,溫度的變化會影響NTC 的阻值,進而影響DIM端電壓,以實現PT4115 的動態溫度調節。
[page]
3. 6. 2 過溫保護的實現。
從圖6 中可見,相對于圖5 多了一個三極管,當溫度升高時,NTC 電阻的阻值減小,其上的分壓也減小,則相應的其下面電阻上的分壓升高,當超過三極管的開通電壓時, 三極管導通,DIM 端接地, 關斷LED電流, 當溫度降低時, IC 重啟, 因此, 實現了PT4115 的過溫保護。

圖6 過溫保護的實現原理圖
3. 7 PT4115 工程應用中的經驗
1) 電感越大,工作頻率越低,恒流效果越好;
2) 輸出電流越大,需要電感值越小,電感選擇方便;
3) 通常電感越大,功率開關的開關損耗越小,但相應的電感的損耗會增大;
4) PT4115 內部自帶過溫保護功能,外部過溫保護可設,對LED 實現雙重保護;
5) PCB 布線要盡可能的將銅箔與PT4115 的Ex2posed PAD 和GND 的接觸面積增大,以利散熱;
6) 交流12V 整流管和續流二極管一定要選用低壓降的肖特基二極管,以降低自身功耗;
7) 電感選取時,其飽和電流要求為輸出電流的1. 5 倍。
4 實驗結果
4. 1 效率測定
采用實驗室精密儀表,對PT4115 的輸出效率進行了測量,現以輸出為3 顆LED 串聯負載為例,其結果見表1.

表1 不同輸入電壓下,輸出效率測定
從表1 可見, PT4115 的整體供電效率維持在91 %以上,相對于當前市場上的恒流源,是一款效率高的產品。并且,單路可以實現驅動最多7 顆1W的LED 串聯。由于,外圍電路簡單, IC 封裝體積小,可以將恒流驅動和LED 負載整合在一塊鋁基板上,實現驅動、散熱一體化的模組方案。
4. 2 實驗波形
通過示波器采樣肖特基二極管兩端的波形,同樣以3 顆LED 負載為例進行采樣。

圖7 輸入電壓12 V 負載為3 顆LED 串聯時的波形
從波形圖7 與可見斬波波形沒有毛刺,因此,諧波含量比較低,恒流驅動損耗小。
5 小結
本文通過對各種常用驅動技術進行比較,得出大功率LED 應采用恒流驅動的結論。并且,詳細介紹了基于PT4115 的大功率LED 恒流驅動的原理、優點、及其電路實現。同時, 也詳細敘述了在采用PT4115 實現恒流驅動過程中的經驗總結。最后對其實驗結果進行了描述,證明了該驅動的合理性、高效性、簡潔性等突出優點。該恒流驅動具有很強的工程實用性。



