- 學習實用小功率開關穩壓電源的設計
- 輸入濾波電路的設計
- 采用單端正激型電路結構
- 依靠自饋電線圈泄放變壓器中的磁場能量,實現磁通復位
1電路結構選擇
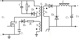
開關穩壓電源與傳統的線性穩壓電源相比具有體積小、重量輕、效率高等優點,已成為穩壓電源的主流產品。為使電源結構簡單、緊湊,工作可靠、減少成本,小功率開關穩壓電源常采用單端反激型或單端正激型電路。與單端反激型相比,單端正激型開關電流小、輸出紋波小、更容易適應高頻化。用電流型PWM控制芯片UC3843構成的單端正激型開關穩壓電源的主電路如圖1所示。

圖1主電路的結構
實用的單端正激型開關穩壓電源必須加磁通復位電路,以泄放勵磁電路的能量。如圖1所示,開關管Q導通時D1導通,副邊線圈N2向負載供電,D4截止,自饋電線圈Nf電流為零;Q關斷時D1截止,D4導通,Nf經電容C1濾波后向UC3843供電,同時原邊線圈N1上產生的感應電動勢使D3導通,并加在RC上。由于變壓器中的磁場能量可通過Nf泄放,而不像一般的RCD磁通復位電路消耗在電阻上,這可減少發熱,提高效率。
2電源技術規格
輸入電壓:AC110/220V;
輸入電壓變動范圍:90V~240V;
輸入頻率:50/60Hz;
輸出電壓:12V;
輸出電流:2.5A;
工作頻率的選擇:UC3843的典型工作頻率為20kHz~500kHz。開關頻率的選擇決定了變換器的許多特性。開關頻率越高,變壓器、電感器體積越小,電路的動態響應也越好。但隨著頻率的提高,諸如開關損耗,門極驅動損耗,輸出整流管的損耗會越來越突出,而且頻率越高,對磁性材料的選擇和參數設計要求會越苛刻,另外,高頻下線路的寄生參數對線路的影響程度難以預料,整個電路的穩定性,運行特性以及系統的調試會比較困難。本電路中,選Rt=1.8kΩ,Ct=10nF。由UC3843A定時電阻,電容與振蕩器頻率的關系曲線圖,可得開關頻率為f=85kHz,周期T=11.8μs;
占空比:設計無工頻變壓器的單端正激型開關電源時,一般占空比D最大不超過0.5,這里選擇Dmax=0.5。則Tonmax=T·Dmax=5.9μs。
[page]
3電源設計
3.1變壓器和輸出電感的設計
根據電源規格、輸出功率、開關頻率,選擇PQ26/25磁芯,磁芯截面積Se=1.13cm2,磁路有效長度le=6.4cm,磁芯材料為MXO2000,飽和磁通密度Bs=0.4T。取變壓器最大工作磁感應強度Bmax=Bs/3=0.133T,則電感系數AL值為:
AL=(0.4πμrSe/le)10-6=4.44(μH/N2)
變壓器原邊線圈匝數為:
N1=UImin×Tonmax/Bmax×Se式中UImin為最小直流輸入電壓。考慮到交流輸入電壓為110V±20%,則交流輸入電壓最小值約為90V,即UImin=90×=127V。代入得N1=49.9,取50匝。原邊線圈電感為:L1=N12AL=11.1mH。副邊線圈匝數為:N2=
式中UDF、UL分別為整流二極管D1和輸出電感L上的壓降,取UDF+UL=0.7V,代入得N2=10匝。
副邊線圈電感為:L2=N22AL=444μH。
開關管斷開時N1兩端會產生感應電動勢,為了保證開關管正常工作,將感應電勢限制到eL≈300V。自饋電線圈要向UC3843提供VCC=12V工作電壓,按電容C1上電壓UC1=16V考慮,可保證足夠供電給UC3843,由Nf=(Uc1/eL)N1可得Nf=2.67取3匝。變壓器副邊電流為矩形波,其有效值I2=Io·=1.77A,導線電流密度取4A/mm2,所需導線截面為1.77/4=0.44mm2,選用截面積為0.1521mm2的導線(Φ0.49)三根并繞。同樣可選擇原邊導線,原邊電流有效值I1=Io·=0.354A,所需導線截面為0.354/4=0.0885mm2,選用截面積為0.09621mm2的導線(Φ041)。
取輸出電感的電流變化ΔIL=0.2Io=0.5A,則輸出電感為:L=Tonmax
式中U2min為副邊線圈最小電壓,U2min=(Uo+UDF+UL)/Dmax=25.4V,取UDF=0.5V,Uomax=13V,代入可得L=140μH。根據輸出電感上電流IL=Io,所需導線截面應為:2.5/4=0.625mm2,選擇截面積為0.6362mm2的導線(Φ096)。
3.2開關管、整流二極管、續流二極管的選擇
由于開關管斷開時原邊線圈N1兩端的感應電動勢限制到eL≈300V,輸入交流電壓經全波整流電容濾波后,直流輸入電壓的最大值UImax=240×=339V,所以整流二極管所承受的最高反向電壓UD1P=eL(N2/N1)=60V,續流二極管所承受的最高反向電壓UD2P=UImax(N2/N1)=68V。流過整流二極管和續流二極管的最大電流ID1P=ID2P=Io+0.5ΔIL=2.75A。根據以上計算選擇肖特基半橋MBR20100CT,平均整流電流20A,反向峰值電壓100V。
開關管承受的最大電壓Udsp=339+300=639V。變壓器勵磁電流的最大值ITrP=(UImax/L1)Tonmax=180mA,開關管最大電流IdsP=(ID1PN2/N1)+ITrP=0.73A。根據以上計算,選用功率MOSFET2SK792,漏源擊穿電壓BVDS=900V,最大漏極電流IDmax=3A。
3.3反饋電路的設計
電流反饋電路采用電流互感器檢測開關管上的電流,原理如圖2所示。電流互感器的輸出分為電流瞬時值反饋和電流平均值反饋兩路,R2上電壓反映電流瞬時值,開關管上的電流增大會使UR2增大,當UR2大于1V時,UC3843芯片輸出脈沖關斷。調節R1、R2分壓比可改變開關管的限流值,實現電流瞬時值的逐周期比較,這屬于限流式保護。輸出脈沖關斷,實現對電流平均值的保護,這屬于截流式保護。兩種過流保護互為補充,使電源更為安全可靠。采用電流互感器采樣使控制電路與主電路隔離,同時與電阻采樣相比降低了功耗,有利于提高整個電源的效率。
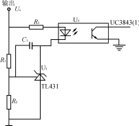
電壓反饋電路如圖3所示,輸出電壓通過集成穩壓器TL431和光耦反饋到UC3843(1)腳,調節R1、R2分壓比可設定和調節輸出電壓,達到較高的穩壓精度。如果輸出電壓Uo升高,集成穩壓器TL431陰極到陽極的電流增大,使光耦輸出三極管電流增大即UC3843(1)腳對地的分流變大,UC3843輸出脈寬相應變窄,輸出電壓Uo減小。同樣地,如果輸出電壓Uo減小,可通過反饋調節使之升高。

圖2電流反饋電路

圖3電壓反饋電路
[page]

圖4變壓器過熱保護電路

圖5輸出過電壓保護電路

圖6空載保護電路

圖7輸入濾波電路
3.4保護電路的設計
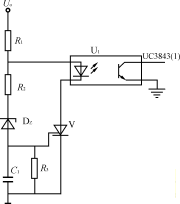
圖4為變壓器過熱保護電路,R3=R4,NTC為粘貼在變壓器上的負溫度系數的熱敏電阻,常溫下RNTCR2,運放U1構成滯環比較器。正常工作時,NTC阻值較大,運放U+<U-,輸出為零;當溫度上升到設定值時,運放U1輸出為高電平,送到PWM控制芯片使輸出脈沖關斷。
圖5為輸出過電壓保護電路。穩壓管DZ的擊穿電壓稍大于輸出電壓額定值,輸出正常時,DZ不導通,晶閘管V門極電壓為零,不導通。當輸出過壓時DZ擊穿,V受觸發導通,使光耦輸出三極管電流增大,通過UC3843控制開關管關斷。
圖6為空載保護電路。為了防止變壓器繞組上電壓過高,同時也為了使電源從空載到滿載的負載效應較小,開關穩壓電源輸出端一般不允許開路。圖6中R2R3,給運放同相輸入端提供固定的小電壓U+。R8為取樣負載電流的分流器,當外電路未接負載RL時,R8上無電流,運放反相輸入端電壓U-=0,因而U+>U-,運放輸出電壓較高,使三極管V1飽和導通,將電源內部的假負載R7自動接入。當電源接入負載RL時,R8上的壓降使U->U+,運放輸出電壓為零,V1截止,將R7斷開。
[page]
3.5輸入濾波電路的設計
輸入濾波電路具有雙向隔離作用,它可抑制從交流電網輸入的干擾信號,同時也防止開關電源工作時產生的諧波和電磁干擾信號影響交流電網。電路如圖7所示,是一種復合式EMI濾波器,L1、L2和C1構成第一級濾波,共模電感TR和電容C2、C3進行第二級濾波。C1主要用來濾除差模干擾,選用高頻特性較好的薄膜電容。電阻R給電容提供放電回路,避免因電容上的電荷積累影響濾波器的工作特性。C2、C3跨接

圖8空載時輸入功率波形

圖9半載時輸入功率波形

圖10滿載時輸入功率波形

圖11漏極電壓Uds波形
在輸出端,能有效抑制共模干擾。為了減小漏電流C2、C3宜選用陶瓷電容器。
[page]
4實驗結果
圖8~圖10為輸入電壓220V的條件下,輸出端的負載狀況分別為空載、半載和全載時,輸入端的功率波形圖。由這3個圖可以看出,輸入功率是個脈沖序列,周期為10ms,即每半個工頻周期電源輸入端通過整流橋為輸入平滑濾波電容充一次電。測量輸入功率時串聯于輸入端的采樣電阻為2.0Ω,因此功率為圖示值除以2。半載時輸出功率為:12.3662/10=15.29W,全載時輸出功率為:12.2552/5=30.04W。電路正常工作時,漏極電壓波形如圖11所示。
(1)輸出電壓
在各種不同的負載狀況下,當輸入電壓從90V變化到250V時,相應輸出電壓測試結果如表1所示:
表1各種負載狀況下的輸出電壓
| 輸入電壓(V) | 輸出電壓(V) | ||
|---|---|---|---|
| 空載 | 半載(10Ω) | 滿載(5Ω) | |
| 90 | 12.455 | 12.360 | 12.242 |
| 110 | 12.459 | 12.368 | 12.247 |
| 220 | 12.467 | 12.375 | 12.255 |
| 250 | 12.471 | 12.381 | 12.262 |
(2)效率
實測各種負載狀況下的效率如表2所示。
表2各種負載狀況下的效率
| 負載 | 空載 | 半載(10Ω) | 滿載(5Ω) |
|---|---|---|---|
| 輸入功率(W) | 3.00 | 20.03 | 36.02 |
| 輸出功率(W) | 0 | 15.29 | 30.04 |
| 效率(%) | 0 | 76.34 | 83.40 |
(3)輸出紋波電壓
實測輸出紋波電壓峰峰值半載時為40mV;滿載時為50mV。
5結語
介紹了一種實用的30W開關穩壓電源電路的設計過程,該電源采用單端正激型電路結構,輸出紋波較小,依靠自饋電線圈泄放變壓器中的磁場能量,實現磁通復位,可減少發熱,提高效率,而且去磁繞組匝數少,減小了變壓器體積。應用電流型PWM控制器UC3843,提高了電源的動態響應速度,引入了過壓、過流、過熱、空載等保護,使電路能可靠工作。總之,該電源體積小、重量輕、紋波較小,效率較高,輸出電壓穩定度高,源效應和負載效應較小,保護電路較為完善,適用于功率小、要求體積小、效率高的場合。




