中心議題:
- IGBT保護電路設計必備知識
解決方案:
- 過流保護
- 過壓保護
- 過熱保護
本文論述了IGBT的過流保護、過壓保護與過熱保護相關問題,并從實際應用中總結出各種保護方法,這些方法實用性強,保護效果好,是IGBT保護電路設計必備知識。
IGBT(絕緣柵雙極性晶體管)是一種用MOS來控制晶體管的新型電力電子器件,具有電壓高、電流大、頻率高、導通電阻小等特點,因而廣泛應用在變頻器的逆變電路中。但由于IGBT的耐過流能力與耐過壓能力較差,一旦出現意外就會使它損壞。為此,必須但對IGBT進行相關保護。
過流保護
生產廠家對IGBT提供的安全工作區有嚴格的限制條件,且IGBT承受過電流的時間僅為幾微秒(SCR、GTR等器件承受過流時間為幾十微秒),耐過流量小,因此使用IGBT首要注意的是過流保護。產生過流的原因大致有:晶體管或二極管損壞、控制與驅動電路故障或干擾等引起誤動、輸出線接錯或絕緣損壞等形成短路、輸出端對地短路與電機絕緣損壞、逆變橋的橋臂短路等。
對IGBT的過流檢測保護分兩種情況:
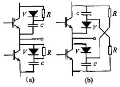
(1)驅動電路中無保護功能。這時在主電路中要設置過流檢測器件。對于小容量變頻器,一般是把電阻R直接串接在主電路中,如圖1(a)所示,通過電阻兩端的電壓來反映電流的大小;對于大中容量變頻器,因電流大,需用電流互感器TA(如霍爾傳感器等)。電流互感器所接位置:一是像串電阻那樣串接在主回路中,如圖1(a)中的虛線所示;二是串接在每個IGBT上,如圖1(b)所示。前者只用一個電流互感器檢測流過IGBT的總電流,經濟簡單,但檢測精度較差;后者直接反映每個IGBT的電流,測量精度高,但需6個電流互感器。過電流檢測出來的電流信號,經光耦管向控制電路輸出封鎖信號,從而關斷IGBT的觸發,實現過流保護。
圖1 IGBT的過流檢測
(2)驅動電路中設有保護功能。如日本英達公司的HR065、富士電機的EXB840~844、三菱公司的M57962L等,是集驅動與保護功能于一體的集成電路(稱為混合驅動模塊),其電流檢測是利用在某一正向柵壓 Uge下,正向導通管壓降Uce(ON)與集電極電流Ie成正比的特性,通過檢測Uce(ON)的大小來判斷Ie的大小,產品的可靠性高。不同型號的混合驅動模塊,其輸出能力、開關速度與du/dt的承受能力不同,使用時要根據實際情況恰當選用。
由于混合驅動模塊本身的過流保護臨界電壓動作值是固定的(一般為7~10V),因而存在著一個與IGBT配合的問題。通常采用的方法是調整串聯在 IGBT集電極與驅動模塊之間的二極管V的個數,如圖2(a)所示,使這些二極管的通態壓降之和等于或略大于驅動模塊過流保護動作電壓與IGBT的通態飽和壓降Uce(ON)之差。

圖2 混合驅動模塊與IGBT過流保護的配合
上述用改變二極管的個數來調整過流保護動作點的方法,雖然簡單實用,但精度不高。這是因為每個二極管的通態壓降為固定值,使得驅動模塊與IGBT集電極c之間的電壓不能連續可調。在實際工作中,改進方法有兩種:
(1)改變二極管的型號與個數相結合。例如,IGBT的通態飽和壓降為2.65V,驅動模塊過流保護臨界動作電壓值為 7.84V時,那么整個二極管上的通態壓降之和應為7.84-2.65=5.19V,此時選用7個硅二極管與1個鍺二極管串聯,其通態壓降之和為 0.7×7+0.3×1=5.20V(硅管視為0.7V,鍺管視為0.3V),則能較好地實現配合(2)二極管與電阻相結合。由于二極管通態壓降的差異性,上述改進方法很難精確設定IGBT過流保護的臨界動作電壓值 如果用電阻取代1~2個二極管,如圖2(b),則可做到精確配合。
另外,由于同一橋臂上的兩個IGBT的控制信號重疊或開關器件本身延時過長等原因,使上下兩個IGBT直通,橋臂短路,此時電流的上升率和浪涌沖擊電流都很大,極易損壞IGBT 為此,還可以設置橋臂互鎖保護,如圖3所示。圖中用兩個與門對同一橋臂上的兩個IGBT的驅動信號進行互鎖,使每個IGBT的工作狀態都互為另一個 IGBT驅動信號可否通過的制約條件,只有在一個IGBT被確認關斷后,另一個IGBT才能導通,這樣嚴格防止了臂橋短路引起過流情況的出現。[page]

圖3 IGBT橋臂直通短路保護
過壓保護
IGBT在由導通狀態關斷時,電流Ic突然變小,由于電路中的雜散電感與負載電感的作用,將在IGBT的c、e兩端產生很高的浪涌尖峰電壓uce=L dic/dt,加之IGBT的耐過壓能力較差,這樣就會使IGBT擊穿,因此,其過壓保護也是十分重要的。過壓保護可以從以下幾個方面進行:
(1)盡可能減少電路中的雜散電感。作為模塊設計制造者來說,要優化模塊內部結構(如采用分層電路、縮小有效回路面積等),減少寄生電感;作為使用者來說,要優化主電路結構(采用分層布線、盡量縮短聯接線等),減少雜散電感。另外,在整個線路上多加一些低阻低感的退耦電容,進一步減少線路電感。所有這些,對于直接減少IGBT的關斷過電壓均有較好的效果。
(2)采用吸收回路。吸收回路的作用是;當IGBT關斷時,吸收電感中釋放的能量,以降低關斷過電壓。常用的吸收回路有兩種,如圖4所示。其中(a)圖為充放電吸收回路,(b)圖為鉗位式吸收回路。對于電路中元件的選用,在實際工作中,電容c選用高頻低感圈繞聚乙烯或聚丙烯電容,也可選用陶瓷電容,容量為2 F左右。電容量選得大一些,對浪涌尖峰電壓的抑制好一些,但過大會受到放電時間的限制。電阻R選用氧化膜無感電阻,其阻值的確定要滿足放電時間明顯小于主電路開關周期的要求,可按R≤T/6C計算,T為主電路的開關周期。二極管V應選用正向過渡電壓低、逆向恢復時間短的軟特性緩沖二極管。
(3)適當增大柵極電阻Rg。實踐證明,Rg增大,使IGBT的開關速度減慢,能明顯減少開關過電壓尖峰,但相應的增加了開關損耗,使IGBT發熱增多,要配合進行過熱保護。Rg阻值的選擇原則是:在開關損耗不太大的情況下,盡可能選用較大的電阻,實際工作中按Rg=3000/Ic 選取。

圖4 吸收回路
除了上述減少c、e之間的過電壓之外,為防止柵極電荷積累、柵源電壓出現尖峰損壞 IGBT,可在g、e之間設置一些保護元件,電路如圖5所示。電阻R的作用是使柵極積累電荷泄放,其阻值可取4.7kΩ;兩個反向串聯的穩壓二極管V1、 V2。是為了防止柵源電壓尖峰損壞IGBT。

圖5 防柵極電荷積累與柵源電壓尖峰的保護
過熱保護
IGBT 的損耗功率主要包括開關損耗和導通損耗,前者隨開關頻率的增高而增大,占整個損耗的主要部分;后者是IGBT控制的平均電流與電源電壓的乘積。由于IGBT是大功率半導體器件,損耗功率使其發熱較多(尤其是Rg選擇偏大時),加之IGBT的結溫不能超過125℃,不宜長期工作在較高溫度下,因此要采取恰當的散熱措施進行過熱保護。
散熱一般是采用散熱器(包括普通散熱器與熱管散熱器),并可進行強迫風冷。散熱器的結構設計應滿足:Tj=P△(Rjc+Rcs+Rsa)《Tjm 式中Tj-IGBT的工作結溫
P△-損耗功率
Rjc-結-殼熱阻vkZ電子資料網
Rcs-殼-散熱器熱阻
Rsa-散熱器-環境熱阻
Tjm-IGBT的最高結溫
在實際工作中,我們采用普通散熱器與強迫風冷相結合的措施,并在散熱器上安裝溫度開關。當溫度達到75℃~80℃時,通過 SG3525的關閉信號停止PMW 發送控制信號,從而使驅動器封鎖IGBT的開關輸出,并予以關斷保護。





