中心議題:
- dV/dt感生開通現象的理解
- 單正向柵驅動IGBT簡化驅動電路
目前,為了防止高dV/dt應用于橋式電路中的IGBT時產生瞬時集電極電流,設計人員一般會設計柵特性是需要負偏置柵驅動的IGBT。然而提供負偏置增加了電路的復雜性,也很難使用高壓集成電路(HVIC)柵驅動器,因為這些IC是專為接地操作而設計──與控制電路相同。因此,研發有高dV/dt能力的IGBT以用于“單正向”柵驅動器便最為理想了。這樣的器件已經開發出來了。器件與負偏置柵驅動IGBT進行性能表現的比較測試,在高dV/dt條件下得出優越的測試結果。
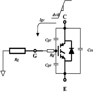
為了理解dV/dt感生開通現象,我們必須考慮跟IGBT結構有關的電容。圖1顯示了三個主要的IGBT寄生電容。集電極到發射極電容C,集電極到柵極電容C和柵極到發射極電容CGE。

圖1 IGBT器件的寄生電容
這些電容對橋式變換器設計是非常重要的,大部份的IGBT數據表中都給出這些參數:
- 輸出電容,COES=CCE+CGC(CGE短路)
- 輸入電容,CIES=CGC+CGE(CCE短路)
- 反向傳輸電容,CRES=CGC

圖2 半橋電路
圖2給出了用于多數變換器設計中的典型半橋電路。集電極到柵極電容C和柵極到發射極電容C組成了動態分壓器。當高端IGBT(Q2)開通時,低端IGBT(Q1)的發射極上的dV/dt會在其柵極上產生正電壓脈沖。對于任何IGBT,脈沖的幅值與柵驅動電路阻抗和dV/dt的實際數值有直接關系。IGBT本身的設計對減小C和C的比例非常重要,它可因此減小dV/dt感生電壓幅值。
如果dV/dt感生電壓峰值超過IGBT的閥值,Q1產生集電極電流并產生很大的損耗,因為此時集電極到發射極的電壓很高。
[page]
為了減小dV/dt感生電流和防止器件開通,可采取以下措施:
- 關斷時采用柵極負偏置,可防止電壓峰值超過V,但問題是驅動電路會更復雜。
- 減小IGBT的CGC寄生電容和多晶硅電阻Rg’。
- 減小本征JFET的影響
圖3給出了為反向偏置關斷而設計的典型IGBT電容曲線。CRES曲線(及其他曲線)表明一個特性,電容一直保持在較高水平,直到V接近15V,然后才下降到較低值。如果減小或消除這種“高原”(plateau) 特性,C的實際值就可以進一步減小。
這種現象是由IGBT內部的本征JFET引起的。如果JFET的影響可以最小化,C和C可隨著VCE的提高而很快下降。這可能減小實際的CRES,即減小dV/dt感生開通對IGBT的影響。

圖3 需負偏置關斷的典型IGBT的寄生電容與V的關系。
IRGP30B120KD-E是一個備較小C和經改良JFET的典型IGBT。這是一個1200V,30A NPT IGBT。它是一個Co-Pack器件,與一個反并聯超快軟恢復二極管共同配置于TO-247封裝。
設計人員可減小多晶體柵極寬度,降低本征JFET的影響,和使用元胞設計幾何圖形,從而達到以上的目標。
對兩種1200V NPT IGBT進行比較:一種是其他公司的需負偏置關斷的器件,一種是IR公司的NPT單正向柵驅動IRGP30B120KD-E。測試結果表明其他公司的器件在源電阻為56?下驅動時,dV/dt感生電流很大。
比較寄生電容的數據,IR器件的三種電容也有減小:
輸入電容,CIES減小25%
輸出電容,COES減小35%
反向傳輸電容,CRES減小68%

圖4 寄生電容比較
圖5顯示出IR器件的減小電容與V的關系,得出的平滑曲線是由于減小了JFET的影響。當V=0V時,負偏置柵驅動器件的C為1100pF,IRGP30B120KD-E只有350pF,當VCE=30V時,負偏置柵驅動器件的C為170pF,IRGP30B120KD-E的CRES為78pF。很明顯,IRGP30B120KD-E具有非常低的C,因此在相同的dV/dt條件下dV/dt感生電流將非常小。

圖5 IRGP30B120KD-E寄生電容與VCE的關系[page]
圖6的電路用來比較測試兩種器件的電路性能。兩者的dV/dt感生電流波形也在相同的dV/dt值下得出。

圖6 dV/dt感生開通電流的測試電路
測試條件:
電壓率,dV/dt=3.0V/nsec;直流電壓,Vbus=600V;外部柵到發射極電阻Rg=56?;環境溫度,TA=125°C

圖7 其他公司的IGBT的低端IGBT開關電壓和dV/dt感生電流的18A峰值

圖8 IRGP30B120KD-E IGBT的低端IGBT開關電壓和dV/dt感生電流的1.9A峰值[page]
dV/dt感生電流的減小清楚說明單正向柵驅動設計的優勝之處。但在這個測試中,Co-Pack二極管電流的影響并沒有完全計算在內。為了只顯示出IGBT對整體電流的影響,我們只利用相同的分立式反并聯二極管再重復測試,如圖9中的Ice(cntrl)。

圖9 利用相同的分立式Co-Pack二極管產生的dV/dt感生電流
圖10顯示出在沒有IGBT情況下,負偏置柵驅動器IGBT的I電流。圖11為IRGP30B120KD-E單正向柵驅動器的I電流。兩種情況下的電流都很低,分別為1A和0.8A。

圖10 其他公司的IGBT的Co-Pack二極管內的低端IGBT的VCE和dV/dt感生電流1A峰值

圖11 IRG30B120KD-E的Co-Pack二極管內的低端IGBT的VCE和dV/dt感生電流0.8A峰值[page]
如果從整體IGBT/二極管電流中減去圖10和圖11的二極管電流,結果是:
I(負偏置柵驅動IGBT)= 18-1 = 17A
I(IRGP30B120KD-E)= 1.9-0.8 = 0.8A
可見總的減小為17:0.8 = 21:1
在相同的測試條件下,當柵電壓是在0V或單正向柵驅動情況下,IRGP30B120KD的電路性能顯示dV/dt感生開通電流減小比例為21:1。如果IGBT采用這種方式驅動,電流很小,對功耗的影響幾乎可以忽略。

圖12 柵驅動波形
采用單正向柵驅動IGBT有下列好處:
- 不需要負偏置
- 驅動器電路成本更低
- 更高的柵抗噪聲功能
- 更高的dV/dt耐容
- 與不能提供負偏置驅動的IR單片式柵驅動器兼容

圖13 具有電平轉換的柵驅動IC電路
上述設計對PT和NPT IGBT同樣有效。
結論:
單正向柵驅動IGBT是器件發展的巨大進步。IRGP30B120KD-E的C值很低,在單正向柵驅動條件下,其開關性能非常理想。器件不需要負偏置柵驅動便能可靠關斷,即使在集電極的dV/dt為3V/ns。與單片式柵驅動器的兼容性更為橋式變換器和交流電機驅動提供更優越和成本更低的解決方案。所以我們期望這些先進的IGBT能為新的IC設計提供更大的優勢。




