中心論題:
- 概述VB409
- 分析VB409構成的電源系統
- 應用到MCU應用系統
解決方案:
- 在對電流絕緣沒有要求的場合采用VB409作為供電電源
- 對于需要電流絕緣的場合,需在供電輸入端加一個1∶1的小型隔離變壓器
在小型的MCU應用系統中,采用AC 220V供電時,一般要使用變壓器對電源進行處理,將高壓交流電降到低壓后再進行直流處理,或者將交流電變為高壓直流電后再進行高頻變換,以得到MCU系統的工作電源。這對于結構沒有特殊要求的系統,在設計上屬于常規的問題,使用上述的線性電源技術或者開關電源技術,均能得到方便的解決。但是有些MCU應用系統在體積上要求極其小巧,甚至不能安放變壓器,所以常規的電源處理就不能滿足其要求了。因此,使用能夠直接接收高壓交流電并將其直接變換成低壓直流的技術,是最佳的設計選擇。VB409的出現有望實現這一設計思路。
VB409概述
VB409是ST公司推出的電源處理產品。其PENTAWATTHV(022Y)封裝形式的產品大小與普通TO220封裝的7805相近,只是引出腳為5個;還有一種PowerSO10封裝的產品是10腳表面貼裝式IC。輸入端可以直接接入AC 220 V,且輸入端允許的最高輸入電壓為AC 580 V。輸出部分有2個: 一個是最終輸出OUTPUT1,為+5V;另一個是芯片的中間輸出OUTPUT2,典型值為16 V。對負載的供電能力為:OUTPUT1最大為80 mA,OUTPUT2最大為25mA。圖1為VB409的內部結構圖[1]。
圖1 VB409內部結構圖
VB409采取的是導通角技術,即在交流電的一個周期中,根據負載的電流大小,自動調整每個周期的導通時間。也就是說,只在每個正周期的低壓部分,從電源吸收電能,因此極大地降低了功耗,電流輸出能力是線性電源的3倍。其工作波形如圖2所示。

圖2 VB409的工作波形
從圖1中還可以看出,VB409還有輸入、輸出電流的限制和熱保護功能。其作用在于:一方面當輸出短路時限制電流的輸出;另一方面當過載時關斷芯片。
需要說明的是,OUTPUT1的輸出范圍為4.75~5.25 V,典型值為5 V,負載電流每增大1 mA,對輸出影響為0.5mV,精度是比較高的;而OUTPUT2的輸出范圍為8~16V。因此,OUTPUT2的輸出比較適合于作為繼電器一類的驅動電源使用。如果想作為放大器的工作電源,則需要再進行一次降壓式穩壓。
VB409構成的電源系統
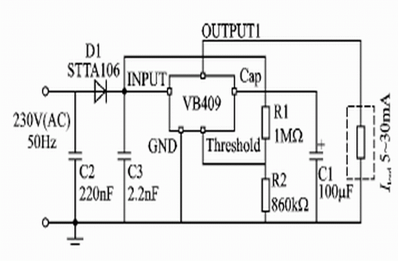
圖3為VB409組成的電源電路。
圖3 VB409組成的電源電路
圖3中,D1實現半波整流,C2為滌綸電容,C3為高壓電解電容,R1、R2為金屬膜1/4 W電阻,C1耐壓為25 V。
圖1中,Vref1的電壓為12V左右,Threshold端的電壓高于Vref1將關斷輸入向輸出的傳送,Threshold端的工作電流最小為30μA。因此,R1與R2之和決定工作電流,R1與R2之比確定加在Threshold端的最高電壓。圖2中,t1、t2所處的位置對應的輸入電壓V1即關斷的門限電壓值。這個值的大小為: V1=Vref1。
V1是變化的交流電,變化規律為:

在這里,將VIN等比例縮小至V1,可以提高期間的工作可靠性。
當輸入電壓為AC 220 V,Threshold端的工作電流約為120 μA時,R1+R2=1.86 MΩ。按此參數設置,當輸入電壓為AC 60 V時,Threshold端的工作電流約為30 μA,還能夠正常工作。同理,適當配置R1和R2的值,還可以確定輸入電壓的有效范圍,VB409允許最小輸入電壓可至12V。C1值的確定參見圖1和圖2。
C1提供輸入短路關斷時維持輸出電路的電壓,同時提供OUTPUT2較為穩定的輸出。由于充、放電時間變慢,C1的值越大,OUTPUT2的輸出電壓值越低,但是能夠提供較大的輸出電流;反之,C1的值小,充、放電時間越快,OUTPUT2的輸出電壓值也就越高,但是能夠提供的輸出電流變小。一般C1的值在47~220 μF之間選擇,典型值為100 μF。
實例MCU應用系統
使用VB409為主電源供給MCU應用系統,在設計之前,應首先估算系統的5 V電源的總功耗。計算時要將灌電流、拉電流一并計算。
圖4為筆者設計的一個典型應用系統的原理圖。圖4為測量電能并在LCD上顯示的MCU應用系統。CPU采用AT89C55WD,最大耗電量為20 mA(若采用STC89C58RD+,則耗電量可降至9 mA左右);LCD選用SO12864,采用COG式,連同背光最大耗電為20mA;功率/電能計量芯片CS5460的最大耗電量為5 mA,加上復位、鍵盤等最大耗電量小于50 mA;繼電器輸出沒有畫出,耗電量為12mA。因此,完全可以使用VB409供電,且系統體積小,完全可以放置在LCD背后。
圖4 一個典型應用系統原理圖
結語
由于沒有變壓器,因此就失去了電流的絕緣,所以采用VB409作為供電電源,要用在對電流絕緣沒有要求的場合,例如洗衣機、中央供熱、功率計量等。對于需要電流絕緣的場合,需在供電輸入端加一個1∶1的小型隔離變壓器,因為輸入功率低,所以變壓器的尺寸可以做得比較小,同時變壓器的輸出還可以使用電阻分壓后再輸入到VB409中。
參考文獻
[1] VB409/VB409SP/VB409(022Y) Double Output High Voltage Regulator Power IC[OL]. http://www.st.com,2001/.




