【導讀】電力變壓器在夏季連續運行,當其自身溫度超過65℃時,自動控制風扇電動機起動工作為電力變壓器進行降溫,避免電力變壓器過熱而燒壞。先應根據圖中的圖形符號搞清圖中使用了哪些元器件,具有觸點的繼電器和交流接觸器,還應仔細分清各自的觸點及其狀態(動合還是動斷)。
電力變壓器在夏季連續運行,當其自身溫度超過65℃時,自動控制風扇電動機起動工作為電力變壓器進行降溫,避免電力變壓器過熱而燒壞。先應根據圖中的圖形符號搞清圖中使用了哪些元器件,具有觸點的繼電器和交流接觸器,還應仔細分清各自的觸點及其狀態(動合還是動斷)。

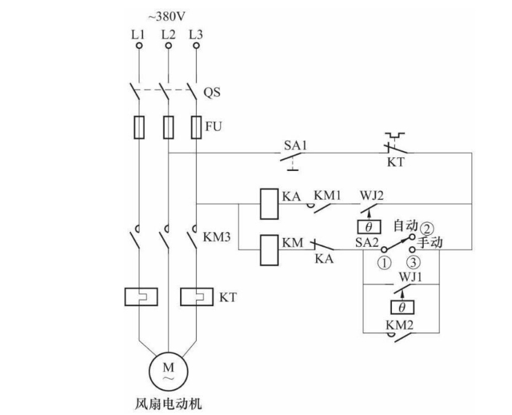
在圖中,SA1為起動開關。WJ1與WJ2為電接點溫度計,WJ1為電接點溫度計的上限觸點,WJ2為下限觸點。KA為繼電器線圈,其有一組動斷觸點。KM為交流接觸器線圈,其有多組動合觸點KM1、KM2、KM3。SA2為自動與手動轉換開關。KT為熱繼電器。
一、手動狀態
當功能開關SA2的①與③觸點間接通時,電路處于手動控制風扇電動機狀態。此時,按下SA1自鎖按鈕,就會使KM線圈得電吸合,其動合觸點KM2閉合自鎖,KM3動合觸點閉合,就會使風扇電動機的電工作,對電力變壓器進行冷卻。
二、自動狀態
當功能開關SA2的①與②觸點間接通時,電路處于自動控制風扇電動機狀態。
1.風扇起動
當變壓器運行,其溫度上升到上限值時,WJ1溫度計的上限觸點閉合,使KM交流接觸器線圈得電吸合,其KM1、KM2、KM3動合觸點均閉合,從而使風扇起動工作,為電力變壓器降溫。
2.風扇停止
當風扇起動工作為電力變壓器進行降溫,一旦變壓器的溫度下降到下限值時,WJ2下限觸點閉合,進而使KA線圈得電吸合,使其動斷觸點斷開,從而切斷了KM線圈的供電使其斷電釋放,其KM1~KM3觸點均斷開,從而使風扇電動機停止工作。一旦變壓器溫度又上升到上限值時,重復上述動作,電路周而復始地進行工作。
免責聲明:本文為轉載文章,轉載此文目的在于傳遞更多信息,版權歸原作者所有。本文所用視頻、圖片、文字如涉及作品版權問題,請聯系小編進行處理。
推薦閱讀:



