【導讀】本文所要設計的是基于無線傳感器網絡的LED光源路燈系統。這種遠程控制系統基于ZigBee技術,自動化程度高且高效節能,是城市照明的首選。無線控制技術能夠對LED路燈系統進行搞笑的控制和資源整合,節省照明用電量,延長燈具壽命,在一定程度上實現了高效節能低成本的優勢。
1. 系統方案與設計
系統由三大部分構成:控制中心的監控系統,負責實現終端控制節點和控制中心通信的路由節點,固定在路燈桿上的終端控制節點。無線路燈遠程控制系統結構如圖1.1所示。

圖1.1 無線路燈遠程控制系統結構
控制中心的監控系統由計算機與無線收發模塊構成,主要負責建立和管理路燈控制網絡,顯示路燈狀況信息和發送控制命令,協調整個路燈系統的運作。路燈終端節點包括LED電源驅動,為大功率LED提供電力,并能根據微控制器的控制信號控制LED的工作情況;光敏傳感器、溫度傳感器,直接將LED工作狀況傳輸給控制模塊;功率檢測模塊,檢測LED功率情況、供電故障并向上報警,無線模塊,負責傳輸數據。將本系統模型與無線傳感器網絡模型進行對應,不難發現,安置在路燈桿上的終端控制節點即為無線傳感器網絡中的終端節點(RFD),控制中心監控系統就是協調器(COORD),實現COORD與RFD之間無線通信的為路由轉發節點(ROUTER)。遠程網絡使用ZigBee與GRPS混合組成的網絡。子網和中央控制中心使用GPRS網絡來傳輸數據。下面具體介紹終端節點硬件電路設計方案。
1.1 LED節點驅動控制設計
LED節點驅動方案使用UCC28810EVM,它是一款恒流非隔離式電源,適用于街道、停車場或區域范圍照明等高亮度LED照明應用。該設計可將通用電源(90~265VRMS)轉換成0.9A恒流源,能夠驅動100W LED負載。UCC28810EVM電路如圖2.1所示。

圖2.1 UCC28810EVM電路圖
此電路使用雙級設計,第一級是UCC28810的轉換模式電路,將AC電源轉換成36V的DC電源。第二級也采用UCC28811的轉換模式,將恒壓源轉換為0.9A恒流源。電路中使用的UCC28810 和UCC28811芯片是通用照明電源控制器,具有PFC(功率因數校正)功能,確保設計方案滿足各種標準設定的諧波電流或功率因數要求。并且UCC28810/11控制器提供如電流峰值限制、復位定時器、過壓保護(OVP)和使能等特性,UCC28810/11控制器引腳如表2.1所示。

表2.1 UCC28810/11控制器引腳
第一級在低負荷狀態運行下,升壓跟隨器可跟蹤AC輸入的峰值電壓,實現更高效率。第二級將PFC輸出電壓轉換為0.9A的固定電流,以驅動LED負載。第二級不僅可接受 PWM調光輸入(從外部或從板級電路均可),而且還可相應開啟或關閉,從而實現LED電流的PWM調光。此方案的優勢在于,使用了高效的專用驅動IC,電源轉化效率更高了,在低負荷線路(low-line)運行狀態下,升壓跟隨器可跟蹤AC輸入的峰值電壓,在輸入電壓±15%的變動時,仍能保持輸出電流變動穩定在±10%內。
[page]
1.2 狀態檢測與報警
狀態報警與檢測主要包括溫度感測和感光檢測兩部分內容。
1.2.1 溫度感測
由于大功率白光LED照明和驅動器發熱量都很大,所以需要一個溫度感測傳感器,實時監控路燈的溫度,并向控制中心反映,如果溫度超過警戒溫度,控制器進入報警模式,將自動關閉路燈,并向控制器發送報警命令。溫度傳感器使用DS18B20。DS18B20是DALLAS生產的一款數字溫度傳感器。其特點有:獨特的一線接口,只需要一個端口即可通信。電路無需外部元件,可用數據總線供電,也可外接VCC。工作電壓范圍廣,為3.0V~5.5V,無需備用電源。測量溫度范圍為-55°C~+125℃,在-10°C~+85°C范圍內精度為±0.5°C。DS18B20具有工作電路簡單、測溫精度高、連接方便、占用口線少等優點。DS18B20應用范圍包括恒溫控制,工業系統,消費電子產品溫度計,或任何熱敏感系統。
1.2.2 感光檢測
系統終端節點使用光敏電阻傳感器測量周圍環境的光亮度,當傍晚時周圍環境還有余光時,將路燈開啟為單雙燈模式,當晚上天全黑了以后,將路燈全部打開,當凌晨4點左右出現晨光時將路燈調節成半功率工作模式。在陰天和沙塵暴天氣時,光敏傳感器堅持到道路能見度低,路燈也可自動打開,保證道路正常照明。本設計使用光敏三極管作為感光元件測量周圍環境的亮度,處理器實時將周圍環境的亮度通過無線模塊反饋給控制中心,由控制中心決定是否打開路燈。電路圖如圖2.2所示。

圖2.2 光敏三極管電路圖
1.3 無線模塊設計
無線通信模塊使用CC2480/ZigBee模塊,在單個芯片上集成了ZigBee射頻前端、模擬數字轉換器、定時器,支持2.4GHzIEEE802.15.4協議。CC2480/無線性能出色,功耗很低。CC2480電路圖如圖2.3所示。

圖2.3 CC2480/ZigBee模塊電路圖
在CC2480的內部整合了ZigBee射頻前端和內存,片內具有128 KB Flash、8 KB SRAM、2路12位的ADC、4個軟件計時器、復位電路、SPI和UART通信端口等硬件資源。CC2480采用CMOS工藝,工作電流僅為27 mA。當系統處于空閑時,CC2480能自動進入休眠狀態,并能實現休眠與主動模式的超短時間轉換,電路晶振XTAL1選用32MHz,晶振XTAL2選用32.768kHz。32.768kHz的晶振用于睡眠模式給期間提供時序,這樣降低電流、可以減少功耗。這樣特別適合對功耗和電池壽命要求嚴格的應用場合。CC2480采用7mm×7mm QLP封裝,共有48個引腳。可分為I/O端口線引腳、電源線引腳和控制線引腳3類。CC2480模塊可以直接與上位機之間通過串口通信,本系統選用異步串口模式。
[page]
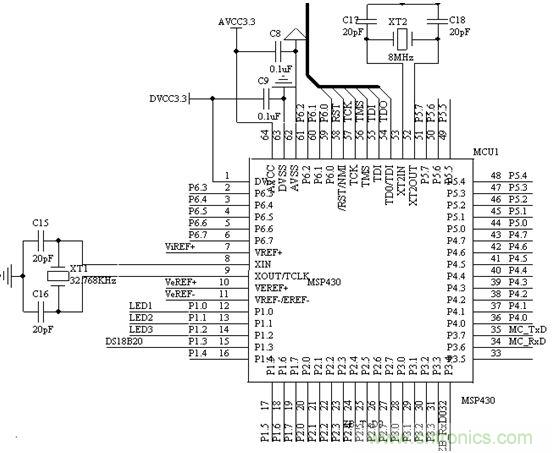
1.4 微控制器電路設計
MSP430是一類具有16位總線的帶FLASH的單片機,由于其性價比和集成度高,受到廣大技術開發人員的青睞.它采用16位的總線,外設和內存統一編址,尋址范圍可達64K,還可以外擴展存儲器.具有統一的中斷管理,微控制器具體連接電路圖如圖2.4所示。

圖2.4 控制模塊MSP430電路圖
MSP430具有豐富的片上外圍模塊,片內有精密硬件乘法器、兩個16位定時器、一個14路的12位的模數轉換器、一個看門狗、6路P口、兩路USART通信端口、一個比較器、一個DCO內部振蕩器和兩個外部時鐘,支持8MHz的時鐘。因為是FLASH型,則可以在線對單片機進行調試和下載,且JTAG口直接和FET(FLASH EMULATION TOOL)的相連,不須另外的仿真工具,方便實用,而且,可以在超低功耗模式下工作,對環境和人體的輻射小,測量結果為100mw左右的功耗(電流為14mA左右),可靠性能好,加強電干擾運行不受影響,適應工業級的運行環境。MSP430單片機的P3.4、P3.5端口設置成串口0(ΜSART0)的收發口與CC2480的異步串口相連,它們之間實現串口通信。單片機發送數據給CC2480,CC2480就可以無線發送出去,CC2480接收到無線數據也透明傳送給單片機。
2 軟件流程設計
在本系統中,ZigBee協議可以應用于所有的節點,因為ZigBee協議具有很多的實用函數,例如設備離開或者加入網絡,創建一個新的網絡,父節點和子結點的搜索,網絡信標幀的發送,數據包的發送和接受等等。系統工作的過程中,協調器主要進行無線傳感器網絡的創建和負責接收節點發送回來的路燈信息,依據路燈的狀況將控制信號發送給路燈節點。路由器節點處在監控狀態,負責獲取其他節點發送來的信息并判斷是不是需要進行轉發,與此同時把自身路燈的信息傳送給協調器;接受協調器的控制信號來控制路燈的工作狀態。終端節點功能是最簡單的,只需要負責隨時接收協調器發送的控制命令,并向上一級返回路燈當前的狀態。
系統投入運行時,首先對CC2480進行初始化,協調器運行初始化協議,同時打開中斷。此后軟件程序運行創建新網絡,一旦網絡能夠成功創建,就對相應的網絡協調器物理地址、當前建立網絡的ID號以及頻道號進行顯示。協調器軟件流程圖如圖3.1所示。對于路由器節點,首先對CC2480進行初始化,此后傳感器的電源接通,并且對協議棧進行初始化,同時發送信號以請求加入網絡,等待網絡協調器或前面的路由器節點進行響應,將網絡地址分配給自身。假如成功加入了網絡,通過串口擴展口能夠獲取網絡的網絡地址、路由節點自己的物理地址和接入網絡協調器或前面路由節點的物理地址等數據。路由器節點軟件流程圖如圖3.2所示。在終端節點上程序同樣首先對CC2480進行初始化,傳感器電源接通,此后初始化協議棧,與此同時發送信號請求加入網絡,并且等待前面的路由器節點進行響應,將網絡地址分配給自身。假如成功的加入了網絡,也能夠通過串口擴展口獲取所加入網絡的網絡地址、自己的物理地址和加入的路由節點的物理地址等所有數據信息。終端節點程序流程圖如圖3.3所示。

圖3.1 協調器程序流程圖

圖3.2 路由器流程圖


圖3.3 終端節點程序流程圖
3 路燈控制模式根據不同上位機的不同控制命令,路燈節點有如下幾種不同的控制模式。
3.1 單雙燈開啟模式
這個模式有兩種情況,編號是奇數的燈開啟或者編號是偶數的燈開啟。當路燈節點接收到單雙燈開啟命令以后,路燈會根據自身的ID編號,選擇開啟還是關閉。這種模式應用于傍晚能見度較高或者陰雨天或沙塵暴等惡劣天氣城市能見度不佳時。一般是單雙燈輪流開啟關閉,保證LED路燈工作時間大致相同以延長其壽命。
3.2 全功率開啟模式
當路燈節點接收到全功率開啟模式以后,路燈開始工作,并會以全功率打開,亮度最大。這種模式一般在晚上人車流量大時和節假日開啟。
3.3 半功率開啟模式
當路燈節點接收到全功率開啟模式以后,路燈開始工作,但不會以全功率模式工作,而是通過LED驅動 模塊的PWM調光機制,將LED的功率控制在額定值的一半,這樣起到了節約電力的作用。
3.4 隨機選擇關閉模式
這種模式也是為了節約電力和延長路燈壽命的方法。在人流不大的道路上發給路燈隨機關閉模式命令,路燈節點接收命令后,以一定概率(如20%)自行熄滅30分鐘,由于路燈是隨機熄滅的,不會影響到整體的照明情況。
3.5 功率異常報警模式
這種模式不是上位機發給的命令。當路燈節點檢測到功率故障的時候(如LED二極管短路、功率過小或過大),路燈將自行切斷照明電源,并向上位機報警
結語
本文主要分析了ZigBee協議組網技術,設計了一種無線路燈遠程控制系統,事實證明本系統該網絡經一次性布置之后,可以在長期可靠運行。路燈節點的數量、位置可隨時變更,使得調控路燈變得更加方便、科學。無線LED路燈遠程控制系統為解決諸多問題提供一個良好平臺。
相關閱讀:
LED路燈的高能效驅動電源方案的探究
中大功率LED路燈"足夠節能"的散熱設計方案
搞好LED路燈設計的十大“必備”知識


