中心議題:
- 電感升壓及降壓型方案
- 電荷泵型方案
- 線性驅動方案
- 相機閃光專用LED驅動器方案
- 多功能和RGB驅動器
解決方案:
- 安森美半導體提供采用PWM和/或單線式調光方式的不同產品
- 安森美半導體專利的四模(Quad-Mode®)自適應分數電荷泵
- 安森美半導體提供多款2至4通道單模線性背光LED驅動器
為低電壓便攜式設備背光或閃光應用選擇合適的發光二極管(LED)驅動器方案是設計人員面臨的一項挑戰,因為既要考慮延長電池使用時間,又要減小印制電路板(PCB)面積及高度。目前,小型液晶顯示器(LCD)面板及鍵盤背光以及指示器應用大多采用白光LED和RGB三色LED;手機和數碼相機中的閃光光源通常使用高亮度LED。因此,這些應用需要優化的驅動器解決方案,使用低電壓便攜式LED驅動器拓撲結構。
安森美半導體身為全球高能效電子產品的首要高性能硅方案供應商,提供涵蓋電感型、電荷泵型、線性等不同拓撲結構的低壓便攜設備背光或閃光方案。這些方案中,電感型方案可提供最佳的整體能效,電荷泵型方案使用低高度陶瓷電容作為能量轉移機制,占用的電路板面積和高度極小,線性驅動方案則是彩色指示器以及簡單背光應用的理想選擇。這些方案可用于滿足不同應用需求。
1)電感升壓及降壓型方案
在電感升壓型拓撲結構方面,安森美半導體提供采用PWM和/或單線式調光方式的不同產品,適合在低電壓便攜式設備背光和閃光應用中驅動白光LED。這些產品包括:輸出電流為20 mA的CAT37、CAT32、CAT4238、CAT4252、CAT4253、CAT4157、CAT4158和CAT4258,輸出電流為40 mA的CAT4137和NCP5005,輸出電流為50 mA的CAT4139,以及更大輸出電流的CAT4240(250 mA)、NCP1422(800 mA)和CAT4131(1.5 A/0.3 A)等。

圖1:電感升壓型方案示例
以NCP5005為例,它是一款緊湊型高效率背光LED升壓驅動器,提供高達22 V電壓,可為LCD背光控制、鍵盤背光等應用的2至5個串聯白光LED供電。其能效高達90%,關機電流1 μA,工作輸入電壓范圍為2.7 V至5.5 V。它內置短路和過壓保護及欠壓切斷功能。其電流可自動匹配LCD,所有引腳均為ESD保護,低EMI輻射。
而在電感降壓型拓撲結構方案,安森美半導體提供輸出電流高達1 A的NCP1529白光LED驅動器,應用于手電筒/閃光等應用。
2)電荷泵型方案
安森美半導體專利的四模(Quad-Mode®)自適應分數電荷泵的能效比市場上常規的三模電荷泵高出提供10%,并減小多達65%的封裝,將LED驅動器的性能提升到了新的水平。Quad-Mode LED驅動器通常可為基于電感的LED驅動器提供高能效,同時消除較厚的電感和有害的EMI干擾。
大多數電荷泵LED驅動器可提供對應于輸出電壓與輸入電壓比的三種操作模式:1倍、1.5倍和2倍;而四模架構增加了1.33倍的第四種操作模式,不需要額外的電容和電感。它比三模式電荷泵效率提高了10%以上。

圖2:電荷泵型方案示例
[page]
安森美半導體提供總輸出電流10 mA至192 mA的多種產品,涵蓋NCP1840、CAT3661、NCP5612、CAT3647、CAT3200、CAT3200H、CAT3606、CAT3616、CAT3626、CAT3636、CAT3637、CAT3649、CAT3604A、CAT3604V、CAT3614、CAT3644、CAT3648、NCP5623B/C和CAT3643等;還有更大輸出電流的產品NCP5603(200 mA DC,350 mA脈沖)、CAT3612(300 mA)和CAT3224(4閃光燈,400 mA電筒)等。

圖3:四模比三模效率提升10%以上
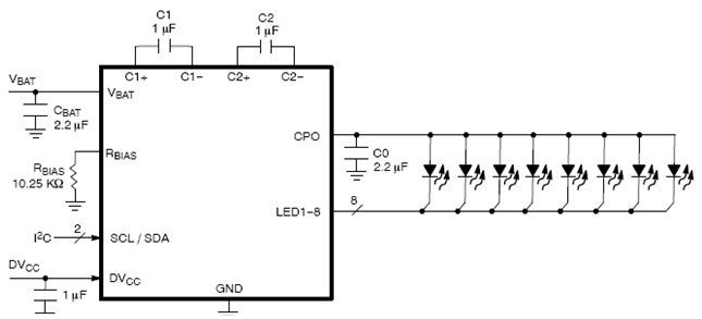
以多通道LED驅動器NCP1840為例,該器件能夠幫助用戶創建任何照明圖形,獨立驅動多達8顆LED。由于處理器不再需要直接控制各個獨立LED,采用NCP1840可簡化通常由其系統設計中處理器來完成的工作;通過統一控制各個LED亮度及閃爍率的串行接口寫入寄存器或讀取寄存器,能夠方便地進行電流及調光程度編程。LED亮度程度能以對數而非線性形式控制,從而使肉眼觀看也沒有亮度失真。NCP1840采用高能效、低噪聲四模電荷泵,能夠延長電池使用時間,非常適合便攜式應用。

圖4:NCP1840典型應用電路
3)線性驅動方案
安森美半導體還提供多款2至4通道單模線性背光LED驅動器,如CAT4002A、CAT4002B、CAT4003B、CAT4004A和CAT4004B等。這些背光驅動器通過1線EZDim接口提供32級調光控制,具有25 mA固定(B型)或可調(A型)輸出電流和低于1 μA的極低關斷電流,沒有開關電源噪聲問題。
這些單模LED驅動器通常作為系統級方式的一部分,用于設計集成低電壓LED和簡單LED驅動器的背光電路。這些采用薄型微型封裝的驅動器電路簡單,可延長電池使用時間、降低成本(如省去外部電容)及降低噪聲,為入門級便攜式產品,如手機、相機和攝像機、便攜式游戲及便攜式醫療設備市場提供了簡單的解決方案。

圖5:線性LED驅動器方案示例[page]

圖6:32級EZDim調光控制

圖7:CAT4003B線性背光驅動器應用電路
4)相機閃光專用LED驅動器方案
LED越來越多地應用于拍照手機、智能手機和氙氣燈泡替代,且光輸出能力不斷提供,從而滿足更高的性能需求。安森美半導體的CAT3612、CAT4131、CAT4134和CAT3224都是這類驅動方案。這些器件分別采用電荷泵、電感升壓拓撲結構,可以提供不同的閃光電流和亮度。

圖8:不同閃光電流和亮度的專用LED驅動器
以CAT4134為例,這是一款大功率電感升壓型雙通道驅動轉換器,提供2路匹配的LED電流。輸出電流級別通過2個電阻之一RSET或RFLASH來控制。當FLASH輸入引腳為低(電影模式),電阻RFLASH設置LED電流。每個通道驅動2或3個白色串聯LED,并提供1個可調節電流以控制其亮度。支持輸入電壓低至3V,使得器件適合于鋰離子電池的應用。
高頻低噪聲操作使該器件可與小型外部電感和陶瓷電容一起使用,同時提供極佳的能效。當器件不使用時,可通過關斷引腳將器件設置為“零”靜態模式。CAT4134除了具有軟啟動和電流限制功能,還具有熱關閉保護功能。過壓專用引腳(OVP)允許用戶限制最大LED供電電壓。

圖9:CAT4134專用LED驅動器典型應用電路圖
[page]
電荷泵型驅動器CAT3224也適合相機閃光應用,從而支持高百萬像素相機閃光,以及替代氙氣閃光,配合纖薄設計。CAT3224是業界首款4 A單芯片超級電容LED驅動器,集成了雙模1x/2x電荷泵,提供三項關鍵功能:精密的超級電容充電控制、電流放電至LED閃光的管理,以及為LED手電筒模式提供恒流。這三種模式的工作電流均可以3個外部電阻來簡易編程,提供達4 A的LED閃光脈沖電流。超級電容技術的高峰值電流優勢,結合CAT3224簡單的并行邏輯接口,使該器件非常適用于采用LED替代氙氣燈的應用。

圖10:CAT3224 LED驅動器應用電路圖
5)多功能和RGB驅動器
安森美半導體還提供各種多功能LED驅動器(如LV5219LG、LV5231CS、LV5207LP和LV5216CS)和RGB照明驅動器(如LV5213LP、LV5217LP、LV5223GR、LV5226CS和LV5230LG),前者具有LED電流可編程、主LED自動亮度控制、外部亮度控制等功能,適用于7至16個LED通道的閃光燈/手電筒、RGB照明、主液晶屏背光、輔助液晶屏背光等應用。后者主要用于支持彩色照明設計,實現便攜式設備豐富的照明色彩。
總結
作為應用于綠色電子產品的首要高性能、高能效硅方案供應商,安森美半導體利用其在低電壓和高壓技術以及在電源管理方案方面的專長,提供全面的LED驅動或控制解決方案,其中就包括應用于便攜式設備背光或閃光應用的豐富LED驅動器。這些方案在集成更多功能的同時,采用越來越小的封裝,實現越來越低的功耗,有助于工程團隊和原設備制造商(OEM)高性價比地利用LED照明來體現產品的與眾不同,并加快上市時間。


