中心議題:
- LED調光方法
- 采用電感的PWM 調節方法
解決方案:
- PWM調光驅動電路設計
- 電流與PWM 占空比的關系分析
- PWM 占空比調節方式分析
LED 是一種固態電光源,是一種半導體照明器件,其電學特性具有很強的離散性。它具有體積小、機械強度大、功耗低、壽命長,便于調節控制及無污染等特征,有極大發展前景的新型光源產品。LED 調光方法的實現分為兩種:模擬調光和數字調光,其中模擬調光是通過改變LED 回路中電流大小達到調光;數字調光又稱PWM 調光,通過PWM 波開啟和關閉LED 來改變正向電流的導通時間以達到亮度調節的效果。模擬調光通過改變LED 回路中的電流來調節LED 的亮度,缺點是在可調節的電流范圍內,可調檔位受到限制;PWM 波調光可通過改變高低電平的占空比來任意改變LED 的開啟時間,從而使亮度調節的檔位增多。本文擬用兩種方法共同作用,以達到調節LED 亮度的效果。
1 LED 調光方法
模擬調光是通過改變LED 回路中電流大小達到調光, 電源電壓不變, 通過改變R 的電阻值來改變回路中的電流, 從而達到改變LED 亮度的效果。很多其他模擬調光都是采用這種方法的延伸, 其優點是電流可連續, 但可調節電流的范圍往往受到硬件的限制, 調節檔位不多, 對于要求亮度感應敏感的高精度采光設備, 這種方法不理想。
數字調光又稱PWM 調光, 通過PWM 波開啟和關閉LED 來改變正向電流的導通時間, 以達到亮度調節的效果。該方法基于人眼對亮度閃爍不夠敏感的特性,使負載LED 時亮時暗。如果亮暗的頻率超過100 Hz , 人眼看到的就是平均亮度, 而不是LED 在閃爍。PWM 通過調節亮和暗的時間比例實現調節亮度, 在一個PWM 周期內, 因為人眼對大于100 Hz 內的光閃爍, 感知的亮度是一個累積過程, 即亮的時間在整個周期中所占得比例越大, 人眼感覺越亮。但是對于一些高頻采樣的設備, 如高頻采樣攝像頭, 采樣時有可能恰好采到LED 暗時的圖像。因此本文將模擬和數字相結合, 設計了LED 的驅動電路。
2 采用電感的PWM 調節方法
2.1 驅動電路
電路中, 當電感上通有電流時, 電感會產生磁場, 即部分電流轉換成磁能的方式“ 存儲” 在電感中; 當不再向電感上通電流時, 電感會將磁能通過電流的方式在回路中釋放出來。這也是電感上電流不能突變的原因, 基于電感的這種“ 充放電” 原理, 可以將它用來平均PWM 波調光中產生的不連續電流。式(1) 、式(2) 分別是LR 電路的充電和放電過程及電流與時間的關系。

其中,If是最終穩定電流,I0是放電初始電流,τ (τ=L/R,L 是電感值,R 是回路電阻) 是LR 電路的時間常數。
圖1 所示為驅動電路, 電感值的選擇以及PWM 波的頻率選擇在此驅動電路中相當重要。選擇C8051330 芯片作為PWM 波的輸出, 采用定時器翻轉控制高低電平的時間,從而控制PWM 波的占空比。

圖1 驅動電路
[page]
要保證PWM 周期小于電感的τ 時間, 因為若PWM 的周期大于τ, 則極有可能出現在PWM 的占空比變化的情況下, 電路中電流都能達到電感的飽和直流電流, 影響了對LED 電流調節。當C8051330 的時鐘頻率是25 MHz ,PWM 的周期的選擇對電流改變檔位的影響很大。若周期越大, 則PWM 占空比的檔位越多, 反之越少。擬用256 個檔位的占空比, 因此PWM 波的頻率應選擇在100kHz 以下,即周期在10 μs 以上,直流電感為10Ω, 此時電感值應選擇大于0.1 mH.圖2 分別是PWM 頻率為100kHz , 占空比為90%, 電感為0.1 mH、1 mH 和40 mH 時電路電流值的模擬結果。

(a)電感值為0.1mH 時電流隨時間關系 (b)電感值為1mH 時電流隨時間關系

(c)電感值為40mH 時電流隨時間關系 (d)圖c 曲線局部放大圖
圖2 不同電感值下電流隨時間的變化。
通過模擬可初步選擇40 mH 的電感作為驅動電路所用, 圖3 是用示波器采到的電壓波形圖, 此電壓是電路中串聯了一個20 Ω 的電阻上的電壓, 穩定后電壓為340 mV, 即電路中電流為17 mA.因為實際電路中電流有損耗, 所以實際電流值比模擬電流值偏小, 但整個電流的變化趨勢與模擬基本一致。

圖3 電感值40mH 電路中串聯電阻的電壓變化
[page]
2.2 電流與PWM 占空比的關系
圖4 所示為LED 驅動電路充電以及放電曲線圖,Imax是電路在直流情況下的最大電流。設在PWM 占空比為m 時電路中的電流值在充電曲線上的t1時刻的電流值附近波動, 此時應該滿足以下條件:t 點的充電曲線斜率為k1,a 點處放電曲線斜率為k2, 應有k1mT=|k2 |(1-m)T,驅動電路中的電流因此維持在一個恒定值附近微小波動。

圖4 RL 電路充放電曲線示意圖
分析可知, 當啟動驅動電路后, 經過若干個充放電周期電流達到一個相對穩定的值, 之后電流在這個穩定值附近波動。如圖5 所示, 對每個周期而言, 充電時電流曲線的斜率在不斷下降; 放電時電流曲線的斜率絕對值在不斷增加; 滿足圖4 的條件時, 電流相對穩定。從而得出在LR 電路時間常數τ 一定時, 電感電流隨PWM 占空比的關系為:

其中m 是PWM 占空比。
圖5 是電感電流隨PWM 占空比變化的實驗結果曲線, 該曲線是在電感值為40 mH 時, 電路中串聯了一個22 Ω 電阻的情況下測得的。分析理論公式和實驗結果,可發現在PWM 占空比為36%~86%區間, 電感上電流值隨PWM 波占空比線性變化, 變化趨勢與理論推導一致。
對于高占空比的區間段, 由于充電曲線斜率已經趨近不變, 此時電流值也趨于最大值, 而在低區間段, 由于充電時間較短, 電路中損耗較大, 電感上電流值也趨近于零。

圖5 電感電流隨PWM 占空比變化的實驗結果曲線
2.3 PWM 占空比調節方式
采用電腦通過RS-485 在線控制PWM 占空比的變化, 根據需要在256 個檔位中進行選擇, 每次用電腦向RS-485 發送兩個字節的十六進制命令, 從而改變C8051產生的占空比, 達到改變LED 亮度的目的。
[page]
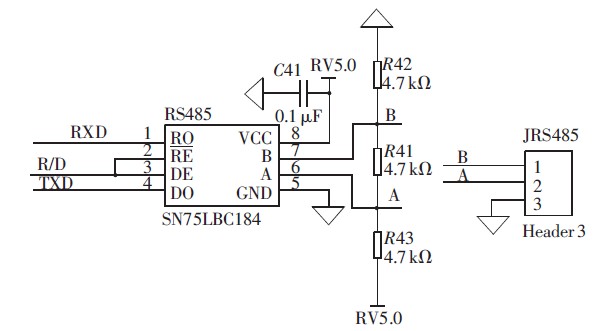
RS-485 接口電路的主要功能是: 將來自微處理器的發送信號TX 通過“ 發送器” 轉換成通信網絡中的差分信號, 也可以將通信網絡中的差分信號通過“ 接收器”轉換成被微處理器接收的RX 信號。任一時刻,RS-485收發器只能工作在“ 接收” 或“ 發送” 兩種模式之一。因此, 采用了圖6 所示電路, 由微處理器輸出的R/D 信號直接控制SN75LBC184 芯片的發送器/接收器使能:R/D信號為“1 ” , 則SN75LBC184 芯片的發送器有效, 接收器禁止, 此時微處理器可以向SN75LBC184 總線發送數據字節;R/D 信號為“0 ” 則SN75LBC184 芯片的發送器禁止, 接收器有效, 此時微處理器可以處理來自RS-485總線的數據字節。此電路中, 任意時刻SN75LBC184 芯片中的“接收器”和“發送器”只能夠有一個處于工作狀態。

圖6 RS-485 電路
3 總結
不論從模擬還是實驗角度來看, 在PWM 調光驅動電路中加入電感, 可成功將電路中大范圍變化的電流“ 平均” , 使其穩定在一個可通過理論計算得出的值附近。本文綜合了模擬調光和數字調光的共同優點, 且可以利用RS-485 , 通過PWM 波與驅動電路中LED 上電流的函數關系, 改變PWM 波的占空比, 即可讓LED 有著理想的電流值, 并用計算機實時、細致地改變LED 的亮度




