- 分析并提出恒流驅動電路的設計方式
- 分析LED顯示屏常規驅動電路的設計
- 發現常規型驅動電路存在的缺陷
- 提出LED顯示屏恒流驅動電路的設計方案
1、引言
LED顯示屏是80 年代后期在全球迅速發展起來的新型信息顯示媒體,它利用發光二極管構成的點陣模塊或像素單元,組成大面積顯示屏幕,以其可靠性高、使用壽命、環境適應能力強、性能價格比高、使用成本低等特點, 在信息顯示領域已經得到了非常廣泛的應用。
LED顯示屏主要包括發光二極管構成的陣列、驅動電路、控制系統及傳輸接口和相應的應用軟件等,其中驅動電路設計的好壞, 對LED 顯示屏的顯示效果、制作成本及系統的運行性能起著很重要的作用。所以,設計一種既能滿足控制驅動的要求, 同時使用器件少、成本低的控制驅動電路是很有必要的。本文就常規型驅動電路的設計作些分析并提出恒流驅動電路的設計方式。
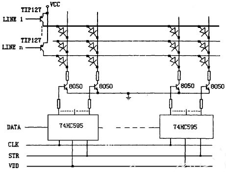
2 、LED顯示屏常規驅動電路的設計
LED 顯示屏驅動電路的設計,與所用控制系統相配合,通常分為動態掃描型驅動及靜態鎖存型驅動二大類。以下就動態掃描型驅動電路的設計為例為進行分析:
動態掃描型驅動方式是指顯示屏上的4行、8行、16行等n 行發光二極管共用一組列驅動寄存器, 通過行驅動管的分時工作,使得每行LED的點亮時間占總時間的1/n ,只要每行的刷新速率大于50Hz,利用人眼的視覺暫留效應,人們就可以看到一幅完整的文字或畫面。
常規型驅動電路的設計一般是用串入并出的通用集成電路芯片如74HC595或MC14094 等作為列數據鎖存,以8050 等小功率NPN 三極管為列驅動,而以達林頓三極管TIP127等作為行掃描管,其電路如圖1 所示。


圖2 工作時序圖
3、常規型驅動電路存在的缺陷
(1) 當某一行行驅動管有效時,該行所對應的所有LED發光二極管的點亮電流都將流過該行驅動掃描管,而一行中點亮LED管子的多少隨所要顯示的文字或圖形而不斷改變,所以行掃描管中流過的電流有較大的變化,將使其管壓降有所改變;
(2) 點亮LED管子的多少而引起電流的變化也將影響到電源電壓值的波動,由此將影響到第一行LED管子兩端的電壓,使其隨不同的顯示文字或圖形不斷波動,影響了整個顯示屏亮度的均勻性。
4 、LED顯示屏恒流驅動電路的設計

圖3
圖3 給出了發光二極管的相對亮度與其中流過的電流之間的關系,從曲線中可以看出: 在一定的正向電流工作范圍內,其發光亮度與其中流過的電流近似成正比,屬于電流驅動型器件。所以只要能保證每個L ED 發光管中流過的電流為一常數,就能保證其亮度一致。
而從常規型驅動電路的工作原理中可以看出,由于其行、列驅動管都工作在飽和狀態,無法控制其電流的大小,所以外加電源電壓的波動、行掃描驅動管管壓降的改變等,就直接影響L ED 發光管中流過的電流,也即改變了其顯示亮度。如果將列驅動管由飽和狀態改為線性放大狀態, 變成恒流型驅動,就可以消除由上述因素造成的顯示屏亮度不均允的現象。列恒流型驅動電路見圖4。
在電源電壓VDD 穩定時,74HC595 的高電平輸出電壓V 也很穩定,如電源電壓VDD為6V 時,V = 5.9V。所以當74HC595 的某一位輸出為高電平時, 其對應列的L ED 將被點亮,且其中流過的電流近似為:

[page]
用這種列恒流驅動方式工作,可以做到不管一行中LED管子點亮數的多少,其行驅動管的管壓降雖然仍有變化,電源電壓VCC也可以有所改變, 由于每個LED發光二極管中流過的電流恒定不變, 從而保證了LED 顯示屏亮度的均允性。

圖4 列恒流型驅動電路
總結
本文主要是對LED顯示屏恒流驅動電路的設計分析的技術文章,通過本文我們可以從中學到LED顯示屏常規驅動電路的設計,常規型驅動電路存在的缺陷以及LED顯示屏恒流驅動電路的設計等方面的技術知識。通過本文,廣大的電子工程師們一定能從中選擇合適的ED顯示屏恒流驅動電路的解決方案。


