- LED日光燈設計中的四大關鍵技術
- 采用非隔離的驅動方案
- 采用紅外線輻射散熱
- 采用PC阻燃塑膠管保證安全
電源
電源首要的要求是效率高,效率高的產品,發熱就低則穩定性就必然高。通常在電源部分有用隔離及非隔離兩種方案,隔離的體積偏大,效率較低,在使用中,安裝方面都會產生很多問題,不如非隔離產品的市場前景大,在此我們主要討論非隔離的驅動方案。
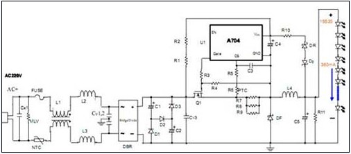
非隔離的使用的LED日光燈電源,以臺灣廣鵬科技公司的A704WFT為例,A704WFT的MOS管外掛,其基本線路如圖1所示:

基本線路圖
電源特性:
1、市電供電(85~265V),外置MOS,功率不受限制;
2、低功耗,效率高,功率因數高;
3、具負載開路和短路保護、輸出過壓保護功能,電流紋波特性好,輸出電流近似DC直流,無燈閃現象,負載能力高,能驅動高達600mA的電流;
4、客戶已做出15W的標準電路,效率88%,功率因數0.91,可以通過CE認證,包括EN55015的EMI測試,照明燈具25W以下C類諧波標準,EFT的1000V脈沖群測試,ESD的2000V靜電測試。15串應用可以輸出端低電壓控制,無需使用傳統大顆電容器,可很好控制電流的輸出諧波;
5、A704的LED日光應用方案比較成熟可靠,我們可提供LED日光燈可過EMC測試的PCB線路及BOM表參考,提高客戶設計開發產品的速度!
LED光源
采用臺灣琉明斯的專利結構的LED燈珠,其芯片放置于接腳上,熱能過銀腳直接將芯片節點所產生的熱帶出來,同傳統的直插產品,及傳統的貼片產品在散熱方面有質的不同,芯片的節點溫度不會產生累積,從而保證了光源燈珠的良好使用性,保證光源燈珠的長壽命,低光衰。
傳統貼片產品,雖能通過芯片的金線聯接正負極,同時也是讓芯片產生的熱能過金線連接至銀腳,熱與電的傳導均是由金錢傳導的,熱的積累時間長了會直接影響LED日光燈管的壽命。
傳統的貼片產品熱傳導路線及方式如下圖2:
[page]而琉明斯的LED傳導路線及方式如下圖3:

琉明斯的LED其專利的散熱結構能讓芯片節點產生的熱量迅速帶出,在芯片處不產生熱的累積,從而實現LED光源燈珠能長壽命使用。而且琉明斯公司在LED的壽命測試過程中,對于高低溫沖擊、過回流焊、高溫高濕的使用等各種復雜的應用環境都做了完整的實驗分析,確保正常使用的低光衰的長壽命!
散熱
將紅外線輻射散熱引入并應用于日光燈管,是提高燈管使用壽命的重要手段。在散熱考慮中,我們將LED光源燈珠的散熱及電源的散熱分開來,互不干擾,從而保證散熱的合理性。
熱傳導的途徑有三種,對流、傳導及輻射。在封閉的環境中,對流及傳導實現的可能較小,而通過輻射將熱散發出來,是日光燈管考慮的重點。以下是我們做的LED日光燈管的測試數據,在LED銀腳焊點外測出的溫度才58度。

測試報告結果
以上數據為輸入功率為:11.2瓦,光通量在:890LM時的測試報告。最高管內溫度為40.213度,這樣的溫度讓電源的電容器能長時間從容的工作,從而保證了電源的長壽命使用!
安全
安全,這里主要說PC阻燃塑膠管,因為紅外線散熱能穿透PC管,則我們設計考慮LED燈使用時,能更多的考慮其安全性,用全塑的物理絕緣方式,即使在使用非隔離的電源也能絕對的保證使用的安全性。
LED日光燈的發展已有相當長的時間了,從節能的效果來看,它的未來應用面是相當廣闊的,除了節能,其安全、長壽命的使用是我們更應該關注的!
安全!在LED日光燈的的設計中是第一要素,使用PC阻燃材料的日光燈,在解決了安全問題后,如何提高壽命,上面的各項目提出的解決之道希望給眾多LED日光燈管廠家提供更多的思考方式!



