【導讀】國內第一條安裝地鐵屏蔽門的是廣州地鐵二號線,隨后在國內10幾個一線城市得到普及,國內多家屏蔽門生產企業也逐漸打破了其核心技術被國外幾家企業壟斷的局面,我國自主開創的現行的軌道交通安全門系統驅動電機控制方案領先于世界。
地鐵屏蔽門是安裝于地鐵站臺靠軌道側邊沿,把站臺區域與軌道區域相互隔離開的設備。設置屏蔽門的主要目的是防止人員跌落軌道產生意外事故,降低車站空調通風系統的運行能耗,同時減少列車運行噪聲和活塞風對車站的影響,為乘客提供一個安全、舒適的候車環境,提高地鐵的服務水平。

我國自2002年廣州地鐵2號線引進屏蔽門系統以來,地鐵屏蔽門(安全門)系統在全國各地10幾個城市新建線路上得到了廣泛應用,它的投入使用極大的改善了地鐵車站的舒適性,加強了乘客和地鐵相關設備的安全性,提升了地鐵運營的服務質量,使地鐵站臺屏蔽門安全門專業逐漸成為地鐵建設的標準配置。站臺安全門的在國內地鐵10年的應用歷程也逐步經歷了國外引進、局部仿制、全套國產化的曲折經歷,其中門機系統的國產化是其中至關重要的環節,其國產化選型的合理性和科學性,直接影響安全門的使用效果和經濟成本,本文從理論角度,通過推導計算對國產化電機方案進行了比選和選型關鍵數據分析和計算。
1. 地鐵安全門的運動特性
地鐵安全門系統門主要由門體(框架結構)、門機系統(傳動件及電機)、門控制系統(DCU及PEDC)組成。其中門機系統承擔著安全門系統的主要運動功能,是安全門可靠、穩定運行的主要保障,門機中驅動電機的國產化選型和參數計算在安全門系統方案中舉足輕重,合理的選型及參數計算是整個系統設計的基礎,現本文從運動學和電機學方面淺析一下驅動電機方案比選及參數計算:
2. 地鐵站臺安全門運動模型
地鐵站臺安全門主要工作原理為驅動電機M通過減速器(減速比為1:10),帶動正時皮帶主動輪A(直徑為50.93mm),主動輪轉動通過皮帶帶動左右兩扇滑動門(ASD-L,ASD-R),在行程為1900mm的范圍內進行往復開關門運動。

[page]
3. 電機種類選型:
根據地鐵安全門的運動特點,宜選用調速性能較好、安全、易于維護的電機。目前可用于自動門控制的電機基本為以下三種:
l 直流無刷電機:BLDC;
l 永磁同步電機:PMSM;
l 三相異步電機:ACIM(有時也稱為感應電機)。
3.1. 直流無刷電機控制系統
在一般直流電機中有,定子勵磁繞組,轉子繞組。通過換向器和電刷將轉子中的電流反向來產生旋轉運動。這種電機因為有電刷,在運行中會出現磨損,目前不 建議使用。為了克服這種機械磨損,與之相反,在BLDC電機中繞組在定子上而轉子是永磁體,這就是為什么選擇BLDC。這種電機的優點是:
l 消除了機械換向器和碳刷,這將極大增強機械的可靠性。
l 直流有刷電機的換向哭和碳刷會導致火花,因此這些部件的消除意味著BLDC電機可以惡劣的環境中。
l 由于BLDC電機繞組鈾耗I2R發生在定子中。因此可方便通過電機外殼進行散熱。
BLDC電機的定子繞組采用整距集中繞組。繞組的相數有二、三、四、五相,但應用最多的是三相或四相。考慮到成本,一般采用三相即可。
l 繞組利用率:不像普通直流電機那樣,BLDC的繞組是斷續通電的。適當地提高繞組通電利用率將可以是同時通電導體數增加,使電阻下降,提高效率。從這個角度來看,三相比四相好,四相比五相好。
l 轉矩的波動:BLDC電機的輸出轉矩波動比普通直流電機大,因此希望盡量減少轉矩波動。一般相數越多,轉矩的波動越小。
l 電路成本:相數越多,驅動電路所使用的開關管越多,成本越高。而且電機結構也越復雜。
對電機控制系統的拓撲結構一般也有以下幾種:
l 無速度傳感哭的控制系統,一般有電流傳感器;
l 有速度傳感器的控制系統,一般無電流傳感器;
l 有速度傳感器的控制系統,一般有電流傳感器。根據我們建議采用雙傳感器的電機控制系統。這樣即可以進行位置控制,也能進行轉矩控制。
l BLDC電機的缺點是:轉矩的波動大,噪聲大,控制精度低,過載成能差。
l BLDC電機的優點是:價格便宜,控制算法簡單并容易實現。
3.2. 永磁同步電機控制系統
由于具有體積小、控制方便和高效率的特點,許多工業應用都采用BLDC電機。BLDC愈來愈多地出現在汽車應用領域。但在高性能應用中,如機床設備和低噪聲風機應用中,平衡的轉矩輸出是至關重要的。
BLDC難以應用在需要低轉矩脈動和低噪聲運行的場合。BLDC電機中繞組的梯形分布將在電機運行過程中導致轉矩脈動,這是由于產生的電流也是梯形分 布的。這種轉矩肪動將導致小的轉速振蕩而產生音頻噪聲。另一方面,弦反電動勢的BLDC電機,也稱作永磁同步電機(PMSM),采用正弦電流進行驅動,在 減小了轉矩脈動,從而將音頻噪聲降低到最小限度。
l PMSM電機的優點是:體積小、控制精度高。
l PMSM電機的缺點是:容易退磁,電機造價高。
3.3. 三相異步電機(ACIM)控制系統
l ACIM電機的優點是:可靠性高,免維護,電機造價低;
l ACIM電機的缺點是:體積大,控制算法復雜并不容易實現。
3.4. BLDC電機控制方法
根據前三點分析,結合地鐵屏蔽門運動需求,控制精度,選用BLDC電機可獲得最優性價比。
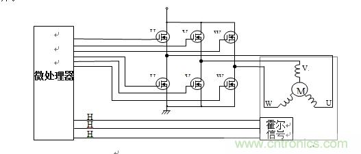
BLDC電機的工作模式由DCU輸出的PWM信號進行控制。安全門的運動是由門控單元DCU控制的。電機正反向的控制由六個MOSFET組成的電路控制,滑動門運行各階段所需的速度和力矩由DCU輸出的PWM信號控制。電機驅動原理圖如下所示:

圖2:電機驅動原理圖


圖3:時序圖
PWM信號按照下圖所示時序控制U+,V+,W+,U-,V-,W-這六個MOSFET管的導通和截止,可在轉子運動空間內產生一個正向旋轉的磁場,轉 子跟隨旋轉磁場運動,實現電機的正轉,時序脈沖的轉換間隔越短,電機轉速越快。同理,使旋轉磁場反向運動,即可實現電機的反轉。

圖4 :速度控制方框圖
開門過程:
列車到達車站,DCU接到開門命令,輸出預設PWM信號,同時不斷獲取電機編碼器的霍爾效應信號,得到門位置和門速信息,再將所測門速信息與該門位置 的預設速度進行比較,用比較結果調節PWM信號參數,改變PWM輸出的脈沖寬度,相應的電機轉速和力矩不斷變化,使滑動門按照預設的開門曲線依次實現加速 運行階段、勻速運行階段、減速運行階段、緩慢接近開門限位,最終,滑動門停止在全開限位位置。
開門速度曲線:

t2:達到高速勻速運動
t3:開門接近限位減速過程
t4:緩慢運動達到限位
關門過程:
關門過程電機轉動方向和開門過程電機轉動方向相反,在勻速減速后多了一個低速運行段,經歷加速運行階段、勻速運行階段、減速運行階段、低速運行階段,各階段運行均由DCU輸出的PWM信號控制。各階段的運行參數可根據實際情況靈活設置。
關門速度曲線:

t1:關門加速過程
t2:達到高速勻速運動
t3:由高速至慢速關門減速過程
t4:慢速關門至門關閉限位
[page]
4. 電機參數的選型計算
電機在選型時需要根據電機安裝空間、額定電壓、額定功率、環境要求(溫度、濕度、振動、散熱能力、有無軸向和徑向負載、工作類型(連續,間歇,或者周期性運行)等指標進行初步選型。
考慮根據提高運營效率,滑動門開關門過程中需要在很短的時間內加速到高速運行階段。因此應確保電機可提供足夠的加速力矩,選定電機的最大輸出扭矩應大 于滑動門的加速時所需的最大力矩。為使滑動門可在固定的時間內完成開關門動作,滑動門的最高運行速度也是一個重要的因素,因此還需注意電機所能輸出的最高 轉速。針對相應的門體自重和摩擦阻力進行功率、轉矩和轉速的計算,再根據電機的參數中的電流—轉速—轉矩曲線,選定合適的電機。
選定的BLDC電機的T-N-I曲線如下:

在電機選型計算重點是電機的帶載能力計算,主要是電機的扭矩計算和轉速計算。
在配置一臺合適的電機時,確定所需轉矩對于防止電機過載運轉時出現熱過載至關重要
以下根據地鐵安全門電機拖動模型著重計算一下電機的功率和扭矩。
滑動門運動曲線特性計算電機等效功率如下:
1)已知條件
a) 門重量
重量: M=75kg/leaf
b) 機械條件
導靴阻力:10.6N/leaf
開門阻力(不用馬達和傳送帶): 30N/leaf
正時滑輪A直徑: D=50.93mm
門機最大輸出效率(DCM):=0.95
滑輪和同步傳送帶傳輸效率:=0.9
其他條件:開關頻率:每3分鐘開關一次
另外根據中華人民共和國城鎮建設行業標準CJ/T 236-2006 城市軌道交通站臺屏蔽門標準,及相關地鐵運營方要求,以北京地鐵目前投入使用的地鐵目前使用的B型車為例(車門寬度1300mm):
(1) 滑動門開門行程時間:2.5±0.1s~3.5±0.1s范圍內無級可調
(2) 滑動門關門行程時間:3.0±0.1s~4.0±0.1s范圍內無級可調
(3) 滑動門運動的動能:關門過程中,在最后100mm的行程中動能不應超過1J/扇門。
(4) 在行程中的最大動能不能超過10J/扇門
(5) 停車精度±300mm.
還可知如下限定條件:
電機最大速度 Vh=0.45米
門開度:1300mm+600mm=1.9m
電機沖程: L=1.9/2=0.95m
最小開門/關門時間: 2.5 秒/3.秒
末端速度V
關門速度曲線參數

[page]
5. 控制系統方案
5.1. 需求分析
表 1:某電機參數表


其中:
P=額定功率,單位W
T=額定轉矩,單位Nm
n=額定轉速,單位rpm
表2:速度曲線

根據機械條件:
l 導槽阻力:10.6N/leaf
l 開門阻力:30N/leaf''''''''
從而得知:門體阻力:R=(10.6+30)×2=81.2N
5.2. 計算過程
滑動門加速所需要的力Fa為:
∵Fa-R=ma(m=門體質量,M=75kg/leaf;a=開門加速度,在表2為查得Aa=1.5m/s2)

∴ 其中:效率η=門機最大輸出效率(DCM)×滑輪和同步傳送帶傳輸效率=0.95×0.9=0.855
滑動門加速所需要的電機轉矩Ta為:

Ta=Fa×r=358.128(N)×0.0255(m)=9.132NM(滿足最大轉矩Tmax=13.23Nm)
滑動門高速時所需要的電機轉矩Th為:
Th=Fa×r=358.128(N)×0.025(m)=2.07NM
若考慮到效率,則Th÷η=2.07÷0.855=2.42NM
可滿足額定轉矩To=2.55(Nm)

其中:
W=重量,單位:kg
ν=速度,單位:m/s
ω=動量,單位:J

P=功率,單位:W
T=時間,單位:s
線速Vh=0.45m/s,則轉速為:

6. 結論
根據地鐵屏蔽門運動需求,控制精度,綜合以上條件得出結論,選用額定功率90W左右BLDC電機即可獲得最優性價比。





