【導讀】工科學生如果告訴別人 你連繼電器都不知道,那就去撞墻吧!說出來都丟人。為了讓你找回面子,這里小啰嗦的講解下繼電器驅動電路的原理以及在使用和設計中的注意事項。
繼電器驅動電流一般需要20-40mA或更大,線圈電阻100-200歐姆,因此要加驅動電路。
1. 晶體管驅動繼電器
必須將晶體管的發射極接地,具體電路如下:

NPN晶體管驅動時:當晶體管T1基極被輸入高電平時,晶體管飽和導通,集電極變為低電平,因此繼電器線圈通電,觸點RL1吸合。
當晶體管T1基極被輸入低電平時,晶體管截止,繼電器線圈斷電,觸點RL1斷開。
PNP晶體管驅動電路目前沒有采用,因此在這里不作介紹。
1.1電路中各元器件的作用:
晶體管T1可視為控制開關,一般選取VCBO≈VCEO≥24V,放大倍數β一般選擇在120~240之間。。電阻R1主要起限流作用,降低晶體管T1功耗,阻值為2 KΩ。電阻R2使晶體管T1可靠截止,阻值為5.1KΩ。二極管D1反向續流,抑制浪涌,一般選1N4148即可。
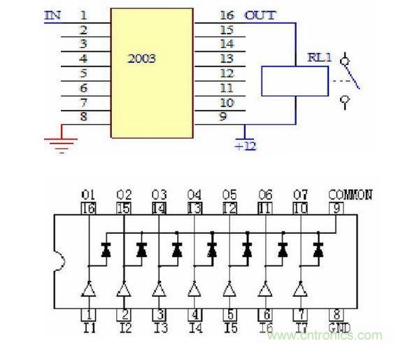
2 集成電路2003驅動繼電器
左圖1~7是信號輸入(IN),10~16是輸出信號(OUT),8和9是集成電路電源。右圖是集成塊內部原理圖。

2.1 工作原理簡介
根據集成電路驅動器2003的輸入輸出特性,有人把它簡稱叫“驅動器”“反向器”“放大器”等,現在常用型號為:TD62003AP。當2003輸入端為高電平時,對應的輸出口輸出低電平,繼電器線圈通電,繼電器觸點吸合;當2003輸入端為低電平時,繼電器線圈斷電,繼電器觸點斷開;在2003內部已集成起反向續流作用的二極管,因此可直接用它驅動繼電器。
2.2 檢修
判斷2003好壞的方法非常簡單,用萬用表直流檔分別測量其輸入和輸出端電壓,如果輸入端1~7是低電平(0V),輸出端10~16必然是高電平(12V);反之,如果輸入端1~7是高電平(5V),輸出端10~16必然是低電平(0V);否則,驅動器已壞。
測試條件:
1.待機;2.開機。
測試方法:
將萬用表調至20V直流檔,負表筆接電控板地線(7812穩壓塊散熱片),正表筆分別輕觸2003各腳。





