- 通過正確的步驟來實現精密的測量
- 考慮分流電阻的熱特性
- 學習并利用開爾文傳感電阻
- 學習并利用低端傳感和高端傳感
各種用于提供控制或安全功能的設備常常需要使用電流測量裝置。通過電路進行電流測量的最常用方法是測量一個低值電阻兩端的電壓降(圖1)。流過負載的電流也流過傳感電阻(也稱為分流電阻)R SENSE ,并在該電阻兩端產生電壓降VM。
圖1給出了兩種電流測量方法的測量原理。傳統的電流測量方法是使用誕生于電子學早期的安培表,這種方法目前仍在使用。安培表通常在流過它的電流為100 μA 或1 μA時指示滿量程,所以在測量較大的電流時需把它與分流電阻(分去大部分電流)并聯。這種方式可以調整安培表的量程進而用它測量任何幅度的電流。
一種更為現代的電流測量方法使用運算放大器對傳感電阻兩端的電壓降進行放大,并且放大器輸出通常連接到模數轉換器(ADC)。在設計這種測量裝置時,首先需要選擇傳感電阻的值并設定放大器的增益。
例如,假設流過負載的電流在0~10A之間變化,ADC的最大輸入信號為5V。由于電流相對較大,需要使用阻值非常小的分流電阻。為簡化計算,這里選定阻值為0.025 Ω。在電流達到最大值10A時,分流電阻兩端的電壓VM為10 x 0.025 = 250mV。分流電阻的物理尺寸由功耗(Pd = I2R)決定。基于上述值有,Pd = 102 x 0.025 =2.5W。為降低分流電阻上的發熱量,應使用額定功率為5W或更大的電阻。

圖1:通過電路進行電流測量的最常用方法是測量一個低值電阻兩端的電壓降。
要滿足ADC的輸入要求,放大器需要提供的增益為:

[page]

圖2:開爾文連接是一種帶有兩條激勵引線和兩條傳感引線的4線連接。
上面給出的例子提出了幾個需要進一步考慮的問題。由于功耗或環境溫度變化,分流電阻會發熱,并改變分流電阻的阻值,從而影響測量的精度。電阻中所使用的金屬決定電阻的溫度系數(見表1)。

表1:電阻中所使用的金屬決定電阻的溫度系數。
開爾文傳感電阻
需要關注的第二個方面是分流電阻和放大器輸入之間的連接。在前面給出的例子中,普通的5W電阻使用20號(gauge)銅引線。如果把電阻兩端的引線都修剪到0.5英寸長并焊接到合適的位置,由于20號銅線的電阻約為0.001 Ω/英寸,引線將帶來4% 的相對誤差(相對于0.025Ω的電阻標稱值)。
[page]
為避免引入這樣的誤差,需要進一步增加兩個措施:采用開爾文連接方式與分流電阻相連并加入一個差分輸入放大器。開爾文連接是一種帶有兩條激勵引線和兩條傳感引線的4線連接(圖2)。其中兩條線(W1和W2)是激勵引線,它們將分流電阻連接到該電路的大電流端。另外兩條線(W3和W4)為傳感引線,它們將分流電阻兩端的電壓連接到放大器。這個方式將攜帶負載電流的導線與測量電路分離開來,并把W1和W2中的電壓降從分流電阻兩端的電壓測量中清除。為了進一步有效利用開爾文連接的優點,還需加入一個差分放大器(如圖3)。

圖3::為了進一步有效利用開爾文連接的優點,還需加入一個差分放大器。
低端傳感和高端傳感
把傳感電阻放在負載和地之間的測量方式稱為低端傳感(low-side sensing)。當輸入電壓為正并接近地時可采用低端傳感。但當使用運放且不滿足這些條件時,就存在一些問題。低端電流測量可能產生超出運放負共模電壓極限的問題。
由于運放的設計問題,只有在輸入共模電壓在正負電源電壓之間的某個范圍內的情況下運放才能正常工作。在單5V電源下工作的軌至軌輸入型運放的共模輸入電壓指標可能為0到+5V。

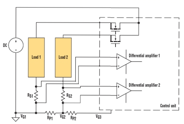
圖4:分布負載系統。
由于低端測量例子可能產生共模問題,這里考慮圖4所示的分布負載系統。虛線框中的控制單元使用MOSFET來控制輸送到兩個負載的功率。電源、負載和控制單元之間的寄生電阻RP1和RP2代表接地引線電阻和連接器電阻之和。在實際電路中,它們的數值可能為幾百毫歐。對于這個例子,假設RP1和RP2為0.2 Ω。差分放大器1和2與圖3中的差分放大器類似。
[page]
與圖1中一樣,流過每個負載的電流均為10A,分流電阻RS1和RS2均為0.025 Ω。流過控制單元的電流為1A。當負載2運行時,在點VG2點的電壓比VG1點的電壓高2V (0.2 Ωx10 A = 2 V),VG3比VG2高0.2V。因而,相對于在該控制單元的共同連接點,差動放大器1的輸入電壓為-2.2V,高于大多數放大器的負共模電壓極限。除非該差分放大器所使用的放大器針對負共模電壓而進行了特殊的設計,否則,該放大器在這個電路中將無法正常工作。對于本例而言,低端傳感還有一個缺點是需要用導線將分流電阻和差動放大器輸入連接起來。
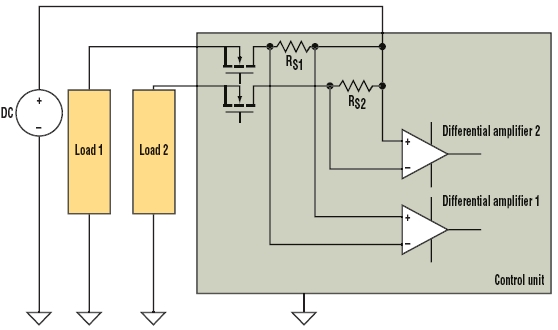
高端電流傳感可以解決所有這些電流測量問題(圖5)。分流電阻放在電源的供電端而不是接地端。這種配置允許將分流電阻安裝在包含差分放大器和MOSFET的控制單元中。與控制模塊之間的導線連接也得到簡化。

圖5:高端電流傳感可以解決所有這些電流測量問題。
在這個例子中,差分放大器必須有能力處理與電源電壓相等的輸入共模電壓。解決這個問題的一種方式是在電源下運行該差分放大器并選用輸入共模電壓指標大于正電源電壓的放大器。另一種方式是使用針對高輸入共模電壓而專門設計的放大器。這種方式的優點是當輸入被連接到更高的正電壓時,放大器可以在與其它控制電路相同的電源電壓下運行。
總結
總的來說,在測量電路中的電流時,要求放大器的輸入共模電壓指標超過放大器的正負電源電壓,同時須保證輸入偏置電壓低并且增益精度高。



