- 小電流可控硅固體開關的研制
- 串聯開關的驅動(控制)電路
- 變壓器設計
由于固體開關在加速器、雷達發射機、高功率微波、污染控制、醫用等軍民用領域具有較明顯的潛在優勢,美、英、日等國均對固體開關技術進行了大量研究。根據應用要求的不同,固體開關中單元功率器件也不盡相同。若要求固體開關具有很快的開關速度和高重復頻率,單元器件一般采用功率場效應管(PowerM0SFET)或絕緣柵雙極型晶體管(IGBT)。對單個脈沖放電或低頻充放電時所用的開關,用可控硅串聯即可實現。
可控硅是以“小控制大”的功率開關器件,用一個小的控制電流控制門極完成電路中電流控制作用,具有體積小、重量輕、低功耗、長壽命等優點。為了降低串聯的可控硅數量,應盡可能地選取耐壓較高的可控硅,同時綜合考慮價格因素。我們選取了意法半導體(ST)的可控硅TYNl225,單管耐壓可達l200V,且價格便宜。
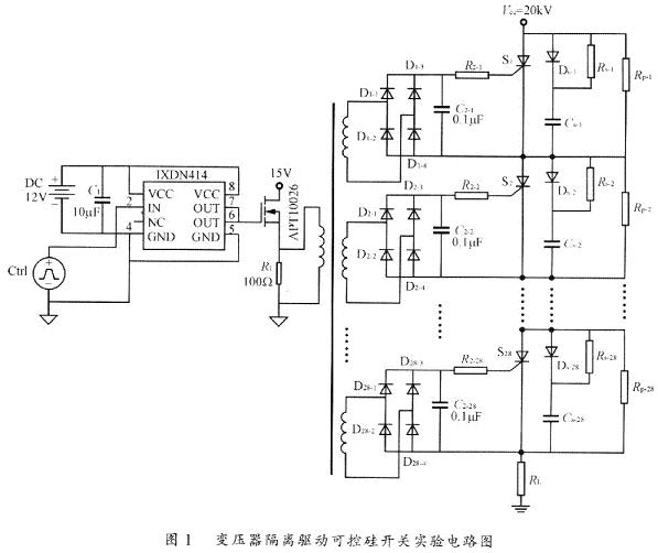
本文通過脈沖變壓器隔離控制28個串聯可控硅(TYNl225),得到了20kV小電流開關,對固體開關的串聯技術進行了試驗研究,并討論了串聯電路所涉及到的觸發信號的高壓隔離技術、驅動信號同步技術以及功率器件的動態靜態均壓技術。實驗電路如圖1所示。

1串聯開關的驅動(控制)電路
為保證同步觸發,系統中所有開關的觸發信號必須來自同一個信號源。手冊給出使TYNl225導通的門極閾值電壓Vgt低于1.5V,閾值電流Igt低于40mA。它可直接用變壓器觸發,不需額外的驅動電路。當撤掉晶閘管門極觸發信號后,要使它保持導通,流經它的電流必須大于某個值,這個值就是它的維持電流。在本實驗中晶閘管導通時,電流最高僅為1mA,低于TYN1225的維持電流(幾十個mA),因此采取的方式是觸發信號到來之后始終加一直流電壓在它的門極來驅動保持其導通。
[page]
本實驗的控制信號由信號發生器提供,信號發生器輸出50kHz的方波,經過功率MOSFET/IGBT驅動芯片IXDN414得到同頻率的驅動信號來驅動MOSFETAPT10026,隨著APTl0026的通斷,變壓器的初級上產生近似方波的信號,由于變壓器各個次級繞組完全一致,所以,在次級得到一致的多個信號來控制串聯的可控硅同步導通。
IXDN414是lXYS公司出品的高速MOSFET/IGBT門極驅動器,它的輸入兼容TTL與CMOS信號。本設計中通過凋節信號發生器的輸出方波的幅度來控制IXDN414的輸出。當信號發生器輸出的方波幅值存IXDN414輸入端的低電平范圍內時,IXDN414的輸出始終為低電平;調節信號發生器,使輸出幅值進入IXDN414輸入端的高電平范圍,IXDN414便輸出50kHz的方波信號,此信號驅動APT10026,變壓器的初級上便有了圖2所示的驅動信號。

2變壓器設計
在脈沖變壓器隔離控制的可控硅固體開關中,變壓器的設計非常重要,要求次級信號嚴格一致。當變壓器初級有了圖2所示的方波信號時,由于變壓器的漏感漏電容的存在,次級繞組的電壓波形如圖3所示,它與圖2有稍許差異。當它經橋堆整流時,在每個橋臂上均會產生一定壓降,經過晶閘管門極限流電阻后,可控硅門極的電壓不到1V(對陰極),實驗證明這個電壓能很好地促使可控硅保持導通。

為了保證驅動信號的一致性,應盡量減少各種分布參數的影響。選取合適的磁芯,減少變壓器繞組匝數是一種方法。選取μr較大的磁芯,這樣單匝線圈的電感量比較大,就可以減少繞組匝數。我們設汁的變壓器處、次級匝數比為4:1,初級有4匝,因而次級只用了l匝。實驗證明這樣非常好地保證了次級繞組的一致性,同時由于線圈的減少也有效地控制了變壓器的體積。變壓器的初級電感量必須足夠大,如果感抗太小,遠低于負載等效阻抗,可以看作近似短路,將會燒毀前面的APT10026。實際制作的變壓器初級電感Lp在50kHz時大約為600μH。不考慮漏感等影響因素,感抗ωLp=2π50k600μH=60πΩ。
當可控硅導通不一致時,會出現一種情況:高壓源直接加于變壓器的兩組次級繞組上。這就要求變壓器初級和次級間、各次級相互之間均能夠承受足夠高的電壓。本文將變壓器任意兩個次級繞組間耐壓設汁為21kV,可以承受電源最大電壓,這就保證了變壓器不會被擊穿。






