產品特性:
- 精度高,低功耗
應用范圍:
- 高性能太陽能自動上位人體秤、電子血壓計
隨著地球資源日趨減少,人們越來越需要通過信息尋找節約資源的方法和途徑,以至于許多經濟學家和科學家將信息視為新概念能源。在眾多信息中,有一類信息是取自于自然的,即模擬量,如重量、壓力、溫度......為了使這些信息自動進入信息系統,必須使用各種各樣的傳感器將這些模擬量轉換成電壓,然后通過電壓轉換單元(即模數轉換器,ADC)和微數據處理單元實現信息的轉換和傳輸,傳感器、電壓轉換單元、微數據處理單元就像信息系統的“觸角”,這個觸角越發達,系統的效率就越高。
在上述信息系統的“觸角”中,電壓轉換單元的技術性能決定了整個觸角的性能,成為信息傳遞的瓶頸,實現電壓轉換的技術方案很多,其中一種工作原理稱為Σ-Δ方式的電壓轉換器件。與同等精度的其他方式相比,其集成度高、功耗低、體積小,近年來品種越來越多,應用領域越來越廣泛,已經成為中、低速電壓轉換器件的主流方式。本文將分析此類ADC轉換技術發展趨勢,并以芯海科技集成高精度ADC和MCU的SoC產品探討創新產品架構設計思路和技術。
把握技術發展趨勢
Σ-ΔADC成為高精度模數轉換器產品設計的主流技術,通過多年發展,目前基本上出現以下的產品發展趨勢:
高增益、高精度型:為了滿足計量器具,如電壓表、衡器等的要求,該型轉換器件的分辨力達24位,可編程放大器的增益達128倍,增益溫度漂移系數不到1ppm/℃,通過減小噪聲的措施使得低數據輸出速率下(3.75—10Hz)的噪聲峰峰值僅55nVp-p,有效位數達到20位以上。其性能可以與各種積分方式(如雙積分、多積分、電荷平衡)電路相媲美,而體積更小、成本更低,適合更廣泛的應用。
高速型:應用于動態測量場合需要有高的輸出速率,高速Σ-Δ器件在分辨力為24位,可編程放大器的增益達128倍時,4.8KHz數據輸出速率下的噪聲峰峰值僅2μV,有效位數已能達到15位。在這個速率下,已不適合積分式轉換電路工作,而與傳統的逐次比較方式相比,結構工藝簡單、成本低是Σ-Δ器件的優勢。
片上系統型:在實際應用中,電壓轉換技術與數據處理技術總是緊密結合的,在一個芯片上將兩者同時制出,形成所謂“片上系統(或單片系統,簡記為SoC)”,簡化了信息觸角電路的結構,減小了其體積,降低了成本,使得大量增加信息系統觸角的技術方案有了現實的技術基礎。尤其是片上系統非常適合嵌入到傳感器內部,成為一體化的觸角(數字傳感器),為將來信息系統的發展和開辟新構架創造了基礎條件。
目前市場上最常見的高精度數據采集技術方案可大致分為三個檔次:一是用于0.1%精度水平的以Cirrus logic公司CS5460、CS5550加通用MCU為基本配置的低端方案;二是用于0.03%精度水平的以TI公司的ADS1130、ADS1230加通用MCU為基本配置的中端方案;三是用于0.01%和更高精度水平,以TI公司的ADS1232加通用MCU和cirrus logic的CS5532加通用MCU為基本配置的高端方案。在低功耗方面,如果與獨立ADC配對的是價格較低的通用MCU,那么其電路的總功耗總要大于SoC電路的功耗,如果選用低功耗MCU(如TI公司的MSP430系列)與ADC配對,那么其價格比較高。傳統的“ADC+MCU”市場在高精度和低功耗方面發生了分化,這種分化培育了SoC市場。
事實上,大約10幾年前已經有人將ADC與MCU制作在一個芯片上,但一直將ADC作為MCU的附加外圍電路供配置選用,其ADC單元的性能一直不能滿足系統的要求。擁有領先ADC技術的深圳芯海科技公司認識到集成高精度ADC的SoC產品方向的發展潛力,反客為主,以高增益高精度型ADC為核心,將MCU作為ADC的后續處理單元,推出了專門用于高精度數據采集的SoC器件,盡管其中MCU的性能并不突出,但作為SoC器件,系統的技術經濟綜合指標明顯優于用其他器件構成同類系統。
[page]創新設計實現領先性能優勢
除了上述創新產品架構設計思路,芯海科技的高精度數據采集SoC產品中還實現了多項技術上的創新和改進,從而在產品創新的同時保證了滿足系統應用的高性能要求。主要的技術創新包括采用高精度Σ-Δ調制器、高性能的DSP信號處理模塊和高性能PGA實現方式(已申請相關專利),等等。
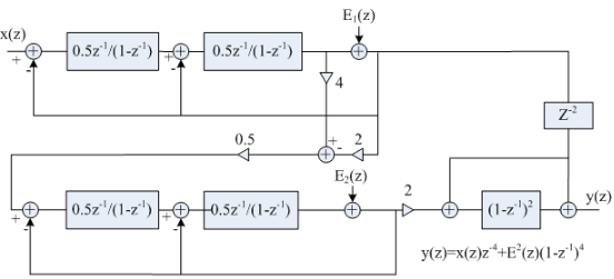
高精度Σ-Δ調制器。高精度ADC,特別是嵌入了處理器的SoC芯片,噪聲模擬模型非常復雜,除了量化噪聲及模擬部分各種器件的熱噪聲、1/f噪聲外,還有數字電路隨時鐘節拍運行時產生的襯底噪聲和電源噪聲。這些噪聲源都嚴重地影響了高精度Σ-Δ調制器的性能。為此,芯海科技公司技術專家們在模擬部分設計時,充分考慮了這些噪聲的調制和成型,創新性地使用了四階隨機斬波Σ-Δ調制器。從圖1中可以得到四階Z域的傳輸函數為:
可以看出,經過這個調制器后,輸入信號X(Z)沒有什么變化,僅僅是增加了延遲,但是量化噪聲被函數H(Z)=(1-Z-1)4所加權,成為高頻成分,這個函數我們稱為噪聲成型函數。利用調制器后面的降采樣濾波器,我們可以將高頻部分(基帶以外)的量化噪聲濾除,這樣我們就得到了信噪聲比極高的量化信號。

圖1:Casecode結構四階Σ-Δ調制器Z域模型。
高性能的DSP信號處理模塊。高精度的ADC除了低噪聲的模擬調制器外,高性能的DSP模塊同樣起著至關重要的作用。這個濾波器,既要保證足夠高的信噪比,又要考慮系統對信號的延遲。現在的測量系統,通常都要求“One Cycle Settle”,即單周期建立。為此,在此類SoC設計中采用了先進行高速高階濾波器,再加一階濾波輸出的方式,來同時達到高的性噪比和高的響應速度。
圖2:基于CSU12xx和CUS10xx系列SoC的電子血壓計。
高性能PGA實現方式。由于高精度ADC所探測的信號非常微弱,必須要通過前置放大器對信號進行放大,提高信噪比。前置放大器在放大信號的同時,自身也會產生噪聲,并且會限制系統的共模輸入范圍,增加系統成本及功耗。芯海科技采用了特有的低功耗、低噪聲、低成本PGA實現方式,設計出了高性能的SoC方案,大大提高了產品的市場競爭力。
小結:
基于上述創新設計思路和技術的SoC產品如CSU12xx及CSU1101B,與同類競爭產品相比主要優勢特性一是精度高,二是低功耗。基于這些優勢特性,目前該類多系列的SoC已經成功應用于包括高性能太陽能自動上位人體秤、電子血壓計等應用,實現了超過50萬片的累積銷量,成功地幫助芯海科技在國內數據采集器件市場占有了一席之地。



