【導讀】集成電路中使用IICP來生成較小的負偏置軌。ADP5600獨特地將低噪聲IICP與其他低噪聲特性和高級故障保護功能結合在一起。本文將借助ADP5600深入探討交錯式反相電荷泵(IICP)的實際例子。我們將ADP5600的電壓紋波和電磁輻射干擾與標準反相電荷泵進行比較,以揭示交錯如何改善低噪聲性能。
本文將借助ADP5600深入探討交錯式反相電荷泵(IICP)的實際例子。我們將ADP5600的電壓紋波和電磁輻射干擾與標準反相電荷泵進行比較,以揭示交錯如何改善低噪聲性能。
01 商用交錯式反相電荷泵
集成電路中使用IICP來生成較小的負偏置軌。ADP5600獨特地將低噪聲IICP與其他低噪聲特性和高級故障保護功能結合在一起。
ADP5600是一款交錯式電荷泵逆變器,集成了低壓差(LDO)線性穩壓器。與傳統的基于電感或電容的解決方案相比,其獨特的電荷泵級具有更低的輸出電壓紋波和反射輸入電流噪聲。交錯作為一種低噪聲概念很巧妙,但交錯通道并不能解決所有噪聲問題。為了實現真正的低噪聲,需要一種專門設計的IC來實現IICP的低噪聲優勢,同時保持解決方案的小尺寸和高效率。
固定和可編程開關頻率
許多反相電荷泵的工作頻率為幾百kHz。這種相對較低的頻率限值要求相對較大的電容,并限制了頻率雜散可以放置的位置。ADP5600可以在100 kHz至1.1 MHz的開關頻率下工作,因而能在現代系統中高效使用。此外,該頻率始終是固定的,不隨輸出負載而變化。開關頻率變化(展頻調制)通常用于提高電荷泵效率,但在噪聲敏感的系統中可能會產生問題。
外部頻率同步
許多低噪聲系統需要將高幅度開關噪聲置于規定的頻帶中,以使所產生的噪聲對系統的影響最小。考慮到這一點,在噪聲敏感系統中,轉換器的工作頻率是同步的,但在電荷泵逆變器中,同步很少見。相比之下,ADP5600可以同步到高達2.2 MHz的外部時鐘。
低壓差穩壓器
ADP5600的輸入電壓范圍很寬,其電荷泵輸出電壓可能過高,無法為低壓電路供電。因此,ADP5600內置了一個LDO后置穩壓器。它還有一個以正電壓為基準的電源正常信號引腳,以便在LDO輸出處于穩壓狀態時輕松進行電源時序控制。
故障保護
最后,ADP5600具有一套全面的故障保護特性,適合于穩健的應用。保護特性包括過載保護、短路飛跨電容保護、欠壓鎖定(UVLO)、精密使能和熱關斷。另一個新穎的特性是飛跨電容限流,它也能降低飛跨電容充電時的峰值電流尖峰。
之前我們從理論上證明了與非交錯解決方案相比,IICP架構可顯著改善紋波。為簡潔起見,但是其中說明的推導是理想化的,忽略了寄生效應、布局依賴性(IC和PCB)、時序失配(即不完美的50%振蕩器)和RDS失配。這些因素導致與計算和測量的電壓紋波有些偏差。一如既往,最好將ADP5600投入使用,觀測其性能,并使用推導的方程式指導電路優化以獲得最佳性能。
此處使用標準ADP5600評估板,但插入了RFLY,并修改了CFLY和COUT的值。此外,我們使用ADP5600的SYNC特性來改變開關頻率。圖1所示框圖表明,各電荷泵以該SYNC頻率的一半進行開關。也就是說,fOSC = ? fSYNC。
圖3和圖4分別顯示了在相同條件下運行時,交錯式和非交錯式反相電荷泵的輸出電壓紋波。

圖1.ADP5600交錯式反相電荷泵簡化框圖。

圖2.ADP5600交錯式反相電荷泵測試設置。

圖3.ADP5600 IICP輸出電壓,VIN = 6 V,COUT = CFLY = 2.2 μF,fOSC = 250 kHz,ILOAD = 50 mA

圖4.標準反相電荷泵輸出電,VIN = 6 V,COUT = CFLY = 2.2 μF,fOSC = 250 kHz,ILOAD = 50 mA
在這些條件下,ADP5600的輸入和輸出電壓紋波幾乎比傳統反相電荷泵低14倍。IICP的輸出(或輸入)電壓紋波由下式給出:

使用式1,并將實際值代入ROUT和RON,便可比較計算出的和測量到的輸出電壓紋波。表1給出了多種測試配置下的結果,并指出了相對于非交錯式電荷泵方案的改善幅度。

表1顯示了交錯電壓紋波與式1的預測非常吻合。另外還顯示了其相對于標準的非交錯式反相電荷泵的改善幅度。此表中的某些設置還包括與CFLY串聯的附加外部電阻RFLY。結果表明,RFLY進一步降低了電壓紋波,但要以電荷泵輸出電阻為代價。
除輸出電壓紋波外,IICP的電磁輻射騷擾與標準電荷泵相比也有所改善。為了衡量這一點,將一根25 mm天線放在評估板上(圖5),并測試了多種配置。圖6顯示了這樣一種配置與標準的非交錯式電荷泵逆變器的比較。IICP拓撲可將第一和第三開關諧波的噪聲降低12 dB至15 dB。

圖5.采用ADP5600評估板的電磁輻射干擾測試設置

圖6.電磁輻射干擾, VIN = 12 V,ILOAD = 50 mA,CFLY = COUT = 2.2 μF, fSYNC = 500 kHz。綠色 = 標準,藍色 = IICP。
數據轉換器、RF放大器和RF開關需要低噪聲電源。這些系統中的電源設計面臨的主要挑戰是:
功耗和高溫運行
EMI抗擾度和低EMI貢獻
輸入電壓范圍大
解決方案尺寸和面積應最小化
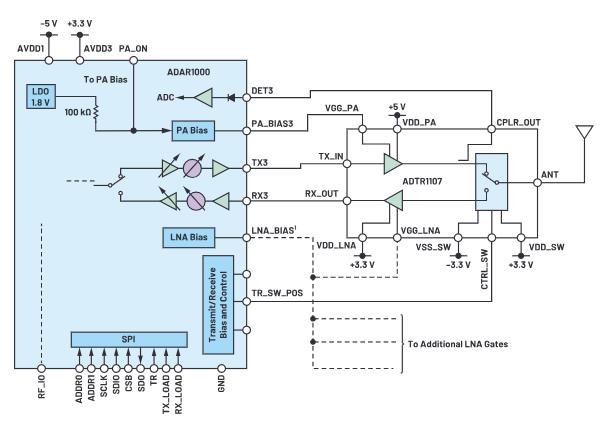
為了說明IICP的完整設計和優勢,我們考慮一個為RF放大器、RF開關和相控陣波束成型器供電的應用。該應用包含在ADTR1107數據手冊 中,圖7復制自其中。此示例需要幾個大功率正電壓軌——在這里是感性降壓轉換器的工作。另外還需要兩個負電壓軌:AVDD1和VSS_SW。

圖7.ADAR1000加上四個ADTR1107電源軌

圖8.ADP5600和LT3093用于為AVDD1和VSS_SW供電
ADAR1000使用AVDD1為VGG_PA和LNA_BIAS生成低噪聲偏置軌。AVDD1為–5 V、50 mA,VSS_SW為ADTR1107中RF開關的–3.3 V、<100 μA電源軌。每個ADAR1000使用四個ADTR1107,因此–3.3 V電源軌最大汲取1 mA電流。通常,這些系統的電源軌為12 V。
ADP5600是從12 V電壓產生–5 V、50 mA和–3.3 V、1 mA電源軌的理想選擇,因為它實現了低輸入和輸出電壓紋波以及低電磁輻射干擾。此外,它能同步寬范圍的開關頻率,因而允許將開關噪聲放在對系統影響最小的位置。圖8顯示了最終設計。
LT3093 是一款超低噪聲LDO線性穩壓器,支持高電壓,允許將ADP5600電荷泵輸出(CPOUT)直接連接到其輸入。其–5 V輸出由SET引腳上的電阻設置,當AVDD1電源軌符合要求時,可編程的電源良好引腳可以通知其他系統。ADP5600的LDO調節電流低得多的VSS_SW軌。盡管沒有LT3093那么低的噪聲或那么高的電源抑制比(PSRR),但它能夠為VSS_SW提供穩定的電源軌。所有三個軌(電荷泵、AVDD1和VSS_SW)的輸出電壓紋波如圖9所示。

圖9.電荷泵輸出電壓紋波,VIN = 12 V,COUT = 10 μF(標稱值),CFLY = 2.2μF(標稱值),fSYNC = 1 MHz (fOSC = 500 kHz),ILOAD = 50 mA
本文利用ADI公司的新產品ADP5600構建并測試了一個完整解決方案,并使用數學模型對該解決方案進行了優化。另外還將其傳導發射和電磁輻射干擾與標準反相電荷泵進行了比較。在某些情況下,與標準電荷泵逆變器相比,其改善幅度達到18倍,這對于滿足現代精密和RF系統的低噪聲要求非常重要。
免責聲明:本文為轉載文章,轉載此文目的在于傳遞更多信息,版權歸原作者所有。本文所用視頻、圖片、文字如涉及作品版權問題,請聯系小編進行處理。
推薦閱讀:







