- 電磁干擾和電磁兼容的定義
- 傳導干擾的定義
- 回路電流產生傳導干擾的機理和抑制方法
電磁干擾EMI與電磁兼容EMC
電磁干擾(Electromagnetic Interference),簡稱EMI,有傳導干擾和輻射干擾兩種。傳導干擾主要是電子設備產生的干擾信號通過導電介質或公共電源線互相產生干擾;輻射干擾是指電子設備產生的干擾信號通過空間耦合把干擾信號傳給另一個電網絡或電子設備。為了防止一些電子產品產生的電磁干擾影響或破壞其它電子設備的正常工作,各國政府或一些國際組織都相繼提出或制定了一些對電子產品產生電磁干擾有關規章或標準,符合這些規章或標準的產品就可稱為具有電磁兼容性EMC(Electromagnetic Compatibility)。電磁兼容性EMC標準不是恒定不變的,而是天天都在改變,這也是各國政府或經濟組織,保護自己利益經常采取的手段。
傳導干擾
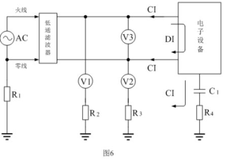
傳導干擾一般是通過電壓或電流的形式在電路中進行傳播的,圖6是測試電子設備產生傳導干擾的基本方法,或表示傳導干擾通過電源線傳輸的幾種方式。圖6中,電子設備表示干擾信號源,CI表示共模干擾信號,DI表示差模干擾信號;V1、V2、V3分別表示用儀表對干擾信號進行測量的連接方法,低通濾波器是為了便于對V1、V2、V3進行測試,而另外加接進去的;R1、R2、R3、R4分別為各電子設備的接地電阻,也包括大地之間的電阻,接地電阻一般為幾歐姆到幾十歐姆,其阻值與地線的安裝和地表面土壤結構有關;C1為電子設備對大地的電容,其容量與電子設備的體積還有地面距離有關,一般為幾微微法到幾千微微法。從圖6中我們可以看出:
V1 = CI − DI (17)
V2 = CI + DI (18)
V3 = DI (19)

從圖6中我們還可以看出,差模干擾信號DI是通過電子設備兩根電源輸送線傳輸的,因此,必須用低通濾波器對它進行隔離;而共模干擾信號CI是通過電子設備對大地的電容C1傳輸的,由于C1的容量一般都非常小,C1對低頻共模干擾信號的阻抗很大,因此,在低頻段,共模干擾信號一般很容易進行抑制,但在的高頻段,對共模干擾信號進行抑制,難度卻要比差模干擾信號抑制的難度大很多。
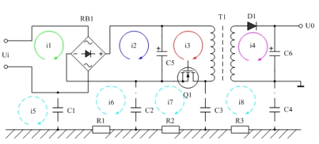
a.回路電流產生傳導干擾
圖7是一個開關電源電路的幾個主要部分,圖中,C1、C2、C3、C4是各主要部分的對地電容或對機殼的電容,R1、R2、R3是地電阻或機殼的電阻(機殼接地);i1、i2、i3、i4是開關電源電路中幾個主要部分的回路電流,i1是交流輸入回路電流,i2是整流回路電流,i3是開關回路電流,i4是輸出整流回路電流。在這4個電流之中,i3的作用是最主要的,因為它受開關管Q1控制,其它電流全部都受它牽動而發生變化。

從電路中我們可以看出,i1、i2、i3所屬的3個回路都是相互連接的,根據回路電流定律,i1、i2、i3之間具有代數和的關系,因此,只要3個電流中有一個電流的高頻諧波對其它電路產生干擾,那么,3個電流都會對其它電路產生干擾,并且這種干擾主要是差模信號干擾。
i4與變壓器初級的3個回路電流沒有直接關系,它是通過磁感應產生的,因此它不會產生差模信號干擾,但它會產生共模信號干擾,i4產生共模信號干擾的主要回路一個是通過對地電容C4,另一個是變壓器T1初、次級之間的電容(圖中沒有畫出)。
另外,還有4個回路電流i5、i6、i7、i8,這四個回路電流一般人是不會太注意的。這四個電流與前面的3個電流i1、i2、i3基本沒有直接聯系,它們都是通過電磁感應(電場與磁場感應)產生的。在這幾個電流中,其中以i7最嚴重,因為,變壓器初級線圈產生的反電動勢一端正好通過C3與大地相連,另一端經過其它3個回路與交流輸入回路相連。
這里特別指出,凡是經過電容與大地相連回路的電流都是屬于共模信號干擾電流,因此,i5、i6、i7、i8全部都屬于共模信號干擾電流。





