【導讀】示波器測量電流的常見方法包括使用電流互感器、羅氏線圈和霍爾效應鉗式探頭。按規格要求使用時,優質磁探頭的測量結果非常準確。因為不需要斷開電路,因此用于測量在電線或測試回路中流動的電流也很方便。然而,磁探頭存在一些固有的局限性。在本文中,作者將介紹針對基于分流器進行電流測量而優化的探頭屬性,并探討 IsoVuTM電流分流探頭特別適用的兩種應用。
示波器測量電流的常見方法包括使用電流互感器、羅氏線圈和霍爾效應鉗式探頭。按規格要求使用時,優質磁探頭的測量結果非常準確。因為不需要斷開電路,因此用于測量在電線或測試回路中流動的電流也很方便。然而,磁探頭存在一些固有的局限性。在本文中,作者將介紹針對基于分流器進行電流測量而優化的探頭屬性,并探討 IsoVuTM電流分流探頭特別適用的兩種應用。
如上所述,使用磁探頭測量時需要一根線圈。由于物理限制或電路的敏感性,有時無法使用這種線圈。由于磁性材料的特性,即使是高端鉗式電流探頭,帶寬也被限制在 100 MHz 左右。盡管人們可能會認為非接觸式探頭不會影響電路性能,但磁探頭插入阻抗的意外影響卻讓許多工程師困惑不已,因為該阻抗在全帶寬下可能接近 1 Ω。

圖 1當有電線或測試環路可用、插入電感可以容忍且帶寬限制在 100 MHz 左右時,使用示波器鉗式交流/直流電流探頭非常方便。但在無法滿足此類要求時,工程師往往選擇分流電阻器。分流探頭就是為此目的而設計的。
由于上述限制,許多工程師轉向使用精密分流電阻器或電流觀察電阻器 (CVR)。電壓探頭用于測量分流器兩端的電壓降,歐姆定律則用于計算電流。當分流電阻器的一端接地時,共模電壓不會成為主要問題。但當分流電阻器處于浮動狀態時,則可能會暴露在較高的共模電壓下。探頭必須經過專門設計,以承受類電壓而不受損,并能夠抑制輸出共模信號。
無源探頭和差分探頭設計用于檢測高阻抗負載,它們具有高輸入阻抗,以減少對被測設備的負載影響。差分探頭的輸入阻抗約為 100 kΩ,大多數無源探頭的輸入阻抗約為 10 MΩ,不過也有的輸入阻抗為 1 MΩ 或 2 MΩ (TPP0502)。理想的分流電阻器是一種低阻抗裝置。由于分流阻抗極低,因此不需要高阻抗探頭。事實上,任何通過高阻抗探頭的噪聲電流都會增加示波器的噪聲電壓。
新型 IsoVu 隔離電流探頭專門優化了使用分流電阻器的電流測量,即使在分流電阻器未接地且受到顯著共模電壓影響的情況下,也能準確測量電流。新型 IsoVu 隔離電流分流探頭具有以下主要特點:
高帶寬。與互感器Rogowski和霍爾效應電流探頭不同的是,TICP 電流探頭與高性能分流器或 CVR結合使用時,可以實現從直流到數百兆赫范圍的電流測量。有三種型號可選,帶寬分別為 250 MHz、500 MHz 和 1 GHz,您可以根據自己的應用和預算進行選擇。
探頭尖端和示波器之間的完全射頻隔離消除了接地環路,有助于在 1 MHz 時提供高達 90 dB 的出色共模抑制 (CMRR),從而大幅降低共模噪聲。
低噪聲和高共模抑制。專為電流分流器的低噪聲測量而設計,特別適用于電源電路的浮動部分。
在測量分流器等兩端的低電壓 (+/- 0.5 V) 時,具有低衰減和低輸入阻抗 (50Ω) 的特性,這意味著可將噪聲限制在 4.7 nV/√Hz 以下(1 GHz 時小于 150 μV)。
所有尖端和配件均旨在控制噪聲。
可通過 TekVPI? 接口連接至泰克 4、5 和 6 系列 MSO 示波器,該接口可以自動檢測和配置探頭和探頭尖端。
高保真電流測量為下一代電源轉換器提供洞察力

圖 2在半橋功率轉換器高側進行雙脈沖測試時,如果使用串聯電阻,IsoVu隔離電流分流探頭由于具有高共模電壓和高共模抑制比而能夠提供準確的測量結果。
新型 IsoVu 電流分流探頭兼具高帶寬和高共模抑制,可在碳化硅和氮化鎵電源轉換器中提供準確的電流測量。
快速開關場效應晶體管的帶寬
碳化硅場效應晶體管的漏極電流上升和下降時間約為 10 納秒。如果我們將這個時間轉換為帶寬,使用一階滾降模型來計算,那么邊緣的帶寬是 0.35/10 ns = 35 MHz。為了準確測量邊緣上的任何振蕩和失真,測量系統的帶寬應該明顯大于該值。因此,分流電阻器、探頭和示波器的組合應具有 200 MHz 或更高的帶寬。傳統的電流測量技術,例如電流互感器(Pearson CT 等)、羅氏線圈和霍爾效應探頭,測量能力限制在約 100 MHz。使用這些常見的電流探頭嚴重限制了觀察高頻分量的能力。
TICP 探頭提供了所需的帶寬,能夠準確捕捉寬帶隙開關器件的快速上升沿,其可用帶寬高達 1 GHz。

圖 3在半橋功率轉換器上進行的雙脈沖試驗。上方(藍色)波形表示 VDS。黃色波形清楚地顯示了 IsoVu 隔離電流探頭測量的快速上升漏極電流和震蕩。紫色波形表示負載電感電流。最下方的(紅色)波形表示 IsoVu 隔離電壓探頭測得的柵極電壓。
高側電流測量
碳化硅電源轉換器高側的分流電阻器會受到快速變化的共模電壓的影響,該共模電壓在近地線電平和電源電源之間變化。
TICP 探頭具有高共模抑制,因此非常適合對碳化硅電源轉換器中使用的浮動分流器和 CVR 進行電流測量。TICP 探頭與實現了突破性改進的 IsoVuTIVP 隔離電壓探頭相輔相成,為電流測量帶來了類似的隔離技術突破。完全的射頻隔離消除了接地環路。使用 1X 探頭時,在 1 Mhz 頻率下可提供 90 dB 的共模抑制比,在 250 Mhz 頻率下可提供 70 dB 的共模抑制比。
最大共模電壓和安全等級
新探頭具有隔離和安全等級優勢,非常適用于功率轉換器中在高電壓下浮動的分流電阻器和電流觀察電阻器 (CVR)。TICP 系列探頭達到 1000 V CAT II 應用安全等級,在 1 級污染環境中能夠承受最大 1.8 kV 的共模電壓,且能夠承受最大 5 kV 峰值的瞬態電壓。
低功耗系統中的準確電流測量:測量納秒內電流消耗
對于努力充分利用電池供電設計中每一分鐘運行時間的工程師來說,使用新型 IsoVu 電流探頭能夠測量納秒內低電平動態電流。這意味著,他們對物聯網和移動設備電源管理的理解比以往任何時候都更加透徹。

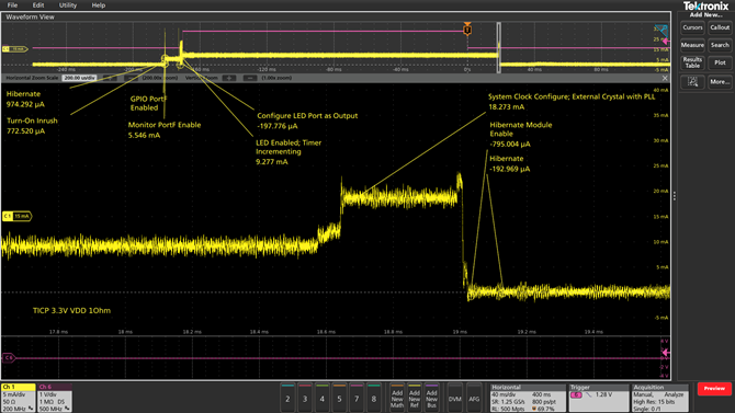
圖 4通過測量微控制器 3.3 V 電源軌上的串聯電阻,IsoVu 電流探頭可以顯示處理器在不同操作模式和休眠模式下消耗的電流量。
動態電流測量的帶寬
TICP 探頭具有進行以下活動所需的帶寬和動態范圍:觀察狀態轉換,測量特定系統活動期間以及從睡眠模式轉換至活躍模式的電流消耗。此外,TICP 探頭的共模電壓額定值高于大多數差分探頭,更加適合在電壓更高的電源軌上進行測量。
使用低噪聲和隔離技術準確測量低電流
TICP 探頭可限制噪聲,這對于使用分流器準確測量低電流至關重要。該款探頭提供低尖端負載和低輸入阻抗,其噪聲規格為 4.7nV/√Hz,能夠在極低噪聲下準確捕捉信號(20 MHz 時噪聲低于 21 μV,1 GHz 時噪聲低于 150 μV)。這種低噪聲特性讓該款 IsoVu 電流探頭成為 6 B 系列 MSO 等低噪聲示波器的好搭檔。
盡量減少連接麻煩
我們都知道,在被測設備上獲取信號可能非常困難。在設計新型 IsoVu 電流探頭時,泰克公司的設計師們想方設法,實現探頭與設備連接時的正向、低噪聲接觸。

圖 5 ISOVu 電流和電壓探頭使用 MMCX 連接器與被測設備建立高帶寬屏蔽連接。
與被測設備的低噪聲連接
為了方便工程師與商用和定制分流電阻器配置建立高度完整的連接,探頭采用靈活且可輕松彎曲的尖端,以減少連接時的應力。探頭末端使用屏蔽式高帶寬 MMCX 連接器。由于 MMCX 連接器在市場上常見,因此很容易買到將 MMCX 連接器轉換為 SMA 或 BNC 連接器的適配器。標準套件中還包括一個 SMA 探頭尖端,以及從 MMCX 連接器連接至 25 mil 方形引腳的適配器,用于連接到板上分流電阻器和測試點。該套件包含一個兩腳架和三腳架適配器,可牢固地固定探頭,并方便在測試過程中輕松放置探頭。
與 4、5 和 6 系列 MSO 示波器無縫集成
這些探頭可以通過智能 TekVPITM 探頭接口與 4、5 和 6 系列 MSO 示波器連接,此外,探頭通過該接口還可與示波器進行雙向通信。該接口能夠自動檢測探頭和尖端,并告訴示波器應用衰減和輸入阻抗等關鍵設置。探頭設置可以從示波器的前面板或通過編程命令調整,因此無需人工干預即可實現自動測試。
新款 IsoVuTM 電流分流探頭突破了電流互感器、羅氏線圈和霍爾效應鉗式探頭的限制。雖然這些更傳統的電流測量方法具有許多優點,但將 IsoVu 電流探頭與精密分流電阻器或 CVR 相結合可以實現帶寬更高、噪聲更低的測量。如果設計人員需要測量碳化硅和氮化鎵電源轉換器中的快速大電流變化,或需要測量電池供電嵌入式系統中的動態電流消耗,這也是好消息。
免責聲明:本文為轉載文章,轉載此文目的在于傳遞更多信息,版權歸原作者所有。本文所用視頻、圖片、文字如涉及作品版權問題,請聯系小編進行處理。
推薦閱讀:




