【導讀】接地回路可能會導致問題。當所有東西都在同一位置時,沒有輸入/輸出(電流)隔離的系統可能沒問題,但當系統分離時突然出現接地回路問題。例如,一個位置的“地面”可能與另一個位置的“地面”不同。有時它們甚至可能來自兩個不同的電源電路。即使標稱接地點相同,交流干擾和噪聲也可能不同。
接地回路可能會導致問題。當所有東西都在同一位置時,沒有輸入/輸出(電流)隔離的系統可能沒問題,但當系統分離時突然出現接地回路問題。例如,一個位置的“地面”可能與另一個位置的“地面”不同。有時它們甚至可能來自兩個不同的電源電路。即使標稱接地點相同,交流干擾和噪聲也可能不同。
在已經完整的系統中添加隔離有時可能是一個大問題。您可能需要刪除、重新排列、添加一兩個新組件,并重新連接所有組件。如果地面位于兩個不同的電源位置,則可能會更加困難。沒有簡單的答案,但如果您要處理的是 4-20 mA 系統,有時可以使用環路供電隔離器來簡化工作。
什么是環路供電 (4-20 mA) 隔離器?
環路供電隔離器是一種接受輸入、增加隔離并提供相同輸出電流的器件。輸出取自輸入功率:不需要其他電源。功率以電壓損耗的形式出現。輸出電流與輸入電流相同,但電壓低幾伏。
這對于恒流源很有用,因為壓降由源電壓的等升來補償。
回路供電隔離器如何工作?
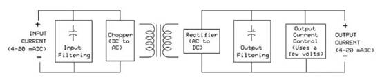
隔離系數涉及在電路中添加變壓器。您首先必須添加一個斬波器以將直流電轉換為交流電。接下來添加變壓器,然后將輸出轉換回直流。請參閱圖 1。
圖 1.環路供電隔離器將直流信號斬波到交流電,添加一個變壓器進行隔離,然后將其轉回直流電。添加電路使輸出等于輸入。
不過,細節并不像乍看起來那么容易。所有變壓器都有損耗。如果使用 1:1 變壓器,輸出電流將略低于輸入電流。電流需要增加一點,降低總電壓。此外,損耗隨著電阻的變化而變化。如果一切正常,比如說,100歐姆,損耗將在200或500歐姆時發生變化。即使電阻保持不變,線性度也可能隨著電流的增加或減少而因電壓變化而降低。
通常,損失隨著阻力的增加而增加。需要額外的電路來保持輸出相同。您還需要篩選輸出。
一個重要的細節
輸出電壓將下降幾伏,通常在零歐姆時約為 7 V,在 500 歐姆時增加到 14 至 18 V。一些的設備需要更少的電壓損失。并非所有隔離器都指定壓降,因為相對較小的壓降不會真正影響電流源的性能。
隔離器的應用
有關接地回路的更多信息。接地回路可能會導致不同類型的問題。如果所有東西都在同一位置,問題通常是由于干擾和噪音造成的。如果位置不同,如果實際接地不同,您也可能遇到 DC 問題。例如,一個接地的直流電位可能與另一個接地略有不同。
當兩個不同的電壓終連接到同一個電路時,會出現不同的問題。常見的問題可能是當涉及熱電偶時。您可能認為熱電偶是接地的,但實際上,熱電偶結點不是零。即使一個熱電偶緊挨著另一個熱電偶,情況也是如此。
隔離器詳細信息和規格
典型規格包括:
輸入/輸出隔離:通常為 1,000 或 1,500 伏 RMS。
輸入電壓:典型值為35 V(值)。
準確性:通常為 0.1% 或更高。
線性:通常為 0.1% 或更高。
荷載變化效應:通常為 0.1% 或更好,0-500 歐姆。
據我們所知,所有公司都使用35毫米DIN導軌來安裝它,盡管細節不同。下面是兩個示例:
圖2.兩種不同回路供電隔離器的比較。圖片由Absolute Process Instruments和菲尼克斯電氣提供
隔離真的有必要嗎?
通常,系統在沒有隔離的情況下工作正常。其他時候,您可能已經知道隔離是可能的,并做出相應的計劃。在這種情況下,的選擇有時是添加一個環路供電隔離器。
但是,有時您可能會發現意想不到的問題。發生這種情況時,或簡單的解決方案通常是環路供電隔離器。它涉及的零件數量少,不需要額外的電源。
免責聲明:本文為轉載文章,轉載此文目的在于傳遞更多信息,版權歸原作者所有。本文所用視頻、圖片、文字如涉及作品版權問題,請聯系小編進行處理。
推薦閱讀:

