【導讀】最近推出的跨電感電壓調節器(TLVR)在多相DC-DC應用中頗受歡迎,這些應用為CPU、GPU和ASIC等低壓大電流負載供電。這一趨勢主要基于該技術出色的瞬態性能。TLVR還支持靈活的設計和布局,但有幾個缺點。本文闡述了TLVR設計選擇如何影響性能參數,并討論了相關權衡。
摘要
最近推出的跨電感電壓調節器(TLVR)在多相DC-DC應用中頗受歡迎,這些應用為CPU、GPU和ASIC等低壓大電流負載供電。這一趨勢主要基于該技術出色的瞬態性能。TLVR還支持靈活的設計和布局,但有幾個缺點。本文闡述了TLVR設計選擇如何影響性能參數,并討論了相關權衡。
TLVR降壓器中的電流紋波和瞬態
對于許多高電流應用而言,多相降壓轉換器的任何改進都有意義。瞬態性能改進尤其值得關注,因為許多CPU、GPU和ASIC現在都有非常嚴格的瞬態規格,而高效率對于節能和熱性能也至關重要。
電感中的電流紋波是影響設計選擇的重要參數:它影響效率和輸出電壓紋波,并間接關系到瞬態性能、解決方案尺寸和其他性能指標。另一個關鍵特性是瞬態條件下的電流擺率,這是瞬態性能的基本限制因素。通常,電流紋波(以及效率)和瞬態性能(直接影響輸出電容大小等因素)導致設計決策需要權衡。
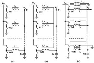
采用分立電感(DL)的傳統多相降壓轉換器如圖1a所示。為了實現較理想的波形交錯,假定所有相位之間都具有適當的相移。一種替代方案是用耦合電感(CL)代替DL,如圖1b所示。1-3,5另一種替代方案如圖1c所示,稱為TLVR,其中調諧電感Lc會影響電流紋波和瞬態性能。4,6,7,10TLVR方法的原理是向分立電感添加次級繞組,并通過次級繞組的電氣連接來鏈接相位。這種設計思路類似于耦合電感:對所有鏈接相位之間的交流波形進行平均,以在特定瞬態擺率下獲得更好的電流紋波,但TLVR的有效耦合電感是有限的,因為必須考慮全部相電流。TLVR的缺點是TLVR變壓器不能傳送電流的直流部分,因此直流電不會像在磁耦合電感中那樣在相位之間抵消掉。本文將重點介紹TLVR的更多細節和特定權衡;由于論文篇幅限制,這些內容未包含在之前的研究中。9

圖1.多相降壓轉換器,分別采用(a)分立電感(DL)、(b)耦合電感(CL)和(c) TLVR
TLVR中紋波和電流擺率的第一個數學模型及方程可能已出現在相關文獻中。7雖然這是一個非常有用的數學模型,適用于任何電路條件(任何占空比D = Vo/VIN或多個相位Nph等),但它有一些局限性。例如,低Lc值(圖1c中的調諧電感)會導致誤差增加,當Lc = 0時,誤差變得無窮大,等等。低Lc值的極端情況比Lc = 開路的極端情況更重要,因為使用TLVR的主要原因是改善瞬態性能,這意味著Lc值相當低。
此外還給出了更準確的TLVR推導,通過指定適當的Vx狀態,推導出的方程可以得出穩態(對于電流紋波)或瞬態下的電流擺率。10該推導是針對更準確的等效TLVR原理圖(圖2)進行的。此模型與任何極端情況下的仿真都具有極好的相關性,但穩態下的電流擺率僅對D < 1/Nph范圍有效。后者是可以接受的,因為已經證明,恰好在D < 1/Nph區域,TLVR具有相對于DL基線的最大電流紋波增量,并且當Nph足夠高時,其接近DL紋波。9,10
圖2.TLVR模型10
通常,TLVR值在數據手冊中的顯示方式與分立電感DL相同,從中可推導出TLVR。圖2中的模型假設TLVR總值或自感被分成兩部分:一個是通常較小的Lk,其余部分實際上成為TLVR變壓器的互感Lm = TLVR-Lk(方程1)。
基于圖2中的模型,TLVR中的電流擺率可用方程2表示,其中Lk是主繞組和輔助繞組之間的TLVR漏感。Vx1電壓分配給目標相位,而所有其他Vx節點均假定具有相同電壓(VIN或0)。相應的節點電壓Vy1如方程3所示。強制Vx1 = Vx,并將這些電壓指定為VIN(斜坡上升)或0(斜坡下降),便可使用方程2直接計算TLVR中的最大瞬態擺率。此外,方程2中的電流擺率可用于方程4中的穩態紋波計算,其中Vx1 = VIN,所有其他開關節點均為Vx = 0。不過,方程4僅對D < 1/Nph有效,因為它假設全部導通時間D/Fs內具有單一且相同的擺率。

如文獻所述,品質因數(FOM)是反映系統性能的一個良好指標,最大化FOM通常是實現理想權衡的正確方向。9,10但請注意,高FOM本身并不能確保特定應用規格中的每個參數都得到滿足,高FOM僅是良好設計的一個指標。FOM的定義如方程5所示,這對于D<1/Nph范圍是合適的,我們可以用方程6來表示TLVR FOM。
為了進行比較,我們將使用CL方程(此處未顯示),但重點關注TLVR性能和權衡。5,10我們還將使用陷波耦合電感(NCL)結構作為基準,與尺寸和大小兼容的特定TLVR = 150 nH解決方案進行比較。10
TLVR權衡
圖3顯示了基于12 V至1.8 V 6相設計的關鍵TLVR性能參數與調諧電感Lc的關系(電流紋波的Fs = 300 kHz)。TLVR = 150 nH是給定尺寸下勉強滿足Isat/ph規格的最大可能值,因此它能充分有效地減小TLVR紋波并提高效率。此外還繪制出DL = 150 nH,作為TLVR = 150 nH的基線,以及NCL = 6× 25 nH (Lm = 375 nH)參數以供比較。圖3中所有TLVR曲線上都突出顯示了實際設計點Lc = 120 nH。
內容中需要考慮TLVR參數的變化:圖3顯示了(a) FOM,(b)電流瞬態擺率和(c)電流紋波與Lc的關系,水平刻度相同。請注意,隨著Lc增加,所有TLVR曲線都漸近地接近DL性能。TLVR的FOM隨著Lc值的降低而提高,因為瞬態擺率大幅提高,但代價是電流紋波進一步增加(DL基線的紋波已經相當大),參見圖3c。將具有隔離功能的次級繞組添加到初始DL時,鐵氧體會減少,但TLVR FOM繪圖未考慮這一點。正如預期的那樣,TLVR紋波始終大于DL基線8-10。

圖3.TLVR權衡與Lc的關系:(a) FOM,(b) 電流擺率(向上),(c) 電流紋波。其中突出顯示了實際設計點Lc = 120 nH。12 V至1.8 V,6相,Fs = 300 kHz。
圖4顯示了FOM、瞬態擺率和電流紋波與TLVR值(實際上是Lm)的關系。值得注意的是,在繪制數學曲線時,TLVR的Isat規格是每相的全部Isat(在測試解決方案中,對于TLVR = 150 nH,Isat = 65 A),而對于NCL的Lm,Isat明顯較低(對于必須承受相間電流不平衡的Lm = 375 nH,保守Isat = 25 A)。因此,在相同給定尺寸的測試解決方案中,高于150 nH的TLVR曲線和高于375 nH的NCL曲線僅有理論意義(需要更大的尺寸來擴展這些值)。由于TLVR和CL的電氣模型相似,并且與Lm的函數關系的相關曲線可能彼此接近,因此關鍵的一點是,對于TLVR和CL,給定空間中互感受到的限制大不相同10。這為同一特定體積中的TLVR和NCL提供了一個現實的比較角度。
圖4.TLVR權衡與TLVR值(Lm)的關系:(a) FOM,(b) 電流擺率(向上),(c) 電流紋波。Lc = 120 nH,標出了給定尺寸下TLVR = 150 nH和Lm = 375 nH(對于NCL)的最大值。12 V至1.8 V,6相,Fs = 300 kHz。
正如預期的那樣,對于TLVR和NCL,Lm 增加都會導致耦合系數和FOM變大,如圖4a所示。10瞬態擺率一般由NCL中的漏感Lk和TLVR中的調諧電感Lc定義,而不是由Lm定義,因此圖4b中的曲線大部分是平坦的。然而,當TLVR值(有效Lm)變得過小時,并聯Lc實際上會短路,瞬態擺率迅速增加。
圖4c證實,對于TLVR和NCL,增加Lm非常有利于減小電流紋波(但Lm增加不會降低瞬態性能,參見圖4b)。TLVR和NCL的電流紋波與Lm的關系曲線非常相似,這是因為二者的電氣模型相似,但Lm值的限制因素卻截然不同。10當然,大部分差異來自于給定尺寸下Lm所需的Isat額定值,因此NCL的電流紋波比相關TLVR小得多。
實驗結果
NCL設計為適合相同的TLVR尺寸,并且還匹配TLVR解決方案的所有其他外部尺寸。10圖5顯示了同一電路板上的兩個測試解決方案(NCL不需要Lc)。
正如根據擺率值所預期的那樣,TLVR和NCL都是非常快的解決方案(圖3b和圖4b)。我們特意驗證了瞬態性能相同的情況,即使將Fs降低至300 kHz,仍然不會導致相位相互耦合的6相解決方案中出現反饋帶寬限制。8
由于NCL的FOM明顯高于TLVR(圖3a),因此匹配瞬態性能導致NCL的電流紋波只有TLVR的大約1/2.6。圖6顯示了相應的效率比較結果,其中TLVR性能受到大電流紋波峰峰值的挑戰。
由于CL(尤其是NCL)的漏感通常遠低于TLVR值,因此預計CL和NCL的每相電流能力也高得多:TLVR = 150 nH示例中Isat = 65 A(每相),而相同體積中的NCL = 6× 25 nH顯示Isat > 300 A(每相)。
圖5.同一電路板上的解決方案:(a) TLVR和(b) NCL
圖6.同一電路板上6相12 V至1.8 V解決方案的效率與Io的關系:(a) TLVR和(b) NCL
結論
TLVR的FOM一般約為2,從這個角度來看,它相對于FOM = 1的分立電感基線有所改進。其優勢在于,與電流紋波增加相比,TLVR改善瞬態性能的速度更快。然而,TLVR只能改善瞬態,同時會產生一些弊端。例如,由于相位之間的鏈接以及較低的有效磁化電感和Lc,TLVR電流紋波總是高于相同值DL情況的電流紋波。這會對效率產生不利影響,特別是考慮到添加具有高壓隔離功能的次級繞組時鐵氧體橫截面會減小。本文未考慮鐵氧體損失所導致的額外電感值損失(假設Isat與原始DL相同)。串聯的次級TLVR繞組也會造成潛在的高壓問題,并且通常會導致磁元件的成本增加。8
TLVR的瞬態電流擺率通常由Lc設置,但如果Lm足夠低:那么Lm實際上會使Lc短路,使得瞬態性能更快,但這會產生非常大的電流紋波,導致效率受損。
一般來說,TLVR的行為類似于耦合電感,但TLVR的全電流額定值會限制有效Lm,使其表現明顯不佳。在相同的體積下,由于Lm通常要高出幾倍,因此CL或NCL可以實現高得多的FOM和性能。因此,在所考慮的例子中,NCL顯示出高得多的效率,同時瞬態性能相比TLVR也有所改善,10但卻不存在TLVR方法的成本影響或高壓問題。
NCL與TLVR相比,每相Isat電流能力顯著提高,這是一個額外的好處(上例中差異大于4.5倍)。
參考文獻
1 Aaron M. Schultz和Charles R. Sullivan。“帶耦合感應繞組的電壓轉換器及相關方法。”美國專利6,362,986,2001年3月。
2 Jieli Li。“DC-DC轉換器中的耦合電感設計。”碩士論文,2001年,達特茅斯學院。
3 Pit-Leong Wong、Peng Xu、P. Yang和Fred C. Lee。“采用耦合電感的交錯VRM的性能改進。”《IEEE電源電子會刊》,第16卷第4期,2001年7月。
4 Ming Xu、Yucheng Ying、Qiang Li和Fred C. Lee。“新型耦合電感多相穩壓器。”IEEE,2007年。
5 Alexandr Ikriannikov。“耦合電感的基礎知識和優勢。”ADI公司,2021年。
6 S. Jiang、X. Li、M. Yazdani和C. Chung。“推動48 V技術創新——混合轉換器和跨電感電壓調節器(TLVR)。”IEEE,2020年。
7 “帶TLVR輸出濾波器的多相降壓轉換器。”Infineon Technologies,2021年2月。
8 Alexandr Ikriannikov。“TLVR高壓注意事項。”電源系統設計,2021年。
9 Alexandr Ikriannikov。“多相DC-DC應用中磁元件的演變和比較。”IEEE,2023年3月。
10 Alexandr Ikriannikov和Di Yao。“采用多相磁元件的轉換器:TLVR與CL和新穎優化結構之比較。”PCIM Europe,2023年5月。
(來源:ADI公司,作者:Alexandr Ikriannikov,ADI公司研究員)
免責聲明:本文為轉載文章,轉載此文目的在于傳遞更多信息,版權歸原作者所有。本文所用視頻、圖片、文字如涉及作品版權問題,請聯系小編進行處理。
推薦閱讀:
吉利汽車與意法半導體簽署碳化硅長期供應協議,深化新能源汽車轉型,推動雙方創新合作
SiC MOSFET:通過波形的線性近似分割來計算損耗的方法




