【導讀】事實上,如果負載電流只有幾十毫安,則可以將輸入交流電壓轉換為直流電壓,而無需使用大型、昂貴且笨重的變壓器。不帶變壓器的替代方案也更便宜、更輕并且占地面積更小。無變壓器電源根據電路類型分為兩類:電容式和電阻式。現在我們將了解每種類型電路的特性、如何評估所涉及電子元件的功率以及應采取哪些安全預防措施。
采用無變壓器電源解決方案為低功率電路提供所需電源通常是有利的。
事實上,如果負載電流只有幾十毫安,則可以將輸入交流電壓轉換為直流電壓,而無需使用大型、昂貴且笨重的變壓器。不帶變壓器的替代方案也更便宜、更輕并且占地面積更小。無變壓器電源根據電路類型分為兩類:電容式和電阻式。現在我們將了解每種類型電路的特性、如何評估所涉及電子元件的功率以及應采取哪些安全預防措施。
無變壓器電容電源
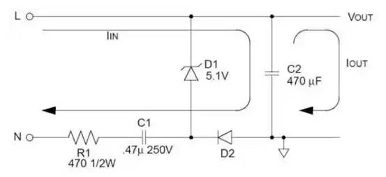
圖 1 顯示了無變壓器電容電源的原理圖。下面提供了可讓您確定所需組件值的公式。交流電源電壓的火線和中性線分別用L和N表示,而輸出電壓和電流分別用V OUT和I OUT表示。電阻器 R1 和 C1 的電抗均用于減少浪涌電流,浪涌電流可能會損壞組件。D2 是典型的硅二極管,其任務是對交流電壓進行整流,而 D1 是齊納二極管,提供穩定的參考電壓。
圖 1:電容式無變壓器電源(圖片Microchip)
只要輸出電流 I OUT 小于或等于輸入電流 I IN,負載上的電壓就保持恒定,其值可以計算為:
其中 V Z 是齊納電壓, V RMS 是輸入交流電壓的RMS 值, f 是其頻率。I IN的值 應與負載功率需求相匹配,而其值應用于為每個組件選擇正確的額定功率。輸出電壓 V OUT 的 計算公式如下:小功率無變壓器電源設計其中 V D是 D 2 上的正向偏置電壓 (對于常規硅二極管為 0.6–0.7 V)。對于 R 1,建議選擇功率至少為理論值 P R1兩倍的元件 給出:
電容器 C 1 的電壓應至少為交流電源電壓的兩倍(例如,在美國為250 V),該電容器即此類電路的名稱。二極管 D 1 的 功率應至少是由以下公式給出的理論值的兩倍:小功率無變壓器電源設計這同樣適用于二極管 D 2的功率,其中現在可以使用恒壓值 0.7 V 代替 V Z。對于 C 2,通常使用電解電容器,其電壓至少是 V Z的兩倍。
與基于變壓器的解決方案相比,電容解決方案的主要優點在于減小了尺寸、重量和成本。與下一段中介紹的電阻型解決方案相比,該電路可以讓您獲得更高的效率水平。缺點是缺乏與交流輸入電壓的絕緣,并且成本比電阻解決方案更高。
無變壓器電阻電源
同樣,在無變壓器電阻電源中, 只要 電流 I OUT 小于或等于輸入電流 I IN ,輸出電壓 V OUT就保持恒定。但不同的是,現在僅通過電阻R 1來限制浪涌電流。輸出電壓 V OUT 可以使用與電容式電源相同的公式計算,而輸入電流 I IN 現在可以通過應用以下公式獲得:小功率無變壓器電源設計
與前一種情況一樣,所選組件的功率值必須至少是理論功率值的兩倍,這可以通過應用歐姆定律計算(對于電阻器 R 1 為 P = R × I 2 ,對于電阻器 R 1 為 P = R × I 2 ,對于電阻器 R 1 為 P = R × I ,對于電阻器 R 1 為P = R × I 2 , 對于二極管 D 1 和 D 2 )。電解電容器 C 2 的尺寸必須與電容情況相同。
與基于變壓器的電路相比,電阻電源的優點是尺寸和重量更小,并且代表了的解決方案。然而,即使在這種情況下,交流電源也沒有絕緣,效率也低于電容方案。
免責聲明:本文為轉載文章,轉載此文目的在于傳遞更多信息,版權歸原作者所有。本文所用視頻、圖片、文字如涉及作品版權問題,請聯系小編進行處理。
推薦閱讀:




