【導讀】電子設備中有各種各樣的圖。能夠說明它們工作原理的是電原理圖,簡稱電路圖。電路圖有兩種,一種是說明模擬電子電路工作原理的。它用各種圖形符號表示電阻器、電容器、開關、晶體管等實物,用線條把元器件和單元電路按工作原理的關系連接起來。這種圖長期以來就一直被叫做電路圖。
電子設備中有各種各樣的圖。能夠說明它們工作原理的是電原理圖,簡稱電路圖。
電路圖有兩種,一種是說明模擬電子電路工作原理的。它用各種圖形符號表示電阻器、電容器、開關、晶體管等實物,用線條把元器件和單元電路按工作原理的關系連接起來。這種圖長期以來就一直被叫做電路圖。
另一種是說明數字電子電路工作原理的。它用各種圖形符號表示門、觸發器和各種邏輯部件,用線條把它們按邏輯關系連接起來,它是用來說明各個邏輯單元之間的邏輯關系和整機的邏輯功能的。為了和模擬電路的電路圖區別開來,就把這種圖叫做邏輯電路圖,簡稱邏輯圖。
除了上述兩種圖外,常用的還有方框圖。它用一個框表示電路的一部分,它能簡潔明了地說明電路各部分的關系和整機的工作原理。
一張電路圖就好象是一篇文章,各種單元電路就好比是句子,而各種元器件就是組成句子的單詞。所以要想看懂電路圖,還得從認識單詞 —— 元器件開始。有關電阻器、電容器、電感線圈、晶體管等元器件的用途、類別、使用方法等內容。本文只把電路圖中常出現的各種符號重述一遍,希望初學者熟悉它們,并記住不忘。
電阻器與電位器
符號詳見圖 1 所示 ,其中( a )表示一般的阻值固定的電阻器,( b )表示半可調或微調電阻器;( c )表示電位器;( d )表示帶開關的電位器。電阻器的文字符號是“ R ”,電位器是“ RP ”,即在 R 的后面再加一個說明它有調節功能的字符“ P ”。
在某些電路中,對電阻器的功率有一定要求,可分別用圖 1 中( e )、( f )、( g )、( h )所示符號來表示。
幾種特殊電阻器的符號:
第 1 種是熱敏電阻符號,熱敏電阻器的電阻值是隨外界溫度而變化的。有的是負溫度系數的,用 NTC 來表示;有的是正溫度系數的,用 PTC 來表示。它的符號見圖( i ),用 θ 或 t° 來表示溫度。它的文字符號是“ RT ”。
第 2 種是光敏電阻器符號,見圖 1 ( j ),有兩個斜向的箭頭表示光線。它的文字符號是“ RL ”。
第 3 種是壓敏電阻器的符號,壓敏電阻阻值是隨電阻器兩端所加的電壓而變化的。符號見圖 1 ( k ),用字符 U 表示電壓。它的文字符號是“ RV ”。
這三種電阻器實際上都是半導體器件,但習慣上我們仍把它們當作電阻器。
第 4 種特殊電阻器符號是表示新近出現的保險電阻,它兼有電阻器和熔絲的作用。當溫度超過 500℃ 時,電阻層迅速剝落熔斷,把電路切斷,能起到保護電路的作用。它的電阻值很小,目前在彩電中用得很多。它的圖形符號見圖 1 ( 1 ),文字符號是“ R F ”。
電容器的符號
詳見圖2 所示 ,其中( a )表示容量固定的電容器,( b )表示有極性電容器,例如各種電解電容器,( c )表示容量可調的可變電容器。( d )表示微調電容器,( e )表示一個雙連可變電容器。電容器的文字符號是 C 。

電感器與變壓器的符號
電感線圈在電路圖中的圖形符號見圖 3 。其中( a )是電感線圈的一般符號,( b )是帶磁芯或鐵芯的線圈,( c )是鐵芯有間隙的線圈,( d )是帶可調磁芯的可調電感,( e )是有多個抽頭的電感線圈。電感線圈的文字符號是“ L ”。

變壓器的圖形符號見圖 4 。其中( a )是空芯變壓器,( b )是滋芯或鐵芯變壓器,( c )是繞組間有屏蔽層的鐵芯變壓器,( d )是次級有中心抽頭的變壓器,( e )是耦合可變的變壓器,( f )是自耦變壓器,( g )是帶可調磁芯的變壓器,( h )中的小圓點是變壓器極性的標記。

送話器、拾音器和錄放音磁頭的符號
送話器的符號見圖 5 ? ( a )( b )( c ),其中( a )為一般送話器的圖形符號,( b )是電容式送話器,( c )是壓電晶體式送話器的圖形符號。送話器的文字符號是“ BM ”。

拾音器俗稱電唱頭。圖 5 ( d )是立體聲唱頭的圖形符號,它的文字符號是“ B ”。圖 5 ( e )是單聲道錄放音磁頭的圖形符號。如果是雙聲道立體聲的,就在符號上加一個“ 2 ”字,見圖( f )。
揚聲器、耳機的符號
揚聲器、耳機都是把電信號轉換成聲音的換能元件。耳機的符號見圖 5 ( g )。它的文字符號是“ B E ”。揚聲器的符號見圖 5 ( h ),它的文字符號是“ BL ”。
接線元件的符號
電子電路中常常需要進行電路的接通、斷開或轉換,這時就要使用接線元件。接線元件有兩大類:一類是開關;另一類是接插件。
( 1 )開關的符號
在機電式開關中至少有一個動觸點和一個靜觸點。當我們用手扳動、推動或是旋轉開關的機構,就可以使動觸點和靜觸點接通或者斷開,達到接通或斷開電路的目的。
動觸點和靜觸點的組合一般有 3 種: ① 動合(常開)觸點,符號見圖 6 ( a );② 動斷(常閉)觸點,符號是圖 6 ( b );③ 動換(轉換)觸點,符號見圖 6 ( c )。一個最簡單的開關只有一組觸點,而復雜的開關就有好幾組觸點。

開關在電路圖中的圖形符號見圖 7。其中( a )表示一般手動開關;( b )表示按鈕開關,帶一個動斷觸點;( c )表示推拉式開關,帶一組轉換觸點;圖中把扳鍵畫在觸點下方表示推拉的動作;( d )表示旋轉式開關,帶 3 極同時動合的觸點;( e )表示推拉式 1×6 波段開關;( f )表示旋轉式 1×6 波段開關的符號。開關的文字符號用“ S ”,對控制開關、波段開關可以用“ SA ”,對按鈕式開關可以用“ SB ”。

( 2 )接插件的符號
接插件的圖形符號見圖 8 。其中( a )表示一個插頭和一個插座,(有兩種表示方式)左邊表示插座,右邊表示插頭。( b )表示一個已經插入插座的插頭。( c )表示一個 2 極插頭座,也稱為 2 芯插頭座。( d )表示一個 3 極插頭座,也就是常用的 3 芯立體聲耳機插頭座。( e )表示一個 6 極插頭座。為了簡化也可以用圖( f )表示,在符號上方標上數字 6 ,表示是 6 極。接插件的文字符號是 X 。為了區分,可以用“ XP ”表示插頭,用“ XS ”表示插座。

繼電器的符號
因為繼電器是由線圈和觸點組兩部分組成的,所以繼電器在電路圖中的圖形符號也包括兩部分:
一個長方框表示線圈;一組觸點符號表示觸點組合。當觸點不多電路比較簡單時,往往把觸點組直接畫在線圈框的一側,這種畫法叫集中表示法,如圖 9 ( a )。當觸點較多而且每對觸點所控制的電路又各不相同時,為了方便,常常采用分散表示法。就是把線圈畫在控制電路中,把觸點按各自的工作對象分別畫在各個受控電路里。這種畫法對簡化和分析電路有利。但這種畫法必須在每對觸點旁注上繼電器的編號和該觸點的編號,并且規定所有的觸點都應該按繼電器不通電的原始狀態畫出。
圖 9 ( b )是一個觸摸開關。當人手觸摸到金屬片 A 時, 555 時基電路輸出( 3 端)高電位,使繼電器 KR1 通電,觸點閉合使燈點亮使電鈴發聲。555 時基電路是控制部分,使用的是 6 伏低壓電。電燈和電鈴是受控部分,使用的是 220 伏市電。

繼電器的文字符號都是“ K ”。有時為了區別,交流繼電器用“ KA ”,電磁繼電器和舌簧繼電器可以用“ KR ”,時間繼電器可以用“ KT ”。
電池及熔斷器符號
電池的圖形符號見圖 10 。長線表示正極,短線表示負極,有時為了強調可以把短線畫得粗一些。圖 10 ( b )是表示一個電池組。有時也可以把電池組簡化地畫成一個電池,但要在旁邊注上電壓或電池的數量。圖 10 ( c )是光電池的圖形符號。電池的文字符號為“ GB ”。熔斷器的圖形符號見圖 11 ,它的文字符號是“ FU ”。

二極管、三極管符號
半導體二極管在電路圖中的圖形符號見圖 12 。其中( a )為一段二極管的符號,箭頭所指的方向就是電流流動的方向,就是說在這個二級管上端接正,下端接負電壓時它就能導通。圖( b )是穩壓二極管符號。圖( c )是變容二極管符號,旁邊的電容器符號表示它的結電容是隨著二極管兩端的電壓變化的。圖( d )是熱敏二極管符號。圖( e )是發光二極管符號,用兩個斜向放射的箭頭表示它能發光。圖( f )是磁敏二極管符號,它能對外加磁場作出反應,常被制成接近開關而用在自動控制方面。二極管的文字符號用“ V ”,有時為了和三極管區別,也可能用“ VD ”來表示。

由于 PNP 型和 NPN 型三極管在使用時對電源的極性要求是不同的,所以在三極管的圖形符號中應該能夠區別和表示出來。圖形符號的標準規定:只要是 PNP 型三極管,不管它是用鍺材料的還是用硅材料的,都用圖 13 ( a )來表示。同樣,只要是 NPN 型三極管,不管它是用鍺材料還是硅材料的,都用圖 13 ( b )來表示。圖 13 ( c )是光敏三極管的符號。圖 13 ( d )表示一個硅 NPN 型磁敏三極管。

晶閘管、單結晶體管、場效應管的符號
晶閘管是晶體閘流管或可控硅整流器的簡稱,常用的有單向晶閘管、雙向晶閘管和光控晶閘管,它們的符號分別為圖 14 中的( a )( b )( c )。晶閘管的文字符號是“ VS ”。

單結晶體管的符號見圖 15 。

利用電場控制的半導體器件,稱為場效應管,它的符號如圖 16 所示,其中( a )表示 N 溝道結型場效應管,( b )表示 N 溝道增強型絕緣柵場效應管,( c )表示 P 溝道耗盡型絕緣柵場效應管。它們的文字符號也是“ VT ”。

前面介紹了電路圖中的元器件的作用和符號。一張電路圖通常有幾十乃至幾百個元器件,它們的連線縱橫交叉,形式變化多端,初學者往往不知道該從什么地方開始,怎樣才能讀懂它。
其實電子電路本身有很強的規律性,不管多復雜的電路,經過分析可以發現,它是由少數幾個單元電路組成的。好象孩子們玩的積木,雖然只有十來種或二三十種塊塊,可是在孩子們手中卻可以搭成幾十乃至幾百種平面圖形或立體模型。
同樣道理,再復雜的電路,經過分析就可發現,它也是由少數幾個單元電路組成的。因此初學者只要先熟悉常用的基本單元電路,再學會分析和分解電路的本領,看懂一般的電路圖應該是不難的。
按單元電路的功能可以把它們分成若干類,每一類又有好多種,全部單元電路大概總有幾百種。下面我們選最常用的基本單元電路來介紹。讓我們從電源電路開始。
電源電路的功能和組成
每個電子設備都有一個供給能量的電源電路。電源電路有整流電源、逆變電源和變頻器三種。常見的家用電器中多數要用到直流電源。直流電源的最簡單的供電方法是用電池。但電池有成本高、體積大、需要不時更換(蓄電池則要經常充電)的缺點,因此最經濟可靠而又方便的是使用整流電源。
電子電路中的電源一般是低壓直流電,所以要想從 220 伏市電變換成直流電,應該先把 220 伏交流變成低壓交流電,再用整流電路變成脈動的直流電,最后用濾波電路濾除脈動直流電中的交流成分后才能得到直流電。有的電子設備對電源的質量要求很高,所以有時還需要再增加一個穩壓電路。因此整流電源的組成一般有四大部分,見圖 1 。其中變壓電路其實就是一個鐵芯變壓器,需要介紹的只是后面三種單元電路。

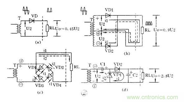
整流電路
整流電路是利用半導體二極管的單向導電性能把交流電變成單向脈動直流電的電路。
( 1 )半波整流
半波整流電路只需一個二極管,見圖 2 ( a )。在交流電正半周時 VD 導通,負半周時 VD 截止,負載 R 上得到的是脈動的直流電。

( 2 )全波整流
全波整流要用兩個二極管,而且要求變壓器有帶中心抽頭的兩個圈數相同的次級線圈,見圖 2 ( b )。負載 R L 上得到的是脈動的全波整流電流,輸出電壓比半波整流電路高。
( 3 )全波橋式整流
用 4 個二極管組成的橋式整流電路可以使用只有單個次級線圈的變壓器,見圖 2 ( c )。負載上的電流波形和輸出電壓值與全波整流電路相同。
( 4 )倍壓整流
用多個二極管和電容器可以獲得較高的直流電壓。圖 2 ( d )是一個二倍壓整流電路。當 U2 為負半周時 VD1 導通, C1 被充電, C1 上最高電壓可接近 1.4U2 ;當 U2 正半周時 VD2 導通, C1 上的電壓和 U2 疊加在一起對 C2 充電,使 C2 上電壓接近 2.8U2 ,是 C1 上電壓的 2 倍,所以叫倍壓整流電路。
濾波電路
整流后得到的是脈動直流電,如果加上濾波電路濾除脈動直流電中的交流成分,就可得到平滑的直流電。
( 1 )電容濾波
把電容器和負載并聯,如圖 3 ( a ),正半周時電容被充電,負半周時電容放電,就可使負載上得到平滑的直流電。

( 2 )電感濾波
把電感和負載串聯起來,如圖 3 ( b ),也能濾除脈動電流中的交流成分。
( 3 ) L 、 C 濾波
用 1 個電感和 1 個電容組成的濾波電路因為象一個倒寫的字母“ L ”,被稱為 L 型,見圖 3 ( c )。用 1 個電感和 2 個電容的濾波電路因為象字母“ π ”,被稱為 π 型,見圖 3 ( d ),這是濾波效果較好的電路。
( 4 ) RC 濾波
電感器的成本高、體積大,所以在電流不太大的電子電路中常用電阻器取代電感器而組成 RC 濾波電路。同樣,它也有 L 型,見圖 3 ( e );π 型,見圖 3 ( f )。
穩壓電路
交流電網電壓的波動和負載電流的變化都會使整流電源的輸出電壓和電流隨之變動,因此要求較高的電子電路必須使用穩壓電源。
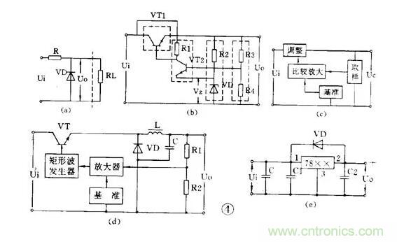
(1 )穩壓管并聯穩壓電路
用一個穩壓管和負載并聯的電路是最簡單的穩壓電路,見圖 4 ( a )。圖中 R 是限流電阻。這個電路的輸出電流很小,它的輸出電壓等于穩壓管的穩定電壓值 V Z 。

(2 )串聯型穩壓電路
有放大和負反饋作用的串聯型穩壓電路是最常用的穩壓電路。它的電路和框圖見圖 4 ( b )、( c )。它是從取樣電路( R3 、 R4 )中檢測出輸出電壓的變動,與基準電壓( V Z )比較并經放大器( VT2 )放大后加到調整管( VT1 )上,使調整管兩端的電壓隨著變化。如果輸出電壓下降,就使調整管管壓降也降低,于是輸出電壓被提升;如果輸出電壓上升,就使調整管管壓降也上升,于是輸出電壓被壓低,結果就使輸出電壓基本不變。在這個電路的基礎上發展成很多變型電路或增加一些輔助電路,如用復合管作調整管,輸出電壓可調的電路,用運算放大器作比較放大的電路,以及增加輔助電源和過流保護電路等。
( 3 )開關型穩壓電路
近年來廣泛應用的新型穩壓電源是開關型穩壓電源。它的調整管工作在開關狀態,本身功耗很小,所以有效率高、體積小等優點,但電路比較復雜。
開關穩壓電源從原理上分有很多種。它的基本原理框圖見圖 4 ( d )。圖中電感 L 和電容 C 是儲能和濾波元件,二極管 VD 是調整管在關斷狀態時為 L 、 C 濾波器提供電流通路的續流二極管。開關穩壓電源的開關頻率都很高,一般為幾~幾十千赫,所以電感器的體積不很大,輸出電壓中的高次諧波也不多。
它的基本工作原理是 : 從取樣電路( R3 、 R4 )中檢測出取樣電壓經比較放大后去控制一個矩形波發生器。矩形波發生器的輸出脈沖是控制調整管( VT )的導通和截止時間的。如果輸出電壓 U 0 因為電網電壓或負載電流的變動而降低,就會使矩形波發生器的輸出脈沖變寬,于是調整管導通時間增大,使 L 、 C 儲能電路得到更多的能量,結果是使輸出電壓 U 0 被提升,達到了穩定輸出電壓的目的。
( 4 )集成化穩壓電路
近年來已有大量集成穩壓器產品問世,品種很多,結構也各不相同。目前用得較多的有三端集成穩壓器,有輸出正電壓的 CW7800 系列和輸出負電壓的 CW7900 系列等產品。輸出電流從 0.1A ~ 3A ,輸出電壓有 5V 、 6V 、 9V 、 12V 、 15V 、 18V 、 24V 等多種。
這種集成穩壓器只有三個端子,穩壓電路的所有部分包括大功率調整管以及保護電路等都已集成在芯片內。使用時只要加上散熱片后接到整流濾波電路后面就行了。外圍元件少,穩壓精度高,工作可靠,一般不需調試。
圖 4 ( e )是一個三端穩壓器電路。圖中 C 是主濾波電容, C1 、 C2 是消除寄生振蕩的電容 ,VD 是為防止輸入短路燒壞集成塊而使用的保護二極管。
電源電路讀圖要點和舉例
電源電路是電子電路中比較簡單然而卻是應用最廣的電路。拿到一張電源電路圖時,應該:
① 先按“整流 — 濾波 — 穩壓”的次序把整個電源電路分解開來,逐級細細分析。
② 逐級分析時要分清主電路和輔助電路、主要元件和次要元件,弄清它們的作用和參數要求等。例如開關穩壓電源中,電感電容和續流二極管就是它的關鍵元件。
③ 因為晶體管有 NPN 和 PNP 型兩類,某些集成電路要求雙電源供電,所以一個電源電路往往包括有不同極性不同電壓值和好幾組輸出。讀圖時必須分清各組輸出電壓的數值和極性。在組裝和維修時也要仔細分清晶體管和電解電容的極性,防止出錯。
④ 熟悉某些習慣畫法和簡化畫法。⑤ 最后把整個電源電路從前到后全面綜合貫通起來。這張電源電路圖也就讀懂了。
例 1 電熱毯控溫電路
圖 5 是一個電熱毯電路。開關在“ 1 ”的位置是低溫檔。220 伏市電經二極管后接到電熱毯,因為是半波整流,電熱毯兩端所加的是約 100 伏的脈動直流電,發熱不高,所以是保溫或低溫狀態。開關扳到“ 2 ”的位置, 220 伏市電直接接到電熱毯上,所以是高溫檔。

例 2 高壓電子滅蚊蠅器
圖 6 是利用倍壓整流原理得到小電流直流高壓電的滅蚊蠅器。 220 伏交流經過四倍壓整流后輸出電壓可達 1100 伏,把這個直流高壓加到平行的金屬絲網上。網下放誘餌,當蒼蠅停在網上時造成短路,電容器上的高壓通過蒼蠅身體放電把蠅擊斃。蒼蠅尸體落下后,電容器又被充電,電網又恢復高壓。這個高壓電網電流很小,因此對人無害。

由于昆蟲夜間有趨光性,因此如在這電網后面放一個 3 瓦熒光燈或小型黑光燈,就可以誘殺蚊蟲和有害昆蟲。
例 3 實用穩壓電源
圖 7 是一個實用的穩壓電源。輸出電壓 3 ~ 9 伏可調,輸出電流最大 100 毫安。這個電路就是串聯型穩壓電源電路。要注意的是 :① 整流橋的畫法和圖 2 ( c )不同,實際上它就是橋式整流電路。② 這個電路使用 PNP 型鍺管,所以輸出是負電壓,正極接地。③ 用兩個普通二極管代替穩壓管。任何二極管的正向壓降都是基本不變的,因此可用二極管代替穩壓管。2AP 型二極管的正向壓降約是 0.3 伏, 2CP 型約是 0.7 伏, 2CZ 型約是 1 伏。圖中用了兩個 2CZ 二極管作基準電壓。④ 取樣電阻是一個電位器,所以輸出電壓是可調的。

能夠把微弱的信號放大的電路叫做放大電路或放大器。例如助聽器里的關鍵部件就是一個放大器。
放大電路的用途和組成
放大器有交流放大器和直流放大器。交流放大器又可按頻率分為低頻、中源和高頻;接輸出信號強弱分成電壓放大、功率放大等。此外還有用集成運算放大器和特殊晶體管作器件的放大器。它是電子電路中最復雜多變的電路。但初學者經常遇到的也只是少數幾種較為典型的放大電路。
讀放大電路圖時也還是按照“逐級分解、抓住關鍵、細致分析、全面綜合”的原則和步驟進行。首先把整個放大電路按輸入、輸出逐級分開,然后逐級抓住關鍵進行分析弄通原理。放大電路有它本身的特點:一是有靜態和動態兩種工作狀態,所以有時往往要畫出它的直流通路和交流通路才能進行分析;二是電路往往加有負反饋,這種反饋有時在本級內,有時是從后級反饋到前級,所以在分析這一級時還要能“瞻前顧后”。在弄通每一級的原理之后就可以把整個電路串通起來進行全面綜合。
下面我們介紹幾種常見的放大電路:
低頻電壓放大器
低頻電壓放大器是指工作頻率在 20 赫~ 20 千赫之間、輸出要求有一定電壓值而不要求很強的電流的放大器。
( 1 )共發射極放大電路
圖 1 ( a )是共發射極放大電路。 C1 是輸入電容, C2 是輸出電容,三極管 VT 就是起放大作用的器件, RB 是基極偏置電阻 ,RC 是集電極負載電阻。1 、 3 端是輸入, 2 、 3 端是輸出。3 端是公共點,通常是接地的,也稱“地”端。靜態時的直流通路見圖 1 ( b ),動態時交流通路見圖 1 ( c )。電路的特點是電壓放大倍數從十幾到一百多,輸出電壓的相位和輸入電壓是相反的,性能不夠穩定,可用于一般場合。

( 2 )分壓式偏置共發射極放大電路
圖 2 比圖 1 多用 3 個元件。基極電壓是由 RB1 和 RB2 分壓取得的,所以稱為分壓偏置。發射極中增加電阻 RE 和電容 CE , CE 稱交流旁路電容,對交流是短路的;RE 則有直流負反饋作用。所謂反饋是指把輸出的變化通過某種方式送到輸入端,作為輸入的一部分。如果送回部分和原來的輸入部分是相減的,就是負反饋。圖中基極真正的輸入電壓是 RB2 上電壓和 RE 上電壓的差值,所以是負反饋。由于采取了上面兩個措施,使電路工作穩定性能提高,是應用最廣的放大電路。

( 3 )射極輸出器
圖 3 ( a )是一個射極輸出器。它的輸出電壓是從射極輸出的。圖 3 ( b )是它的交流通路圖,可以看到它是共集電極放大電路。

這個圖中,晶體管真正的輸入是 V i 和 V o 的差值,所以這是一個交流負反饋很深的電路。由于很深的負反饋,這個電路的特點是:電壓放大倍數小于 1 而接近 1 ,輸出電壓和輸入電壓同相,輸入阻抗高輸出阻抗低,失真小,頻帶寬,工作穩定。它經常被用作放大器的輸入級、輸出級或作阻抗匹配之用。
( 4 )低頻放大器的耦合
一個放大器通常有好幾級,級與級之間的聯系就稱為耦合。放大器的級間耦合方式有三種:①RC 耦合,見圖 4 ( a )。優點是簡單、成本低。但性能不是最佳。② 變壓器耦合,見圖 4 ( b )。優點是阻抗匹配好、輸出功率和效率高,但變壓器制作比較麻煩。③ 直接耦合,見圖 4 ( c )。優點是頻帶寬,可作直流放大器使用,但前后級工作有牽制,穩定性差,設計制作較麻煩。

功率放大器
能把輸入信號放大并向負載提供足夠大的功率的放大器叫功率放大器。例如收音機的末級放大器就是功率放大器。
( 1 )甲類單管功率放大器

圖 5 是單管功率放大器, C1 是輸入電容, T 是輸出變壓器。它的集電極負載電阻 Ri′ 是將負載電阻 R L 通過變壓器匝數比折算過來的:
RC′= ( N1 N2 ) 2 RL=N 2 RL
負載電阻是低阻抗的揚聲器,用變壓器可以起阻抗變換作用,使負載得到較大的功率。
這個電路不管有沒有輸入信號,晶體管始終處于導通狀態,靜態電流比較大,困此集電極損耗較大,效率不高,大約只有 35 %。這種工作狀態被稱為甲類工作狀態。這種電路一般用在功率不太大的場合,它的輸入方式可以是變壓器耦合也可以是 RC 耦合。
( 2 )乙類推挽功率放大器
圖 6 是常用的乙類推挽功率放大電路。它由兩個特性相同的晶體管組成對稱電路,在沒有輸入信號時,每個管子都處于截止狀態,靜態電流幾乎是零,只有在有信號輸入時管子才導通,這種狀態稱為乙類工作狀態。當輸入信號是正弦波時,正半周時 VT1 導通 VT2 截止,負半周時 VT2 導通 VT1 截止。兩個管子交替出現的電流在輸出變壓器中合成,使負載上得到純正的正弦波。這種兩管交替工作的形式叫做推挽電路。

乙類推挽放大器的輸出功率較大,失真也小,效率也較高,一般可達 60 %。
( 3 ) OTL 功率放大器
目前廣泛應用的無變壓器乙類推挽放大器,簡稱 OTL 電路,是一種性能很好的功率放大器。為了易于說明,先介紹一個有輸入變壓器沒有輸出變壓器的 OTL 電路,如圖 7 。

這個電路使用兩個特性相同的晶體管,兩組偏置電阻和發射極電阻的阻值也相同。在靜態時, VT1 、 VT2 流過的電流很小,電容 C 上充有對地為 1 2 E c 的直流電壓。在有輸入信號時,正半周時 VT1 導通, VT2 截止,集電極電流 i c1 方向如圖所示,負載 RL 上得到放大了的正半周輸出信號。負半周時 VT1 截止, VT2 導通,集電極電流 i c2 的方向如圖所示, RL 上得到放大了的負半周輸出信號。這個電路的關鍵元件是電容器 C ,它上面的電壓就相當于 VT2 的供電電壓。
以這個電路為基礎,還有用三極管倒相的不用輸入變壓器的真正 OTL 電路,用 PNP 管和 NPN 管組成的互補對稱式 OTL 電路,以及最新的橋接推挽功率放大器,簡稱 BTL 電路等等。
直流放大器
能夠放大直流信號或變化很緩慢的信號的電路稱為直流放大電路或直流放大器。測量和控制方面常用到這種放大器。
( 1 )雙管直耦放大器
直流放大器不能用 RC 耦合或變壓器耦合,只能用直接耦合方式。圖 8 是一個兩級直耦放大器。直耦方式會帶來前后級工作點的相互牽制,電路中在 VT2 的發射極加電阻 R E 以提高后級發射極電位來解決前后級的牽制。直流放大器的另一個更重要的問題是零點漂移。所謂零點漂移是指放大器在沒有輸入信號時,由于工作點不穩定引起靜態電位緩慢地變化,這種變化被逐級放大,使輸出端產生虛假信號。放大器級數越多,零點漂移越嚴重。所以這種雙管直耦放大器只能用于要求不高的場合。

( 2 )差分放大器
解決零點漂移的辦法是采用差分放大器,圖 9 是應用較廣的射極耦合差分放大器。它使用雙電源,其中 VT1 和 VT2 的特性相同,兩組電阻數值也相同, R E 有負反饋作用。實際上這是一個橋形電路,兩個 R C 和兩個管子是四個橋臂,輸出電壓 V 0 從電橋的對角線上取出。沒有輸入信號時,因為 RC1=RC2 和兩管特性相同,所以電橋是平衡的,輸出是零。由于是接成橋形,零點漂移也很小。

差分放大器有良好的穩定性,因此得到廣泛的應用。
集成運算放大器
集成運算放大器是一種把多級直流放大器做在一個集成片上,只要在外部接少量元件就能完成各種功能的器件。因為它早期是用在模擬計算機中做加法器、乘法器用的,所以叫做運算放大器。它有十多個引腳,一般都用有 3 個端子的三角形符號表示,如圖 10 。它有兩個輸入端、 1 個輸出端,上面那個輸入端叫做反相輸入端,用“ — ”作標記;下面的叫同相輸入端,用“+”作標記。

集成運算放大器可以完成加、減、乘、除、微分、積分等多種模擬運算,也可以接成交流或直流放大器應用。在作放大器應用時有:
( 1 )帶調零的同相輸出放大電路
圖 11 是帶調零端的同相輸出運放電路。引腳 1 、 11 、 12 是調零端,調整 RP 可使輸出端( 8 )在靜態時輸出電壓為零。9 、 6 兩腳分別接正、負電源。輸入信號接到同相輸入端( 5 ),因此輸出信號和輸入信號同相。放大器負反饋經反饋電阻 R2 接到反相輸入端( 4 )。同相輸入接法的電壓放大倍數總是大于 1 的。

( 2 )反相輸出運放電路
也可以使輸入信號從反相輸入端接入,如圖 12 。如對電路要求不高,可以不用調零,這時可以把 3 個調零端短路。

輸入信號從耦合電容 C1 經 R1 接入反相輸入端,而同相輸入端通過電阻 R3 接地。反相輸入接法的電壓放大倍數可以大于 1 、等于 1 或小于 1 。
( 3 )同相輸出高輸入阻抗運放電路
圖 13 中沒有接入 R1 ,相當于 R1 阻值無窮大,這時電路的電壓放大倍數等于 1 ,輸入阻抗可達幾百千歐。

放大電路讀圖要點和舉例
放大電路是電子電路中變化較多和較復雜的電路。在拿到一張放大電路圖時,首先要把它逐級分解開,然后一級一級分析弄懂它的原理,最后再全面綜合。
讀圖時要注意:
① 在逐級分析時要區分開主要元器件和輔助元器件。放大器中使用的輔助元器件很多,如偏置電路中的溫度補償元件,穩壓穩流元器件,防止自激振蕩的防振元件、去耦元件,保護電路中的保護元件等。
② 在分析中最主要和困難的是反饋的分析,要能找出反饋通路,判斷反饋的極性和類型,特別是多級放大器,往往以后級將負反饋加到前級,因此更要細致分析。
③ 一般低頻放大器常用 RC 耦合方式;高頻放大器則常常是和 LC 調諧電路有關的,或是用單調諧或是用雙調諧電路,而且電路里使用的電容器容量一般也比較小。
④ 注意晶體管和電源的極性,放大器中常常使用雙電源,這是放大電路的特殊性。
例 1 助聽器電路
圖 14 是一個助聽器電路,實際上是一個 4 級低頻放大器。 VT1 、 VT2 之間和 VT3 、 VT4 之間采用直接耦合方式, VT2 和 VT3 之間則用 RC 耦合。為了改善音質, VT1 和 VT3 的本級有并聯電壓負反饋( R2 和 R7 )。由于使用高阻抗的耳機,所以可以把耳機直接接在 VT4 的集電極回路內。R6 、 C2 是去耦電路, C6 是電源濾波電容。

例 2 收音機低放電路
圖 15 是普及型收音機的低放電路。電路共 3 級,第 1 級( VT1 )前置電壓放大,第 2 級( VT2 )是推動級,第 3 級( VT3 、 VT4 )是推挽功放。VT1 和 VT2 之間采用直接耦合, VT2 和 VT3 、 VT4 之間用輸入變壓器( T1 )耦合并完成倒相,最后用輸出變壓器( T2 )輸出,使用低阻揚聲器。此外, VT1 本級有并聯電壓負反饋( R1 ), T2 次級經 R3 送回到 VT2 有串聯電壓負反饋。電路中 C2 的作用是增強高音區的負反饋,減弱高音以增強低音。R4 、 C4 為去耦電路, C3 為電源的濾波電容。整個電路簡單明了。

振蕩電路的用途和振蕩條件
不需要外加信號就能自動地把直流電能轉換成具有一定振幅和一定頻率的交流信號的電路就稱為振蕩電路或振蕩器。這種現象也叫做自激振蕩。或者說,能夠產生交流信號的電路就叫做振蕩電路。
一個振蕩器必須包括三部分:放大器、正反饋電路和選頻網絡。
放大器能對振蕩器輸入端所加的輸入信號予以放大使輸出信號保持恒定的數值。正反饋電路保證向振蕩器輸入端提供的反饋信號是相位相同的,只有這樣才能使振蕩維持下去。選頻網絡則只允許某個特定頻率 f 0 能通過,使振蕩器產生單一頻率的輸出。
振蕩器能不能振蕩起來并維持穩定的輸出是由以下兩個條件決定的:
一個是反饋電壓 u f 和輸入電壓 U i 要相等,這是振幅平衡條件。二是 u f 和 u i 必須相位相同,這是相位平衡條件,也就是說必須保證是正反饋。一般情況下,振幅平衡條件往往容易做到,所以在判斷一個振蕩電路能否振蕩,主要是看它的相位平衡條件是否成立。
振蕩器按振蕩頻率的高低可分成超低頻( 20 赫以下)、低頻( 20 赫~ 200 千赫)、高頻( 200 千赫~ 30 兆赫)和超高頻( 10 兆赫~ 350 兆赫)等幾種。按振蕩波形可分成正弦波振蕩和非正弦波振蕩兩類。
正弦波振蕩器按照選頻網絡所用的元件可以分成 LC 振蕩器、 RC 振蕩器和石英晶體振蕩器三種。石英晶體振蕩器有很高的頻率穩定度,只在要求很高的場合使用。在一般家用電器中,大量使用著各種 L C 振蕩器和 RG 振蕩器。
LC 振蕩器
LC 振蕩器的選頻網絡是 LC 諧振電路。它們的振蕩頻率都比較高,常見電路有 3 種。
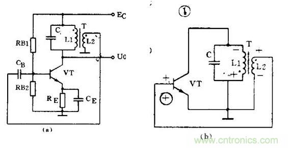
( 1 )變壓器反饋 LC 振蕩電路

圖 1 ( a )是變壓器反饋 LC 振蕩電路。晶體管 VT 是共發射極放大器。變壓器 T 的初級是起選頻作用的 LC 諧振電路,變壓器 T 的次級向放大器輸入提供正反饋信號。接通電源時, LC 回路中出現微弱的瞬變電流,但是只有頻率和回路諧振頻率 f 0 相同的電流才能在回路兩端產生較高的電壓,這個電壓通過變壓器初次級 L1 、 L2 的耦合又送回到晶體管 V 的基極。從圖 1 ( b )看到,只要接法沒有錯誤,這個反饋信號電壓是和輸入信號電壓相位相同的,也就是說,它是正反饋。因此電路的振蕩迅速加強并最后穩定下來。
變壓器反饋 LC 振蕩電路的特點是:頻率范圍寬、容易起振,但頻率穩定度不高。它的振蕩頻率是:f 0 =1 / 2π LC 。常用于產生幾十千赫到幾十兆赫的正弦波信號。
( 2 )電感三點式振蕩電路
圖 2 ( a )是另一種常用的電感三點式振蕩電路。圖中電感 L1 、 L2 和電容 C 組成起選頻作用的諧振電路。從 L2 上取出反饋電壓加到晶體管 VT 的基極。從圖 2 ( b )看到,晶體管的輸入電壓和反饋電壓是同相的,滿足相位平衡條件的,因此電路能起振。由于晶體管的 3 個極是分別接在電感的 3 個點上的,因此被稱為電感三點式振蕩電路。
電感三點式振蕩電路的特點是:頻率范圍寬、容易起振,但輸出含有較多高次調波,波形較差。它的振蕩頻率是:f 0 =1/2π LC ,其中 L=L1 + L2 + 2M 。常用于產生幾十兆赫以下的正弦波信號。
( 3 )電容三點式振蕩電路

還有一種常用的振蕩電路是電容三點式振蕩電路,見圖 3 ( a )。圖中電感 L 和電容 C1 、 C2 組成起選頻作用的諧振電路,從電容 C2 上取出反饋電壓加到晶體管 VT 的基極。從圖 3 ( b )看到,晶體管的輸入電壓和反饋電壓同相,滿足相位平衡條件,因此電路能起振。由于電路中晶體管的 3 個極分別接在電容 C1 、 C2 的 3 個點上,因此被稱為電容三點式振蕩電路。
電容三點式振蕩電路的特點是:頻率穩定度較高,輸出波形好,頻率可以高達 100 兆赫以上,但頻率調節范圍較小,因此適合于作固定頻率的振蕩器。它的振蕩頻率是:f 0 =1/2π LC ,其中 C= C 1 C 2 C 1 +C 2 。
上面 3 種振蕩電路中的放大器都是用的共發射極電路。共發射極接法的振蕩器增益較高,容易起振。也可以把振蕩電路中的放大器接成共基極電路形式。共基極接法的振蕩器振蕩頻率比較高,而且頻率穩定性好。
RC 振蕩器
RC 振蕩器的選頻網絡是 RC 電路,它們的振蕩頻率比較低。常用的電路有兩種。
( 1 ) RC 相移振蕩電路

圖 4 ( a )是 RC 相移振蕩電路。電路中的 3 節 RC 網絡同時起到選頻和正反饋的作用。從圖 4 ( b )的交流等效電路看到:因為是單級共發射極放大電路,晶體管 VT 的輸出電壓 U o 與輸出電壓 U i 在相位上是相差 180° 。當輸出電壓經過 RC 網絡后,變成反饋電壓 U f 又送到輸入端時,由于 RC 網絡只對某個特定頻率 f 0 的電壓產生 180° 的相移,所以只有頻率為 f 0 的信號電壓才是正反饋而使電路起振。可見 RC 網絡既是選頻網絡,又是正反饋電路的一部分。
RC 相移振蕩電路的特點是:電路簡單、經濟,但穩定性不高,而且調節不方便。一般都用作固定頻率振蕩器和要求不太高的場合。它的振蕩頻率是:當 3 節 RC 網絡的參數相同時:f 0 = 1 2π 6RC 。頻率一般為幾十千赫。
( 2 ) RC 橋式振蕩電路

圖 5 ( a )是一種常見的 RC 橋式振蕩電路。圖中左側的 R1C1 和 R2C2 串并聯電路就是它的選頻網絡。這個選頻網絡又是正反饋電路的一部分。這個選頻網絡對某個特定頻率為 f 0 的信號電壓沒有相移(相移為 0° ),其它頻率的電壓都有大小不等的相移。由于放大器有 2 級,從 V2 輸出端取出的反饋電壓 U f 是和放大器輸入電壓同相的( 2 級相移 360°=0° )。因此反饋電壓經選頻網絡送回到 VT1 的輸入端時,只有某個特定頻率為 f 0 的電壓才能滿足相位平衡條件而起振。可見 RC 串并聯電路同時起到了選頻和正反饋的作用。
實際上為了提高振蕩器的工作質量,電路中還加有由 R t 和 R E1 組成的串聯電壓負反饋電路。其中 R t 是一個有負溫度系數的熱敏電阻,它對電路能起到穩定振蕩幅度和減小非線性失真的作用。從圖 5 ( b )的等效電路看到,這個振蕩電路是一個橋形電路。R1C1 、 R2C2 、 R t 和 R E1 分別是電橋的 4 個臂,放大器的輸入和輸出分別接在電橋的兩個對角線上,所以被稱為 RC 橋式振蕩電路。
RC 橋式振蕩電路的性能比 RC 相移振蕩電路好。它的穩定性高、非線性失真小,頻率調節方便。它的振蕩頻率是:當 R1=R2=R 、 C1=C2=C 時 f 0 = 1 2πRC 。它的頻率范圍從 1 赫~ 1 兆赫。
調幅和檢波電路
廣播和無線電通信是利用調制技術把低頻聲音信號加到高頻信號上發射出去的。在接收機中還原的過程叫解調。其中低頻信號叫做調制信號,高頻信號則叫載波。常見的連續波調制方法有調幅和調頻兩種,對應的解調方法就叫檢波和鑒頻。
下面我們先介紹調幅和檢波電路。
( 1 )調幅電路
調幅是使載波信號的幅度隨著調制信號的幅度變化,載波的頻率和相應不變。能夠完成調幅功能的電路就叫調幅電路或調幅器。
調幅是一個非線性頻率變換過程,所以它的關鍵是必須使用二極管、三極管等非線性器件。根據調制過程在哪個回路里進行可以把三極管調幅電路分成集電極調幅、基極調幅和發射極調幅 3 種。下面舉集電極調幅電路為例。

圖 6 是集電極調幅電路,由高頻載波振蕩器產生的等幅載波經 T1 加到晶體管基極。低頻調制信號則通過 T3 耦合到集電極中。C1 、 C2 、 C3 是高頻旁路電容, R1 、 R2 是偏置電阻。集電極的 LC 并聯回路諧振在載波頻率上。如果把三極管的靜態工作點選在特性曲線的彎曲部分,三極管就是一個非線性器件。因為晶體管的集電極電流是隨著調制電壓變化的,所以集電極中的 2 個信號就因非線性作用而實現了調幅。由于 LC 諧振回路是調諧在載波的基頻上,因此在 T2 的次級就可得到調幅波輸出。
( 2 )檢波電路
檢波電路或檢波器的作用是從調幅波中取出低頻信號。它的工作過程正好和調幅相反。檢波過程也是一個頻率變換過程,也要使用非線性元器件。常用的有二極管和三極管。另外為了取出低頻有用信號,還必須使用濾波器濾除高頻分量,所以檢波電路通常包含非線性元器件和濾波器兩部分。下面舉二極管檢波器為例說明它的工作。

圖 7 是一個二極管檢波電路。 VD 是檢波元件, C 和 R 是低通濾波器。當輸入的已調波信號較大時,二極管 VD 是斷續工作的。正半周時,二極管導通,對 C 充電;負半周和輸入電壓較小時,二極管截止, C 對 R 放電。在 R 兩端得到的電壓包含的頻率成分很多,經過電容 C 濾除了高頻部分,再經過隔直流電容 C 0 的隔直流作用,在輸出端就可得到還原的低頻信號。
調頻和鑒頻電路
調頻是使載波頻率隨調制信號的幅度變化,而振幅則保持不變。鑒頻則是從調頻波中解調出原來的低頻信號,它的過程和調頻正好相反。
( 1 )調頻電路
能夠完成調頻功能的電路就叫調頻器或調頻電路。常用的調頻方法是直接調頻法,也就是用調制信號直接改變載波振蕩器頻率的方法。圖 8 畫出了它的大意,圖中用一個可變電抗元件并聯在諧振回路上。用低頻調制信號控制可變電抗元件參數的變化,使載波振蕩器的頻率發生變化。

( 2 )鑒頻電路
能夠完成鑒頻功能的電路叫鑒頻器或鑒頻電路,有時也叫頻率檢波器。鑒頻的方法通常分二步,第一步先將等幅的調頻波變成幅度隨頻率變化的調頻 — 調幅波,第二步再用一般的檢波器檢出幅度變化,還原成低頻信號。常用的鑒頻器有相位鑒頻器、比例鑒頻器等。
脈沖電路的用途和特點
在電子電路中,電源、放大、振蕩和調制電路被稱為模擬電子電路,因為它們加工和處理的是連續變化的模擬信號。電子電路中另一大類電路的數字電子電路。它加工和處理的對象是不連續變化的數字信號。數字電子電路又可分成脈沖電路和數字邏輯電路,它們處理的都是不連續的脈沖信號。脈沖電路是專門用來產生電脈沖和對電脈沖進行放大、變換和整形的電路。家用電器中的定時器、報警器、電子開關、電子鐘表、電子玩具以及電子醫療器具等,都要用到脈沖電路。
電脈沖有各式各樣的形狀,有矩形、三角形、鋸齒形、鐘形、階梯形和尖頂形的,最具有代表性的是矩形脈沖。要說明一個矩形脈沖的特性可以用脈沖幅度 Um 、脈沖周期 T 或頻率 f 、脈沖前沿 t r 、脈沖后沿 t f 和脈沖寬度 t k 來表示。如果一個脈沖的寬度 t k =1 / 2T ,它就是一個方波。
脈沖電路和放大振蕩電路最大的不同點,或者說脈沖電路的特點是:脈沖電路中的晶體管是工作在開關狀態的。大多數情況下,晶體管是工作在特性曲線的飽和區或截止區的,所以脈沖電路有時也叫開關電路。從所用的晶體管也可以看出來,在工作頻率較高時都采用專用的開關管,如 2AK 、 2CK 、DK 、 3AK 型管,只有在工作頻率較低時才使用一般的晶體管。
就拿脈沖電路中最常用的反相器電路(圖 1 )來說,從電路形式上看,它和放大電路中的共發射電路很相似。在放大電路中,基極電阻 R b2 是接到正電源上以取得基極偏壓;而這個電路中,為了保證電路可靠地截止, R b2 是接到一個負電源上的,而且 R b1 和 R b2 的數值是按晶體管能可靠地進入飽和區或止區的要求計算出來的。不僅如此,為了使晶體管開關速度更快,在基極上還加有加速電容 C ,在脈前沿產生正向尖脈沖可使晶體管快速進入導通并飽和;在脈沖后沿產生負向尖脈沖使晶體管快速進入截止狀態。除了射極輸出器是個特例,脈沖電路中的晶體管都是工作在開關狀態的,這是一個特點。

脈沖電路的另一個特點是一定有電容器(用電感較少)作關鍵元件,脈沖的產生、波形的變換都離不開電容器的充放電。
產生脈沖的多諧振蕩器
脈沖有各種各樣的用途,有對電路起開關作用的控制脈沖,有起統帥全局作用的時鐘脈沖,有做計數用的計數脈沖,有起觸發啟動作用的觸發脈沖等等。不管是什么脈沖,都是由脈沖信號發生器產生的,而且大多是短形脈沖或以矩形脈沖為原型變換成的。因為矩形脈沖含有豐富的諧波,所以脈沖信號發生器也叫自激多諧振蕩器或簡稱多諧振蕩器。如果用門來作比喻,多諧振蕩器輸出端時開時閉的狀態可以把多諧振蕩器比作賓館的自動旋轉門,它不需要人去推動,總是不停地開門和關門。
( 1 )集基耦合多諧振蕩器
圖 2 是一個典型的分立元件集基耦合多諧振蕩器。它由兩個晶體管反相器經 RC 電路交叉耦合接成正反饋電路組成。兩個電容器交替充放電使兩管交替導通和截止,使電路不停地從一個狀態自動翻轉到另一個狀態,形成自激振蕩。從 A 點或 B 點可得到輸出脈沖。當 R b1 =R b2 =R , C b1 =C b2 =C 時,輸出是幅度接近 E 的方波,脈沖周期 T=1.4RC 。如果兩邊不對稱,則輸出是矩形脈沖。

( 2 ) RC 環形振蕩器
圖 4 是常用的 RC 環形振蕩器。它用奇數個門、首尾相連組成閉環形,環路中有 RC 延時電路。圖中 RS 是保護電阻, R 和 C 是延時電路元件,它們的數值決定脈沖周期。輸出脈沖周期 T=2.2RC 。如果把 R 換成電位器,就成為脈沖頻率可調的多諧振蕩器。因為這種電路簡單可靠,使用方便,頻率范圍寬,可以從幾赫變化到幾兆赫,所以被廣泛應用。

脈沖變換和整形電路
脈沖在工作中有時需要變換波形或幅度,如把矩形脈沖變成三角波或尖脈沖等,具有這種功能的電路就叫變換電路。脈沖在傳送中會造成失真,因此常常要對波形不好的脈沖進行修整,使它整舊如新,具有這種功能的電路就叫整形電路。
( 1 )微分電路
微分電路是脈沖電路中最常用的波形變換電路,它和放大電路中的 RC 耦合電路很相似,見圖 5 。當電路時間常數 τ=RC<<t k="" 時,輸入矩形脈沖,由于電容器充放電極快,輸出可得到一對尖脈沖。輸入脈沖前沿則輸出正向尖脈沖,輸入脈沖后沿則輸出負向尖脈沖。這種尖脈沖常被用作觸發脈沖或計數脈沖。<="" font="" style="word-wrap: break-word; box-sizing: border-box;">

( 2 )積分電路
把圖 5 中的 R 和 C 互換,并使 τ=RC>>t k ,電路就成為積分電路,見圖 6 。當輸入矩形脈沖時,由于電容器充放電很慢,輸出得到的是一串幅度較低的近似三角形的脈沖波。

(3 )限幅器
能限制脈沖幅值的電路稱為限幅器或削波器。圖 7 是用二極管和電阻組成的上限幅電路。它能把輸入的正向脈沖削掉。如果把二極管反接,就成為削掉負脈沖的下限幅電路。

用二極帶或三極管等非線性器件可組成各種限幅器,或是變換波形(如把輸入脈沖變成方波、梯形波、尖脈沖等),或是對脈沖整形(如把輸入高低不平的脈沖系列削平成為整齊的脈沖系列等)。
( 4 )箝位器
能把脈沖電壓維持在某個數值上而使波形保持不變的電路稱為箝位器。它也是整形電路的一種。例如電視信號在傳輸過程中會造成失真,為了使脈沖波形恢復原樣,接收機里就要用箝位電路把波形頂部箝制在某個固定電平上。
圖 8 中反相器輸出端上就有一個箝位二極管 VD 。如果沒有這個二極管,輸出脈沖高電平應該是 12 伏,現在增加了箝位二極管,輸出脈沖高電平被箝制在 3 伏上。

此外,象反相器、射極輸出器等電路也有“整舊如新”的作用,也可認為是整形電路。
有記憶功能的雙穩電路多諧振蕩器的輸出總是時高時低地變換,所以它也叫無穩態電路。另一種雙穩態電路就絕然不同,雙穩電路有兩個輸出端,它們總是處于相反的狀態:一個是高電平,另一個必定是低電平。它的特點是如果沒有外來的觸發,輸出狀態能一直保持不變。所以常被用作寄存二進制數碼的單元電路。
( 1 )集基耦合雙穩電路
圖 9 是用分立元件組成的集基耦合雙穩電路。它由一對用電阻交叉耦合的反相器組成。它的兩個管子總是一管截止一管飽和,例如當 VT1 管飽和時 VT2 管就截止,這時 A 點是低電平 B 點是高電平。如果沒有外來的觸發信號,它就保持這種狀態不變。如把高電平表示數字信號“ 1 ”,低電平表示“ 0 ”,那么這時就可以認為雙穩電路已經把數字信號“ 1 ”寄存在 B 端了。

電路的基極分別加有微分電路。如果在 VT1 基極加上一個負脈沖(稱為觸發脈沖),就會使 VT1 基極電位下降,由于正反饋的作用,使 VT1 很快從飽和轉入截止, VT2 從截止轉入飽和。于是雙穩電路翻轉成 A 端為“ 1 ”, B 端為“ 0 ”,并一直保持下去。
( 2 )觸發脈沖的觸發方式和極性
雙穩電路的觸發電路形式和觸發脈沖極性選擇比較復雜。從觸發方式看,因為有直流觸發(電位觸發)和交流觸發(邊沿觸發)的分別,所以觸發電路形式各有不同。從脈沖極性看,也是隨著晶體管極性、觸發脈沖加在哪個管子(飽和管還是截止管)上、哪個極上(基極還是集電極)而變化的。在實際應用中,因為微分電路能容易地得到尖脈沖,觸發效果較好,所以都用交流觸發方式。觸發脈沖所加的位置多數是加在飽和管的基極上。所以使用 NPN 管的雙穩電路所加的是負脈沖,而 PNP 管雙穩電路所加的是正脈沖。
( 3 )集成觸發器除了用分立元件外,也可以用集成門電路組成雙穩電路。但實際上因為目前有大量的集成化雙穩觸發器產品可供選用,如 R—S 觸發器、 D 觸發器、 J - K 觸發器等等,所以一般不使用門電路搭成的雙穩電路而直接選用現成產品。
有延時功能的單穩電路
無穩電路有 2 個暫穩態而沒有穩態,雙穩電路則有 2 個穩態而沒有暫穩態。脈沖電路中常用的第 3 種電路叫單穩電路,它有一個穩態和一個暫穩態。如果也用門來作比喻,單穩電路可以看成是一扇彈簧門,平時它總是關著的,“關”是它的穩態。當有人推它或拉它時門就打開,但由于彈力作用,門很快又自動關上,恢復到原來的狀態。所以“開”是它的暫穩態。單穩電路常被用作定時、延時控制以及整形等。
( 1 )集基耦合單穩電路
圖 10 是一個典型的集基耦合單穩電路。它也是由兩級反相器交叉耦合而成的正反饋電路。它的一半和多諧振蕩器相似,另一半和雙穩電路相似,再加它也有一個微分觸發電路,所以可以想象出它是半個無穩電路和半個雙穩電路湊合成的,它應該有一個穩態和一個暫穩態。平時它總是一管( VT1 )飽和,另一管( VT2 )截止,這就是它的穩態。當輸入一個觸發脈沖后,電路便翻轉到另一種狀態,但這種狀態只能維持不長的時間,很快它又恢復到原來的狀態。電路暫穩態的時間是由延時元件 R 和 C 的數值決定的:t t =0.7RC 。

( 2 )集成化單穩電路
用集成門電路也可組成單穩電路。圖 11 是微分型單穩電路,它用 2 個與非門交叉連接,門 1 輸出到門 2 是用微分電路耦合,門 2 輸出到門 1 是直接耦合,觸發脈沖加到門 1 的另一個輸入端 U I 。它的暫穩態時間即定時時間為:t t = ( 0.7 ~ 1.3 ) RC 。

脈沖電路的讀圖要點
① 脈沖電路的特點是工作在開關狀態,它的輸入輸出都是脈沖,因此分析時要抓住關鍵,把主次電路區分開,先認定主電路的功能,再分析輔助電路的作用。
② 從電路結構上抓關鍵找異同。前面介紹了集基耦合方式的三種基本單元電路,它們都由雙管反相器構成正反饋電路,這是它們的相同點。但細分析起來它們還是各有特點的:無穩和雙穩電路雖然都有對稱形式,但無穩電路是用電容耦合,雙穩是用電阻直接耦合(有時并聯有加速電容,容量一般都很小);而且雙穩電路一般都有觸發電路(雙端或單端觸發);單穩電路就很好認,它是不對稱的,兼有雙穩和單穩的形式。這樣一分析,三種電路就很好區別了。
③ 脈沖電路中,脈沖的生成、變換和整形都和電容器的充、放電有關,電路的時間常數即 R 和 C 的數值對確定電路的性質有極重要的意義,這一點尤為重要。
數字邏輯電路的用途和特點
數字電子電路中的后起之秀是數字邏輯電路。把它叫做數字電路是因為電路中傳遞的雖然也是脈沖,但這些脈沖是用來表示二進制數碼的,例如用高電平表示“ 1 ”,低電平表示“ 0 ”。聲音圖像文字等信息經過數字化處理后變成了一串串電脈沖,它們被稱為數字信號。能處理數字信號的電路就稱為數字電路。
這種電路同時又被叫做邏輯電路,那是因為電路中的“ 1 ”和“ 0 ”還具有邏輯意義,例如邏輯“ 1 ”和邏輯“ 0 ”可以分別表示電路的接通和斷開、事件的是和否、邏輯推理的真和假等等。電路的輸出和輸入之間是一種邏輯關系。這種電路除了能進行二進制算術運算外還能完成邏輯運算和具有邏輯推理能力,所以才把它叫做邏輯電路。
由于數字邏輯電路有易于集成、傳輸質量高、有運算和邏輯推理能力等優點,因此被廣泛用于計算機、自動控制、通信、測量等領域。一般家電產品中,如定時器、告警器、控制器、電子鐘表、電子玩具等都要用數字邏輯電路。
數字邏輯電路的第一個特點是為了突出“邏輯”兩個字,使用的是獨特的圖形符號。數字邏輯電路中有門電路和觸發器兩種基本單元電路,它們都是以晶體管和電阻等元件組成的,但在邏輯電路中我們只用幾個簡化了的圖形符號去表示它們,而不畫出它們的具體電路,也不管它們使用多高電壓,是 TTL 電路還是 CMOS 電路等等。按邏輯功能要求把這些圖形符號組合起來畫成的圖就是邏輯電路圖,它完全不同于一般的放大振蕩或脈沖電路圖。
數字電路中有關信息是包含在 0 和 1 的數字組合內的,所以只要電路能明顯地區分開 0 和 1 , 0 和 1 的組合關系沒有破壞就行,脈沖波形的好壞我們是不大理會的。所以數字邏輯電路的第二個特點是我們主要關心它能完成什么樣的邏輯功能,較少考慮它的電氣參數性能等問題。也因為這個原因,數字邏輯電路中使用了一些特殊的表達方法如真值表、特征方程等,還使用一些特殊的分析工具如邏輯代數、卡諾圖等等,這些也都與放大振蕩電路不同。
門電路和觸發器
( 1 )門電路
門電路可以看成是數字邏輯電路中最簡單的元件。目前有大量集成化產品可供選用。
最基本的門電路有 3 種:非門、與門和或門。非門就是反相器,它把輸入的 0 信號變成 1 , 1 變成 0 。這種邏輯功能叫“非”,如果輸入是 A ,輸出寫成 P=A 。與門有 2 個以上輸入,它的功能是當輸入都是 1 時,輸出才是 1 。這種功能也叫邏輯乘,如果輸入是 A 、 B ,輸出寫成 P=A·B 。或門也有 2 個以上輸入,它的功能是輸入有一個 1 時,輸出就是 1 。這種功能也叫邏輯加,輸出就寫成 P=A + B 。
把這三種基本門電路組合起來可以得到各種復合門電路,如與門加非門成與非門,或門加非門成或非門。圖 1 是它們的圖形符號和真值表。此外還有與或非門、異或門等等。

數字集成電路有 TTL 、 HTL 、 CMOS 等多種,所用的電源電壓和極性也不同,但只要它們有相同的邏輯功能,就用相同的邏輯符號。而且一般都規定高電平為 1 、低電平為 0 。
(2 )觸發器
觸發器實際上就是脈沖電路中的雙穩電路,它的電路和功能都比門電路復雜,它也可看成是數字邏輯電路中的元件。目前也已有集成化產品可供選用。常用的觸發器有 D 觸發器和 J—K 觸發器。
D 觸發器有一個輸入端 D 和一個時鐘信號輸入端 CP ,為了區別在 CP 端加有箭頭。它有兩個輸出端,一個是 Q 一個是 Q ,加有小圈的輸出端是 Q 端。另外它還有兩個預置端 R D 和 S D ,平時正常工作時要 R D 和 S D 端都加高電平 1 ,如果使 R D =0 ( S D 仍為 1 ),則觸發器被置成 Q=0 ;如果使 S D =0 ( R D =1 ),則被置成 Q=1 。因此 R D 端稱為置 0 端, S D 端稱為置 1 端。D 觸發器的邏輯符號見圖 2 ,圖中 Q 、 D 、 SD 端畫在同一側;Q 、R D 畫在另一側。R D 和 S D 都帶小圓圈,表示要加上低電平才有效。

D 觸發器是受 CP 和 D 端雙重控制的, CP 加高電平 1 時,它的輸出和 D 的狀態相同。如 D=0 , CP 來到后, Q=0 ;如 D=1 , CP 來到后, Q=1 。CP 脈沖起控制開門作用,如果 CP=0 ,則不管 D 是什么狀態,觸發器都維持原來狀態不變。這樣的邏輯功能畫成表格就稱為功能表或特性表,見圖 2 。表中 Q n+1 表示加上觸發信號后變成的狀態, Qn 是原來的狀態。“ X ”表示是 0 或 1 的任意狀態。
有的 D 觸發器有幾個 D 輸入端: D 1 、 D 2 … 它們之間是邏輯與的關系,也就是只有當 D 1 、 D 2 … 都是 1 時,輸出端 Q 才是 1 。
另一種性能更完善的觸發器叫 J - K 觸發器。它有兩個輸入端:J 端和 K 端,一個 CP 端,兩個預置端:R D 端和 S D 端,以及兩個輸出端:Q 和 Q 端。它的邏輯符號見圖 3 。J - K 觸發器是在 CP 脈沖的下陣沿觸發翻轉的,所以在 CP 端畫一個小圓圈以示區別。圖中, J 、 S D 、 Q 畫在同一側, K 、 R D 、 Q 畫在另一側。

J - K 觸發器的邏輯功能見圖 3 。有 CP 脈沖時(即 CP=1 ):J 、 K 都為 0 ,觸發器狀態不變;Q n + 1 =Qn , J = 0 、 K=1 ,觸發器被置 0 :Q n + 1 =0 ;J=1 、 K=0 , Q n+1 =1 ;J=1 、 K=1 ,觸發器翻轉一下:Q n + 1 =Qn 。如果不加時鐘脈沖,即 CP=0 時,不管 J 、 K 端是什么狀態,觸發器都維持原來狀態不變:Q n + 1 =Qn 。有的 J—K 觸發器同時有好幾個 J 端和 K 端, J 1 、 J 2 … 和 K 1 、 K 2 … 之間都是邏輯與的關系。有的 J - K 觸發器是在 CP 的上升沿觸發翻轉的,這時它的邏輯符號圖的 CP 端就不帶小圓圈。也有的時候為了使圖更簡潔,常常把 R D 和 S D 端省略不畫。
能夠把數字、字母變換成二進制數碼的電路稱為編碼器。反過來能把二進制數碼還原成數字、字母的電路就稱為譯碼器。
( 1 )編碼器
圖 4 ( a )是一個能把十進制數變成二進制碼的編碼器。一個十進制數被表示成二進制碼必須 4 位,常用的碼是使從低到高的每一位二進制碼相當于十進制數的 1 、 2 、 4 、 8 ,這種碼稱為 8 - 4 - 2 - 1 碼或簡稱 BCD 碼。所以這種編碼器就稱為“ 10 線 -4 線編碼器”或“ DEC / BCD 編碼器”。

從圖看到,它是由與非門組成的。有 10 個輸入端,用按鍵控制,平時按鍵懸空相當于接高電平 1 。它有 4 個輸出端 ABCD ,輸出 8421 碼。如果按下“ 1 ”鍵,與“ 1 ”鍵對應的線被接地,等于輸入低電平 0 、于是門 D 輸出為 1 ,整個輸出成 0001 。
如按下“ 7 ”鍵,則 B 門、 C 門、 D 門輸出為 1 ,整個輸出成 0111 。如果把這些電路都做在一個集成片內,便得到集成化的 10 線 4 線編碼器,它的邏輯符號見圖 4 ( b )。左側有 10 個輸入端,帶小圓圈表示要用低電平,右側有 4 個輸出端,從上到下按從低到高排列。使用時可以直接選用。
( 2 )譯碼器
要把二進制碼還原成十進制數就要用譯碼器。它也是由門電路組成的,現在也有集成化產品供選用。圖 5 是一個 4 線 —10 線譯碼器。它的左側為 4 個二進制碼的輸入端,右側有 10 個輸出端,從上到下按 0 、 1 、 …9 排列表示 10 個十進制數。輸出端帶小圓圈表示低電平有效。平時 10 個輸出端都是高電平 1 ,如輸入為 1001 碼,輸出“ 9 ”端為低電平 0 ,其余 9 根線仍為高電平 1 ,這表示“ 9 ”線被譯中。

如果要想把十進制數顯示出來,就要使用數碼管。現以共陽極發光二極管( LED )七段數碼顯示管為例,見圖 6 。它有七段發光二極管,如每段都接低電平 0 ,七段都被點亮,顯示出數字“ 8 ”;如 b 、 c 段接低電平 0 ,其余都接 1 ,顯示的是“ 1 ”。可見要把十進制數用七段顯示管顯示出來還要經過一次譯碼。如果使用“ 4 線 —7 線譯碼器”和顯示管配合使用,就很簡單,輸入二進制碼可直接顯示十進制數,見圖 6 。譯碼器左側有 4 個二進制碼的輸入端,右側有 7 個輸出可直接和數碼管相連。左上側另有一個滅燈控制端 I B ,正常工作時應加高電平 1 ,如不需要這位數字顯示就在 I B 上加低電平 0 ,就可使這位數字熄滅。

寄存器和移位寄存器
( 1 )寄存器
能夠把二進制數碼存貯起來的的部件叫數碼寄存器,簡稱寄存器。圖 7 是用 4 個 D 觸發器組成的寄存器,它能存貯 4 位二進制數。4 個 CP 端連在一起作為控制端,只有 CP=1 時它才接收和存貯數碼。4 個 R D 端連在一起成為整個寄存器的清零端。如果要存貯二進制碼 1001 ,只要把它們分別加到觸發器 D 端,當 CP 來到后 4 個觸發器從高到低分別被置成 1 、 0 、 0 、 1 ,并一直保持到下一次輸入數據之前。要想取出這串數碼可以從觸發器的 Q 端取出。

( 2 )移位寄存器
有移位功能的寄存器叫移位寄存器,它可以是左移的、右移的,也可是雙向移位的。
圖 8 是一個能把數碼逐位左移的寄存器。它和一般寄存器不同的是:數碼是逐位串行輸入并加在最低位的 D 端,然后把低位的 Q 端連到高一位的 D 端。這時 CP 稱為移位脈沖。

先從 R D 端送低電平清零,使寄存器成 0000 狀態。假定要輸入的數碼是 1001 ,輸入的次序是先高后低逐位輸入。第 1 個 CP 后, 1 被打入第 1 個觸發器,寄存器成 0001 ;第 2 個 CP 后, Qo 的 1 被移入 Q 1 ,新的 0 打入 D 1 ,成為 0010 ;第 3 個 CP 后,成為 0100 ;第 4 個 CP 后,成為 1001 。
可見經過 4 個 CP ,寄存器就寄存了 4 位二進制碼 1001 。目前已有品種繁多的集成化寄存器供選用。
計數器和分頻器
( 1 )計數器
能對脈沖進行計數的部件叫計數器。計數器品種繁多,有作累加計數的稱為加法計數器,有作遞減計數的稱為減法計數器;按觸發器翻轉來分又有同步計數器和異步計數器;按數制來分又有二進制計數器、十進制計數器和其它進位制的計數器等等。
現舉一個最簡單的加法計數器為例,見圖 9 。它是一個 16 進制計數器,最大計數值是 1111 ,相當于十進制數 15 。需要計數的脈沖加到最低位觸發器的 CP 端上,所有的 J 、 K 端都接高電平 1 ,各觸發器 Q 端接到相鄰高一位觸發器的 CP 端上。J—K 觸發器的特性表告訴我們:當 J=1 、 K=1 時來一個 CP ,觸發器便翻轉一次。在全部清零后, ① 第 1 個 CP 后沿,觸發器 C0 翻轉成 Q0=1 ,其余 3 個觸發器仍保持 0 態,整個計數器的狀態是 0001 。② 第 2 個 CP 后沿,觸發器 C0 又翻轉成“ Q0=0 , C1 翻轉成 Q1=1 ,計數器成 0010 。…… 到第 15 個 CP 后沿,計數器成 1111 。可見這個計數器確實能對 CP 脈沖計數。

( 2 )分頻器
計數器的第一個觸發器是每隔 2 個 CP 送出一個進位脈沖,所以每個觸發器就是一個 2 分頻的分頻器, 16 進制計數器就是一個 16 分頻的分頻器。
為了提高電子鐘表的精確度,普遍采用的方法是用晶體振蕩器產生 32768 赫標準信號脈沖,經過 15 級 2 分頻處理得到 1 赫的秒信號。因為晶體振蕩器的準確度和穩定度很高,所以得到的秒脈沖信號也是精確可靠的。把它們做到一個集成片上便是電子手表專用集成電路產品,見圖 10 。

數字邏輯電路讀圖要點和舉例
數字邏輯電路的讀圖步驟和其它電路是相同的,只是在進行電路分析時處處要用邏輯分析的方法。讀圖時要:① 先大致了解電路的用途和性能。② 找出輸入端、輸出端和關鍵部件,區分開各種信號并弄清信號的流向。③ 逐級分析輸出與輸入的邏輯關系,了解各部分的邏輯功能。④ 最后統觀全局得出分析結果。
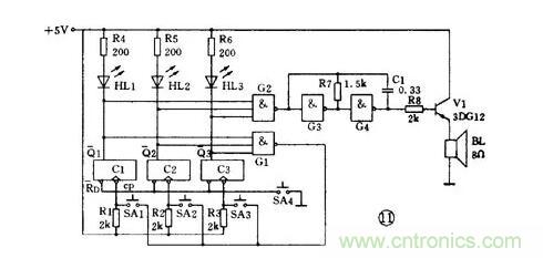
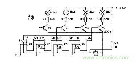
例 1 三路搶答器
圖 11 是智力競賽用的三路搶答器電路。裁判按下開關 SA4 ,觸發器全部被置零,進入準備狀態。這時 Q1 ~ Q3 均為 1 ,搶答燈不亮;門 1 和門 2 輸出為 0 ,門 3 和門 4 組成的音頻振蕩器不振蕩,揚聲器無聲。

競賽開始,假定 1 號臺搶先按下 SA1 ,觸發器 C1 翻轉成 Q1=1 、 Q1=0 。于是:① 門 2 輸出為 1 ,振蕩器振蕩,揚聲器發聲;②HL1 燈點亮;③ 門 1 輸出為 1 ,這時 2 號、 3 號臺再按開關也不起作用。裁判宣布競賽結果后,再按一下 SA4 ,電路又進入準備狀態。
例 2 彩燈追逐電路
圖 12 是 4 位移位寄存器控制的彩燈電路。開始時按下 SA ,觸發器 C1 ~ C4 被置成 1000 ,彩燈 HL1 被點亮。CP 脈沖來到后,寄存器移 1 位,觸發器 C1 ~ C4 成 0100 ,彩燈 HL2 點亮。第 2 個 CP 脈沖點亮 HL3 ,第 3 個點亮 HL4 ,第 4 個 CP 又把觸發器 C1 ~ C4 置成 1000 ,又點亮 HL1 。如此循環往復,彩燈不停閃爍。只要增加觸發器可使燈數增加,改變 CP 的頻率可變化速度。

555 集成時基電路的特點
555 集成電路開始出現時是作定時器應用的,所以叫做 555 定時器或 555 時基電路。但是后來經過開發,它除了作定時延時控制外,還可以用于調光、調溫、調壓、調速等多種控制以及計量檢測等作用;還可以組成脈沖振蕩、單穩、雙穩和脈沖調制電路,作為交流信號源以及完成電源變換、頻率變換、脈沖調制等用途。由于它工作可靠、使用方便、價格低廉,因此目前被廣泛用于各種小家電中。
555 集成電路內部有幾十個元器件,有分壓器、比較器、觸發器、輸出管和放電管等,電路比較復雜,是模擬電路和數字電路的混合體。它的性能和參數要在非線性模擬集成電路手冊中才能查到。
555 集成電路是 8 腳封裝,圖 1 ( a )是雙列直插型封裝,按輸入輸出的排列可畫成圖 1 ( b )。其中 6 腳稱閥值端( TH ),是上比較器的輸入。2 腳稱觸發端(),是下比較器的輸入。3 腳是輸出端( V O ),它有 0 和 1 兩種狀態,它的狀態是由輸入端所加的電平決定的。7 腳的放電端( DIS ),它是內部放電管的輸出,它也有懸空和接地兩種狀態,也是由輸入端的狀態決定的。4 腳是復位端( ),加上低電砰(< 0.3 伏)時可使輸出成低電平。5 腳稱控制電壓端( V C ),可以用它改變上下觸發電平值。8 腳是電源, 1 腳為地端。
對于初學者來說,可以把 555 電路等效成一個帶放電開關的 R - S 觸發器,如圖 2 ( a )。這個特殊的觸發器有兩個輸入端;閾值端( TH )可看成是置零端 R ,要求高電平;觸發端( )可看成是置位端 ,低電平有效。它只有 1 個輸出端 V O , V O 可等效成觸發器的 Q 端。放電端( DIS )可看成由內部的放電開關控制的一個接點,放電開關由觸發器的 Q 端控制: =1 時 DIS 端接地; =0 時 DIS 端懸空。此外這個觸發器還有復位端 ,控制電壓端 V C ,電源端 V DD 和地端 GND 。

這個特殊的 R - S 觸發器有 2 個特點:( 1 )兩個輸入端的觸發電平要求一高一低:置零端 R 即閾值端 TH 要求高電平,而置低端 S 即觸發端 則要求低電平。( 2 )兩個輸入端的觸發電平,也就是使它們翻轉的閾值電壓值也不同,當 V C 端不接控制電壓時,對 TH ( R )端來講, > 2 /3 V DD 是高電平 1 , < 2 /3 V DD 是低電平 0 ;而對 ( )端來講,> 1/ 3 V DD 是高電平 1 ,< 1 /3 V DD 是低電平 0 。如果在控制端( V C )加上控制電壓 V C ,這時上觸發電平就變成 V C 值,而下觸發電平則變成 1 /2 V C 。可見改變控制端的控制電壓值可以改變上下觸發電平值。
經過簡化, 555 電路可以等效成一個觸發器,它的功能表見圖 2 ( b )。
555 集成電路有雙極型和 CMOS 型兩種。CMOS 型的優點是功耗低、電源電壓低、輸入阻抗高,但輸出功率較小,輸出驅動電流只有幾毫安。雙極型的優點是輸出功率大,驅動電流達 200 毫安,其它指標則不如 CMOS 型的。
此外還有一種 556 雙時基電路, 14 腳封裝,內部包含有兩個相同的時基電路單元。555 的應用電路很多,大體上可分為 555 單穩、 555 雙穩和 555 無穩三類。555 單穩電路單穩電路有一個穩態和一個暫穩態。555 的單穩電路是利用電容的充放電形成暫穩態的,因此它的輸入端都帶有定時電阻和定時電容,常見的 555 單穩電路有兩種。
( 1 )人工啟動型單穩
將 555 電路的 6 、 2 端并接起來接在 RC 定時電路上,在定時電容 C T 兩端接按鈕開關 SB ,就成為人工啟動型 555 單穩電路,見圖 3 ( a )。用等效觸發器替代 555 ,并略去與單穩工作無關的部分后畫成等效圖 3 ( b )。下面分析它的工作:

① 穩態:接上電源后,電容 C T 很快充到 V DD ,從圖 3 ( b )看到,觸發器輸入 R=1 , =1 ,從功能表查到輸出 V o =0 ,這是它的穩態。
② 暫穩態:按下開關 SB , C T 上電荷很快放到零,相當于觸發器輸入 R=0 , =0 ,輸出立即翻轉成 V o =1 ,暫穩態開始。開關放開后,電源又向 C T 充電,經時間 t d 后, C T 上電壓升到 > 2 /3 V DD 時,輸出又翻轉成 V =0 ,暫穩態結束。t d 就是單穩電路的定時時間或延時時間,它和定時電阻 R T 和定時電容 C T 的值有關;t d=1.1R T C T 。
( 2 )脈沖啟動型單穩
把 555 電路的 6 、 7 端并接起來接到定時電容 C T 上,用 2 端作輸入就成為脈沖啟動型單穩電路,見圖 4 ( a )。電路的 2 端平時接高電平,當輸入接低電平或輸入負脈沖時才啟動電路。用等效觸發器替代 555 電路后可畫成圖 4 ( b )。這個電路利用放電端使定時電容能快速放電。下面分析它的工作狀態:

① 穩態:通電后, R=1 , =1 ,輸出 V o =0 , DIS 端接地, C T 上電壓為 0 即 R=0 ,輸出仍保持 V o =0 ,這是它的穩態。
② 暫穩態:輸入負脈沖后,輸入=0 ,輸出翻轉成 V o =1 , DIS 端開路,電源通過 R T 向 C T 充電,暫穩態開始。經過 t d 后, C T 上電壓升到> 2 /3 V DD ,這時負脈沖已經消失,輸入又成為 R=1 ,=1 ,輸出又翻轉成 V o =0 ,暫穩態結束。這時內部放電開關接通, DIS 端接地, C T 上電荷很快放到零,為下一次定時控制作準備。電路的定時時間 t d =1.1R T C T 。
這兩種單穩電路常用作定時延時控制。
555 雙穩電路
常見的 555 雙穩電路有兩種。
( 1 ) R-S 觸發器型雙穩
把 555 電路的 6 、 2 端作為兩個控制輸入端, 7 端不用,就成為一個 R - S 觸發器。要注意的是兩個輸入端的電平要求和閾值電壓都不同,見圖 5 ( a )。有時可能只有一個控制端,這時另一個控制端要設法接死,根據電路要求可以把 R 端接到電源端,見圖 5 ( b ),也可以把 S 端接地,用 R 端作輸入。

有兩個輸入端的雙穩電路常用作電機調速、電源上下限告警等用途,有一個輸入端的雙穩電路常作為單端比較器用作各種檢測電路。
( 2 )施密特觸發器型雙穩
把 555 電路的 6 、 2 端并接起來成為只有一個輸入端的觸發器,見圖 6 ( a )。這個觸發器因為輸出電壓和輸入電壓的關系是一個長方形的回線形,見圖 6 ( b ),所以被稱為施密特觸發器。從曲線看到,當輸入 V i =0 時輸出 V o =1 。當輸入電壓從 0 上升時,要升到> 2/ 3 V DD 以后, V o 才翻轉成 0 。而當輸入電壓從最高值下降時,要降到 < 1 /3 V DD 以后, V o 才翻轉成 1 。所以輸出電壓和輸入電壓之間是一個回線形曲線。由于它的輸入有兩個不同的閾值電壓,所以這種電路被用作電子開關,各種控制電路,波形變換和整形的用途。

555 無穩電路
無穩電路有 2 個暫穩態,它不需要外觸發就能自動從一種暫穩態翻轉到另一種暫穩態,它的輸出是一串矩形脈沖,所以它又稱為自激多諧振蕩器或脈沖振蕩器。555 的無穩電路有多種,這里介紹常用的 3 種。
( 1 )直接反饋型 555 無穩
利用 555 施密特觸發器的回滯特性,在它的輸入端接電容 C ,再在輸出 V 0 與輸入之間接一個反饋電阻 R f ,就能組成直接反饋型多諧振蕩器,見圖 7 ( a )。用等效觸發器替代 555 電路后可畫成圖 7 ( b )。現在來看看它的振蕩工作原理:
剛接通電源時, C 上電壓為零,輸出 V 0 =1 。通電后電源經內部電阻、 V 0 端、 R f 向 C 充電,當 C 上電壓升到> 2 /3 V DD 時,觸發器翻轉 V 0 =0 ,于是 C 上電荷通過 R f 和 V 0 放電入地。當 C 上電壓降到< 1 /3 V DD 時,觸發器又翻轉成 V 0 =1 。電源又向 C 充電,不斷重復上述過程。由于施密特觸發器有 2 個不同的閥值電壓,因此 C 就在這 2 個閥值電壓之間交替地充電和放電,輸出得到的是一串連續的矩形脈沖,見圖 7 ( c )。脈沖頻率約為 f=0.722 / R f C 。
( 2 )間接反饋型無穩
另一路多諧振蕩器是把反饋電阻接在放電端和電源上,如圖 8 ( a ),這樣做使振蕩電路和輸出電路分開,可以使負載能力加大,頻率更穩定。這是目前使用最多的 555 振蕩電路。

這個電路在剛通電時, V 0 =1 , DIS 端開路, C 的充電路徑是:電源 →R A →DIS→R B →C ,當 C 上電壓上升到> 2 /3 V DD 時, V 0 =1 , DIS 端接地, C 放電, C 放電的路徑是:C→R B →DIS→ 地。可以看到充電和放電時間常數不等,輸出不是方波。t 1 =0.693 ( R A + B B ) C 、 t 2 =0.693R B C ,脈沖頻率 f=1.443 /( R A + 2R ) C
( 3 ) 555 方波振蕩電路
要想得到方波輸出,可以用圖 9 的電路。它是在圖 8 的電路基礎上在 R B 兩端并聯一個二極管 VD 組成的。當 R A =R B 時, C 的充放電時間常數相等,輸出就得到方波。方波的頻率為 f=0.722 / R A C ( R A =R B )

在這個電路的基礎上,在 R A 和 R B 回路內增加電位器以及采用串聯或并聯二極管的方法可以得到占空比可調的脈沖振蕩電路。
555 脈沖振蕩電路常被用作交流信號源,它的振蕩頻率范圍大致在零點幾赫到幾兆赫之間。因為電路簡單可靠,所以使用極廣。
555 電路讀圖要點及舉例
555 集成電路經多年的開發,實用電路多達幾十種,幾乎遍及各個技術領域。但對初學者來講,常見的電路也不過是上述幾種,因此在讀圖時,只要抓住關鍵,識別它們是不難的。
從電路結構上分析,三類 555 電路的區別或者說它們的結構特點主要在輸入端。因此當我們拿到一張 555 電路圖時,在大致了解電路的用途之后,先看一下電路是 CMOS 型還是雙極型,再看復位端()和控制電壓端( V c )的接法,如果復位端( )是接高電平、控制電壓端( V c )是接一個抗干擾電容的,那就可以按以下的次序先從輸入端開始進行分析:
( 1 ) 6 、 2 端是分開的
①7 端懸空不用的一定是雙穩電路。如有兩個輸入的則是雙限比較器;如只有一個輸入的則是單端比較器。這類電路一般都是作電子開關、控制和檢測電路的用途。
②7 、 6 端短接并接有電阻電容、取 2 端作輸入的一定是單穩電路。它的輸入可以用開關人工啟動,也可以用輸入脈沖啟動,甚至為了取得較好的啟動效果在輸入端帶有 RC 微分電路。這類電路一般用作定時延時控制和檢測的用途。
( 2 ) 6 、 2 端短接的
① 輸入沒有電容的是施密特觸發器電路。這類電路常用作電子開關、告警、檢測和整形的用途。
② 輸入端有電阻電容而 7 端懸空的,這時要看電阻電容的接法:( a ) R 和 C 串聯接在電源和地之間的是單穩電路, R 和 C 就是它的定時電阻和定時電容。( b ) R 在上 C 在下, R 的一端接在 V 0 端上的是直接反饋型無穩電路,這時 R 和 C 就是決定振蕩頻率的元件。
③7 端也接在輸入端,成“ R A - 7 - R B - 6 、 2—C ”的形式的就是最常用的無穩電路。這時 R A 和 R B 及 C 就是決定振蕩頻率的元件。這類電路可以有很多種變型:如省去 R A ,把 7 端接在 V 0 上;或者在 R B 兩端并聯二極管 VD 以獲得方波輸出,或者用電阻和電位器組成 R A 和 R B ,而且在 R A 和 R B 兩端并聯有二極管以獲得占空比可調的脈沖波等等。這類電路是用途最廣的,常用于脈沖振蕩、音響告警、家電控制、電子玩具、醫療電器以及電源變換等用途。
( 3 )如果控制電壓( V c )端接有直流電壓,則只是改變了上下兩個閥值電壓的數值,其它分析方法仍和上面的相同。
只要按上述步驟細心分析核對,一定能很快地識別 555 電路的類別和了解它的工作原理。下面的問題就比較好辦了,例如定時時間、振蕩頻率等都可以按給出的公式進行估算。
例 1 相片曝光定時器
圖 10 是用 555 電路制成的相片曝光定時器。從圖看到,輸入端 6 、 2 并接在 RC 串聯電路中,所以這是一個單穩電路, R1 和 RP 是定時電阻, C1 是定時電容。

電路在通電后, C1 上電壓被充到 6 伏,輸出 V 0 =0 ,繼電器 KA 不吸動,常開接點是打開的,曝光燈 HL 不亮。這是它的穩態。
按下 SB 后, C1 快速放電到零,輸出 V 0 =1 ,繼電器 KA 吸動,點亮曝光燈 HL ,暫穩態開始。SB 放開后電源向 C1 充電,當 C1 上電壓升到 4 伏時,暫穩態結束,定時時間到,電路恢復到穩態。輸出翻轉成 V 0 =0 ,繼電器 KA 釋放,曝光燈熄滅。電路定時時間是可調的,大約是 1 秒~ 2 分鐘。
例 2 光電告警電路
圖 11 是 555 光電告警電路。它使用 556 雙時基集成電路,有兩個獨立的 555 電路。前一個接成施密特觸發器,后一個是間接反饋型無穩電路。圖中引腳號碼是 556 的引腳號碼。

圖中 R1 是光敏電阻,無光照時阻值為幾~幾十兆歐,所以 555a 的輸入相當于 R=0 、 S=0 ,輸出 V 0 =1 ,三極管 VT 導通, VT 的集電極電壓只有 0.3 伏,加在 555b 的復位端( MR ),使 555b 處于復位狀態,即無振蕩輸出。
當 R1 受光照后,阻值突然下降到只有幾~幾十千歐,于是 555a 的輸入電壓升到上閥值電壓以上,輸出翻轉成 V 0 =0 , VT 截止, VT 集電極電壓升高, 555b 被解除復位狀態而振蕩,于是揚聲器 BL 發聲告警。555b 的振蕩頻率大約是 1 千赫。
如果把整個裝置放入公文包內,那么當打開公文包時,這個裝置會發聲告警而成為防盜告警裝置。
單元電路圖識圖方法
單元電路是指某一級控制器電路,或某一級放大器電路,或某一個振蕩器電路、變頻器電路等,它是能夠完成某一電路功能的最小電路單位。從廣義角度上講,一個集成電路的應用電路也是一個單元電路。
單元電路圖是學習整機電子電路工作原理過程中,首先遇到具有完整功能的電路圖,這一電路圖概念的提出完全是為了方便電路工作原理分析之需要。
1.單元電路圖功能
單元電路圖具有下列一些功能:
①單元電路圖主要用來講述電路的工作原理。
②它能夠完整地表達某一級電路的結構和工作原理,有時還全部標出電路中各元器件的參數,如標稱阻值、標稱容量和三極管型號等。
③它對深入理解電路的工作原理和記憶電路的結構、組成很有幫助。
2.單元電路圖的特點
單元電路圖具有下列一些特點:
①單元電路圖主要是為了分析某個單元電路工作原理的方便而單獨將這部分電路畫出的電路,所以在圖中已省去了與該單元電路無關的其他元器件和有關的連線、符號,這樣單元電路圖就顯得比較簡潔、清楚,識圖時沒有其他電路的干擾。單元電路圖中對電源、輸入端和輸出端已經加以簡化,如圖1-6所示。
電路圖中,用+v表示直流工作電壓(其中正號表示采用正極性直流電壓給電路供電,地端接電源的負極);vi表示輸入信號,是這一單元電路所要放大或處理的信號;vo表示輸出信號,是經過這一單元電路放大或處理后的信號。通過單元電路圖中的這樣標注可方便地找出電源端、輸入端和輸出端,而在實際電路中,這三個端點的電路均與整機電路中的其他電路相連,沒有+v、vi、vo的標注,給初學者識圖造成了一定的困難。
例如:見到vi可以知道信號是通過電容c2加到三極管vt1基極的;見到vo可以知道信號是從三極管vt1集電極輸出的,這相當于在電路圖中標出了放大器的輸入端和輸出端,無疑大大方便了電路工作原理的分析。
②單元電路圖采用習慣畫法,一看就明白,例如元器件采用習慣畫法,各元器件之間采用最短的連線,而在實際的整機電路圖中,由于受電路中其他單元電路中元器件的制約,有關元器件畫得比較亂,有的在畫法上不是常見的畫法,有的個別元器件畫得與該單元電路相距較遠,這樣電路中的連線很長且彎彎曲曲,造成識圖和電路工作原理理解的不便。
③單元電路圖只出現在講解電路工作原理的書刊中,實用電路圖中是不出現的。對單元電路的學習是學好電子電路工作原理的關鍵。只有掌握了單元電路的工作原理,才能去分析整機電路。
3.單元電路圖的識圖方法
單元電路的種類繁多,而各種單元電路的具體識圖方法有所不同,這里只對共同性的問題說明幾點:
(1)有源電路識圖方法
所謂有源電路就是需要直流電壓才能工作的電路,例如放大器電路。對有源電路的識圖首先分析直流電壓供給電路,此時將電路圖中的所有電容器看成開路(因為電容器具有隔直特性),將所有電感器看成短路(電感器具體通直的特性)。直流電路的識圖方向一般是先從右向左,再從上向下。
(2)信號傳輸過程分析
信號傳輸過程分析就是信號在該單元電路中如何從輸入端傳輸到輸出端,信號在這一傳輸過程中受到了怎樣的處理(如放大、衰減、控制等)。信號傳輸的識圖方向一般是從左向右進行。
(3)元器件作用分析
元器件作用分析就是電路中各元器件起什么作用,主要從直流和交流兩個角度去分析。
(4)電路故障分析
電路故障分析就是當電路中元器件出現開路、短路、性能變劣后,對整個電路工作會造成什么樣的不良影響,使輸出信號出現什么故障現象(如沒有輸出信號、輸出信號小、信號失真、出現噪聲等)。在搞懂電路工作原理之后,元器件的故障分析才會變得比較簡單。
整機電路中的各種功能單元電路繁多,許多單元電路的工作原理十分復雜,若在整機電路中直接進行分析就顯得比較困難,通過單元電路圖分析之后再去分析整機電路就顯得比較簡單,所以單元電路圖的識圖也是為整機電路分析服務的。
不管強電、弱電、模擬、數字,首先要明白各單位元器件的符號。新、舊國標都要熟記;熟練掌握各種單位元器件的工作原理和特性以及作用;熟練掌握各種基本單元電路的工作原理,分析方法。
初學者不宜先看整機電路圖,應該循序漸進 整機電路圖由于有許多單元電路的存在,有的單元電路中的元器件就比較散亂,或者離本單元較遠,初學者識圖時,很有難度。
從方框圖開始-單元電路圖、等效電路圖-整機電路圖 電路圖包含很廣,要想迅速看懂一張整機電路,需要長期的積累,這里是講不清的。循序漸進的學習非常重要,電氣理論基礎非常重要 俗話說,專業好學,基礎難打 一開始的急功近利,不久就會遇到瓶頸 如果你已有初步的電氣基礎 推薦先學習 高等教育出版社的《電工學》 數字電路是電路圖中的一個難點,我稍微講一下要學數字電路以下知識必不可少,可按順序逐步學習:
1、二進制和二進制編碼,以及和十進制的轉換關系
2、脈沖電路(脈沖信號的產生、整形、交變。包括,微分電路、積分電路、限幅電路、多諧振振蕩電路、單穩態和雙穩態電路等)
3、邏輯門電路(與、或、非、與非、或非門)
4、觸發器電路(RS觸發器、JK觸發器、D和T觸發器是必學的)
5、組合邏輯電路(基本運算器、比較器、判奇偶電路、編碼、譯碼器、數據選擇器)
6、時序邏輯電路(在組合邏輯電路的基礎上又加了寄存器)比如計數器、節拍發生器什么的
7、單片機
8、模擬量與數字量之間的轉換 數字電路的很多功能是通過軟件來實現的,這已經超出了電子技術分析的范疇,識圖中,雖然不需要對軟件相當熟悉,但必須了解軟件處理信號的過程、目的、處理結果 單片機也是其中一個難點,具備系統的數字電路基本知識后,必須加以熟悉 數字電路的信號由于是各種脈沖串的數碼信號,這些數據流信號的波形不可能像模擬電路那樣,對電路的理解有太多幫助,這點要有心理準備。






