【導讀】以下分享各種常用電路原理圖,包括:可控硅調速電路, 電磁調速電機控制圖,三相四線電度表互感器接線,能耗制動,順序起動,逆序停止,鍋爐水位探測裝置等。
1. 可控硅調速電路

2. 電磁調速電機控制圖

3. 三相四線電度表互感器接線

4. 能耗制動

5. 順序起動,逆序停止

6. 鍋爐水位探測裝置

7. 電機正反轉控制電路

8. 電葫蘆吊機電路

9. 單相漏電開關電路

10. 單相電機接線圖

11. 帶點動的正反轉起動電路

12. 紅外防盜報警器

13. 雙電容單相電機接線圖

14. 自動循環往復控制線路

15. 定子電路串電阻降壓啟動控制線路

16. 按啟動鈕延時運行電路

17. 星形 - 三角形啟動控制線路

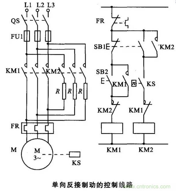
18. 單向反接制動的控制線路

19. 具有反接制動電阻的可逆運行反接制動的控制線路

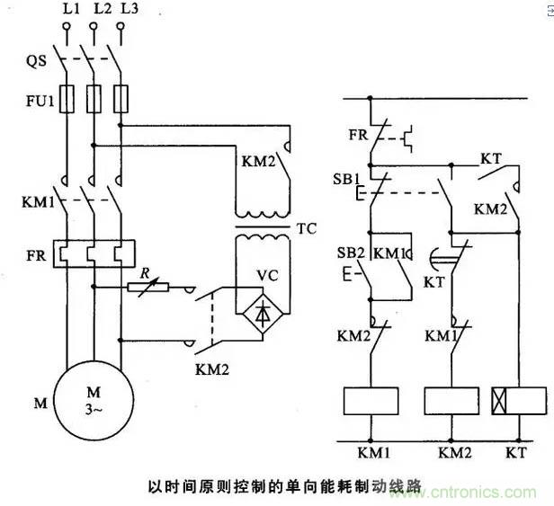
20. 以時間原則控制的單向能耗制動線路

21. 以速度原則控制的單向能耗制動控制線路

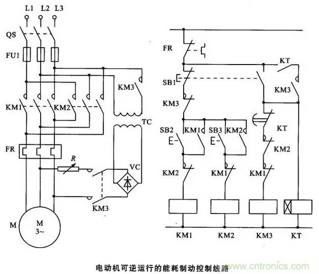
22. 電動機可逆運行的能耗制動控制線路

23. 雙速電動機改變極對數的原理

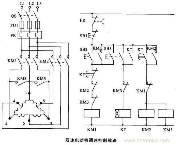
24. 雙速電動機調速控制線路

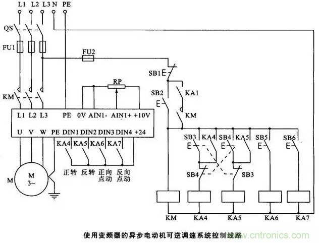
25. 使用變頻器的異步電動機可逆調速系統控制線路

26. 正確連接電器的觸點

27. 線圈的連接

28. 繼電器開關邏輯函數

29. 三相半波整流電路圖

30. 三相全波整流電路圖

31. 三相全波6脈沖整流原理圖

32. 六相12脈沖整流原理圖

33. 負載兩端的電壓

34. 直流調速原理功能圖






