【導讀】USB、SD卡、MMC卡、DVI/HDMI、CAN等接口,因為用戶使用中經常性熱插拔,板上的芯片非常容易受靜電影響。這樣對于接口就要加上保護器件防止損壞芯片。接下來,我們一起來看看ESD器件在保護電路中的應用吧!
USB1.1、USB2.0、SD卡、MMC卡等接口,因為用戶使用中經常性熱插拔,板上的芯片非常容易受靜電影響。這種應用場合不能使用普通的穩壓管等信道進行保護,因為穩壓管的反應速率太慢、且容性負載較大,會影響信道上的數據通信。NXP特提供以下方案供客戶參考。
一、USB2.0的保護(PRTR5V0U4D用于雙路USB)
下圖為PRTR5V0U4D在雙路USB應用中的連接示意圖。
PRTR5V0U4D在雙路USB中的應用
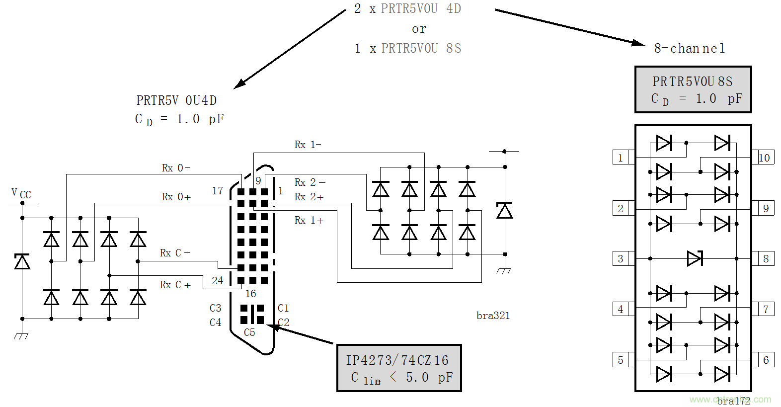
二、SD卡的保護
下圖為PESD5V0L6AS / PESD5V0L6US 在SD卡保護電路中的連接示意圖。

ESD器件在SD卡保護電路中的應用1
下圖為PESD3V3L4Ux / PESD5V0V4Ux 在SD卡保護電路中的連接示意圖。

ESD器件在SD卡保護電路中的應用2
三、MMC多媒體卡的保護
下圖為PESD3V3L4Ux / PESD5V0L4Ux / PESD3V3V4Ux / PESD5V0V4Ux 在MMC多媒體卡保護電路中的連接示意圖。

PESD器件在MMC多媒體卡保護電路中的應用
四、DVI/HDMI的保護
DVI和HDMI接口已常用于數字視頻與音頻和顯示平板的連接。由于高頻信號(最高達1.6GHz)的處理要求這些數據線配置極低的線路電容。Philips提供了獨特的1pF的線路電容保護器件。性能繼續維持8 kV的可接觸的IEC61000-4-2標準。下圖為NXP ESD器件在DVI / HDMI接口保護電路中的連接示意圖。
NXP ESD器件在DVI / HDMI接口保護電路中的應用
五、獨立Audio/Video的保護
下圖為PRTR5V0U4D / PESD5V0L4Ux在獨立Audio/Video接口保護電路中的連接示意圖。

ESD保護器件在獨立Audio/Video接口保護電路中的應用
六、S-Video/Audio的保護
下圖為PRTR5V0U4D / PESD5V0L5Ux在S-Audio/Video接口保護電路中的連接示意圖。

ESD保護器件在獨立Audio/Video接口保護電路中的應用
七、SCART接頭的保護
SCART接口在電視機到錄像機,機頂盒,DVD錄像機和人造衛星接收器的連接中得到了廣泛的應用。由于這些應用中使用了敏感的IC器件,ESD保護顯得非常重要。尤其是視頻和音頻信號線。NXP推薦以下器件供客戶參考PESD5V0L5Ux / PESD5V0L7Bx。

ESD保護器件在SCART接口保護電路中的應用
八、IP芯片在SIM卡保護中的應用
下圖為IP系列ESD保護器件在SIM卡保護電路中的連接示意圖。

IP 系列器件在SIM卡保護電路中的應用
九、IP芯片在SD /MMC多媒體卡保護中的應用
下圖為IP系列ESD保護器件在SD/MMC多媒體卡保護電路中的應用示意圖。

IP系列器件在SD/MMC多媒體卡保護電路中的應用
十、汽車CAN和LIN總線的保護
CAN總線、LIN總線初期主要應用于汽車電子中,目前兩種總線已經廣泛應用各種中短距離總線場所,如工控、汽車電子等惡劣環境中。NXP推薦您在此類接口中加入ESD保護器件以增強您的系統的可靠型,推薦連接示意圖如下所示。
NXP ESD器件在CAN bus / LIN bus中的應用
推薦閱讀:
2016年智能家居市場現狀令人堪憂?
DCDC變換器輕載時三種工作模式是什么?
Altium讓多相和多模塊電路板設計變得簡單!
傳感器信號調節器如何解決感測元件輸出非線性化問題?
示波器在直流無刷電機行業的應用案例解析



