1 引言
隨著人們生活水平的提高,如何實現家庭防盜這一問題也變的尤其的突出,傳統的機械鎖由于其構造的簡單,被撬的事件屢見不鮮,電子鎖由于其保密性高,使用靈活性好,安全系數高,受到了廣大用戶的青睞。
設計本課題時構思了兩種方案:一種是用以AT89C2051 為核心的單片機控制方案;另一種是用以74LS112 雙JK 觸發器構成的數字邏輯電路控制方案。考慮到單片機方案原理復雜,而且調試較為繁瑣,所以本文采用后一種方案。
2 總體方案設計
2.1 設計思路
共設了9 個用戶輸入鍵,其中只有4 個是有效的密碼按鍵,其它的都是干擾按鍵,若按下干擾鍵,鍵盤輸入電路自動清零,原先輸入的密碼無效,需要重新輸入;如果用戶輸入密碼的時間超過40 秒(一般情況下,用戶不會超過40 秒,若用戶覺得不便,還可以修改)電路將報警80 秒,若電路連續報警三次,電路將鎖定鍵盤5 分鐘,防止他人的非法操作。
2.2 總體方框圖

3 設計原理分析
電路由兩大部分組成:密碼鎖電路和備用電源(UPS),其中設置UPS 電源是為了防止因為停電造成的密碼鎖電路失效,使用戶免遭麻煩。
密碼鎖電路包含:鍵盤輸入、密碼修改、密碼檢測、開鎖電路、執行電路、報警電路、鍵盤輸入次數鎖定電路。
3.1 鍵盤輸入、密碼修改、密碼檢測、開鎖及執行電路 .
其電路如下圖1 所示:

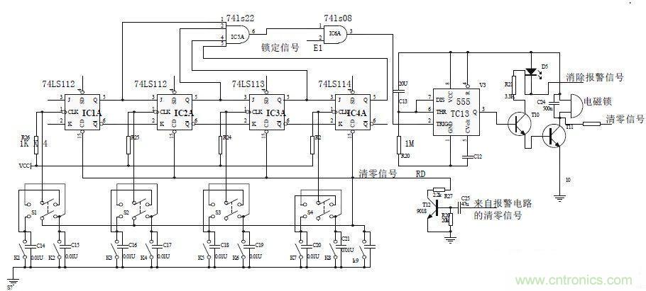
圖1 鍵盤輸入、密碼修改、密碼檢測、開鎖、執行電路
開關K1~K9 是用戶的輸入密碼的鍵盤,用戶可以通過開關輸入密碼,開關兩端的電容是為了提高開關速度,電路先自動將IC1~IC4 清零,由報警電路送來的清零信號經C25 送到T11 基極,使T11導通,其集電極輸出低電平,送往IC1~IC4,實現清零。
密碼修改電路由雙刀雙擲開關S1~S4 組成(如圖2 所示), 它是利用開關切換的原理實現密碼的修改。例如要設定密碼為1458,可以撥動開關S1 向左,S2 向右,S3 向左,S4 向右,即可實現密碼的修改,由于輸入的密碼要經過S1~S4 的選擇,也就實現了密碼的校驗。本電路有16 組的密碼可供修改。

圖2 密碼修改電路
由兩塊74LS112(雙JK 觸發器,包含IC1~IC4)組成密碼檢測電路。由于IC1 處于計數狀態,當用戶按下第一個正確的密碼后,CLK 端出現了一個負的下降沿,IC1 計數,Q 端輸出為高電平,用戶依次按下有效的密碼,IC2~IC3 也依次輸出高電平,送入與門IC5,使其輸出開鎖的高電平信號送往IC13 的2 腳,執行電路動作,實現開鎖。
[page]
執行電路是由一塊555 單穩態電路(IC13),以及由T10、 T11 組成的達林頓管構成。若IC13的2 腳輸入一高電平,則3 腳輸出高電平,使T10 導通,T11 導通,電磁閥開啟,實現開門,同時T10 集電極上接的D5(綠色發光二極管)發亮,表示開門,20 秒后,555 電路狀態翻轉,電磁閥停止工作,以節電。其中電磁閥并聯的電容C24 使為了提高電磁閥的力矩。
3.2 報警電路
報警電路實現的功能是:當輸入密碼的時間超過40 秒(一般情況下用戶輸入不會超過),電路報警80 秒,防止他人惡意開鎖。
電路包含兩大部分,2 分鐘延時和40 秒延時電路。其工作原理是當用戶開始輸入密碼時,電路開始2 分鐘計時,超出40 秒,電路開始80 秒的報警。如圖3 所示

圖3 報警電路
有人走近門時,觸摸了TP 端(TP 端固定在鍵盤上,其靈敏度非常高,保證電路可靠的觸發),由于人體自身帶的電,使IC10 的2 腳出現低電平,使IC10 的狀態發生翻轉,其3 腳輸出高電平,T5 導通(可以通過R12 控制T1 的基極電流),其集電極接的黃色發光二極管D3 發光,表示現在電子鎖處于待命狀態,T6 截止,C4 開始通過R14 充電(充電時間是40 秒,此時為用戶輸入密碼的時間,即用戶輸入密碼的時間不能超過40 秒,否則電路就開始報警, 由于用戶經常輸入密碼,而且知道密碼,一般輸入密碼的時間不會超過40 秒),IC2 開始進入延時40 秒的狀態。
開始報警:當用戶輸入的密碼不正確或輸入密碼的時間超過40 秒,IC11 的2 腳電位隨著C4 的充電而下降,當電位下降到1/3Vcc 時(即40 秒延時結束時候),3 腳變成高電位(延時時是低電平),通過R15 使(R15 的作用是為了限制T7 的導通電流防止電流過大燒毀三極管)T7 導通,其集電極上面接的紅色發光二極管D4 發亮,表示當前處于報警狀態,T8 也隨之而導通,使蜂鳴器發聲,令賊人生怯,實現報警.
停止報警:當達到了80 秒的報警時間,IC10 的6,7 腳接的電容C5 放電結束,IC10 的3 腳變成低電平,T5 截止,T6 導通,強制使強制電路處于穩態,IC11 的3 腳輸出低電平,使T7,T8 截止,蜂鳴器停止報警;或者用戶輸入的密碼正確,則有開鎖電路中的T10 集電極輸出清除報警信號,送至T12(PNP),T12 導通,強制使T7 基極至低電位,解除報警信號。
3.3 報警次數檢測及鎖定電路
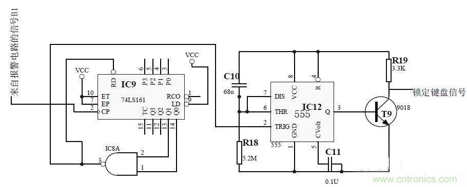
若用戶操作連續失誤超過3 次,電路將鎖定5 分鐘。其工作原理如下:當電路報警的次數超過3 次,由IC9(74161)構成的3 位計數器將產生進位,通過IC7,輸出清零信號送往74161 的清零端,以實現重新計數。經過IC8(與門),送到IC12(555)的2 腳,使3 腳產生5 分鐘的高電平鎖定脈沖(其脈沖可由公式T=1.1RC 計算得出),經T9 倒相,送IC6 輸入端,使IC6 輸出低電平,使IC13 不能開鎖,到鎖定的目的。電路圖如下圖4 所示:

圖4 報警次數檢測及鎖定電路
[page]
3.4 備用電源電路
為了防止停電情況的發生,本電路后備了UPS 電源,它包括市電供電電路,停電檢測電路,電子開關切換電路,蓄電池充電電路和蓄電池組成。其電路圖如下圖5 所示:

圖5 電源電路
220V 市電通過變壓器B 降壓成12V 的交流電,再經過整流橋整流,7805 穩壓到5V 送往電子切換電路,由于本電路功耗較少,所以選用10W 的小型變壓器。由R8,R9,R6,R7 及IC14 構成電壓比較器,正常情況下,V+<V- IC14 輸出高電平,繼電器的常閉觸點和市電相連;當市電斷開,V+>V- IC14 輸出高電平,由T3,T4 構成的達林頓管使繼電器J 開啟,將其常開觸電將蓄電池和電路相連,實現市電和蓄電池供電的切換,保證電子密碼鎖的正常工作(視電池容量而定持續時間)。其電路圖如下圖6 所示:

圖6 停電檢測及電子開關切換電路
T1,T2 構成的蓄電池自動充電電路,它在電池充滿后自動停止充電,其中D1 亮為正在充電,D2 為工作指示。由R4,R5,T1 構成電壓檢測電路,蓄電池電壓低,則T1,T2 導通,實現對其充電;充滿后,T1,T2 截止,停止充電,同時D1 熄滅,電路中C4 的作用是濾除干擾信號。其電路圖如圖7 所示:

圖7 蓄電池自動充電電路
綜上所述,這個電路的密碼不能遺忘,一旦遺忘,就很難打開。用開關作74LS112 的CLK 脈沖,不是很穩定,可以調換其它高速開關或計數脈沖;電路密碼只有16 種可供修改,但由于他人不知道密碼的位數,而且還要求在規定的時間內按一定的順序開鎖,所以他人開鎖的幾率很小。所以這一防盜電子密碼鎖還是很可靠的。
相關閱讀:
必懂的十大UPS電源設計要素
http://m.yttele.cn/power-art/80022589
Diodes為業界推出標準的555定時器集成電路
http://m.yttele.cn/gptech-art/80015878
站長必備:能觸摸的的網站訪客計數器DIY
http://m.yttele.cn/gptech-art/80022156




