【導讀】如果示波器具有前面板,則它將具有如圖1所示的儀器所示的垂直,水平和觸發設置的基本控件。
如果示波器具有前面板,則它將具有如圖1所示的儀器所示的垂直,水平和觸發設置的基本控件。

圖1一個典型的示波器前面板,具有用于垂直,水平和觸發設置的控件。資料來源:Teledyne Lecroy
許多控件都通過推動或在某些情況下拉動旋鈕來引起其他動作。這些通常在面板上標記。
許多示波器(如此)都使用Windows操作系統,可以使用指向設備或觸摸屏從顯示器控制。隨意使用任何適合您的接口。
在屏幕上獲得波形
至關重要的是要注意,數字示波器保留了的設置。如果您是次使用示波器,那么回憶起默認設置是一種明智的做法。此步驟可確保您從已知的環境開始。一些示波器(例如這里使用的示波器)在前面板上有一個專用按鈕;還可以使用下拉菜單來召回默認設置(圖2)。

圖2回顧示波器的默認設置將儀器置于已知的操作狀態。資料來源:亞瑟·皮尼(Arthur Pini)
在所示的示例中,使用“召回設置”對話框從“召回”對話框中召回默認設置,以橙色突出顯示。
自動設置
使用示波器的“自動設置”功能從默認狀態中獲取屏幕上的波形很簡單。
作為基本實驗,使用示波器的一種高阻抗探針之一將示波器的通道1連接到示波器前面板上的校準信號。該校準信號是一種低頻方波,用于調整探針衰減器的低頻補償。
按前面板上的示波器的自動設置按鈕,或使用垂直下拉菜單選擇自動設置(圖3)。

圖3 “自動設置”是前面板按鈕,或者是下拉菜單上的選擇,如下所示。資料來源:亞瑟·皮尼(Arthur Pini)
該儀器中的“自動設置”按順序掃描所有輸入通道,并根據其檢測到的個信號配置儀器。根據檢測到的信號,調整了垂直尺度(Volts/p)和垂直偏移。將扳機設置為邊緣觸發器,其觸發器水平為個信號的振幅的五十%。設置了水平時態(時間/p),以便在顯示屏上顯示至少十個信號周期。
不同的示波器以不同的方式處理此功能。在某些情況下,信號必須連接到通道1。其他模型(如顯示的模型)將瀏覽所有通道并設置個信號。所有示波器中的“自動設置”都應使您進入屏幕上有波形的點。
基本控件 - 廣告設置
基本的示波器控件包括垂直,水平或時間表和觸發器。在圖3中,這些以從左到右的順序顯示為菜單欄上的下拉菜單。這些控件在前面板上重復,并在相同的標題下進行分組。可以使用任何一種控制類型。
前面板或屏幕上的垂直控件用于設置單個輸入通道。選擇通道創建一個用于控制相應通道的對話框。垂直通道控件包括垂直靈敏度(Volts/p)和偏移。通道設置控件包括耦合,帶寬,重新縮放和處理(圖4)。

圖4垂直通道設置包括主要控件,包括垂直縮放,偏移和耦合。資料來源:亞瑟·皮尼(Arthur Pini)
應設置垂直縮放,以使波形盡可能接近全尺度,以地提高示波器的動態范圍。該示波器具有“查找規模”功能圖標,該函數設置將擴展垂直增益和偏移,以使波形以合理的振幅為中心。通過使波形超過選定的全尺度電壓極限,不要超過輸入放大器是一個好習慣。使用縮放顯示器擴展痕跡,以仔細查看微小的功能。偏移控制將波形在顯示屏上的中心。耦合提供50ΩDC耦合或1MΩ輸入終止和AC或DC耦合的選擇。
其他控件包括選擇輸入帶寬限制過濾器的選擇,根據探測衰減因子重塑電壓讀數的能力,以及在傳感器或探測器單位中重新降低振幅讀數的能力(例如探測)。可以應用平均或數字(噪聲)過濾形式的信號處理,以提高所獲得信號的信噪比。
通道注釋框就像圖4中標記的C1一樣,顯示了通道1的垂直刻度設置,偏移和耦合。當光標打開時,光標振幅讀數也可以顯示在此框中。
時數設置
從“時間庫”下拉菜單中選擇“水平設置”或使用前面板水平控件可調節水平軸的水平縮放和延遲,采集采樣模式,采集記憶長度和采樣率(圖5) 。

圖5時間庫設置控制采樣模式,水平尺度,時間延遲和采集設置。資料來源:亞瑟·皮尼(Arthur Pini)
“水平”控制同時影響所有輸入通道。通常,三種標準采樣模式是實時,序列和滾動模式。實時是正常的默認模式,在整個水平尺度設置的整個持續時間內,以采樣率采樣了輸入信號。序列模式將采集存儲器分解為用戶集的段數和觸發器,并在顯示它們之前在每個段中獲取信號。序列模式的采集提供了在采集之間的短死時間。滾動模式用于長采樣率的長時間采集時間。數據被記錄在顯示時將其寫入顯示屏,產生看起來像帶狀圖表錄音機的顯示。
每個分區(T/DIV)設置的時間設置水平時間尺度。收購持續時間是T/DIV設置的十倍。采集延遲會移動顯示屏上的觸發點。默認延遲為零。負延遲將軌跡轉移到左側,積極的延遲將其轉移到右側。
“樣本點”字段設置了采集存儲器的長度。通過選擇“設置內存”,隨著T/DIV設置的更改,內存長度會變化,直到分配內存為止。除此之外,增加T/DIV將導致采樣率下降。基本上,采集的時間持續時間等于記憶中樣本的數量除以采樣率。如果選擇了固定采樣率模式,則隨著T/DIV設置的變化,示波器采樣率將保持在用戶輸入的采樣率。 T/DIV設置將僅限于與所選采樣率兼容的設置。
采樣率還會影響快速傅立葉變換(FFT)數學操作的跨度,而采集的時間持續時間會影響其頻率分辨率。
該示波器允許用戶選擇活動通道的數量。請注意,內存是在活動頻道之間共享的。
“導航參考”設置控制示波器調整T/DIV時的行為。中心(50%)的選擇可以使當前的中心時間點固定,而其他事件隨著T/DIV的變化而圍繞中心移動。在此設置中,觸發點可能會隨著刻度變化而移開網格。 “鎖定觸發器”設置使觸發點位置固定。隨著T/DIV的變化,觸發事件仍保持到位,而其他事件則圍繞觸發位置移動。
基本觸發設置
示波器需要一個觸發器,該觸發器通常與獲得的波形衍生或同步。觸發器的功能是允許穩定顯示獲得的波形。扳機設置,無論是在前面板上還是使用“觸發”下衣,可訪問觸發設置對話框(圖6)。

圖6邊緣觸發器的基本設置將使獲得的波形穩定顯示。資料來源:亞瑟·皮尼(Arthur Pini)
邊緣觸發器是傳統的默認觸發類型。在邊緣觸發器中,當源跟蹤與用戶指定的正斜率或負斜率交叉觸發閾值電壓級別時,將觸發范圍。觸發源可以是任何輸入通道,也可以是應用于EXT的外部觸發器。輸入。邊緣觸發器是常用的觸發方法,在圖中選擇。顯示的當前范圍設置使用通道1作為觸發源。觸發器與名義上500毫伏(MV)和正斜率的觸發閾值水平結合在一起。注意“級別”字段中的“查找級別”按鈕將自動找到源信號的觸發級別。屏幕右側的觸發注釋框總結了所選的觸發設置。
可以從觸發下拉菜單中選擇可以停止,自動(自動),正常或單個的觸發模式。觸發模式確定儀器獲得信號的頻率。默認觸發模式為自動;在此模式下,如果在預設時間段內沒有發生觸發事件,則將被迫。這確保將顯示一些東西。正常觸發模式臂示波器以觸發。發生觸發事件時,它將獲取一個痕跡,然后顯示。采集完成后,觸發器會自動重新安裝下一個觸發器的儀器。觸發事件發生時,跡線連續顯示。如果沒有觸發事件,則收購停止直到發生。
在單個模式下,用戶手動將扳機武器武器。示波器等待直到發生觸發事件并進行采集。然后它停止直到再次被重新裝甲為止。如果沒有發生有效的觸發器,則第二次調用單身將迫使觸發器并顯示采集。停止模式停止采集,直到喚起其他三種模式之一。其他更復雜的觸發因素可用于更復雜的觸發要求;但是,它們超出了本文的范圍。
展示
示波器顯示由顯示下拉菜單控制。可以從下拉中選擇顯示的類型,也可以打開“顯示設置”(圖7)。

圖7 “顯示設置”允許選擇網格數量和其他與顯示相關的設置的數量。此示例顯示了具有四個跡線的四邊形網格的選擇。資料來源:亞瑟·皮尼(Arthur Pini)
該示波器允許用戶選擇顯示的網格數量。還有一個“自動網格”選擇,當每個軌跡激活時,它會打開新的網格。多個軌跡可以位于每個網格中,從而可以比較波形。在每個網格中具有單個跡線提供了一個不受阻礙的視圖,同時保持了采集的完整動態范圍。除了正常的振幅與時間顯示外,“顯示設置”還包括兩個產生XY繪圖的兩個跡線的橫圖。
顯示擴展Zoom
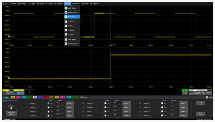
放大痕量的視圖水平和垂直。利用縮放功能的傳統方法使用下拉的“數學”菜單打開“ Zoom設置”,如圖8所示。

圖8可以使用數學下拉菜單下的縮放設置打開縮放軌跡。資料來源:亞瑟·皮尼(Arthur Pini)
許多示波器在前面板上有一個“縮放”按鈕,可以為每個顯示的波形打開一個縮放跟蹤。帶觸摸屏的示波器支撐掉落和拖動變焦。觸摸要擴展的區域附近的痕跡,然后對角線拖動手指。將顯示一個盒子;繼續拖動手指,直到盒子包圍要擴展的區域。卸下手指,可以選擇縮放跟蹤以顯示擴展的波形。
免責聲明:本文為轉載文章,轉載此文目的在于傳遞更多信息,版權歸原作者所有。本文所用視頻、圖片、文字如涉及作品版權問題,請聯系小編進行處理。
推薦閱讀:





