【導讀】隨著物聯網互聯設備和5G連接等技術創新成為我們日常生活的一部分,監管這些設備的電磁輻射并量化其EMI抗擾度的需求也隨之增加。滿足EMC合規目標通常是一項復雜的工作。本文介紹如何通過開源LTspice?仿真電路來回答以下關鍵問題:(a) 我的系統能否通過EMC測試,或者是否需要增加緩解技術?(b) 我的設計對外部環境噪聲的抗擾度如何?
摘要
隨著物聯網互聯設備和5G連接等技術創新成為我們日常生活的一部分,監管這些設備的電磁輻射并量化其EMI抗擾度的需求也隨之增加。滿足EMC合規目標通常是一項復雜的工作。本文介紹如何通過開源LTspice?仿真電路來回答以下關鍵問題:(a) 我的系統能否通過EMC測試,或者是否需要增加緩解技術?(b) 我的設計對外部環境噪聲的抗擾度如何?
為何要使用LTspice進行EMC仿真?
針對EMC的設計應該盡可能遵循產品發布日程表,但事實往往并非如此,因為EMC問題和實驗室測試可能將產品發布延遲數月。
通常,仿真側重于電子設備的功能方面;但是,諸如 LTspice 之類簡單的開源工具也可以用來仿真任何設備的EMC行為。由于許多人在家工作,并且EMC實驗室的成本高昂(每天高達2000美元),因此準確的EMC仿真工具更顯價值。花幾個小時對EMC故障和電路修復情況進行仿真,有助于避免多次實驗室測試迭代和昂貴的硬件重新設計。
為了發揮作用,EMC仿真工具需要盡可能準確。本系列文章會提供一些指南和LTspice EMC電路模型,這些模型經過仿真并與實際實驗室測量結果非常吻合。
這是三篇系列文章的第一部分,這些文章為一個示例傳感器信號鏈提供了EMC仿真模型,其核心是MEMS振動傳感器。不過,許多器件和EMC仿真技術并非MEMS解決方案所獨有的,而是可以廣泛用于各種應用。
第1部分:電源器件與傳導輻射和抗擾度。
第2部分:電纜驅動收發器鏈路上的信號完整性和瞬變魯棒性。
第3部分:信號調理器件及如何提高對外部噪聲的抗擾度。
使用LTspice解決輻射和抗擾度問題
閱讀本文后,您應該能夠回答以下關鍵問題:
(a) 我的系統是否有可能通過EMC測試?是否應該為共模電感、濾波電感或電容預留空間?閱讀本文后,您應該能夠使用LTspice繪制降壓轉換器電源設計的差分和共模噪聲圖,并展示電路超過(失敗)還是未超過(成功)傳導輻射標準限值,如圖1所示。
圖1. 差分和共模噪聲的LTspice圖,附有傳導輻射限值線
(b) 是否需要線性穩壓器來為敏感負載提供穩定的電壓?閱讀本文后,基于設計容許的降壓輸出紋波電壓電平,您應該能夠使用LTspice了解降壓轉換器的輸出端是否需要LDO穩壓器。此外,本文還提供了一個可配置的電源抗擾度(PSRR)測試電路。
用于傳感器的降壓轉換器
MEMS振動傳感器通常被置于一個小型金屬外殼中,其直徑通常為20 mm至30 mm,高度為50 mm至60 mm。帶有數字信號鏈的傳感器通常由長電纜提供9 VDC至30 VDC電源,功耗低于300 mW。為了能放入這種小型外殼內,需要高效率、寬輸入范圍的微型電源解決方案。
LT8618、LT8618-3.3 和 LT8604 是緊湊型高速降壓開關穩壓器,非常適合MEMS傳感器應用。LT8618和LT8618-3.3已有相應的LTspice模型。LT8618具有良好的穩壓能力,提供非常低的輸出紋波,其峰峰值小于10 mV。然而,輸出電容組的寄生電阻和電感會增加這種紋波,導致降壓電路產生有害的傳導輻射。容性負載、降壓穩壓器的輸出開關寄生效應以及PCB設計和傳感器外殼之間的耦合電容,都可能引起寄生效應。
提取和使用寄生值
接下來介紹工程師如何使用 Würth REDEXPERT 從實際電容中提取ESL和ESR寄生值,并使用LTspice進行電路仿真。在許多系統的輸入端和輸出端,電容和電感的寄生效應對EMI性能起著重要作用。為了降低系統輸出紋波,分離各種寄生貢獻有助于用戶做出最佳選擇。
我們使用LTspice和Würth REDEXPERT流程來討論降壓轉換器的傳導輻射仿真,如圖2所示。對于降壓轉換器,通常來說,輸出紋波與信噪比(SNR)相關,而輸入紋波與EMC性能密切相關。
圖2. 使用LTspice進行傳導輻射仿真的流程
概述圖2所示的仿真方法之后,本文將使用 DC2822A LT8618演示板進行實際的實驗室測量和仿真相關性分析。
使用Würth REDEXPERT數據的LTspice測試電路
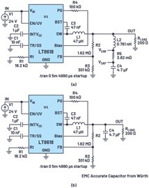
降壓轉換器的輸出紋波電壓是電容阻抗和電感電流的函數。為了獲得更好的仿真精度,可以使用Würth REDEXPERT來選擇4.7 μF輸出電容(885012208040),并提取隨頻率變化的ESR和ESL。ESL和ESR有時會被加載到LTspice電容模型中,但快速檢查將證明LTspice電容數據經常會忽略ESL。圖3a和3b顯示了兩個等效電路:(a) 使用4.7 μF輸出電容以及分立的ESL和ESR值;(b) 使用包含ESR和ESL參數的Würth電容。
圖3. LTspice測試電路:(a) 使用4.7 μF電容以及分立的ESL和ESR值;(b) 使用包含ESR和ESL參數的Würth電容
REDEXPERT顯示了許多元件的隨頻率而變化的阻抗,以幫助確定每個無源器件的關鍵寄生效應。這些寄生值稍后可以在LTspice模型中實現,從而能夠單獨評估其對總電壓紋波的貢獻。
如前所述,LT8618提供非常低的輸出紋波,峰峰值小于10 mV。但是,當模擬容性負載和ESL的影響時,輸出紋波電壓為44 mV p-p。在頻率范圍內,電容ESL對噪聲的貢獻相當大,如圖4的FFT圖所示。
圖4. FFT圖顯示了一個4.7 μF電容的純電容、ESL和ESR各自對頻譜的貢獻
使用LTspice LISN電路評估降壓輸入端的EMI合規性
為了評估傳導設置中的EMC合規性,大多數標準依賴于線路阻抗穩定網絡(LISN)或人工電源網絡(AMN)。這些器件具有類似的功能,位于電路電源和被測器件(DUT)——這里是降壓轉換器——之間。LISN/AMN由低通和高通濾波器組成。低通濾波器提供從低頻電源(直流至幾百赫茲)到DUT的路徑。高通濾波器用于測量電源和返回電源線噪聲。這些電壓是在50 Ω電阻上測量,如圖5和圖61所示。在實際實驗室中,該電壓使用EMI接收器來測量。LTspice可用來探測噪聲電壓并繪制傳導輻射測試頻譜圖。
圖5. LISN置于電源和被測器件(DUT)之間
傳導輻射可分為兩類:共模(CM)噪聲和差模(DM)噪聲。區分CM和DM噪聲很重要,因為EMI緩解技術可能對CM噪聲有效,但對DM噪聲無效,反之亦然。由于V1和V2電壓同時輸出,因此在傳導輻射測試中可以使用LISN來分離CM和DM噪聲,如圖6所示
DM噪聲在電源線和返回線之間產生,而CM噪聲是通過雜散電容CSTRAY在電源線和接地參考平面(例如銅測試臺)之間產生。CSTRAY實際上模擬了降壓轉換器輸出端的開關噪聲寄生效應。
圖6對應的LTspice LISN電路如圖7所示。為了獲得更高的仿真精度,使用L5和L6電感來模擬LISN電源引線到測試電路的電感。電阻R10模擬測試板開槽接地層的阻抗。圖7還包括用于模擬CSTRAY的電容C10。電容C11模擬傳感器PCB和傳感器機械外殼之間的寄生電容。
圖7. LTspice LISN電路、LT8618降壓轉換器和寄生建模
運行仿真時,應設置LTspice以幫助LISN電路更快達到穩定狀態,因為啟動條件選擇錯誤可能導致長期持續振蕩。
確保取消勾選"Start External DC Supply Voltages at Zero"(從零啟動外部直流電源電壓),并根據需要指定電路元件的初始條件(電壓和電流)。
圖8顯示了CM和DM噪聲,使用的是從LISN端子V1和V2測得的LTspice FTT圖。為了再現圖6所示的算術運算,對于DM噪聲,V1和V2相減后乘以0.5;對于CM噪聲,V1與V2相加,結果乘以0.5。
圖8. DM噪聲(黑色)和CM噪聲(藍色)的LTspice FFT圖
在實驗室中,傳導輻射通常以dBμV為單位進行測量,而LTspice的默認單位為1 dbV。兩者之間的關系為1 dbV = 120 dBμV。
因此,DM噪聲(以dBμV為單位)的LTspice表達式為
CM噪聲的表達式為
添加傳導輻射限值線
LTspice FFT波形查看參數可以通過繪圖設置文件進行編輯。使用LTspice FFT菜單,導航到"Save Plot Settings"(保存繪圖設置)并點擊保存。繪圖設置文件可以使用文本編輯器打開,并且可以進行操作以添加EN 55022傳導輻射限值線以及相關的EMC頻率范圍(10 kHz至30 MHz)和幅度(0 dBμV至120 dBμV)。
EN 55022傳導輻射標準頻率和幅度限值可以利用Excel進行操作,以提供正確的語法來復制和粘貼到LTspice繪圖設置文件,如圖9所示。線定義可以粘貼到繪圖設置參數中,如圖10所示。圖10還顯示了X頻率和Y幅度參數。
圖9. 生成正確的語法以復制并粘貼到LTspice繪圖設置文件
圖11顯示了傳導輻射限值線,以及降壓電路的DM和CM傳導輻射。電路在2.3MHz至30 MHz頻段內未通過輻射測試。
圖11. LTspice FFT圖和EN 55022傳導輻射限值線
解決降壓轉換器EMI
為了降低電路的DM噪聲,可以在輸入軌上放置一個ESL和ESR非常低的電容,例如C12 22 μF Würth 885012209006,如圖12所示。
圖12. 解決降壓轉換器輻射問題
為了降低CM噪聲,可以從LTspice庫中選擇Würth共模扼流圈,例如250 μH 744235251(WE-CNSW 系列)。封裝尺寸4.5 mm × 3.2 mm × 2.8 mm非常適合空間受限的MEMS傳感器外殼。圖13顯示了問題解決后的降壓轉換器的FFT圖。
圖13. 解決降壓轉換器問題后的FFT圖
使用DC2822A LT8618演示板的實際實驗室測量和仿真相關性
本文為LTspice進行傳導輻射仿真提供了指導。這些方法可用于任何降壓轉換器電路。現在我們將注意力轉向使用DC2822A LT8618演示板的仿真和EMC實驗室相關性,如圖14所示。DC2822A演示板包括多個輸入和輸出電容,這些電容未包含在以前的仿真模型中(例如圖7和圖12)。圖15中顯示的LTspice模型包括這些電容,以及使用Würth REDEXPERT獲得的電容ESL和ESR值。
圖14. DC2822A LT8618演示板
圖15. DC2822A演示板VIN配置對應的LTspice模型
DC2822A演示板包括兩個電源輸入:VIN和VEMI。VIN輸入電源軌繞過了PCB上使用的鐵氧體磁珠。圖15 LTspice模型對應于演示板VIN配置。圖16顯示了LTspice仿真的FFT,共模輻射在2 MHz時略微超過傳導輻射限值線。
圖16. DC2822A VIN 配置對應的LTspice FFT圖
為了減少仿真時間,并優化LTspice仿真與DC2822A演示板實驗室測量的匹配度,相比之前的模型(圖7和圖12),我們對圖15進行了以下更改:
無需模擬外殼和PCB之間的100 pF電容。我們只為DC2822A演示板建模。
從一開始就假設這個設計良好的PCB上的開關噪聲可以忽略不計。之前,我們在圖7和圖12中估計了5 pF的開關噪聲。
忽略LISN和DC2822A演示板之間導線的非常小電感。
添加1 kΩ電阻與50 μH LISN電感并聯以減少仿真時間(縮短LISN建立時間)。
對圖15電路進行上述改變之后,圖17顯示了LTspice仿真與EMC實驗室中DC2822A演示板的實際測量的比較。LTspice仿真模型非常準確地預測到實際實驗室輻射的主要峰值。
圖17. DC2822A VIN配置,LTspice和實際EMC實驗室輻射的比較
通過鐵氧體磁珠(EMI濾波器)VEMI軌測量,DC2822A演示板輕松符合60 dBμV的傳導輻射限值線。事實上,在較低頻率時,DC2822A演示板只有30 dBμV至35 dBμV的輻射。
傳導抗擾度
有線狀態監控傳感器具有嚴格的抗擾度要求。對于鐵路、自動化和重工業(例如紙漿和紙張加工)的狀態監控,振動傳感器解決方案需要輸出低于1 mV的噪聲,以避免在數據采集/控制器處觸發錯誤的振動水平。這意味著電源設計向測量電路(MEMS信號鏈)輸出的噪聲必須非常低(低輸出紋波)。電源設計還必須不受耦合到電源電纜的噪聲的影響(高PSRR)。
如前所示,由于非理想的容性負載和突發操作,LT8618可能有數十毫伏的輸出紋波。對于MEMS傳感器應用,LT8618的輸出端需要一個超低噪聲和高PSRR的LDO穩壓器,例如 LT3042。
針對抗擾度(PSRR)的靈活仿真電路
圖18所示的LTspice電路可用來仿真LT3042的PSRR。圖18所示的時域瞬變模型是交流掃描方法的替代方法。這種時域模型比交流方法更靈活,甚至允許用戶對開關穩壓器的PSRR進行仿真。仿真電路頻率掃描電壓輸入軌的變化,并模擬輸出電壓的相應變化。換句話說,仿真評估如下方程:PSRRLT3042 = 頻率范圍內(VIN變化)/(VOUT變化)。
圖18. 在10 kHz至80 MHz范圍內仿真LT3042 LDO穩壓器的PSRR
圖18含有幾個強大的語句。.meas和.step語句的組合使用戶能夠在LDO輸入端添加電壓噪聲源,并在頻率范圍內測量電壓輸入階躍變化情況下的LDO PSRR。
.meas語句
允許用戶在一個時間范圍內測量信號的峰峰值并將其輸出到SPICE錯誤日志。圖18測量了輸入和輸出紋波,并計算測量數據的PSRR。所有這些都輸出到SPICE錯誤日志中。
.step語句
在單次仿真運行中,.step命令可用于掃描變量的一系列值。圖18中的.step語句在50 Hz至10 MHz范圍內階躍改變V2電壓源正弦波。
C2輸出電容初始電壓可設置為3.3V,以加快建立(和仿真)時間。這是通過編輯電容屬性來完成的,通過禁用LTspice中的"Start External DC Supply Voltage at 0 V"選項可以進一步加快速度。
使用SPICE錯誤日志
仿真完成后,右鍵單擊其中一個窗口,選擇查看并選擇SPICE錯誤日志(或使用Ctrl+L熱鍵)。SPICE錯誤日志包含.meas語句的數據點。
要繪制.meas數據圖,請右鍵單擊錯誤日志并選擇繪制階躍.meas數據,右鍵單擊空白屏幕以選擇"Add Trace"(添加跡線,或使用Ctrl+A)并選擇PSRR。右鍵單擊x軸,選中單選按鈕以顯示對數刻度。這將顯示PSRR隨頻率的變化,如圖19所示。
圖19. 繪制LT3042 LDO穩壓器的仿真PSRR圖
原始LT3042數據手冊曲線中的一些偽影不可見(約2 MHz),但整體形狀和值與數據手冊接近。
圖20顯示了頻率范圍內的輸出電壓紋波。在50 Hz至10 MHz范圍內,它小于200 μV。在相同頻率范圍內,輸入電壓紋波為1 V p-p。LT3042為噪聲敏感的MEMS解決方案提供了出色的PSRR和低噪聲電源。
圖20. 繪制LT3042仿真輸出電壓紋波隨頻率的變化圖
使用SPICE錯誤日志的.meas方法可用來仿真許多其他參數,包括:
開關穩壓器的PSRR
PSRR、電壓差與頻率三者的關系
PSRR與旁路網絡的關系
RMS輸出紋波與直流輸入的關系
效率與元件值的關系
小結
本文提供了LTspice仿真電路和方法,用以繪制降壓轉換器電源設計的差分和共模噪聲圖。本文讓用戶能夠繪制傳導輻射限值線,并幫助預測EMC實驗室故障。仿真方法通過實驗室測量得到驗證,與LT8618 DC2822A演示板實測結果匹配。
在LT8618降壓轉換器的輸出端使用LT3042 LDO穩壓器,可為MEMS傳感器應用提供超低噪聲、高PSRR解決方案。針對PSRR的靈活仿真電路表明結果與LT3042數據手冊有良好的一致性。在50 Hz至10 MHz范圍內,即使存在較大的1 V p-p輸入電壓噪聲,LT3042的仿真輸出紋波也小于200 μV。
參考電路
1 Ling Jiang、Frank Wang、Keith Szolusha和Kurk Mathews。 “傳導輻射測試中分離共模和差模輻射的實用方法” 。模擬對話,第55卷第1期,2021年1月。
2 Gabino Alonso. “LTspice:使用 .MEAS 和 .STEP 命令計算效率” 。ADI公司
(來源:ADI公司,作者:Richard Anslow,系統應用經理;Sylvain Le Bras,現場應用工程師)
免責聲明:本文為轉載文章,轉載此文目的在于傳遞更多信息,版權歸原作者所有。本文所用視頻、圖片、文字如涉及作品版權問題,請聯系小編進行處理。
推薦閱讀:



