【導讀】為了滿足應用的要求,為PFC選擇的拓撲結構是一個重要考慮因素,它們將決定整體的解決方案和性能。此外,并非所有拓撲結構都可以滿足所有要求,就像并非所有拓撲結構都支持三電平開關或雙向性。之前我們介紹過三相功率因數校正系統的優點和設計三相PFC時的注意事項,本文將介紹一些常見的三相拓撲結構并討論它們的優缺點。
為了滿足應用的要求,為PFC選擇的拓撲結構是一個重要考慮因素,它們將決定整體的解決方案和性能。此外,并非所有拓撲結構都可以滿足所有要求,就像并非所有拓撲結構都支持三電平開關或雙向性。之前我們介紹過三相功率因數校正系統的優點和設計三相PFC時的注意事項,本文將介紹一些常見的三相拓撲結構并討論它們的優缺點。
Vienna整流器(三開關升壓)
在深入研究Vienna整流器的技術細節和特征之前,有必要了解一下它的歷史,但更重要的是,我們要就所討論的內容達成共識。Vienna整流器是一種脈寬調制整流器,由 Johann W. Kolar于1993年發明。在Kolar發明它之前,人們使用每相單相(帶或不帶中性線)和負載共享來平衡相電流。如今,“Vienna”一詞通常主要指三相AC/DC轉換器,但有時也指DC/AC或逆變器。例如,中性點鉗位 (NPC) 和T?NPC三電平拓撲結構有時被稱為“Vienna”,即使作為逆變器工作時也是如此。在討論所謂的“Vienna”轉換器時,建議確定是哪一種“Vienna”。
關于“Vienna”整流器的特性,它是一種三相連接升壓PFC,如圖7所示。單相升壓PFC由電感、開關器件和整流二極管組成。在三電平結構中,每個半波或每個母線電壓(不包括中間的公共接地)都有一個“升壓”整流二極管 (DxBy)。然后,有一個雙向開關, 由一個全波二極管整流橋(DxPy和DxZy)和其中的單向開關 (Qx)組成。我們得到如下原理圖。
圖7. Vienna PFC原理圖
開關Qx的額定電壓為600V或650V。所有二極管的額定電壓也可以為600V。這將有助于減少損耗,因為不需要額定電壓為1200V的器件。另一方面,二極管損耗很重要。電流路徑中始終有兩個串聯的高頻二極管。對于這些二極管,始終要在壓降和反向恢復之間進行折衷。
對于PWM,它非常簡單,因為每相只有一個開關。在反向Clark和Park帕克反向變換之后,調制直接應用于開關。但是,根據輸入的正弦波方向,電流路徑會發生變化。根據輸入電壓符號和/或電流方向/流動,二極管整流橋和“升壓”二極管“自動”參與電流路徑。這在圖8中得到了很好的說明。
圖8.Vienna升壓PFC電流路徑(用于存儲和釋放能量模式)和相電壓
如前所述,由于電流分別從一相或兩相流向其余兩相或一相,因此上圖僅畫出一條支路(或一相原理圖)。根據運行的扇區,可以使用上述方案導出每個相(U、V 或 W)的兩種模式(相電壓先將能量存儲在升壓電感器中,然后將能量釋放到輸出電容)。
這種拓撲結構的主要優點是每相使用一個開關。即使原理圖看起來因所涉及的二極管數量而變得更加復雜,但它能使控制變得更加容易。該拓撲結構的成本也很低,因為開關數量非常少。該拓撲結構是單向的。
這種拓撲結構的一個主要缺點是二極管數量多。電流路徑中始終有兩個二極管,這會影響效率。所有驅動器都是浮地的,需要特定的浮動電源。
開關的選擇可以根據功率級別,采用 超結MOSFET或 IGBT。對于更高頻率的操作和/或更小的尺寸,也可以使用SiC MOSFET。對于二極管,建議使用硅STEALTH? 2 或SiC二極管。
T?NPC升壓
不同于“Vienna整流器(三開關升壓)”部分介紹的原版“Vienna”,T型中性點箝位 (T?NPC) 以不同方式實現雙向開關。T-NPC不是使用整流橋將單向開關轉換為雙向開關,而是使用背靠背開關配置,如圖9所示。當開關未導通且電流與此開關的正常開關電流相比以“反向”方向流動時,也可以從體二極管導通。像IGBT這樣的雙極器件就是這種情況。使用MOSFET等單極器件,如果需要,可以打開開關以減少導通損耗。
圖9.T?NPC升壓PFC原理圖
開關Qxy的額定電壓為600V或650V。二極管DxBy額定電壓為1200V。元件數量比原來的Vienna PFC少得多。導通損耗要低得多,因為一次只有一個二極管串聯在電流回路中。但是,由于“升壓”二極管是1200V器件,開關損耗略大于600V二極管。由于二極管少得多,因此很難預測哪種拓撲結構具有最佳效率。實際上,由于二極管數量較少,這種T?NPC拓撲結構具有更好的效率。圖10突出顯示了其中一相的電流路徑。
圖10.T?NPC升壓PFC電流路徑(用于存儲和釋放能量模式)和相電壓
同樣的反饋方法可以在這里與Clark和Park帕克直接和反向變換使用,以獲得PWM信號。
由于兩個背靠背開關共享相同的發射極或源極引腳節點,因此驅動器可以直接在控制環路之外使用相同的PWM信號驅動兩個背靠背開關。否則,根據正弦波符號(正或負),需要驅動相應的開關。在這種情況下,有6個開關要驅動。這使得驅動正確開關的PWM解碼方案稍微復雜一些。
在這兩種情況下,驅動器都需要像原版Vienna那樣是浮地的。
這種拓撲結構的一個優點是有源元件要少得多。對于原版Vienna,每相有6個有源元件。如果我們將體二極管視為開關的一部分,則T?NPC中每相只有4個有源元件。另一個優勢是較低的導通損耗,使這種拓撲結構更適合更高的功率。
T?NPC的主要缺點是需要1200V二極管。這可能會抵消較低的導通損耗帶來的效率增益,并可能影響總體成本。
T?NPC結構也用作逆變器。在這種情況下,“升壓”二極管被開關取代,如圖11所示。與PFC相比,輸出方向是相反的。這樣全部開關器件都是可雙向工作的T-NPC拓撲就可以做到雙向功率傳輸,由控制回路定義傳輸方向。
圖11.雙向T?NPC升壓PFC原理圖
NPC和A?NPC升壓
雙向開關的實現方案再次發生變化。NPC拓撲結構使用兩個開關,分別用于每個(正或負)正弦波半周期。二極管橋現在是一個混合橋,結合了二極管和開關管,如圖12所示。兩個前端二極管用作一種“變速箱”,用于切換正相或負相周期。然后,連接到輸出端的二極管和接地的開關管用作升壓開關單元。這是顯而易見的,因為此處描述的所有拓撲結構(Vienna、T-NPC和NPC)都在升壓模式下運行。
圖12.NPC升壓PFC原理圖
開關Qxy的額定電壓為600V或650V。所有二極管(DxBy和DxPy)的額定電壓也可以為600V或650V。這將有助于減少損耗,因為不需要額定電壓為1200V的器件。另一方面,在電流路徑中總是有兩個組件 {即1個二極管與(1個二極管或1個開關)} 串聯。這種NPC拓撲結構比T-NPC具有更高的導通損耗。
同樣的反饋方法可以在這里與Clark和Park帕克直接和反向變換使用,以獲得PWM信號。
這里的3個開關是浮地的,需要浮地的柵極驅動。其他3個開關接地,它們不需要浮地驅動器。這可以視為一種優勢,但這種優勢可能被兩個原因影響。首先,根據功率水平,可能需要開爾文引腳到開關節點來驅動開關并提高效率。其次,為避免電流諧波,要求正負正弦波相位對稱運行。這意味著浮動和接地柵極驅動信號應具有相同的延遲。因此,出于這個原因,浮動開關和接地開關通常使用相同的驅動原理圖。
根據正弦波極性(正或負),需要驅動相應的開關。這使得驅動正確開關的PWM解碼方案比三開關Vienna稍微復雜一些。此拓撲結構的電流路徑如圖13所示。
圖13.Vienna升壓PFC電流路徑(用于存儲和釋放能量模式)和相電壓
由于沒有1200V二極管,這種拓撲結構在損耗方面具有明顯優勢,與原版 Vienna 相比,組件更少。驅動器配對和延遲匹配很關鍵,可以看作是一個缺點。
在這種結構中,用開關代替二極管也使拓撲結構成為雙向的,如圖14所示。這種結構稱為A?NPC(有源中性點鉗位)。
圖14.雙向NPC升壓PFC原理圖,也稱為A-NPC升壓PFC
半橋PFC升壓
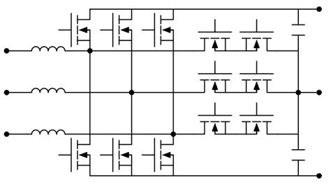
6-switch、6-Pack, 或稱三相半橋逆變被廣泛用于驅動電機,尤其是 BLDC 電機。當電機制動時,能量從電機的旋轉中拉出并存儲在總線電容器中。逆變器以反向模式工作,為電機軸提供動力。它與PFC的功率流相同。電源從三相電源流向直流母線。在這種斷路運行模式下,電機電感器用作“升壓”電感器。這種電機制動模式與PFC模式的區別在于控制回路給出的控制策略。因此,6-switch PFC與反向模式下的電機逆變器原理圖相同(其中負載是源,反之亦然)。如圖15所示,它是最簡單的拓撲結構。所有開關 (Qxy) 都是1200V器件。在任何時候,功率流中每相只有一個開關。這是一種效率上的優勢,可以彌補額定為1200V的器件的不足。它也是一個 兩電平拓撲結構。所以,調制是直接的。如今,一些額定電壓為900V的器件也可用于此拓撲結構。那些 900 V 器件的性能優于1200V器件。這有助于減少650V以上的開關器件的缺點。
圖15.雙向三相半橋兩電平升壓PFC
由于我們有3個接地的半橋,使用半橋驅動器構建驅動器要容易得多,并且可以使用自舉等技術來創建浮動電源。這使用眾所周知且廣泛使用(在電機控制應用中)的技術簡化了原理圖。為了更好地理解,圖16顯示了返回和正向路徑。由于沒有中間點(因為它是兩電平拓撲結構),電流路徑在這種情況下不是很明顯。
圖16.用于存儲和釋放(升壓)能量模式和相電壓的三相半橋升壓 PFC 電流路徑
可提供用于電機驅動的功率模塊,也可用于超高功率應用的 PFC 應用。此拓撲結構本質上是完全雙向的。如本文開頭所述,主要缺點主要是與兩電平拓撲結構的客觀優缺點有關。
并聯單相帶中性線
相比于使用具有復雜控制(通常需要數字控制器)的專用三相拓撲結構,一種更簡單的替代方法是使用三個具有中性線連接的單相PFC,如圖17所示。在此配置中,如果系統不平衡,中性線是必不可少的,即使三個單相PFC連接到負載分配控制以在三相之間平均分配功率也是如此。
圖17.三相PFC使用3個單相PFC并聯
由于單相PFC非常流行,以這種方式使用似乎更容易。有人認為三個獨立轉換器的優勢體現在發生故障的時候:即使一個失效,仍有兩個可用。如果故障不擾亂電網,那確實如此。例如,如果輸入級出現短路故障,并且這種短路會在保險絲熔斷之前以某種方式傳輸到電網。如果它擾亂了電網并且中性點在此故障期間發生了變化,則可以向剩余的PFC施加完整的相間電壓。為避免失效,剩余的PFC將不得不維持此瞬態電壓,這會增加PFC損耗、尺寸和成本。
這種結構的優點是設計起來簡單得多,因為單相PFC被廣泛使用。但是,由于需要使用中性線,使得配電網絡更加昂貴并且不是最優的。此外,單相PFC無法處理幾千瓦以上的功率。若要處理更高的功率,需要并聯。
三相拓撲結構總結
表1總結了每種拓撲結構在前面討論的設計標準方面的優缺點。
表 1.本文中討論的通用拓撲結構的優缺點總結
結論
三相PFC系統很復雜,有多種可能的設計來滿足相同的電氣要求,需要考慮的范圍很廣,需要權衡取舍。要為每個應用找到最佳解決方案并非易事,需要系統層面和組件層面的系統專業知識。
安森美 (onsemi) 能為您的三相電源開發助力,創造更多價值。我們的應用筆記、評估板、仿真模型和專家應用團隊可助您深入了解三相PFC 。我們支持開發人員根據應用要求選擇合適的拓撲結構,并為每種情況找到最佳組件。
免責聲明:本文為轉載文章,轉載此文目的在于傳遞更多信息,版權歸原作者所有。本文所用視頻、圖片、文字如涉及作品版權問題,請聯系小編進行處理。
推薦閱讀:
Rivian 使用 MATLAB 和 MATLAB Parallel Server 擴展整車仿真




