【導讀】電子工程師和技術人員習慣將噪聲視為負面因素,因而在元器件選擇、電路設計和電路板布局過程中會進行優化以實現低噪聲。事實上,隨機或偽隨機噪聲有時候很有用。本文將進一步說明為什么要利用噪聲以及如何利用。
電子工程師和技術人員習慣將噪聲視為負面因素,因而在元器件選擇、電路設計和電路板布局過程中會進行優化以實現低噪聲。事實上,隨機或偽隨機噪聲有時候很有用。本文將進一步說明為什么要利用噪聲以及如何利用。
在各種應用中,常用的隨機噪聲有兩種:白噪聲和粉紅噪聲。白噪聲具有較為平坦的頻譜,其帶寬功率相同(測量單位為 dB)。粉紅噪聲在其帶寬內的每個頻率倍頻程上具有相同的功率(圖 1)。

圖 1:白噪聲和粉紅噪聲的頻譜比較。白噪聲的功率譜平坦,而粉紅噪聲的功率譜每倍頻程下降 3 dB。(圖片來源:Art Pini)
粉紅噪聲因與人耳的響應相似,因而可用于音頻測試和音響系統均衡。
房間均衡可調整音響系統的頻率響應,以產生與輸入信號完全相同的信號。如果將粉紅噪聲輸入音響系統,均衡器會按照頻譜分析儀上的測量值進行調整后將粉紅噪聲輸出(圖 2)。

圖 2:利用均衡器調整房間的頻率響應,可以無損或無失真地再現輸入。(圖片來源:Art Pini)
白噪聲可用于測量頻率響應,并可作為擴頻通信的擴頻源。
下面的示例描述了 10.7 MHz 中頻 (IF) 濾波器的頻率響應(圖 3)。

圖 3:利用寬帶白噪聲測量 10.7 MHz IF 濾波器的頻率響應。(圖片來源:Art Pini)
如左上方網格所示,白噪聲通過適當的阻抗匹配網絡饋入濾波器。如左下方網格所示,輸入噪聲的頻譜在整個目標頻率范圍內是平坦的。正確端接的濾波器輸出如右上方網格所示。該輸出的幅度比輸入小,因為帶通濾波器衰減了濾波器帶寬之外的頻率分量。濾波器輸出的頻譜(如右下方網格所示)顯示,在 10.7 MHz 中心頻率下濾波器的帶寬約為 400 kHz。理論頻率響應是輸出信號與輸入信號的復比。由于輸入信號的幅度均勻,因此輸出頻譜顯示濾波器的幅度頻譜響應。
構建噪聲發生器
噪聲發生器可以基于以下三種基本技術中的任意一種。第一種技術是使用電阻器中產生的約翰遜噪聲。這種電子噪聲由電導體內部電子的熱擾動產生,任何電壓下都會發生這種熱擾動。所產生的噪聲本質上是高斯白噪聲,必須通過一些超高增益的放大器進行緩沖。
第二種技術是使用反向偏壓的齊納二極管或雪崩擊穿二極管。這種噪聲也是白噪聲,并且噪聲級高于約翰遜噪聲,但仍然需要高增益放大器。
第三種技術是利用移位寄存器生成偽隨機二進制序列 (PRBS),再使用數模轉換器 (DAC) 和濾波器將 PRBS 轉換為白噪聲。PRBS 噪聲流具有有限的重復長度。該長度可以按移位寄存器的級數來設置。信號持續時間的倒數是 PRBS 發生器可以再現的最低頻率。PRBS 發生器提供最高輸出電壓,并且不需要高增益放大器。
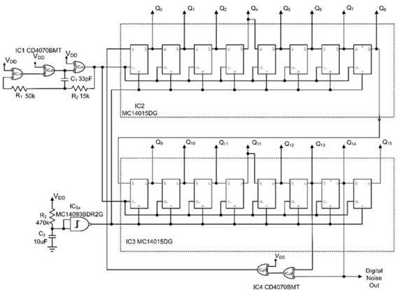
PRBS 發生器可利用離散移位寄存器(參見圖 4)或可編程片上系統(例如微控制器或 FPGA)來實現。

圖 4:利用兩個離散式八路 D 型觸發器 IC 實現 16 位 PRBS 噪聲發生器。(圖片來源:Art Pini)
PRBS 發生器(參見圖 4)設計成本低,基于線性反饋移位寄存器實現,采用 onsemi 的 MC14015DG 雙 4 位靜態移位寄存器和 Texas Instruments 的 CD4070BMT 四路異或門。十六路 D 型觸發器(每個 IC 8 路)在第 14 和 15 路設有反饋抽頭,可產生 PRBS15 數據模式。反饋連接通過一個異或門進行。該數據模式長度為 32767 位,在 500 kHz 時鐘速率下持續時間約 65 毫秒 (ms)。通過使用更多移位寄存器,并適當改變反饋抽頭,可實現更長的模式。
使用 MC14093BDR2G 施密特觸發器與非門 (IC5) 和基本的電阻電容 (RC) 網絡,發生器在開機時初始化為“全零”狀態。時鐘由一個運行在 500 kHz 附近的簡單 CMOS 振蕩器提供。數字輸出可以從任何移位寄存器 Q 輸出中獲取。本例中使用的是 Q14。
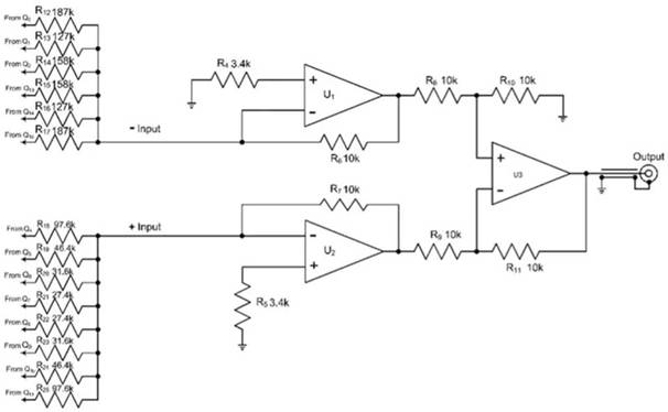
雖然可以使用模擬濾波器,但會僅限于特定時鐘頻率。通過使用有限脈沖響應 (FIR) 低通數字濾波器,濾波器截止頻率將跟蹤時鐘頻率的任何變化。此外,FIR 濾波器可以提供非常低的截止頻率,而這對于模擬濾波器而言,需要很大容量的電容器。FIR 濾波器組合了移位寄存器輸出的加權和。在頻域中產生矩形低通濾波器響應所需的加權是時域中的 sin(x)/x(圖 5)。

圖 5:發生器的輸出級采用來自移位寄存器輸出的 sin(x)/x 加權樣本,來實現 FIR 低通濾波器。(圖片來源:Art Pini)
加權移位寄存器輸出通過差分放大器求和,該差分放大器包含 LM324KDR 四通道運算放大器的三個部分。上電阻器組代表 sin(x)/x 加權的負值。下電阻器組代表正值。該數字濾波器頻帶將輸出限制在 500 kHz 時鐘頻率的 5% 左右(或 25 kHz),適用于音頻測試目的。
利用一個簡單的阻容濾波器,可以將該發生器的白噪聲輸出轉換為粉紅噪聲(圖 6)。

圖 6:這個簡單的 RC 濾波器將利用發生器的數字噪聲輸出產生粉紅噪聲。(圖片來源:Art Pini)
選擇的放大器要與預期的負載相匹配。這種類型的噪聲發生器適用于音頻測試和均衡。
總結
雖然通常需要消除或至少要減少噪聲,但合適的噪聲可能會很有用。歸功于噪聲已知的頻譜功率分布,白噪聲和粉紅噪聲是頻率響應測試領域的重要資源。如上所述,使用一些現成的元器件可以快速構建一個合適的噪聲發生器。
(作者:Art Pini)
免責聲明:本文為轉載文章,轉載此文目的在于傳遞更多信息,版權歸原作者所有。本文所用視頻、圖片、文字如涉及作品版權問題,請聯系小編進行處理。
推薦閱讀:





