【導讀】隨著工業4.0、工業物聯網 (IIoT) 和5G電話技術的普及,使得越來越多的更多復雜的電子設備部署在了更惡劣、更難進入的環境中。這有助于在工業機器人、IO-Link接口、工業傳感器和IIoT設備、可編程邏輯控制器 (PLC) 和以太網供電 (PoE) 等應用中進行可重復的、確定性靜電放電 (ESD) 和電氣過應力 (EOS) 事件保護。這些應用需要滿足IEC61000標準的瞬態保護要求。雖然瞬態電壓抑制 (TVS) 二極管能很好地滿足設計人員的要求,但越來越多的應用需要更確定、更線性、更緊湊和更可靠的ESD和EOS保護。
隨著工業4.0、工業物聯網 (IIoT) 和5G電話技術的普及,使得越來越多的更多復雜的電子設備部署在了更惡劣、更難進入的環境中。這有助于在工業機器人、IO-Link接口、工業傳感器和IIoT設備、可編程邏輯控制器 (PLC) 和以太網供電 (PoE) 等應用中進行可重復的、確定性靜電放電 (ESD) 和電氣過應力 (EOS) 事件保護。這些應用需要滿足IEC61000標準的瞬態保護要求。雖然瞬態電壓抑制 (TVS) 二極管能很好地滿足設計人員的要求,但越來越多的應用需要更確定、更線性、更緊湊和更可靠的ESD和EOS保護。
為了滿足這些不斷提高的性能和外形尺寸要求,可以采用瞬態分流抑制器 (TDS) 器件。這種器件同時具有卓越的箝位、線性和溫度穩定性,可獲得更有保證的性能水平。TDS器件不像TVS二極管那樣耗散浪涌能量,而是將這種能量轉移到地。與TVS替代品相比,TDS不會耗散能量,因此其尺寸可以更小,這有助于縮小解決方案尺寸。此外,TDS器件的鉗位電壓會比TVS二極管低30%,因此減少了系統的電氣應力,提高了可靠性。
TDS浪涌保護器如何工作
浪涌級場效應晶體管 (FET) 是TDS器件中的主要保護元件。當發生EOS事件且瞬態電壓超過集成精密觸發器電路的擊穿電壓 (VBR) 時,驅動電路被激活,場效應管導通,將瞬態能量 (IPP) 傳導至地(圖1) 。
隨著脈沖電流增大至IPP,FET的導通電阻 (RDS(ON)) 變成幾個毫歐 (mΩ) ,鉗位電壓 (VC) 與觸發電路的VBR幾乎相同。因此,TDS器件的VC在IPP范圍內幾乎是恒定的。這與TVS裝置中的箝位作用不同,后者已知:
其中Rdyn是動態電阻。
在TVS設備中,Rdyn 值固定,使得箝位電壓在額定電流范圍內隨著IPP的增加而線性增加。對于TDS器件來說,VC 在工作溫度以及IPP范圍內都是穩定的,從而實現了決定性的EOS保護(圖2) 。
TDS器件的VC相對較低,因此被保護器件不僅受到的電氣應力也較低,而且提高了可靠性(圖3) 。
保護負載開關
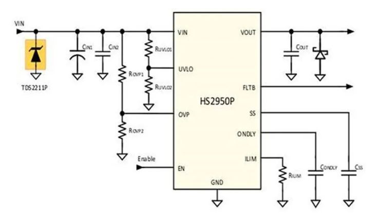
接觸和空氣的ESD耐受電壓等級為±30kV,符合IEC61000-4-2標準要求 峰值脈沖的額定電流為40A (tp = 8/20μs),符合IEC 61000-4-5標準要求;±1kV(tp = 1.2/50μs、分流電阻 (RS) = 42Ω),符合IEC 61000-4-5標準要求,適用于非對稱線路 EFT耐受電壓為±4 kV(100kHz和5kHz、5/50ns),符合IEC 61000-4-4標準
圖4:TDS2211P可用于保護負載開關 (HS2950P) 和下游器件免受雷電、ESD和其他EOS事件的影響。(圖片來源:Semtech)
I0-Link保護
除了在工業環境中發生的常見ESD和EOS危險外,將I0-Link收發器插入I0-Link主設備或從這些設備上拔出時,可能會遇到數千伏的電壓尖峰。通常用于保護I0-Link收發器的TVS二極管可以用TDS器件來補充,以提升保護性能。在典型的電路保護應用中,所用器件的額定值至少為輸入電源的115%,因此對于I0-Link之類的24V應用,選用像TDS3311P TDS這樣的33V保護器件是合適的。TDS3311P的主要規格如下:
接觸和空氣的ESD耐受電壓為±30kV,符合IEC61000-4-2標準的要求
峰值脈沖電流能力為35A (tp = 8/20 μs) ,以及1kV (tp = 1.2/50μs、RS = 42Ω) ,符合IEC61000-4-5標準的非對稱線路要求
符合IEC61000-4-4標準的猝發/EFT抗擾度要求
在3引腳情況下,需要3個TDS器件。如需要,可以通過兩個面對面的TDS3311P來提供雙向保護。在4引腳情況下,I0-Link端口的所有四個針腳應均能承受正負浪涌。連接器的每對引腳間都需要進行測試,以確保I0-Link收發器的浪涌保護性能,并應按照IEC 61000-4-2 ESD、IEC 61000-4-4猝發/EFT和IEC 61000-4-5浪涌的要求水平進行測試。
PoE保護
ESD耐受電壓:±15kV(接觸)和±20kV(空氣) ,符合IEC61000-4-2標準的要求 峰值脈沖電流能力:20A (tp = 8/20 μs) ,1kV (tp = 1.2/50μs、RS = 42 Ω) ,符合IEC61000-4-5標準的的要求 根據IEC61000-4-4的要求,EFT耐受電壓為±4kV(100kHz和5kHz、5/50ns)
PoE系統中的電源是通過變壓器的中心抽頭連接來提供的。PD (RJ-45) 端必須同時保護模式A(通過數據對1和2、數據對3和6提供電源)和模式B(通過引腳4和引腳5以及引腳7和引腳8提供電源) ,因此需要兩對TDS5801P來實現跨中心抽頭連接的雙向保護(圖6) 。
變壓器提供了共模隔離,但不能提供差分浪涌保護。在差動EOS事件中,線路側的變壓器繞組被充電,能量轉移到二次側,直到浪涌結束或變壓器飽和。PD側的TDS器件可以用位于變壓器的以太網物理層 (PHY) 側的四個RClamp3361P ESD保護器件進行補充,防止差分EOS事件。
TDS器件
SurgeSwitch TDS器件為設計人員提供了多種工作電壓選擇,包括22 V (TDS2211P) 、30V (TDS3011P) 、33V (TDS3311P) 、40V (TDS4001P) 、45V (TDS4501P) 和58V (TDS5801P) (表1) 。這些器件滿足 IEC61000 標準的要求,可用于那些在惡劣的5G電話和工業環境中運行的系統。
由于TDS器件是非耗散性器件,而是通過低阻抗路徑將浪涌能量直接轉移到地面,因此可以采用1.6 x 1.6 x 0.55mm的小型封裝中,相比其他浪涌保護器件通常采用的SMA和SMB封裝,可以顯著節省電路板空間。具有6個引腳的DFN封裝包括3個輸入引腳和3個用于將浪涌能量轉移到地的引腳(圖7) 。
圖7:TDS器件采用1.6 x 1.6 x 0.55mm的DFN封裝,有6根引線(右);1、2、3號引腳接地,而4、5、6號引腳用作EOS/ESD保護輸入。(圖片來源:Semtech)
電路板布局指南
當在電路板上安裝SurgeSwitch TDS器件時,其所有接地引腳(1、2和3)都必須連接到同一印制線上,所有的輸入引腳(4、5和6)也必須連接到同一印制線,以獲得最大的浪涌電流能力。如果接地線位于電路板的不同層,強烈建議使用多個通孔與地平面連接(圖8) 。按照這些PC板布局指南,可以最大限度地減少寄生電感并優化器件性能。此外,SurgeSwitch TDS器件應盡可能地靠近受保護的連接器或器件。這會把瞬時能量與印制線的耦合降至最低,這在快速上升時間EOS事件中尤其重要。由于TDS器件不會耗散任何能量,因此不需要在器件下方設置導熱墊來傳導熱能。
圖8:當接地平面位于電路板的不同層時,為獲得最佳性能,建議采用多個通孔進行連接。(圖片來源:Semtech)
本文小結
對于設計在惡劣環境下工作的工業和5G電話設備的設計人員來說,可以采用TDS器件,以提供可靠、確定的ESD和EOS事件保護。TDS器件的VC相對較低,通過減少元器件的電氣應力來提高系統可靠性。這些器件符合IEC61000標準的瞬態保護要求,并有22V至58V電壓范圍,可滿足特定應用的要求。TDS器件體積小巧,有助于減少整體解決方案的尺寸,但設計人員需要遵循一些簡單的PC板布局要求,以發揮TDS器件的最大性能。
(來源:得捷電子DigiKey,作者:Jeff Shepard)
免責聲明:本文為轉載文章,轉載此文目的在于傳遞更多信息,版權歸原作者所有。本文所用視頻、圖片、文字如涉及作品版權問題,請聯系小編進行處理。
推薦閱讀:





