【導讀】家庭自動化、活動監視器、遠程傳感器節點和胎壓監視器等應用使用小型電池運行,需要較長的運行時間。對無線磁性窗口報警傳感器系統的討論說明了在小型紐扣電池上獲得長時間運行的挑戰。該設計解決方案表明,集成微控制器和閃存的高性能四頻多通道收發器有助于最大限度地延長遠程無線傳感器的電池運行時間。
數據處理 IC(如現場可編程門陣列 (FPGA)、片上系統 (SoC) 和微處理器)在電信、網絡、工業、汽車、航空電子和國防系統中的應用范圍不斷擴大。這些系統的一個共同點是不斷提高處理能力,從而導致原始功率需求的相應增加。設計人員非常了解高功率處理器的熱管理問題,但可能不會考慮電源的熱管理問題。與晶體管封裝的處理器本身不同,當低內核電壓需要高電流時,最壞情況下的熱問題是不可避免的,這是所有數據處理系統電源的總體趨勢。
DC-DC 轉換器要求概述:EMI、轉換比、尺寸和熱考慮因素
通常,FPGA/SoC/微處理器需要多個電源軌,包括用于外設和輔助電源的5 V、3.3 V和1.8 V,用于DDR4和LPDDR4的1.2 V和1.1 V,以及用于處理內核的0.8 V。產生這些電源軌的DC-DC轉換器通常從電池或中間直流總線獲取12 V或5 V輸入。為了將這些源直流電壓降壓到處理器所需的低得多的電壓,自然會選擇開關模式降壓轉換器,因為它們在大降壓比下具有高效率。開關模式轉換器有數百種類型,但許多可分為控制器(外部MOSFET)或單片式穩壓器(內部MOSFET)。我們先來看前者。
傳統的控制器解決方案可能不符合要求
傳統的開關模式控制器IC驅動外部MOSFET,并具有外部反饋控制環路補償組件。由此產生的轉換器可以非常高效和通用,同時提供高功率,但所需的分立元件數量使設計相對復雜且難以優化。外部開關也會限制開關速度,這在空間非常寶貴時是一個問題,例如在汽車或航空電子環境中,因為較低的開關頻率會導致整個組件尺寸更大。另一方面,單片式穩壓器可以大大簡化設計。本文深入介紹單片解決方案,從“減小尺寸同時改善EMI”部分開始。
不要忽視最短開機和關斷時間
另一個重要的考慮因素是轉換器的最小導通和關斷時間,或者說它在足以從輸入到輸出降壓的占空比下工作的能力。降壓比越大,所需的最小導通時間越低(也取決于頻率)。同樣,最小關斷時間對應于壓差:在不再支持輸出之前,輸入可以達到多低。雖然提高開關頻率的好處是整體解決方案更小,但最小導通和關斷時間決定了工作頻率的上限。總之,這些值越低,您在設計小尺寸和高功率密度方面的回旋余地就越大。
關注實際 EMI 性能
卓越的EMI性能對于與其他噪聲敏感器件的安全操作也是必需的。在工業、電信或汽車應用中,最大限度地降低EMI可能是電源設計的重要優先事項。為了使復雜的電子系統能夠協同工作,而不會因重疊的EMI而出現問題,采用了嚴格的EMI標準,例如CISPR 25和CISPR 32輻射EMI規范。為了滿足這些要求,傳統的電源方法通過減慢開關邊沿和降低開關頻率來降低EMI,前者導致效率降低和散熱增加,后者導致功率密度降低。
降低開關頻率還可能違反CISPR 25標準中530 kHz至1.8 MHz AM頻段EMI要求。可以采用機械抑制技術來降低噪聲水平,包括復雜、笨重的EMI濾波器或金屬屏蔽,但這些技術大大增加了成本和電路板空間、元件數量和裝配復雜性,同時使熱管理和測試進一步復雜化。這些策略都不能滿足緊湊尺寸、高效率和低EMI的要求。
減小尺寸,同時提高 EMI 和熱性能以及效率
很明顯,電源系統設計已經達到了一個復雜的地步,給系統設計人員帶來了沉重的負擔。為了減輕一些負擔,一個好的策略是尋找能夠同時解決許多問題的電源IC解決方案:降低電路板的復雜性,高效率運行,最大限度地減少散熱,并產生低EMI。可支持多個輸出通道的電源IC進一步簡化了設計和生產。
單片式電源IC將開關集成到封裝中,可以實現其中的許多目標。例如,圖1顯示了一個完整的雙輸出解決方案板,說明了單芯片穩壓器的緊湊簡單性。此處使用的IC中的集成MOSFET和內置補償電路只需要幾個外部元件。該解決方案的總內核尺寸僅為22 mm×18 mm,部分原因是相對較高的2 MHz開關頻率。

圖1.緊湊、高開關頻率、高效率的解決方案,具有出色的 EMI 性能。
該板的原理圖如圖2所示。在該解決方案中,轉換器以2 MHz運行,使用LT8652S的兩個通道在8.5 A時產生3.3 V電壓,在8.5 A時產生1.2 V電壓。可以輕松修改該電路,以產生包括3.3 V和1.8 V、3.3 V和1 V等在內的輸出組合。或者,為了利用LT8652S的寬輸入范圍,LT8652S可用作繼12 V、5 V或3.3 V前置穩壓器之后的第二級轉換器,以提高總效率和功率密度性能。LT8652S具有高效率和出色的熱管理功能,可同時為每個通道提供8.5 A電流,為并行輸出提供17 A電流,為單通道操作提供高達12 A電流。憑借 3 V 至 18 V 輸入范圍,它可以覆蓋 FPGA/SoC/微處理器應用所需的大多數輸入電壓組合。

圖2.雙輸出、2 MHz、3.3 V/8.5 A和1.2 V/8.5 A應用,采用LT8652S的兩個通道。
雙輸出、單芯片穩壓器的性能
圖3顯示了圖1中解決方案的實測效率。對于單通道工作,該解決方案在3.3 V電源軌上實現了94%的峰值效率,在12 V輸入電壓下實現了87%的峰值效率(1.2 V電源軌)。對于雙通道操作,LT8652S在12 V輸入時具有90%的峰值效率,在8.5 A負載電流下每個通道具有86%的滿載效率。由于關斷時間跳躍功能,LT8652S具有接近100%的擴展占空比,以最低的輸入電壓范圍調節輸出電壓。20 ns(典型值)的最小導通時間甚至可以在高開關頻率下工作,直接從12 V電池或直流總線產生小于1 V的輸出,從而減小整體解決方案尺寸和成本,同時避免AM頻段。集成旁路電容器的靜音切換器 2 技術可防止可能出現的布局或生產問題,從而影響卓越的臺式 EMI 和效率性能。?

圖3.單路和雙路輸出的效率,開關頻率為2 MHz。
用于大電流負載的差分電壓檢測
對于高電流應用,每線性英寸的PCB走線都會產生顯著的壓降。對于現代核心電路中典型的低電壓、高電流負載,需要非常緊湊的電壓范圍,電壓降會導致嚴重的問題。LT8652S具有差分輸出電壓檢測功能,允許客戶建立開爾文連接,用于直接從輸出電容器進行輸出電壓檢測和反饋。它可以校正高達±300 mV的輸出接地線電位。圖 4 顯示了利用差分檢測功能的兩個通道的 LT8652S 負載調整率。

圖4.LT8652S負載調節,具有差分檢測功能。
監視輸出電流
在某些大電流應用中,必須收集輸出電流信息以進行遙測和診斷。此外,根據工作溫度限制最大輸出電流或降低輸出電流可以防止損壞負載。因此,恒壓、恒流操作需要精確調節輸出電流。LT8652S 使用 IMON 引腳來監視和減小流向負載的有效調節電流。
當IMON對負載的調節電流進行編程時,IMON可以配置為根據IMON和GND之間的電阻來降低該調節電流。負載/電路板溫度降額使用正溫度系數熱敏電阻進行編程。當電路板/負載溫度升高時,IMON電壓上升。為了降低調節電流,將IMON電壓與內部1 V基準電壓進行比較,以調整占空比。IMON電壓可以低于1 V,但這樣就沒有影響了。圖5顯示了激活IMON電流環路前后的輸出電壓與負載電流的關系曲線。

圖5.LT8652S輸出電壓與電流曲線的關系
低電磁干擾
為了使復雜的電子系統正常工作,對單個組件解決方案應用了嚴格的EMI標準。為了在多個行業中保持一致,標準已被廣泛采用,例如用于工業的CISPR 32和用于汽車的CISPR 25。為實現卓越的 EMI 性能,LT8652S 采用領先的靜音開關穩壓器 2 技術,采用 EMI 消除設計和集成熱回路電容,可最大限度地減小噪聲天線尺寸。結合集成的 MOSFET 和小解決方案尺寸,LT8652S 解決方案可提供出色的 EMI 性能。圖6顯示了圖1所示LT8652S標準演示板的EMI測試結果。圖6a顯示了帶峰值檢波器的CISPR 25輻射EMI,圖6b顯示了CISPR 32輻射EMI結果。

圖6.圖1應用電路的輻射EMI測試結果。V在= 14 V, V輸出1= 3.3 V/8.5 A, V輸出2= 1.2 V/8.5 A。
并聯操作,可實現更高的電流和更好的熱性能
隨著數據處理速度的飆升和數據量的成倍增加,FPGA 和 SoC 的功能不斷擴展以滿足這些需求。電源需要電源,電源應保持功率密度和性能。盡管如此,在追求更高的功率密度時,不應失去簡單性和魯棒性的優點。對于需要超過17 A電流能力的處理器系統,多個LT8652S可以并聯,相互異相運行。
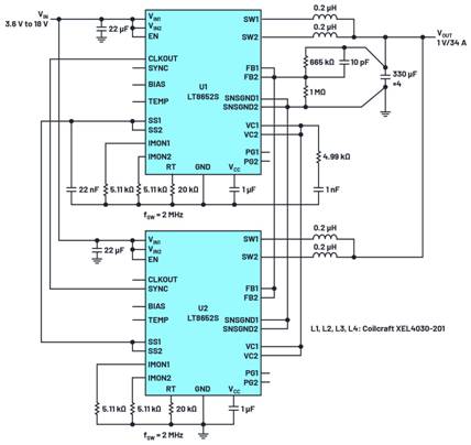
圖7顯示了兩個并聯的轉換器,在1 V時提供34 A輸出電流。通過將 U1 的 CLKOUT 綁定到 U2 的 SYNC,將來自主單元的時鐘同步到從設備。由此產生的每通道90°相位差可降低輸入電流紋波,并將熱負載分散到電路板上。

圖7.適用于 SoC 應用的 4 相、1 V/34 A、2 MHz 解決方案。
為了確保在穩態和啟動期間更好的均流,VC、FB、SNSGND 和 SS 連接在一起。建議使用開爾文連接以獲得準確的反饋和抗噪性。在底層接地引腳附近放置盡可能多的熱通孔,以提高熱性能。輸入熱回路的陶瓷電容應靠近VIN引腳放置。
汽車 SoC 施加的負載瞬態要求可能難以滿足,因為駕駛條件可能會急劇、頻繁和快速地變化,而 SoC 必須無延遲地適應快速變化的負載。外設電源的負載電流壓擺率為100 A/μs,內核電源的負載電流壓擺率甚至更高,這種情況并不少見。然而,在快速負載電流轉換速率下,電源輸出端的電壓瞬變必須最小化。快速開關頻率 >2 MHz 可實現快速瞬態恢復,輸出電壓偏移最小。圖7顯示了利用快速開關頻率和穩定動態環路響應的適當環路補償元件值。在電路板布局中,最小化從電路輸出電容到負載的走線電感也很重要。

圖8.圖7電路的負載瞬態響應
結論
FPGA、SoC 和微處理器的處理能力不斷提高,導致原始功耗要求相應增加。隨著所需電源軌的數量及其承載能力的增加,必須快速考慮電源系統的設計和性能。LT8652S是一款電流模式、8.5 A、18 V同步靜音開關2降壓穩壓器,采用3 V至18 V輸入電壓范圍工作,適合輸入源范圍從單節鋰離子電池到汽車輸入的應用。
LT8652S的工作頻率范圍為300 kHz至3 MHz,使設計人員能夠最大限度地減小外部元件尺寸,并避開AM無線電等關鍵頻段。靜音開關穩壓器 2 技術保證了出色的 EMI 性能,而不會犧牲開關頻率和功率密度,也不會犧牲開關速度和效率。Silent Switcher 2 技術還將所有必要的旁路電容器集成到封裝中,從而最大限度地減少布局或生產引起的 EMI 意外的可能性,從而簡化設計和制造。
突發模式操作可將靜態電流降至僅 16 μA,同時保持較低的輸出電壓紋波。4 mm × 7 mm LQFN 封裝和極少的外部元件相結合,可確保非常緊湊的占位面積,同時最大限度地降低解決方案成本。LT8652S的24 mΩ/8 mΩ開關可提供超過90%的效率,而可編程欠壓鎖定(UVLO)則優化了系統性能。輸出電壓的遠程差分檢測可在整個負載范圍內保持高精度,同時不受走線阻抗的影響,從而最大限度地減少外部變化導致負載損壞的可能性。其他特性包括內部/外部補償、軟啟動、頻率折返和熱關斷保護。
免責聲明:本文為轉載文章,轉載此文目的在于傳遞更多信息,版權歸原作者所有。本文所用視頻、圖片、文字如涉及作品版權問題,請聯系小編進行處理。
推薦閱讀:




