【導讀】工業物聯網 (IIoT) 應用架構使用大量的聯網傳感器和執行器來監視和控制工業過程。在工業互聯網參考架構中,這些智能連接元素的集合被稱為邊緣層,典型的邊緣層節點位于或接近它所服務的機器。
邊緣層節點的設計對設計者提出了一些挑戰。除了傳感器和執行器,每個節點還包括微控制器和電源電路,以及與網絡中的其他節點連接的串行通信鏈路。由于存在數百個甚至數千個節點,因而實現最低的成本和功耗非常重要。工業環境通常存在著非常嚴重的電磁干擾,因此提供強大的抗電磁干擾保護也是首要考慮因素。
本文將簡要介紹 IO-Link 通信協議及其在工業物聯網應用領域的用途。然后,本文將介紹 Maxim Integrated MAX14827A 收發器,以示范如何針對各種工業檢測和安全應用來部署經濟高效的工業物聯網邊緣層節點。
IO-Link 概述
IO-Link (IEC 61131-9) 是一種點對點串行通信協議,針對包含傳感器、執行器和低功耗微處理器的智能邊緣層節點進行了優化。它的基本形式是三線連接,可以切換模擬和數字信號(8 位、12 位和 16 位)。它簡明、智能、高效且可配置,并具有提供更多信息和控制的能力,因而得到了廣泛的工業支持。
例如,它采用了標準連接器和電纜,而不使用定制連接。使用 IO-Link,開發人員能夠識別器件,并在運行中執行自動重新參數化。它的服務協議數據單元 (SPDU) 讓用戶能夠訪問詳細的傳感器和執行器狀態,從器件類型和 ID 編號到完整的診斷信息。
在典型的工業安裝中,多個 IO-Link 主站可操作執行器,并從傳感器收集數據;它們還能夠動態地重新配置傳感器和執行器(在 IO-Link 術語中統稱為“器件”)(圖 1)。
可編程邏輯控制器 (PLC) 可能包含多個 IO-Link 主站,每個主站連接到一個或多個器件。PLC 本身是局域網(例如現場總線)上的節點。諸如工業以太網之類的更高速網絡,在 PLC 集線器和更高的企業或云級別之間傳輸數據和命令。

圖 1: 在工業物聯網應用中使用 IO-Link,從位于邊緣的傳感器和執行器(稱為“器件”),通過包含 IO-Link 主站的 PLC,一直到高速工業以太網骨干。(圖片來源: IO-Link)
IO-Link 標準引腳分配根據 M5、M8、M12 的圓形外形尺寸,將數據鏈路和電源連接組合在單個連接器中: 其中 M12 最為常用。傳感器連接器有四個引腳,執行器有五個引腳:IO-Link 主站器件通常有五引腳插座。
該標準定義了兩個端口類,即端口 A 和端口 B:引腳 1、3 和 4 在兩個端口類中執行相同的功能。在端口 A 中,引腳 2 和 5 未指定具體功能,但制造商通常使用引腳 2 作為附加數字通信通道。在端口 B 中,引腳 2 和 5 為具有較大需求的器件提供額外電源。最長 20 米的非屏蔽式電纜將主站與其器件連接在一起(表 1)。

表 1: 端口類 A 和 B 的標準 IO-Link 引腳分配。端口 B 使用引腳 2 和 5,為需要更大功率的器件提供更高的(電位隔離)電壓。(圖片來源: IO-Link)
IO-Link 規范具有后向兼容性,并能夠適應舊有設備。主站可以使用標準輸入輸出 (SIO) 功能來操作這些器件,將 C/Q 串行鏈路轉化為分立式數字 I/O 端口。SIO 還支持 IO-link 傳感器與傳統輸入模塊結合使用。主站端 (ILLM) 的 C/Q 線路上內置有負載電流,還支持與具有離散 PNP 型輸出(僅驅動高電平)的舊有傳感器結合使用。
使用 IO-Link 設計邊緣層節點
IO-Link 協議為功能強大的低成本邊緣層節點奠定了基礎(圖 2)。此類低功耗節點在實現 IO-Link 連接時僅使用了三個有源器件:IO-Link 收發器 (MAX14827A)、降壓穩壓器 (MAX17552)、監控型微控制器。

圖 2: IO-Link 節點的簡化方框圖,其中包含三個有源器件:IO-Link 收發器、降壓穩壓器、監控型微控制器。(圖片來源: Maxim Integrated)
IO-Link 收發器
Maxim Integrated 的 MAX14827A 收發器發送和接收 IO-Link 消息,并通過三線 UART 與監控型微控制器交換數據。該器件還帶有 SPI 接口,可提供診斷信息。復用 UART/SPI 選項將 SPI 和 UART 接口組合為單組共用引腳(圖 3)。

圖 3: MAX14827A 將 IO-Link 收發器、功率驅動器和線性穩壓器的組合在單個封裝中(圖片來源: Maxim Integrated)
MAX14827A 有兩種運行模式,由 SPI/PIN 上的電壓決定。在 PIN 模式下(SPI/PIN 低),SPI 和 UART 都被禁用,可根據需要將 SPI/UART 引腳連接到高電平或低電平,來設置器件配置。在此模式下,有些功能設置為固定值。當 SPI/PIN 連接高電平時,SPI 和 UART 都被使能,用于配置 MAX14827A、監控其運行、以及傳輸和接收 IO-Link 消息。
除了 IO-Link 接口之外,MAX14827A 還集成了工業物聯網傳感器節點需要的多種常見功能,例如驅動器和穩壓器。這樣可以減少元器件數和節點尺寸。這些功能包括:
- 兩個低功耗邏輯電平 LED 驅動器
- 集成的 3.3 V 和 5 V 線性穩壓器,用于低噪聲模擬或邏輯電源軌。
- 如果 DI/DQ 工作不需要,則可使用推挽、PNP 和 NPN 模式的其他數字輸入和輸出。
MAX14827A 可檢測熱過載等故障條件,并提供反極性保護和熱插電源保護。該器件還可以針對各種條件引發中斷,例如 IO-Link 喚醒、超溫、驅動器過載、V24 引腳低電壓。
降壓穩壓器和電源
IO-Link L+/L- 引腳為節點提供 24 伏特直流電源。MAX17552A 高效率 DC-DC 轉換器為其他元器件、傳感器和執行器產生 5 伏特的總線電壓。它將同步降壓拓撲用于集成式功率 MOSFET。
MAX14827A 中的內置 LDO 使用 5 伏特總線電壓,為微控制器產生 3.3 伏特的電壓。由于 MAX17552 提供了 5 伏特的電壓,因此此應用將不使用 MAX14827A 的內置 5 伏特穩壓器。
雖然標準 IO-Link L+ 電壓為 24 伏特,但 MAX17552A 可根據需要在 4 伏特至 60 伏特的輸入電壓范圍內工作。轉換器能夠在 0.8 伏特至 0.9 x VIN 的可調節輸出電壓下,產生最高 100 毫安的輸出電流。在 -40°C 至 +125°C 的溫度范圍內,輸出電壓精度為 ±1.75%。
該器件采用峰值電流模式控制方式,MODE 引腳可在脈寬調制 (PWM) 或脈沖頻率調制 (PFM) 控制方案之間選擇。PWM 工作可在所有負載條件下實現恒定頻率工作方式,這一特點使其適用于對可變開關頻率敏感的應用。PFM 模式在輕負載時實現脈沖跨周期調制,以實現高效率。在這種模式下,轉換器僅消耗 22 微安的空載電源電流。

圖 4: MAX17552A 的開關拓撲高效地將 IO-Link 24 伏特輸入轉換為節點所需的 5 伏特總線電壓。(圖片來源: Maxim Integrated)
微控制器選擇
微控制器對傳出的 IO-Link 消息進行格式化,并處理傳入的消息。它還接收來自傳感器的數據,并通過外置驅動器或 MAX14827A 中的驅動器來控制執行器。
在最小引腳數的配置中,微控制器串口同時支持 UART 和 SPI 功能,管理收發器控制 (SPI) 和 IO-Link 數據通信 (UART)。微控制器的共用 UART 和 SPI 接口引腳為復用引腳,但它們的使用模式各不相同。SPI 用于配置上電時的收發器配置,很少用于重新配置或診斷目的。另一方面,UART 消息可能隨時產生。
由于工業物聯網節點的功能存在很大差別,微控制器必須擁有靈活的功能集。這些功能可能包括模數轉換器 (ADC)、數模轉換器 (DAC)、數字 I/O 功能(例如定時器和 PWM 輸出),具體取決于應用。
工業物聯網的首要設計原則是在合理的位置處理數據,而并非自動將數據向上游發送至更高級別的節點進行操作。這會提高節點級微控制器的標準,因為它需要浮點支持等功能。但是,最大程度降低功耗仍然是頭等大事,因此微控制器必須具有電源管理功能,讓電源更長時間保持在低功耗模式下,僅在需要時喚醒以處理傳感器輸入,或者發送和接收消息。
節點工作方式
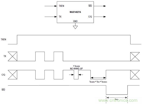
在工作中,器件必須等待以響應來自主站的傳輸:它無法發起通信。主站通過在 C/Q 線路上實現 80 微秒的低電平脈沖來喚醒器件(圖 5)。MAX14827A 檢測到 IO-Link 喚醒條件,并通過將引腳驅動至低電平,持續 200 微秒,來通知微控制器。由于 MAX14827A 包括電路,因此明顯長于或短于 80 微秒的脈沖將不會導致變化。此外,在 SPI 模式下時,MAX14827A 的 INTERRUPT 寄存器中的 WuInt 位將會置位,而在檢測到 IO-Link 喚醒事件時,/ 引腳變得有效。

圖 5: 檢測到傳入的 IO-Link 喚醒時,MAX41827A 通知微控制器。(圖片來源: Maxim Integrated)
在未發生 IO-Link 通信期間,微控制器會收集傳感器數據、響應故障條件或進入休眠模式以節省功耗。
設計考慮因素
在為工業物聯網設計節點時,請務必牢記一些重要考慮因素。
由于 IO-Link 插座暴露在外界環境下,因此 ESD 保護和瞬態保護不可或缺。在插入或取下連接器時,存在 ESD 電擊的風險。
電感負載開關、突發和浪涌會產生高瞬態電壓。應保護 V24、C/Q、DI 和 DO 引腳免受過壓和欠壓瞬變的影響。V24、C/Q、DO 和 DI 上的正電壓瞬變必須限定為相對于 GND 的 +70 伏特。負電壓瞬變必須限定為相對于 V24 的 -70 伏特。在 C/Q、DO 和 DI 使用保護二極管(圖 3)。
如果設計需要滿足 IEC 61000-4-5 規范的浪涌額定值,Littelfuse Inc. 的 SMAJ33A 或 Fairchild 的 SMBJ36A TVS 保護器都是不錯的選擇。為了提供最大程度的保護,STMicroelectronics 推出的 SM6T39A 達到了 IEC 61000-4-2 第 4 級 ESD 規范的 15 千伏空氣放電和 8 千伏接觸放電要求。
另一方面,IO-Link 規范規定了最低級別的 ESD 保護和突發保護;如果有這種設計要求,則可在小型封裝中使用 TVS。
開關穩壓器元器件選擇
當設計中包含 MAX17552A 等開關功率轉換器時,在實現高效率的同時,也會帶來一些值得注意的問題。例如,在選擇外部元器件時需要特別小心,這一點非常重要。
電感器選擇: 挑選 DC 電阻最低且適合所分配空間的低損耗電感器。鐵氧體和鐵粉是最常用的磁芯材料。鐵氧體磁芯具有較低的磁芯損耗,建議用于高效率設計,鐵粉磁芯比鐵氧體的成本更低,但磁芯損耗更高。
輸入電容器選擇: 輸入電容器可減少從電源提取的峰值電流,并減少輸出端由于開關電路導致的紋波和噪聲。推薦使用小型陶瓷 X7R 級別輸入電容器。對于 MAX17552 的輸入電容器,建議達到至少 1 微法拉的電容值,以保持較低的輸入電壓紋波,并滿足最大紋波電流要求。
輸出電容器選擇: 輸出電容器有兩種功能。它存儲足夠的能量,以便在瞬態負載條件下保持輸出電壓,并穩定穩壓器的內部控制回路。X7R 級別陶瓷器件仍然是首選。量身定制輸出電容器,以支持應用中的最大輸出電流的 50% 的步進負載,使得輸出電壓偏差小于 3%。
另請注意,由于 DC 偏置電平,陶瓷電容器中使用的介電材料會出現電容損失,請確保適當地進行降額。
PC 板布局指南
典型的工業物聯網邊緣節點包括用于收集實際傳感器數據的噪聲敏感型模擬電路,還包括噪聲數字和開關電源器件。細致的 PC 板布局對于實現穩定的工作至關重要。
推薦布局指導原則包括保留噪聲敏感型模擬元器件,以及偏離噪聲源和接地線的布線。將模擬輸入與噪聲走線隔離開,單獨運行模擬和電源接地。
開關電源功率級需要特別注意,因為它將數字開關與高電壓和高電流結合在一起。例如,輸入陶瓷電容器應該位于盡可能靠近 VIN 和 GND 引腳的位置。所有反饋連接應該是短而直接的,高速開關節點 LX 的布線應該與信號引腳隔離開。
MAX14827A 評估板
使用評估板可以幫助設計人員基于 IO-Link 和 MAX14827A 開始設計邊緣節點。 MAX14827EVKIT 既可作為獨立評估板工作,也可與基于 Arduino 的小型 ARM® mbed 板結合使用。評估板包括了 GUI,讓用戶能夠在 PIN 模式和 SPI 模式下進行操作(圖 6)。

圖 6: MAX14827A 評估套件上電后的 SPI 模式默認配置 GUI 屏幕(圖片來源: Maxim Integrated)
總結
工業物聯網需要大量的低成本、低功耗的邊緣層節點,用于收集數據和控制工業過程。IO-Link 是一種針對工業自動化優化的低成本協議,特別適用于在現場總線網絡中連接在一起的大量 PLC。MAX14827A IO-Link 收發器可將穩壓器與低功耗微控制器組合在一起,形成適合很多工業物聯網應用的緊湊邊緣層節點設計。
本文來源于Digi-Key。
推薦閱讀:




