中心議題:
- 電容傳感器模擬前端測量方法
解決方案:
- 激勵電容傳感器
- 測量電容傳感器
- 檢測傳感器接觸面積
因為采用了傳統機械開關,用戶使用電容傳感器接口的方式直接與各種工作條件下(可靠性)接觸傳感器的響應度(靈敏度)相關。本文將介紹一些通用電容傳感器模擬前端測量方法.
靈敏度
電容傳感器的靈敏度是由其物理結構、測量電容的方法和精確比較電容相對于接觸門限電平變化的能力而決定的。采用傳統印制電路板(PCB)方法制造的電容傳感器的測量范圍通常為1~20pF,因而很難準確地檢測微小變化。雖然有幾種測量這些電容微小值的方法,但采用16位電容/數字轉換器(CDC)的高精密測量方法仍然具有明顯的優勢。
基于PCB設計的電容傳感器
制作在標準印制電路板或撓性印制電路上的電容傳感器都使用了相同的銅材料來做信號線。在這兩種情況下,傳感器的最大靈敏度都由傳感器的物理尺寸、電介質常數以及覆膜厚度所決定。例如,帶有5mm塑料覆膜的3mm厚傳感器不如帶有2mm塑料覆膜的6mm厚傳感器靈敏。
我們的目標是開發具有正確響應并且滿足人體工學要求的電容傳感器。在某些應用中,傳感器可能會很小,從而使用戶接觸面上產生微小的電容變化。

圖1AD7142電容傳感器的設計

圖2另一種電容傳感器設計
激勵電容傳感器
如圖1所示,連續的250kHz方波激勵信號施加在傳感器的SRC端,以在電容傳感器內建立電場。激勵信號在傳感器中建立電場后,該電場會部分地延伸出塑料覆膜,CIN端連接到CDC上。
圖2所示為另外一種電容傳感器設計案例,其將一個恒流源加到傳感器的A端,而將B端接地。當用戶觸摸傳感器時會增加額外的手指電容,從而增加了充電周期內RC的上升時間。
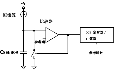
測量電容傳感器并且檢測傳感器接觸面積

圖3使用比較器和555定時器或計數器測量電容的傳統方法

圖4傳統比較器和555定時器或計數器的靈敏度門限電平

圖5AD7142模擬前端
率來檢測。其無須外部控制元件并且自動校準,所以可確保不會發生由于溫度或濕度變化引起虛假接觸。
一旦將電容傳感器的輸出數字化后,就可以通過設置相應的16位寄存器來設置每個傳感器的具體檢測門限電平。門限電平可以設置在傳感器滿偏(F.S.)輸出值的25%~95.32%之間。AD7142靈敏度門限電平的設置如圖6所示。

圖6設置AD7142的靈敏度門限電平
可靠的電容傳感器接口以模擬前端開始,該前端必須能夠測量用戶接觸電容傳感器時引起的微小輸出變化。現在,新的高集成度CDC使設計工程師從集成有低功耗、高分辨率Σ-ΔADC混合信號技術中受益。





