【導讀】對于使用電機、發電機和齒輪等的機械設備和技術系統,狀態監控是當前的核心挑戰之一。在最大限度降低生產停機風險這一方面,計劃性維護的重要性日益凸顯,不僅是在工業領域,在任何使用機械系統的地方均是如此。除此以外,本文還分析了機器的振動模式。齒輪箱導致的振動在頻域體現為軸速的倍數。不同頻率點的磨損、不平衡或松脫的部件等異常。我們通常使用基于MEMS(微機電系統)的加速度計來測量頻率。與壓電式傳感器相比,它們具有更高的分辨率、出色的漂移特性和靈敏度,以及更高的信噪比(SNR),此外,還能檢測幾乎接近直流范圍的極低頻率振動。
本文介紹一種基于ADXL1002 MEMS加速度計的高線性、低噪聲、寬帶振動測量解決方案。這種解決方案可用于實施軸承分析或發動機監測,且適用于所有需要動態范圍高達±50 g、頻率響應范圍為從直流至11 kHz的應用。
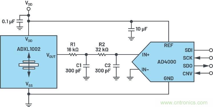
圖1顯示的是一個示例電路。來自ADXL1002的模擬輸出信號通過2階RC濾波器饋送至逐次逼近寄存器(SAR)模數轉換器(ADC) AD4000,將模擬信號轉化為數字值,以進一步處理信號。

圖1.ADXL1002的示例電路
ADXL1002是ADI公司一款高頻率的單軸MEMS加速度計,提供遠超過傳感器諧振頻率范圍的輸出信號通頻帶。采用此器件之后,也可以監測3 dB帶寬以外的頻率。為了實施這種監測,ADXL1002的輸出放大器需要支持70 kHz小信號帶寬。使用ADXL1002的輸出放大器也可以直接驅動實現高達100 pF的容性負載。要實現高于100 pF的負載,需要使用不低于8 kΩ的串聯電阻。
ADXL1002的輸出端需要配備外部濾波器,以消除ADXL1002的輸出放大器和其他內部噪聲組件產生的混疊噪聲,例如,耦合內部200 kHz時鐘信號產生的噪聲。因此,需要相應采用濾波器帶寬。采用圖1所示的尺寸(R1 = 16 kΩ,C1 = 300 pF,R2 = 32 kΩ,C2 = 300 pF)時,在200 kHz時會實現約84 dB衰減。此外,選擇的ADC采樣速率應該高于放大器的帶寬(例如,32 kHz)。
對于ADC,選擇ADXL1002的電源電壓作為其基準電壓源,這是因為輸出放大器與電源電壓成比率關系。在本例中,電源電壓的容差和電壓溫度系數(一般連接至外部穩壓器)介于加速度計和ADC之間,所以可以抵消與電源和基準電壓相關的隱含誤差。
頻率響應
加速度計的頻率響應是該系統最重要的特性,具體如圖2所示。在頻率高出約2 kHz至3 kHz時,增益增加。對于諧振頻率(11 kHz),在輸出電壓下產生約12 dB(因子為4)的最大增益值。

圖2.ADXL1002的頻率響應
為了顯示量程過沖(超量程),ADXL1002配備了一個對應的輸出(OR引腳)。發生明顯的超量程事件時,集成式監測器會發出警報。
機械安裝注意事項
應特別注意將加速度計放置在正確的位置。加速度計應安裝在靠近板的剛性安置點的位置,避免電路板本身產生任何振動,以及因為電路板振動未受抑制而導致的測量誤差。這種放置可以確保加速度計每次受到的電路板振動的頻率都高于機械傳感器的諧振頻率,因此實際上對加速度計是不可見的。多個安裝點時,接近傳感器和較厚的板也有助于降低系統諧振對傳感器性能的影響。
結論
采用圖1所示的電路時,可以相對容易地構建基于MEMS的解決方案,ADI公司該方案可以檢測直流范圍到11 kHz的振動(旋轉機器的狀態監控通常要求采用這一范圍)。
參考資料:
電路筆記CN-0303:帶頻率響應補償的MEMS振動分析儀。ADI公司,2016年9月。
作者簡介
Thomas Brand于2015年加入德國慕尼黑ADI公司,當時他還在攻讀碩士。畢業后,他參加了ADI公司的培訓生項目。2017年,他成為一名現場應用工程師。Thomas為中歐的大型工業客戶提供支持,并專注于工業以太網領域。他畢業于德國莫斯巴赫的聯合教育大學電氣工程專業,之后在德國康斯坦茨應用科學大學獲得國際銷售碩士學位。聯系方式:thomas.brand@analog.com。
推薦閱讀:



