【導讀】近年來,電動汽車的數量在全球范圍內不斷增長,如純電動汽車(BEV)或插電式混合動力汽車(PHEV)。此外,還有許多因素引起了人們的懷疑,比如說,目前每個終端用戶的碳排放量仍然很低(除此之外,還有一些因素可以降低終端用戶的碳排放量)。毫無疑問,電動汽車的吸引力取決于電池。這些車輛的普及和適應能力,以及這一細分市場的增長潛力,都取決于高可靠性和持久性的電池性能。電池性能和耐久性在很大程度上取決于充電技術和方法。在本文中,我們將更深入地研究車載充電系統的體系結構,并詳細介紹PFC和DC-DC拓撲中最流行的結構。
經典升壓PFC
實現功率因數校正功能的最簡單拓撲是使用簡單的boost轉換器拓撲,如圖1所示。這種拓撲結構也被稱為經典PFC或經典boost PFC。電路由高頻開關和二極管、電感和交流輸入側的二極管橋式整流器組成。在直流輸出端,通常使用緩沖帽來穩定輸出電壓。實現高功率因數的最常見的工作模式是連續導通模式(CCM),它是通過開關和二極管之間的電流源換流來實現的。這種拓撲提供了從交流輸入到直流輸出的單向功率流。

圖1:boost PFC的工作原理(為了更好地理解原理操作,建議在S1上加一個二極管,但省略了)
由于難換相,要求半導體能夠承受連續換流。因此,一個合理的選擇是使用合格的CoolSiC™ 肖特基二極管650 V Gen5器件,用于位置“D1”,而各種開關適合作為功率因數校正級的電源開關。例如,英飛凌的TRENCHSTOP™ AUTO 5 IGBT提供高速開關功能,擊穿電壓為650 V。這些igbt可作為單個igbt或帶有集成反并聯Si或SiC二極管的igbt。如果選擇的器件是單個IGBT,我們建議在集電極和發射極節點之間使用一個小的反并聯PN二極管,以避免IGBT上出現負電壓尖峰。當目標是在簡單的PFC拓撲中實現最高效率時,我們建議使用MOSFET而不是IGBT。最新的汽車CoolMOS™ 一代,CoolMOS™ CFD7A,完美地配合了SiC二極管作為對應物的拓撲結構。這種MOSFET的優點是在溝道中具有電阻行為,不受尾流的影響,并且比IGBT具有更低的開關損耗。所有這些優點轉化為更低的功率損耗,因此,更高的轉換效率。
在這種拓撲結構中也可以使用寬帶隙晶體管;但是,這不會帶來顯著的好處,因為SiC和GaN晶體管由于拓撲的自然性能而不能被充分利用。

圖2:單相車載充電器功率因數校正級示例:a)集成SiC二極管的IGBT,b)帶外部保護二極管的單個IGBT,c)CoolMOS™ CFD7A(帶本征體二極管)
圖騰柱PFC
雙向車載充電器的常見拓撲結構是所謂的圖騰極PFC(圖3)。在此設置中,所有二極管都被有源功率開關取代,以實現雙向功率流能力。使用有源開關代替二極管的另一個優點是效率提高。盡管如此,這種修改也增加了復雜性,因為必須在電路中控制更多的開關。

圖3:圖騰極PFC拓撲
圖騰極PFC由快速切換段(“S1”和“S2”)和慢速切換段(“S3”和“S4”)組成。“S1”和“S2”要求半導體能夠承受高頻下兩個有源開關之間負載電流的硬換相。因此,“S1”和“S2”的最佳選擇是使用TRENCHSTOP™ H5 IGBT或CoolSiC™ MOSFETs。慢開關段(“S3”和“S4”)中的開關實現相位校正功能。因此,在交流輸入的過零點(零電壓開關)期間,它們會隨著交流頻率接通和斷開。

圖4:a)IGBT,b)SiC MOSFET,c)IGBT和CoolMOS的圖騰極PFC™ CFD7A(相位整流器)
實現圖騰極PFC的一種常見方法是在位置“S1”、“S2”、“S3”和“S4”使用IGBT開關。英飛凌的高速TRENCHSTOP™ IGBT是車載充電器系統的最佳IGBT選擇。CoolMOS™ CFD7A建議用于慢開關半橋(“S3”和“S4”),以進一步提高效率。由于交流頻率下的軟開關特性,將超級連接mosfet設計成相位整流橋是可能的。用四個CoolSiC實現硬開關圖騰極PFC是可能的,因為CoolMOS™ MOSFET具有超低的反向恢復電荷。CoolSiC ™ mosfet的另一個優勢是擊穿電壓為1200v,支持更高的直流鏈電壓(高于650v)。
移相全橋
一種常用的DC-DC拓撲是所謂的移相全橋(圖5),由DC-DC變換器初級側的全橋、諧振電感器、隔離變壓器和次級側的整流組成。基于這種拓撲結構的最先進的車載充電器使用基于硅或碳化硅的mosfet。由于緊湊型DC-DC變換器對開關頻率的要求很高,IGBT不適合這種拓撲結構。

圖5:相移全橋拓撲結構,包括二次側的二極管
這種拓撲的一個顯著優點是效率高,因為它可以在較寬的負載范圍內進行軟交換。這意味著,儲存在mosfet寄生電容中的能量可以重新循環,降低功率損耗,減少散熱,提高轉換效率。一次側的附加電感器(Lr)確保了mosfet的軟開關。然而,由于這種拓撲結構的固有特性,不能在整個輸出范圍內實現所有mosfet的全ZVS。通常,不同mosfet的硬開關發生在輕負載條件下(當諧振能量不足以維持ZVS時)。這種硬開關現象也是英飛凌推薦具有快速二極管特性的硅mosfet(如CoolMOS™ CFD7A)的原因或像CoolSiC™ MOSFET這樣的寬禁帶系列用于汽車應用,確保長期可靠運行。
這種拓撲的另一個優點是與LLC變換器相比,控制工作量相對較低。功率流的調節是通過控制兩個半橋腿之間的相移來實現的,而不需要修改頻率或占空比。此外,PSFB拓撲能夠獲得比LLC變換器更大的轉換比。
二次側的任務是對一次側傳輸的能量進行校正。有幾種方法可以實現這一點。一種方法是使用全橋整流(如圖5所示)或中心抽頭變壓器。對于這兩種變體,二極管或有源mosfet是最常見的選擇。
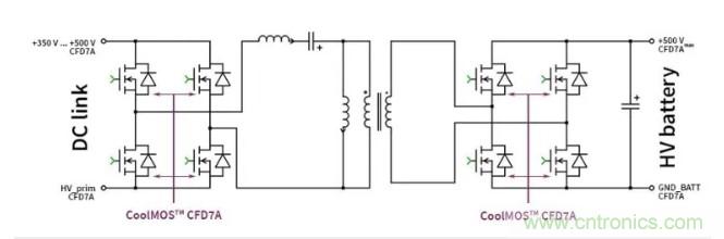
雙向移相全橋拓撲

圖6:雙向使用的移相全橋拓撲
如果DC-DC的二次側采用有源開關,并且采用適當的控制策略,則移相全橋拓撲也可以用于雙向車載充電器。圖6說明了雙向PSFB的概念。如圖所示,不需要進一步修改硬件組件來支持雙向功率流。
LLC拓撲
LLC拓撲是達到最高轉換效率的理想選擇。與PSFB相比,LLC拓撲允許實現更高的效率,從而在運行期間降低損耗,并實現更高的功率密度轉換器。車載充電器中使用的大多數LLC轉換器都是全橋LLC轉換器。一次側的全橋配置有助于減少通過功率開關的電流,因為變壓器的一次側繞組驅動的電壓是半橋LLC轉換器的兩倍。由于電壓加倍,在給定的變壓器尺寸下,可以傳輸雙倍的功率。盡管如此,這一原則適用于所有半橋/全橋變換器,而不是LLC變換器的獨特性,但由于將半橋LLC變換器用于低功率應用更為常見,因此我們在這里重點討論這一點。
設計良好的LLC拓撲結構的另一個優點是可以在滿負荷范圍內實現零電壓開關。然而,mosfet的硬開關很容易在啟動時發生,并且僅在某些關鍵條件下(即“電容模式”操作)。
除了優點之外,LLC拓撲還有一個缺點:功率流是通過可變頻率而不是通過脈寬調制控制信號的可變占空比來控制的。由于所需的頻率范圍,電磁干擾濾波器的設計可能變得更具挑戰性。此外,由于很難規定均流,LLC變換器并聯級的同步變得更加復雜。圖7顯示了車載充電器中使用的典型全橋LLC轉換器,其中轉換器的二次側也設計為全橋。

圖7:單向運行的全橋LLC變換器(二次側帶有源同步整流)
結論
電動汽車的吸引力取決于電池。半導體技術的進步需要實現更高的效率和最高的性能,使電動汽車成為傳統交通工具的便捷和環保的替代品。為了滿足現代非車載充電器設計的要求,各種拓撲結構和技術在今天是可用的。所以,我們的任務是使它們完美匹配。
推薦閱讀:




