【導讀】近年來,諸如吸塵器、電動工具(如鉆頭、鋸子和螺絲刀)和園藝工具(如割草機、修邊機和草坪拖拉機)等消費品已從依靠繩索和墻壁供電轉變為無繩設備和充電電池供電。即使是以前沒有動力的自行車,現在也在向電池驅動的電動自行車和電動摩托車轉變。
這些電池組通常由單塊鋰離子電池、鋰聚合物電池或磷酸鋰電池構成,如果使用不當可能會造成危險,從而導致火災或爆炸。為確保電池的安全使用,電池組內的電子器件對電池進行監控,使電池僅在電池制造商規定的條件下運行。這些條件通常包括:
● 最大允許充電電壓
● 最大充放電電流
● 規定的充放電溫度范圍
因此,測量電池組內的關鍵參數至關重要,尤其是電池組內電池電壓、電流和溫度,因為這些參數超過極限值時,將會觸發適當的保護措施。
測量數據必須準確,以便設計人員決定在設計中包含多少裕度。例如,如果電池規格將全充電電壓限制為4.3V,但測量數據的精度為±50 mV,則設計人員必須將系統配置為在測量顯示電壓高于4.25V時禁用充電。但是,由于實際電池電壓可能低至4.2V,在這種情況下,充電會在電池充滿電之前停止,從而導致應用容量的浪費和電池壽命縮短。
BQ76942和BQ76952等電池組的高精度電池監視器和保護器專為使用鋰離子、鋰聚合物或磷酸鋰電池的應用設計。這些設備支持從3s到10s(BQ76942)和16s(BQ76952)的串聯電池組,可以測量電池電壓、電流和溫度,并可以與其他電路共享數據,例如電池組中的獨立微控制器或電動自行車中的系統控制器。BQ76942和BQ76952還可以使用數據自動觸發電池保護,禁用電池組以避免超出制造商規范運行,并在條件允許時重新啟用電池組,無論是否與主機或系統微控制器交互。
圖1展示了BQ76952的框圖,其集成了:
● 測量和檢測子系統,用于監測電壓、電流和溫度,以便在參數超過允許閾值時進行檢測。
● 驅動外部保護FET和化學熔絲的執行器。
● 一個數字主機接口子系統,除了用于選擇功能的引腳控件外,還支持多個串行通信標準。
● 多個電壓調節器,一個用于內部電路,兩個供外部使用。

圖1:BQ76952框圖
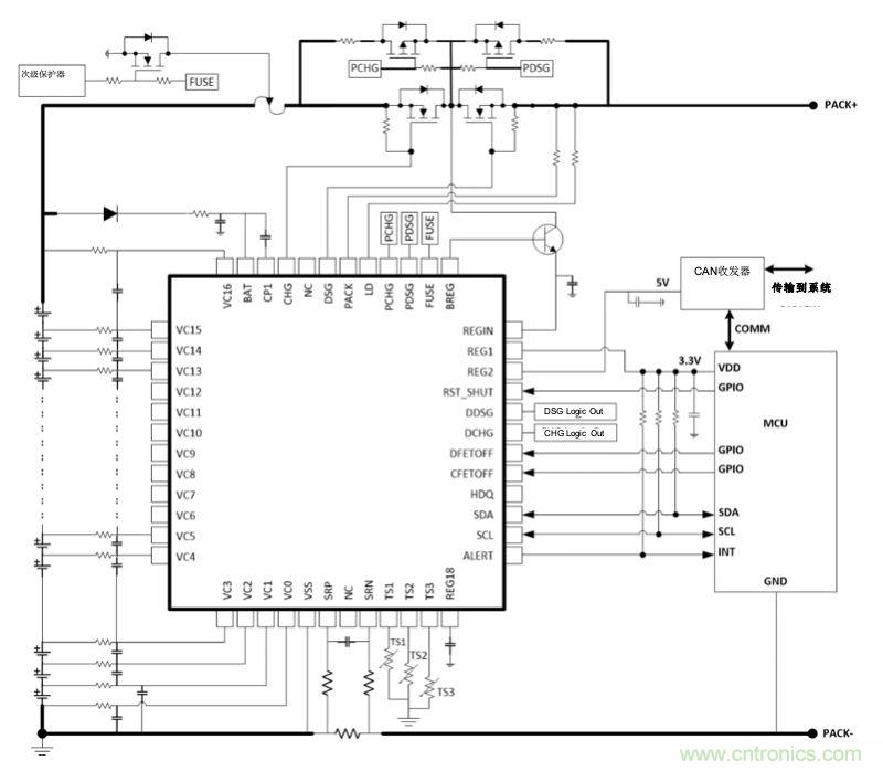
圖2顯示了基于BQ76952的16s電池組的簡化原理圖,使用I2C與主微控制器通信。集成調節器為微控制器和可選的外部收發器提供電源軌。

圖2:基于BQ76952的16s系統簡化原理圖
BQ76942和BQ76952中的測量子系統將電池組內的各種電壓、電流和溫度數字化。由于每個測量都有特定的要求,因而這些測量是以不同的方式獲得的。例如,溫度變化緩慢,因此可以緩慢地進行測量和計算。然而,電池組電流可能有短脈沖活動,如果不連續采樣,可能會遺漏。
處理電壓和庫侖計數器ADC生成的值,以提供測量數據,這些數據在設備內使用,并可供電池組內的單獨處理器、電動工具或電動自行車中的系統控制器訪問。這些數據包括:
● 單塊電池的差分電壓和選擇額外的系統電壓。
● 電池組電流和通過的電荷(庫侖計數)。
● 內部裸片和9個外部熱敏電阻溫度讀數。
支持外部熱敏電阻測量的引腳也可用于通用ADC輸入,支持不超過~1.8V的輸入電壓。電壓ADC在測量回路上工作,且輸入在多個輸入之間定期多路復用。BQ76942和BQ76952的測量子系統包括多個可編程選項,可以在測量速度和精度之間進行優化和權衡。
隨著電池供電的消費品越來越流行,確保它們在安全電壓、電流和溫度范圍內運行至關重要。具有集成功能的電池監視器可以幫助設計工程師在提高精度的同時解決這三個關鍵問題。有關使用TI電池監視器進行設計的更多信息,請查看下面的其他資源。
本文轉載自德州儀器。
推薦閱讀:


