【導讀】隨著電池供電設備的設計變得越來越緊湊,功耗功能越來越多,留給電池的空間也變得越來越局限,且大部分電池均不可拆卸,因此,設備的工作時長變成了頭等大事。為了提高設備的便攜性,大家經常會使用更大電池容量的輔助充電設備,比如智能手機的移動電源、用于耳塞和電子煙的充電盒等。
由于便攜式設備性能的增長需求與電池大小和容量限制之間的沖突,移動電源多年來廣泛用作輔助充電設備。但是,若想要移動電源具有更良好的性能,則需要更緊湊的設計(重量更輕)和更高的效率(操作時間更長),充電盒之類的設備也同樣如此。
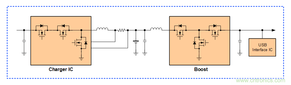
傳統解決方案是采用單獨的充電設備-線性充電器IC或開關充電器IC,以及帶阻斷FET的升壓變換器分別作為電源的輸入和輸出 (見圖1) 。然而,這并不能滿足消費者/制造商的需求。

圖 1:傳統IC充電器+升壓變換器
新款產品
MPS最新推出的一款高集成單節電源管理IC MP2696A 配置靈活,功能豐富。MP2696A 集成了盡可能多的模擬電路,搭配最經濟、最簡單的單片機 (MCU) ,為移動電源提供了可編程、全功能的極簡解決方案(見圖 2)。

圖 2:高度集成的雙向工作模式
與傳統解決方案相比,此方案可以為客戶節省一個開關充電器、一個電感和一個USB接口IC。 MP2696A 功能豐富,在效率和性能提升方面都可圈可點:
● 雙向工作模式,可以使用單個電感進行充電和放電
● 集成了帶有保護和獨立控制功能的直通路徑
● 可編程的JEITA電池溫度保護閾值
● 集成低導通阻抗的FETs
● 集成可編程的輸入電流限制和輸入電壓限制功能
● 空載時自動休眠模式
● 連接至智能手機時,自動INT輸出
● 集成USB協議接口,可為智能手機提供最大輸出功率
MP2696A可由MCU通過I2C接口通信,它能工作在充電或升壓放電的雙向工作模式下,是移動電源和充電應用的完美之選。且可以通過 MCU 靈活地設置工作模式和參數,還可以通過狀態和故障寄存器指示工作狀態和故障事件。
充電模式
MP2696A為USB接口設計,可以耐受高達16V的輸入電壓。由于USB端口的典型輸入電壓為5V,故即使在線纜插拔瞬間產生高的脈沖電壓也不會對移動電源產生任何威脅。
它還集成了一個可編程的輸入電流限制和輸入電壓限制功能。高達3A的輸入電流限制允許 MP2696A 兼容 15W Type-C 電氣特性要求 (見圖 3)。配合MCU程序,MP2696A可以依據輸入電源來設置輸入電流的限值,確保其滿足BC1.2和USB Type-C 規格要求。
鑒于額外的輸入電壓限制功能,MP2696A可以使用優化后的充電電流進行充電,無論采用何種適配器,都能縮短充電時間。

圖 3:充電模式下的功率流動
放電模式
MP2696A 同時具有放電功能,可以提供5V的放電輸出,最大輸出電流可以達到3.6A (見圖 4)。MP2696A具有輸出電流環路,當負載電流達到輸出電流限制時,MP2696A 會通過輸出電流環路限制輸出電流。MP2696A 具有輸出線纜壓降補償功能,當負載電流增加時,MP2696A 會略微調高輸出電壓,這樣可以保證通過電纜后的輸出電壓恒定,而且補償的幅度也可以自由設置。
極低導通阻抗的FET使得MP2696A具有非常高的效率,特別適用于高度集成的小型設計應用。

圖 4:放電模式下的功率流動

圖 5:放電模式下的效率
保護功能和獨有的智能檢測功能
The MP2696A 在所有模式下都能提供可靠的保護功能。在充電模式中,它具有輸入過壓保護、電池過壓保護、安全充電定時器。在放電模式下,它具有電池欠壓鎖定保護和輸出短路保護。這些硬件保護功能可以保證在MCU軟件故障時安全充電。
電池溫度檢測和保護功能對于受電便攜式設備來說,變得越來越重要。日本電子和信息技術工業協會(JEITA)標準--優化不同電池溫度條件下的充電參數,已成為電池充電應用中的強制性功能。MP2696A 不僅支持JEITA標準,還具有可編程的溫度保護閾值調節功能 (見圖 6)。由于熱敏電阻值會隨溫度的變化而變化,所以 MP2696A 可以監控NTC與VNTC之間的電壓比例,提供電池溫度信息。然后 MP2696A 會將測量的額定值與內部額定值進行對比,以確定溫度范圍以及如何調節充電電壓和電流。因此,客戶可以通過更改I2C寄存器內的參數來調整溫度閾值,無需更改電路板上的寄存器分壓器。這種方式配置I2C寄存器可使軟件工程師節省大量的MCU編碼工作。

圖 6:溫度保護
在放電工況中,如果負載電流小于設定的可編程閾值,MP2696A 會通知 MCU:負載已經解除,此時 MCU 經過若干計時時間后,可停止升壓放電,從而使MP2696A進入待機模式。在待機模式中,MP2696A可以檢測負載插入的動作并且報告給MCU,由MCU決定響應與否并且喚醒放電輸出。這樣就無需使用過多的外部分立元器件來檢測負載插入。
The MP2696A還能提供電池電流的信息,不管是充電時還是放電時,電池電流的信息都會成比例的顯示在IB管腳上,可以幫助系統更精確地了解電池容量。
結論
MP2696A結合簡單的MCU,可以為移動電源或充電盒應用提供緊湊高效的設計解決方案。MP2696A 集成了低導通阻抗的功率FET,可支持雙向工作模式,還含有負載連接檢測電路和USB放電協議接口,實現了更緊湊的設計和更低的BOM成本。此款芯片支持可編程的JEITA保護,可輕松滿足不同客戶的電池特性要求,并且具有杰出的效率性能和各種硬件保護功能。最重要的是,MP2696A易于使用,可以利用提供的參考設計節省設計時間。
推薦閱讀:




