中心議題:
- EMC/EMI的綜合解決方案
解決方案:
- ESD防護解決方案
- 開關電源電磁干擾抑制措施
- 汽車電子設備的電磁兼容設計
相關性閱讀:
【class1】EMC元器件的選擇和應用技巧
http://m.yttele.cn/art/artinfo/id/80011707?source=lecture
【class2】EMC四大設計技巧
http://m.yttele.cn/art/artinfo/id/80011924?source=lecture
【class3】EMC的PCB設計技術
http://m.yttele.cn/art/artinfo/id/80012229?source=lecture
電磁兼容主要包括電磁干擾(EMI)和電磁抗干擾(EMS)兩方面,本講將從探討電磁干擾措施和電磁抗干擾技術的角度來介紹EMC/EMI的綜合解決方案。具體內容包括結合實例探討ESD防護解決方案;從電磁兼容三要素(干擾源、耦合通路和敏感體)入手分析,開關電源電磁干擾抑制措施;及汽車電子設備的電磁兼容設計案例。
1 ESD防護解決方案
電磁干擾普遍存在于電子產品,不僅是設備之間的相互影響,同時也存在于元件與元件之間,系統與系統之間,其主要的兩種途徑為傳導干擾和輻射干擾,而傳導干擾又細分為共模干擾差模干擾。引起干擾的原因種類復雜,其核心為靜電放電干擾。靜電有兩種類型,即傳導型的靜電和輻射型的靜電。對于這兩種靜電主要采取如下防護措施:
1.1傳導性ESD防護
對靜電電流在電路中防護主要使用一些保護器件,在敏感器件前端構成保護電路,引導或耗散電流。此類保護器件有:陶瓷電容,壓敏電阻,TVS管等。
下面通過某電子產品接觸式靜電放電的接地改良來說明傳導型ESD防護方案。
某電子產品的ESD發生器采用蘇州泰斯特電子科技有限公司生產的型號為ESD-20靜電放電測試儀器,器性能滿足IEC61000-4-2標準要求,電子產品抗擊電壓為4.7KV,超過4.7KV就會出現蜂鳴器報警,死機現象。實驗布置圖如圖1所示:

圖1 某電子產品接觸式靜電放電的接地改良實驗布置圖
對此電子產品的接觸式靜電放電的接地進行分析,找出其存在的問題,并提出解決措施,可對其接地進行改良。

1.2輻射性ESD防護
對于靜電產生的場對敏感電路產生影響,防護方法主要是盡量減少場的產生和能量,通過結構的改善增加防護能力,對敏感線路實施保護。對場的保護通常比較困難,在改良實踐中探索出了一種叫做等位體的方法。通過有效地架接,是殼體形成電位相同體,抑制放電。事實證明此種方式有效易于實施。
[page]
下面通過某皮帶秤的靜電改良來說明輻射型ESD問題的解決方案。
某皮帶秤在進行電磁兼容抗干擾測試靜電放電項目中失敗,其測試要求為接觸放電6KV,空氣放電8KV。現象是進行接觸放電打擊是存在放電,顯示屏有異樣,持續打擊是會死機,有時可恢復。空氣放電時顯示屏也會有少許放電,然后死機。機體如圖2所示:

圖2 皮帶秤機體
改良措施如下:
1. 考慮改善內殼的鏈接。利用扁銅帶改良其鏈接。如圖3所示。

圖3 利用扁銅帶改良內殼鏈接
2.在間隙中填充絕緣材料,提高放電介質強度,兩板平行可視為電容器,電容定義為C=εS/d,其中ε為極板間介質的介電常數,S為極板面積,d為極板間的距離,電容電壓為U=Q/C。電荷相同的情況下,電容增大,兩板之間的放電電壓將變小,從而其抗電壓能力提高。測試發現接觸放電能力有所提高,位于顯示部分上方的薄膜電路通過了空氣放電8KV測試。
3. 將內殼與外殼絕緣,內殼不接地。使電荷積累在內殼表面,隨著電荷的積累,內殼逐漸形成一個等位體,放電現象消失。如圖4所示。

圖4 將內殼與外殼絕緣
通過以上整改,皮帶秤通過了接觸放電6KV和空氣放電8KV的測試。
此外,防護靜電的一般方法有(前三條是針對直接放電,后兩條是針對關聯場的耦合)
- 減少靜電的積累;
- 使產品絕緣,防止靜電發生;
- 對敏感線路提供支路分流靜電電流;
- 對放電區域的電路進行屏蔽;
- 減少環路面積以保護電路免受靜電放電產生的磁場的影響。
2 開關電源EMI抑制措施
電磁兼容的三要素是干擾源、耦合通路和敏感體,抑制以上任何一項都可以減少電磁干擾問題。開關電源工作在高電壓大電流的高頻開關狀態時,其引起的電磁兼容性問題是比較復雜的。但是,仍符合基本的電磁干擾模型,可以從三要素入手尋求抑制電磁干擾的方法。
[page]
2.1 抑制開關電源中各類電磁干擾源
為了解決輸入電流波形畸變和降低電流諧波含量,開關電源需要使用功率因數校正(PFC)技術。PFC技術使得電流波形跟隨電壓波形,將電流波形校正 成近似的正弦波。從而降低了電流諧波含量,改善了橋式整流電容濾波電路的輸入特性,同時也提高了開關電源的功率因數。
軟開關技術是減小開關器件損耗和改善開關器件電磁兼容特性的重要方法。開關器件開通和關斷時會產生浪涌電流和尖峰電壓,這是開關管產生電磁干擾及開 關損耗的主要原因。使用軟開關技術使開關管在零電壓、零電流時進行開關轉換可以有效地抑制電磁干擾。使用緩沖電路吸收開關管或高頻變壓器初級線圈兩端的尖 峰電壓也能有效地改善電磁兼容特性。
輸出整流二極管的反向恢復問題可以通過在輸出整流管上串聯一個飽和電感來抑制,如圖5所示,飽和電感Ls與二極管串聯工作。飽和電感的磁芯是用具有 矩形BH曲線的磁性材料制成的。同磁放大器使用的材料一樣,這種磁芯做的電感有很高的磁導率,該種磁芯在BH曲線上擁有一段接近垂直的線性區并很容 易進入飽和。實際使用中,在輸出整流二極管導通時,使飽和電感工作在飽和狀態下,相當于一段導線;當二極管關斷反向恢復時,使飽和電感工作在電感特性狀態 下,阻礙了反向恢復電流的大幅度變化,從而抑制了它對外部的干擾。

圖5 飽和電感在減小二極管反向恢復電流中的應用
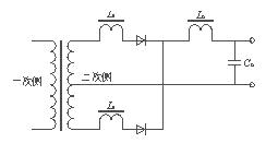
2.2 切斷電磁干擾傳輸途徑——共模、差模電源線濾波器設計
電源線干擾可以使用電源線濾波器濾除,開關電源EMI濾 波器基本電路如圖6所示。一個合理有效的開關電源EMI濾波器應該對電源線上差模干擾和共模干擾都有較強的抑制作用。在圖6中CX1和CX2叫做差模電 容,L1叫做共模電感,CY1和CY2叫做共模電容。差模濾波元件和共模濾波元件分別對差模和共模干擾有較強的衰減作用。

圖6 開關電源EMI濾波器
共模電感L1是在同一個磁環上由繞向相反、匝數相同的兩個繞組構成。通常使用環形磁芯,漏磁小,效率高,但是繞線困難。當市網工頻電流在兩個繞組中 流過時為一進一出,產生的磁場恰好抵消,使得共模電感對市網工頻電流不起任何阻礙作用,可以無損耗地傳輸。如果市網中含有共模噪聲電流通過共模電感,這種 共模噪聲電流是同方向的,流經兩個繞組時,產生的磁場同相疊加,使得共模電感對干擾電流呈現出較大的感抗,由此起到了抑制共模干擾的作用。L1的電感量與 EMI濾波器的額定電流I有關,具體關系參見表1所列。

表1 電感量范圍與額定電流的關系
實際使用共模電感兩個電感繞組由于繞制工藝的問題會存在電感差值,不過這種差值正好被利用作差模電感。所以,一般電路中不必再設置獨立的差模電感 了。共模電感的差值電感與電容CX1及CX2構成了一個∏型濾波器。這種濾波器對差模干擾有較好的衰減。
除了共模電感以外,圖6中的電容CY1及CY2也是用來濾除共模干擾的。共模濾波的衰減在低頻時主要由電感器起作用,而在高頻時大部分由電容CY1 及CY2起作用。電容CY的選擇要根據實際情況來定,由于電容CY接于電源線和地線之間,承受的電壓比較高,所以,需要有高耐壓、低漏電流特性。計算電容 CY漏電流的公式是:
ID=2πfCYVCY ,式中:ID為漏電流;f為電網頻率。
一般裝設在可移動設備上的濾波器,其交流漏電流應<1mA;若為裝設在固定位置且接地的設備上的電源濾波器,其交流漏電流應<3.5mA,醫療器材規定的漏電流更小。由于考慮到漏電流的安全規范,電容CY的大小受到了限制,一般為2.2~33nF。電容類型一般為瓷片 電容,使用中應注意在高頻工作時電容器CY與引線電感的諧振效應。
差模干擾抑制器通常使用低通濾波元件構成,最簡單的就是一只濾波電容接在兩根電源線之間而形成的輸入濾波電路(如圖6中電容CX1),只要電容選擇 適當,就能對高頻干擾起到抑制作用。該電容對高頻干擾阻抗甚底,故兩根電源線之間的高頻干擾可以通過它,它對工頻信號的阻抗很高,故對工頻信號的傳輸毫無 影響。該電容的選擇主要考慮耐壓值,只要滿足功率線路的耐壓等級,并能承受可預料的電壓沖擊即可。為了避免放電電流引起的沖擊危害,CX電容容量不宜過 大,一般在0.01~0.1μF之間。電容類型為陶瓷電容或聚酯薄膜電容。
[page]
2.3 使用屏蔽降低電磁敏感設備的敏感性
抑制輻射噪聲的有效方法就是屏蔽。可以用導電性能良好的材料對電場進行屏蔽,用磁導率高的材料對磁場進行屏蔽。為了防止變壓器的磁場泄露,使變壓器 初次級耦合良好,可以利用閉合磁環形成磁屏蔽,如罐型磁芯的漏磁通就明顯比E型的小很多。開關電源的連接線,電源線都應該使用具有屏蔽層的導線,盡量防止 外部干擾耦合到電路中。或者使用磁珠、磁環等EMC元件,濾除電源及信號線的高頻干擾,但是,要注意信號頻率不能受到EMC元件的干擾,也就是信號頻率要 在濾波器的通帶之內。整個開關電源的外殼也需要有良好的屏蔽特性,接縫處要符合EMC規定的屏蔽要求。通過上述措施保證開關電源既不受外部電磁環境的干擾 也不會對外部電子設備產生干擾。
3 汽車電子設備電磁兼容設計
無論是汽車內部還是外部的電磁干擾對車用電子設備尤其是車用ECU(電控單元)干擾都很大,這些電磁干擾會嚴重干擾汽車電子設備的工作性能。眾所周知,半導體元件對脈動電壓非常敏感,當瞬變電壓值超過其電壓值時,半導體元件會被擊穿而損壞,而脈沖信號一旦被ECU(電控單元)誤認為輸入信號便會使電子設備做出錯誤的判斷,以至產生故障。因此,為了防止異常現象發生且允許汽車電子設備在這種環境下正常工作,在現代汽車上采用一些防干擾方法,以保證車用電子設備的正常工作。
抗干擾的基本技術一是消除干擾源,二是防止干擾信號的串入。下面說明多種提高汽車電子設備抗干擾性能和抑制其產生電磁干擾的基本技術。
1)電路設計模塊化
在電路板設計中,根據電路在汽車上發揮的功能及位置的不同,將執行器電路、傳感器電路、系統控制電路分開設計,形成不同的電路模塊,使不同模塊的電源、搭鐵(金屬車體)線分開,減少不應有的耦合,提高絕緣阻抗。為避免干擾,應先將電源(汽車在行駛過程中主要由發電機供電)傳輸到各個模塊,而后分別進行整流、濾波、穩壓、供電。模塊中的數字搭鐵和模擬搭鐵分開,工作搭鐵和安全搭鐵一點連接。
2)阻尼電阻
在點火裝置的高壓電路中,串入阻尼電阻,削弱火花產生的干擾電磁波。阻尼電阻值越大,抑制效果越好。但阻尼電阻太大,又會減少火花塞電極間的火花能量。阻尼電阻一般用碳質材料制成,電阻值約10-20 kll。阻尼電阻加在點火線圈端和火花塞接頭端。
3)并聯電容器
在可能產生火花處并聯電容器,如在調節器的“電池”接柱和“搭鐵”之間和發電機“電樞”接柱和“搭鐵”之間并聯0.2~0.8 的電容器;在水溫表和機油壓力表的傳感器觸點間并聯0.1~0.2 的電容器;在閃光繼電器和電喇叭的觸點處并聯0.5 F電容器等。
4)金屬屏蔽
發電機、起動機、火花塞等電器設備產生的火花,都能產生電磁波。屏蔽是抑制電磁波干擾的有效方法。屏蔽電場或磁場時,可選用銅、鋁、鋼等導電率高的材料作屏蔽體。當屏蔽高頻磁場時應選購導電率高的鋼、鋁等材料;屏蔽低頻磁場時,選購導磁率高的磁鋼、鈹莫合金、鐵等材料。為了有效發揮屏蔽體的屏蔽作用,還應注意屏蔽體的有效搭鐵。汽車電器中的導線也用密織的金屬網或金屬導管套起來,并將其搭鐵。這樣就使這些電器因工作火花而發射的電磁波,在金屬屏蔽內感應寄生電流,產生焦耳熱而耗散,從而起到防干擾的作用。這種方法有較好的防干擾效果,但裝置復雜,成本高,并且會增大高壓電路的分布電容,干擾點火性能。因此,一般只用在特殊需要的汽車上。
5)感抗型高壓阻尼線
目前國內外多采用高壓阻尼線,其線心是用牽0.1 rnlTl的鎳鉻鉬絲繞成,相當于電感、電容及電阻三者的復合體,抑制效果比集中電阻的效果更好。
6)采用濾波器
濾波器主要抑制通過電路通路直接進入的干擾,根據信號和干擾信號之間的頻率差別,可以采用不同性能的濾波器,抑制干擾信號,提高信噪比。
7)采用平衡技術
平衡技術是消除串音干擾的有效方法。信號的往復兩條線的電性(包括阻抗,分布電容等)相等時叫平衡。在汽車電路中,檢測信號的輸入、控制信號的輸出,特別是在時序信號傳輸中,通常采用雙絞線作為平衡線,雙絞線的螺距要小,長度要盡量短。
8)提高信號幅值
即提高信噪比,是抗干擾的重要方法。對于微弱的傳感器信號(如溫度信號、光電信號等),采用放大電路增大幅值,減小干擾。同時,為避免提高幅值的信號成為干擾源,應采用平衡線傳輸。
綜合解決方案下載排行TOP10
TOP1 電磁兼容問題綜合解決方案
TOP2 電子產品市場、安規與測試趨勢
TOP3 ESD、EMI、EMC 設計
TOP4 改進手機靈敏度的 EMC 解決方案
TOP5 數字電子產品的EMC解決方案
TOP6 電子設備輻射電磁干擾噪聲全面優化解決方案
TOP7 電磁兼容仿真與電子電路設計
TOP8 電子設備系統EMC趨勢
TOP9 EMI濾波設計要點與技巧
TOP10 內部系統的電磁兼容及解決方案




